Введение. Усилитель мощности, речь о котором пойдет в данной статье, является идеологическим наследником усилителей мощности - ПУБЛП и Падик. Как и прежде, основной задаче при разработке схемы усилителя, было получение максимально высоких качественных параметров при минимальном количестве используемых деталей и "без лишних понтов". Кроме этого, немаловажное внимание было уделено конструктивному исполнению авторской печатной платы, при создании которой, автор стремился минимизировать количество транзисторов требующих установки на радиатор. Для достижения последнего, пришлось отказаться от мощного предвыходного каскада и применить составные биполярные транзисторы в выходном каскаде усилителя. По соотношению цена/параметры и по доступности, наиболее подходящими составными биполярными транзистора для выходного каскада УМЗЧ, является комплементарная пара транзисторов - TIP142/TIP147. Взглянув на названии усилители и наименование модели транзисторов выходного каскада, становится понятно, от чего произошло название усилителя описанного в данной статье.
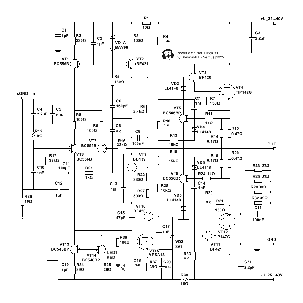
Схема. Усилитель построен по ставшей уже классической трехкаскадной топологии: дифференциальный каскад, усилитель напряжения и выходной каскад. Схема усилители ТИПок, по своей сути, является упрощением схемы усилителя Only Music 2.7. Основных отличий - три: отсутствие каскода в дифференциальном каскаде, упрощенные генераторы стабильного тока первого и второго каскадов, выходной каскад с составными выходными транзисторами.
Подробно описывать данную схему не имеет никакого смысла, поскольку аналогичные схемы ранее описывались автором в других статьях посвященных УМЗЧ. Остановимся лишь на отдельных моментах не описанных ранее. На входе усилителя предусмотрено место для установки двух типов конденсаторов - пленочного и керамического в исполнении для поверхностного монтажа (SMD). Автором был установлен лишь один из них - SMD керамика. Как показали объективные измерения, керамический конденсатор отлично показал себя на входе усилителя. Однако автор оставил возможность установить на вход пленочный конденсатор, в этом случае, керамический конденсатор устанавливать не нужно. В качестве источника опорного напряжения, в генераторах стабильного тока первых двух каскадов, применена диодная сборка BAV99, включающая в себя два диода включенные последовательно. Данное решение оказалось очень удобным и эффективным в плане уменьшения габаритов печатной платы. Для защиты от насыщения усилителя напряжения, применена цепочка LED1 и R36. При начале ограничения выходного напряжения (клипинге), светодиод LED1 зажигается. Усилитель напряжения построен по каскодной схеме. Первый транзистор усилителя напряжения (VT15) - составной, что позволило значительно повысить усиление этого каскада. Вместо составного транзистора (VT15), допускается установка одинарного (не составного) биполярного транзистора, с ухудшением объективных технических характеристик всего усилителя. Выходной каскад - тройка. Первый каскад построен на транзисторах VT3 и VT11, второй и третий каскады, объединены общим корпусом составных транзисторов VT4 и VT12. Элементы схемы C8 и C18 (по умолчанию - не устанавливаются) - предназначены для организации альтернативного варианта коррекции усилителя. Альтернативные варианты коррекции не показали значительного улучшения объективных технических характеристик усилителя, поэтому эти варианты коррекции были отброшены в пользу более простой и эффективной коррекции - C15 и C6. Конденсатор C20 предназначался для замыкания R37 по переменному току и соответствующего повышения усиления на высоких частотах, однако и это решение значительного положительного эффекта не дало (в данной конкретной схеме), поэтому от него так же было решено отказаться. Делители напряжения на резисторах R4 и R10, R33 и R30, предназначались для удержания в надежно закрытом состоянии диодов токовой защиты - VD3 и VD6. В процессе измерений оказалось, что наличие данных резистивных делителей, значительно повышает нелинейные искажения, а сами диоды и без того надежно заперты до момента срабатывания токовой защиты. Ввиду выше написанного, все элементы с пометкой "n.c." - устанавливать не требуется. На этом о схеме усилителя - все.
Технические характеристики. Приведенные далее объективные технические характеристики измерялись при питании усилителя от двухполярного, линейного источника питания, с выходным напряжением +/- 45 В. Сразу нужно отметить, что не рекомендуется питать данный усилитель напряжением более чем +/- 40 В, так как максимально допустимое напряжение выходных транзисторов TIP142/147 - 100 В. Напряжение питания +/- 45 В допускается только в крайнем случае и только при работе на нагрузку с сопротивлением от 8 Ом и более. Для усилителя, работающего на нагрузку 4 Ом или универсального усилителя 4-8 Ом, оптимальное напряжение питания +/- 35 В. Нелинейные и интермодуляционные искажения измерялись с использованием компьютерной программы RMAA 6.2.5, в качестве измерительных ЦАП и АЦП использовалась звуковая карта ASUS Xonar Essence ST. Для измерения скорости нарастания выходного напряжения усилителя, использовался генератор прямоугольных импульсов на базе XR2206CF и осциллограф UNI-T UTD2025CL.
Диапазон питающих напряжения = +/- 25 ... 40 В.
Максимальна выходная мощность (8 Ом, +/- 45 В) = 70 Вт;
Максимальна выходная мощность (4 Ом, +/- 35 В) = 90 Вт.
Скорость нарастания выходного напряжения = 13 В/мкс.
Коэффициент нелинейных искажений (8 Ом, 1 кГц, 0,7 - 40 Вт) = 0,005%;
Интермодуляциии + шум (8 Ом, 60 Гц + 7 кГц, 0,7 Вт) = 0,02%;
Интермодуляции + шум (8 Ом, 60 Гц + 7 кГц, 5-40 Вт) = 0,01%.
Диапазон воспроизводимых частот (-1 дБ) = 5 - 62 000 Гц;
Диапазон воспроизводимых частот (-3 дБ) = 3 - 105 000 Гц.
Приведенные технические характеристики соответствуют авторскому варианту усилителя собранного на заводской печатной плате, они могут незначительно отличаться, в лучшую или худшую сторону, для каждого конкретного экземпляра усилителя.
Важные замечания. В данной части статьи, будут перечислены важные моменты, которые обязательно необходимо учитывать при повторении данной схемы.
- Все применяемые при сборке усилителя элементы, перед их установкой на плату, должны быть проверены на работоспособность и соответствие основным параметрам (сопротивление, емкость, ESR, коэффициент усиления и так далее);
- Не рекомендуется устанавливать элементы, ориентируясь исключительно на их маркировку, без проверки на соответствие реального номинала маркировке;
- Рекомендуется отказаться от использования бывших в употреблении комплектующих и использовать при сборке только новые комплектующие;
- Рекомендуется устанавливать резисторы с допуском не хуже, чем указанный в перечне используемых радиоэлементов. В это случае, подбор каких-либо резисторов по сопротивлению - не требуется;
- При использовании вместо 1% резисторов, резисторов с допуском 5%, желательно (но не обязательно), подобрать в пары резисторы R8 и R9, R34 и R35, а также подобрать четыре пары резисторов 1 кОм и 33 кОм, для использования их в качестве R12 иR17, R16 и R21, в левом и правом каналах стереоусилителя, для достижения равной громкости каналов;
- Все типы применяемых в схеме конденсаторов, их минимально допустимое рабочее напряжение и ТКЕ - указаны в перечне радиоэлементов к данной статье;
- Рекомендуется строго придерживаться теплового коэффициента емкости (ТКЕ) применяемых конденсаторов указанных в перечне радиоэлементов;
- Допускается использование конденсаторы с большим рабочим напряжением, чем это указано в перечне радиоэлементов;
- Категорически запрещается устанавливать резисторы и/или конденсаторы с номиналами отличными от номиналов указанных в схеме;
- В качестве подстроечного резистора R27, допускается использование только многооборотного резистора типа 3296W;
- При установке на печатную плату, движок подстроечного резистора R27, должен находиться в положении соответствующем максимальному сопротивлению;
- Не стоит приобретать и использовать конденсаторы аудиофильских серий - их применение в схеме усилителя, не приведет к улучшению объективных технических характеристик усилителя и/или его звучания;
- Допускается использовать стабилитрон VD2 другой модели, но с таким же номинальным напряжением стабилизации;
- В качестве светодиода LED1, допускается использовать любой светодиод с КРАСНЫМ цветом свечения, диаметром 3 или 5 мм, и прямым падением напряжения не более 1,9 В.
- Допускается использовать только указанные в схеме модели транзисторов или их аналоги, указанные в примечании перечня радиоэлементов;
- В качестве транзистора VT15, допускается использовать НЕ составной биполярный транзистор, например 2N5551, однако при этом ухудшаться объективные технические характеристики усилителя;
- Перед установкой транзисторов на печатную плату, необходимо убедиться в работоспособности каждого их них, соответствию распиновке и основным параметрам, указанным в даташите;
- Транзисторы VT8, VT4 и V12, должны быть установлены на общем переходном уголке, с толщиной стенки 2-3 мм, и надежно от него изолированы. Переходной уголок крепится к основному радиатору двумя или тремя винтами. Между сопрягаемыми плоскостями переходного уголка и радиатора, необходимо нанести тонкий слой термопасты;
- Нет необходимости подбирать в пары по коэффициенту усиления какие-либо транзисторы;
- Коммутация питания, земель и сигнальных линий, выполняется по общепринятым правилам;
- Эксплуатация усилителя без устройства защиты акустической системы от постоянного напряжения - не безопасна и строго запрещается. Работа усилителя без устройств защиту допускается только при первом запуске и первоначальной настройке усилителя. В качестве защиты АС для данного усилителя рекомендую использовать устройство защиты - DEF 2022.
Выводы на печатной плате:
Входной сигнал на плату усилителя может подаваться как через разъем XH2,54-3P, так и посредством пайки. Применяя трехконтактный разъем XH2,54-3P, необходимо принять во внимание тот факт, что два их трех контактов - это сигнальная земля, а один оставшийся - сигнальный. Допускается так же использовать для подачи сигнала двухконтактный разъем - XH2,54-2P.
Сигнальные выводы на печатной плате:
Input - вход сигнала;
sGND - сигнальная земля (земля сигнала).
Силовые выводы на печатной плате:
+U - плюс питания;
-U - минус питания;
GND - основная силовая земля и выходная земля (минусовая выходная клемма);
OUT - выход сигнала (плюсовая выходная клемма).
Габариты печатной платы: 59х70 мм. В конце статьи находятся архивы с Gerber-файлами печатных плат. Архивы уже подготовлены к заводскому производству, в каких-либо доработках они не нуждается и может быть сразу отправлен любому производителю печатных плат. Для усилителя имеются следующие авторские печатные платы:
TIPOKx1.00 - плата без подписей элементов;
TIPOKx1.01 - такая же плата, как и предыдущая, но с подписанными элементами.
Так же существуют две альтернативная версия печатной платы без SMD элементов от авторов - Андрея Сажина и "blade_nn":
Настройка. После успешного первого запуска усилителя, необходимо произвести регулировку тока покоя. Для этого необходимо установить щупы мультиметра (включенного в режиме милливольтметра), на эмиттеры выходных транзисторов VT4 и VT12 так, как показано на иллюстрации:
При регулировке тока покоя, нет необходимости подключать нагрузку к выходу усилителя, вход усилителя должен быть замкнут на землю. Вращением движка подстроечного резистора R27, необходимо добиться того, чтобы напряжение между эмиттерами выходных транзисторов находилось в диапазоне 10-20 мВ, что будет соответствовать току покоя 20-40 мА. Большее значение тока покоя значительно не повлияет на объективные характеристики усилителя, зато значительно снизит КПД и соответственно значительно увеличит нагрев выходных транзисторов. После первоначальной регулировки тока покоя, необходимо оставить усилитель прогреваться в таком состоянии. В процессе прогрева, показания напряжения уплывут, и их необходимо будет скорректировать на прогретом усилителе. На этом настройку можно считать оконченной, а усилитель - готовым к работе.
Усилитель мощности TIPok x1 в исполнении других авторов:
Спасибо за внимание!
Перечень радиоэлементов:
Ссылки:
Место первой публикации - сайт "Паяльник" - https://cxem.net/sound/amps/amp253.php
Файлы:
Авторская печатная плата TIPOKx1.00 (архив с гербер-файлами) - https://disk.yandex.by/d/dZf-L5dGrdR2mw
Авторская печатная плата TIPOKx1.01 (архив с гербер-файлами) - https://disk.yandex.by/d/Q8pnWY9LH4KTKA
Альтернативная версия печатной платы без SMD компонентов от Андрея Сажина - https://disk.yandex.by/d/kXAaB3rquyb-tg
Альтернативная версия печатной платы без SMD компонентов от "blade_nn" - https://disk.yandex.by/d/K3FDqla98O4XfA
Дата первой публикации: 7 января 2022
Дата изменения: 19 июля 2023
