Найти в Дзене
Блог ПТО

Вычисление объемов земляных работ по разработке котлованов

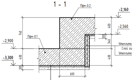
Исходные данные необходимые для подсчета объема работ: · существующая отметка поверхности земли · проектная отметка дна котлована · вид грунта Существующие отметки поверхности земли необходимо принять на основании натурной съемки выполненной геодезистом. Еще данные схемы могут называться съемка дневной поверхности земли, а отметки именоваться «черными». Так как сама местность имеет естественные перепады отметку нужно усреднить. Далее, в рабочих чертежах находим информацию о проектной отметке дна котлована, она же является низом искусственного основания под фундаментную плиту или ростверк. Бывает что конструкции фундаментов имеют различные заглубления в пределах одного объекта, тогда для удобства подсчета следует разделить котлован на участки. В примере ниже это отметки -3,400 и -2,660: Обычно съемка дневной поверхности выполняется в абсолютных отметках, а в рабочей документации указаны относительные отметки. Для того чтобы выполнить перевод одних отметок в другие необходимо в рабочих ч

Исходные данные необходимые для подсчета объема работ:

· существующая отметка поверхности земли

· проектная отметка дна котлована

· вид грунта

Существующие отметки поверхности земли необходимо принять на основании натурной съемки выполненной геодезистом. Еще данные схемы могут называться съемка дневной поверхности земли, а отметки именоваться «черными». Так как сама местность имеет естественные перепады отметку нужно усреднить.

Далее, в рабочих чертежах находим информацию о проектной отметке дна котлована, она же является низом искусственного основания под фундаментную плиту или ростверк. Бывает что конструкции фундаментов имеют различные заглубления в пределах одного объекта, тогда для удобства подсчета следует разделить котлован на участки. В примере ниже это отметки -3,400 и -2,660:

-2

Обычно съемка дневной поверхности выполняется в абсолютных отметках, а в рабочей документации указаны относительные отметки. Для того чтобы выполнить перевод одних отметок в другие необходимо в рабочих чертежах найти информацию которая позволит это сделать. Обычно это звучит как: «Относительная отметка ±0,000 соответствует абсолютной отметке +7,600 Балтийской системе высот».

Чтобы определить геометрические размеры дна котлована необходимо к боковой поверхности основания прибавить расстояние равное не менее 0,6 м. Эта величина принята согласно п.6.1.2 СП 45.13330.2017. В примере ниже, боковой поверхностью основания является точка А:

-3

Зная вид грунта можно выбрать крутизну откоса воспользовавшись таблицей ниже:

-4

В момент написания данной статьи представленная таблица находится в приложении №4 Правил по охране труда, утвержденным приказом №883н от 11.12.2020 года.

Саму конструкцию котлована можно представить в виде усеченной и перевернутой пирамиды, где у нас есть площадь низа, площадь верха и высота.

Проделав все вышеперечисленные манипуляции можно получить все данные которые нужно вставить в формулу вычисления объема усеченной пирамиды:

V=1/3h(S1+√S1S2+S2),

где S1 – площадь верха котлована, S2 – площадь дна котлована, h – высота (глубина).