Найти в Дзене
Свел Электрик

Простые инверторы с чистой синусоидой (часть III)

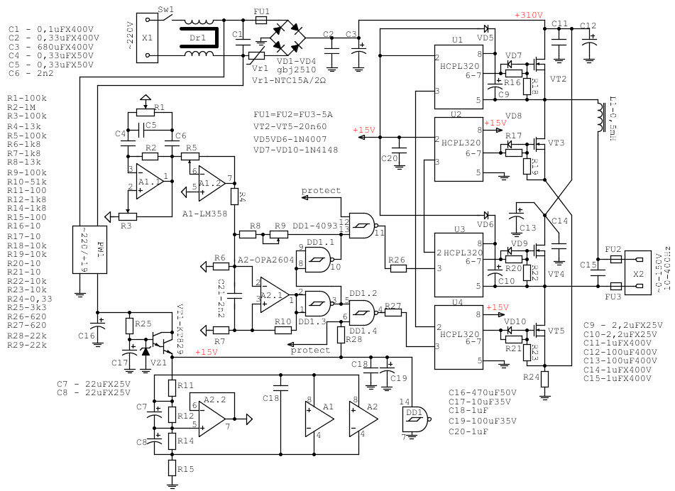
Инвертор, принципиальная схема которого приведена на рис.6, отличается от описанного в предыдущей части статьи применением драйверов MOSFET с встроенной оптопарой HCPL3120 (далее ОД, - для краткости). Основное преимущество применения ОД (U1...U4), - возможность полной развязки схемы управления от потенциала электросети. Есть и определенный минусы. Один из них, - необходимость подачи отдельного напряжения питания на "горячую" часть ОД. Следовательно, необходим еще один (как минимум) источник напряжения, развязанный от схемы управления, если такая развязка планируется. Для питания "горячей" части ОД можно применить любой несложный DC-DC преобразователь с трансформаторным выходом, питающийся напряжением схемы управления. Сложность таких преобразователей невысока, большой выбор схем в сети, а выпрямленное выходное напряжение может быть не стабилизированным (+15В...+20В).
В данной схеме, как видно, все ОД питаются от источника питания схемы управления, что упрощает схему, но, как и для пред

Инвертор, принципиальная схема которого приведена на рис.6, отличается от описанного в предыдущей части статьи применением драйверов MOSFET с встроенной оптопарой HCPL3120 (далее ОД, - для краткости).

Рис.6 Принципиальная схема с использованием HCPL3120 в качестве драйверов силовых ключей
Рис.6 Принципиальная схема с использованием HCPL3120 в качестве драйверов силовых ключей

Основное преимущество применения ОД (U1...U4), - возможность полной развязки схемы управления от потенциала электросети. Есть и определенный минусы. Один из них, - необходимость подачи отдельного напряжения питания на "горячую" часть ОД. Следовательно, необходим еще один (как минимум) источник напряжения, развязанный от схемы управления, если такая развязка планируется. Для питания "горячей" части ОД можно применить любой несложный DC-DC преобразователь с трансформаторным выходом, питающийся напряжением схемы управления. Сложность таких преобразователей невысока, большой выбор схем в сети, а выпрямленное выходное напряжение может быть не стабилизированным (+15В...+20В).
В данной схеме, как видно, все ОД питаются от источника питания схемы управления, что упрощает схему, но, как и для предыдущих версий инверторов, требует при настройке и эксплуатации особых мер предосторожности ввиду опасности поражения электротоком при касании токоведущих частей инвертора.
Второй минус применения HCPL3120 - не рекомендуемое производителем бустрепное питание ОД, управляющих ключами верхних плеч полумоста. Эта проблема может быть решена с помощью все того же DC-DC преобразователя, "назначенного" для питания "горячей" части ОД. Для питания ОД (Q2, Q4) нижних плеч достаточно одного источника напряжения, привязанного к общему проводу силовой части инвертора. Для питания "верхних" ОД понадобится еще пара таких источников напряжения: свой - для Q1 и такой же - для Q2. Но все это - в случае следования рекомендациям. В большинстве случаев все же HCPL3120 достаточно хороши при бустрепной схеме питания и в данном инверторе работают без проблем именно в таком включении.
В данной схеме (рис.6) U1, U3 управляют "верхними" ключами (VT2/VT4 - соответственно) "своих" полумостов, U2, U4 - нижними (VT3/VT5 - соответственно). Светодиоды драйверов U1, U4 включены последовательно и управляются элементом DD1.4 обеспечивая синхронное "диагональное" управление ключами моста VT2/VT5. Светодиоды драйверов U2, U3, управляемые элементом DD1.2 обеспечивают синхронную коммутацию ключей VT3/VT4. Светодиоды соответствующих драйверов могут быть включены и параллельно, но при этом возрастет ток нагрузки на выходы элементов DD1.2, DD1.4 и понадобится большее количество балластных резисторов (по количеству светодиодов).
Еще одно отличие в схеме (от предыдущей) - иное построение схемы синусоидального генератора. Один из главных недостатков схемы генератора с мостом Вина, - достаточно длительное (до единиц секунд) восстановление сигнала в процессе перестройки частоты. Это терпимо при каких-либо измерениях/исследованиях, но кратковременное пропадание напряжения на выходе инвертора может сказаться на работе приборов, питаемых инвертором. Измененная схема (на ОУ А1.1) практически не имеет "провала", связанного с восстановлением сигнала и перестраивается "одиночным" потенциометром, в отличии от моста Вина, требующего сдвоенного переменного резистора. Кроме того, генератор более стабилен в диапазоне частот (20Гц...1кГц) по амплитуде (без применения АРУ).
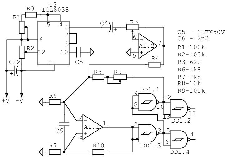
В инверторе возможно применение любого другого синусоидального генератора. На рис.7 показано включение в качестве генератора синуса микросхемы ICL8038 с минимальным количеством навесных компонентов.

Рис.7 Принципиальная схема с использованием ICL8038 в качестве синусоидального генератора
Рис.7 Принципиальная схема с использованием ICL8038 в качестве синусоидального генератора

HCPL3120 имеют достаточно высокую нагрузочную способность (до 2А) и могут работать без умощнения выхода с группами MOSFET/IGBT, имеющими достаточно высокие значения "затворной" емкости.
Включение HCPL3120 без особых проблем можно внедрить и в схему инвертора, описанного в части I статьи. Сопряжение TL494 и HCPL3120 показано на рис.8.

Рис.8 Схема сопряжения TL494 и HCPL3120
Рис.8 Схема сопряжения TL494 и HCPL3120

Как и в схеме на рис.6 светодиоды драйверов, отвечающих за поочередную "диагональную" коммутацию силовых ключей моста, включены последовательно-попарно. Т.к. выходные транзисторы TL494 работают синхронно, "верхний" транзистор, отпираясь, шунтирует светодиоды драйверов U2, U3; в то же время "нижний" транзистор, открываясь, обеспечивает зажигание светодиодов драйверов U1, U4. Таким образом, в момент "высокого" управляющего уровня на выходах U1, U4, на выходах драйверов U2, U3 управляющий уровень низкий.
При испытании инвертора на макетной плате использовались MOSFET 20n60, IRF740, IRF840, IRFP460, IGBT H20R1203, FGH60N60.
Схема инвертора не испытывалась с нагрузками свыше 150Вт, не испытывалась под нагрузкой свыше 20 минут, не испытывалась с индуктивными и емкостными нагрузками. Такие испытания будут проводиться только после доработки всех, приведенных в этой статье, схем, и только после после "чистового" монтажа на одном из вариантов печатной платы (универсальной или отдельной для каждой из приведенных схем).
Результаты испытаний будут публиковаться в отдельных частях этой же статьи.