Добавить в корзинуПозвонить
Найти в Дзене

Супер ЭНЕРГИЯ одного АККУМУЛЯТОРА зажигает ЛАМПОЧКУ на 220в.

Делать повышающие напряжение преобразователи пытаются многие Самодельщики и DIY блогеры. Используя мощные автомобильные аккумуляторы или вообще блоки питания работающие от розетки, все эти "Мастера" едва могут раскалить своими устройствами нить накала обыкновенной лампочки. То что автомобильный АКБ может отдавать ток до 100 ампер, а хороший БП и того больше, позволяет не обладая особыми познаниями в электронике, делать весьма низкоэффективные устройства еле еле способные питать активную нагрузку. Схем таких преобразователей много ..... а ошибок в них еще больше. Но, достаточно мощного аккумулятора чтобы даже самая косая и кривая схема могла сработать на один раз для демонстрации... Честно говоря видеть как горит лампочка включенная в розетку , пуст и через преобразователь .. ну совсем уж банально... А СЛАБО ВАМ ГОСПОДА DIY ЛАЙФХАКЕРЫ ?!?! ЗАСТАВИТЬ СВЕТИТЬ ЯРКО ЛАМПУ НАКАЛИВАНИЯ 220 ВОЛЬТ от карманного аккумулятора вроде тех что применяются в Вэйпах ?
Наверняка уверен, что такой ВЫЗОВ
Оглавление
МАЛЕНЬКИЙ КЛЁВЫЙ АККУМУЛЯТОР уделывает DIY и Автомобильные АКБ
МАЛЕНЬКИЙ КЛЁВЫЙ АККУМУЛЯТОР уделывает DIY и Автомобильные АКБ

Делать повышающие напряжение преобразователи пытаются многие Самодельщики и DIY блогеры. Используя мощные автомобильные аккумуляторы или вообще блоки питания работающие от розетки, все эти "Мастера" едва могут раскалить своими устройствами нить накала обыкновенной лампочки.

То что автомобильный АКБ может отдавать ток до 100 ампер, а хороший БП и того больше, позволяет не обладая особыми познаниями в электронике, делать весьма низкоэффективные устройства еле еле способные питать активную нагрузку.

Схем таких преобразователей много .....

Схем таких преобразователей много .
Схем таких преобразователей много .

а ошибок в них еще больше. Но, достаточно мощного аккумулятора чтобы даже самая косая и кривая схема могла сработать на один раз для демонстрации...

-3

Честно говоря видеть как горит лампочка включенная в розетку , пуст и через преобразователь .. ну совсем уж банально...

А СЛАБО ВАМ ГОСПОДА DIY ЛАЙФХАКЕРЫ ?!?!

ЗАСТАВИТЬ СВЕТИТЬ ЯРКО ЛАМПУ НАКАЛИВАНИЯ 220 ВОЛЬТ от карманного аккумулятора вроде тех что применяются в Вэйпах ?
Наверняка уверен, что такой ВЫЗОВ принять некому среди Блогеров-Балаболов , так красноречиво "объясняющих электронные схемы".

Ну а чтобы вам скучно не было - Вот вам примерчик

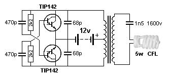
Аккумулятор ЛИЦ-1,5 3,6 В 1,5 Ач производства Россия не только "Импортозаместил" зарубежные аналоги, но и превзошел их по отдаче тока в схему повышающего преобразователя для лампы накаливания 220 вольт. Делают эти аккумуляторы в г.Елец на заводах АО "Энергия". При желании, Вы всегда сможете повторить мой эксперимент, собрав схему показанную в видеоролике. https://zen.yandex.ru/video/watch/62e344c43bcfb95265c52c9f
#Схема #ОригинальноеРешение #ПростыеЭлектрическиеСхемы

А ведь схема этого генератора преобразователя куда проще чем
ЗАВЫВАЮЩАЯ СИРЕНА НА ДВУХ ТРАНЗИСТОРАХ

УДАЧИ!