Добавить в корзинуПозвонить
Найти в Дзене
Шарапов Механик

Двутопливные двухтактные двигатели МАН. Концепция и задел на будущее. Экономично, экологично.

Концепт 2-тахтного двигателя, работающего на аммиаке — дополнительная функция для двигателей МАН серии МЕ. Эти двигатели похожи на своих предшественников, работающих на сжиженном природном газе. Вызов, брошенный разработчикам — большое количество соединений NOx, образующихся при сгорании аммиака, меньшая способность с воспламенению и меньшая теплотворная способность перспективного топлива. Габаритные размеры и частота работы существующих двигателей МАН позволяет организовать процесс горения, обеспечивающий полное сгорание аммиака. К тому же, впрыск «запального топлива» (в статье имеется ввиду малая порция дистиллятного топлива, инициирующая горение основного, то есть газа) позволяет полностью контролировать горение аммиака. Топливные трубы для двигателей, работающих на аммиаке выполнены по технологии «труба в трубе», что позволяет контролировать протечки и повысить безопасность оборудования. Разработчики определили давление в газовых трубопроводах на уровне 70 бар, а давление впрыска н

2-топливные 2-тактные двигатели, работающие на аммиаке от корпорации МАН.

Крышка цилиндра двигателя МАН с газовой арматурой.
Крышка цилиндра двигателя МАН с газовой арматурой.

Концепт 2-тахтного двигателя, работающего на аммиаке — дополнительная функция для двигателей МАН серии МЕ. Эти двигатели похожи на своих предшественников, работающих на сжиженном природном газе.

Вызов, брошенный разработчикам — большое количество соединений NOx, образующихся при сгорании аммиака, меньшая способность с воспламенению и меньшая теплотворная способность перспективного топлива.

Габаритные размеры и частота работы существующих двигателей МАН позволяет организовать процесс горения, обеспечивающий полное сгорание аммиака. К тому же, впрыск «запального топлива» (в статье имеется ввиду малая порция дистиллятного топлива, инициирующая горение основного, то есть газа) позволяет полностью контролировать горение аммиака.

Топливные трубы для двигателей, работающих на аммиаке выполнены по технологии «труба в трубе», что позволяет контролировать протечки и повысить безопасность оборудования.

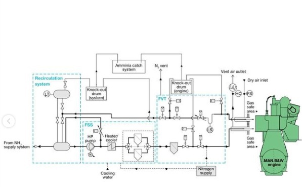
Концепт системы питания.
Концепт системы питания.

Разработчики определили давление в газовых трубопроводах на уровне 70 бар, а давление впрыска на уровне 600-700 бар. Изотермическое (при постоянной температуре) горение аммиака генерирует лишь азот и воду.

Содержание же соединений NOx в уходящих газах может быть снижено до допустимых значений при использовании оборудования пост обработки, очистных сооружений, катализаторов. Помимо этого содержание соединений NOx может быть снижено и посредством системы рециркуляции отработавших газов. А при сжигании аммиака система рециркуляции уходящих газов может не иметь системы очистки и нейтрализации гидрооксидом натрия.

Предлагаемый модельный ряд.
Предлагаемый модельный ряд.

Видимой разницы между двигателями, работающими на аммиаке или на природном газе не будет. Но вот емкости для хранения перспективного топлива должны быть в два раза больше из-за меньшей теплотворной способности аммиака.

Аммиак и его преимущества.
Аммиак и его преимущества.

Аммиак легко сжижается посредством сжатия до примерно 8 бар. Хранение аммиака под давлением 8,6 бар при температуре 20С гарантирует его жидкое агрегатное состояние. Но практическое хранение осуществляется под давлением 17 бар, что гарантирует нахождение аммиака в жидком агрегатном состоянии при изменении температуры окружающей среды.

Разработчики упомянули и о том, что обслуживание таких установок будет более сложным процессом, что повлечет за собой ужесточение требований безопасности и внедрения принципиально новых систем индивидуальной и коллективной защиты для работы с аммиачным оборудованием.