Найти в Дзене
Свел Электрик

Две модификации таймера с энкодером

Авторская схема таймера и прошивка, использованные для модификаций, описанных в данной статье, приведены здесь https://radioparty.ru/device/microchip/385-timer-encoder-pic16f628 и использованы без всяких изменений. Автору, чьи плоды труда были использованы для данной модификации, выражаю благодарность за качество работы неоднократно повторенной мною конструкции в разных вариантах.
Таймер, собранный в соответствии с оригинальной схемой (рис.1) имеет все функции и свойства, описанные автором в его статье (ссылка выше).
Результатом первой (базовой) модификации таймера является переработанная печатная плата, добавление в конструкцию литиевого аккумулятора с USB-модулем заряда, установочное место для которого предусмотрено на печатной плате. На печатной плате данной модификации могут быть установлены индикаторы как 0,36", так и 0,56".
На рис.2, показан вид печатной платы базовой модификации таймера с энкодером, фото печатной платы в сборе. Таймер рассчитан на многократное (при однократной

Авторская схема таймера и прошивка, использованные для модификаций, описанных в данной статье, приведены здесь https://radioparty.ru/device/microchip/385-timer-encoder-pic16f628 и использованы без всяких изменений. Автору, чьи плоды труда были использованы для данной модификации, выражаю благодарность за качество работы неоднократно повторенной мною конструкции в разных вариантах.
Таймер, собранный в соответствии с оригинальной схемой (рис.1) имеет все функции и свойства, описанные автором в его статье (ссылка выше).
Результатом первой (базовой) модификации таймера является переработанная печатная плата, добавление в конструкцию литиевого аккумулятора с USB-модулем заряда, установочное место для которого предусмотрено на печатной плате.

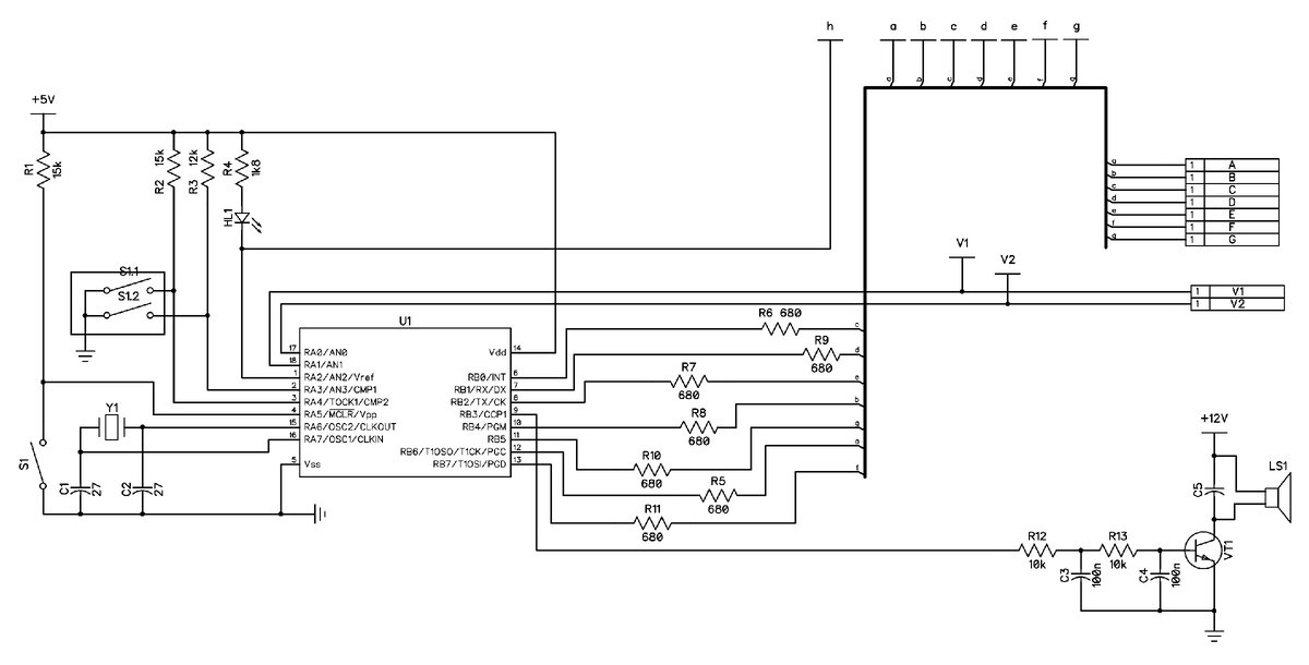
Рис.1 Принципиальная схема таймера с энкодером
Рис.1 Принципиальная схема таймера с энкодером

На печатной плате данной модификации могут быть установлены индикаторы как 0,36", так и 0,56".
На рис.2, показан вид печатной платы базовой модификации таймера с энкодером, фото печатной платы в сборе.

Рис.2 Вид печатной платы Базового варианта таймера с энкодером, вид смонтированного на ПП таймера
Рис.2 Вид печатной платы Базового варианта таймера с энкодером, вид смонтированного на ПП таймера

Таймер рассчитан на многократное (при однократной зарядке) цикличное использование в режиме автономной работы (не проверялось) при потреблении не более 4мА в режиме счета.
Во втором варианте таймера применен семисегментный индикатор, собранный из фрагментов RGB-ленты.
В схему RGB-модификации таймера, относительно его базового варианта, был добавлен коммутатор, согласующий управляющие сигналы МК с RGB-сегментами (схема на рис.3).

Рис.3 Принципиальная схема RGB-коммутатора таймера с энкодером
Рис.3 Принципиальная схема RGB-коммутатора таймера с энкодером

Базовая схема таймера не отличается от примененной в RGB-варианте, а схема коммутатора для управления RGB-индикацией продолжает нумерацию компонентов базовой схемы. Печатная плата, вид платы RGB-модификации таймера в сборе и "табло" таймера показаны на рис.4.

Рис.4 Печатная плата, монтаж и табло RGB-модификации таймера с энкодером
Рис.4 Печатная плата, монтаж и табло RGB-модификации таймера с энкодером

За коммутацию разрядов индикатора ответственны транзисторы Q8, Q9, управляемые соответствующими сигналами (V1, V2) на выходах МК. Этими транзисторами коммутируются две "цветовые" группы ключей в соответствии: Q8-->Q17,Q19,Q21; Q9-->Q18,Q20,Q22. Разрядное управление каждой "цветовой" группы ключей происходит по эмиттерам транзисторов, "цветовое" (по базам этих транзисторов) - трехфазным сигналом с выходов регистра (U2.1). Регистр тактируется импульсной последовательностью генератора, построенного на двух элементах ИЛИ-НЕ (U3.2, U3.3) . "Трехфазность" переключению выходов регистра обеспечивает элемент U3.1. Частота переключения цветов выбирается произвольно с помощью компонентов C8, R16, PR1. Вторым регистром управляются ключи на транзисторах Q23...Q25, обеспечивающие индивидуальное переключение цвета "секундной" точке (сегмент H). В данном случае переключение цвета происходит раз в секунду, т.к. регистр тактируется сигналом включения сегмента.
Питание схемы, как и в предыдущем варианте осуществляется от литиевого аккумулятора, снабженного USB-модулем заряда; питание сегментов индикатора осуществляется от модуля повышающего DC-DC стабилизированного преобразователя. На печатной плате таймера предусмотрены посадочные места для USB-модуля заряда и для двух вариантов повышающих DC-DC-модулей.
Во втором варианте таймера вместо RGB-ленты можно применить и одноцветную ленту. В этом случае из схемы коммутатора исключаются все компоненты, причастные к коммутации цвета. В схеме при этом остаются следующие элементы: Q1...Q16; R14...R16, R19, R21, R23, R26, R28, R30, R35, Q23 и устанавливаются перемычки между: точкой h коммутатора и резистором R35; коллектором Q8 и штифтом разъема R1; коллектором Q9 и штифтом разъема R2 (справедливо для использования сегментов одноцветной ленты при включении с общим катодом).
Видео работы базовой модификации таймера с энкодером:
https://disk.yandex.ru/d/AHrQev_80Li41Q
Видео работы RGB-модификации таймера с энкодером:
https://disk.yandex.ru/d/j-GGVMzro6ydvA