Найти в Дзене
HamRadio

Индикатор резонанса на аналоге негатрона

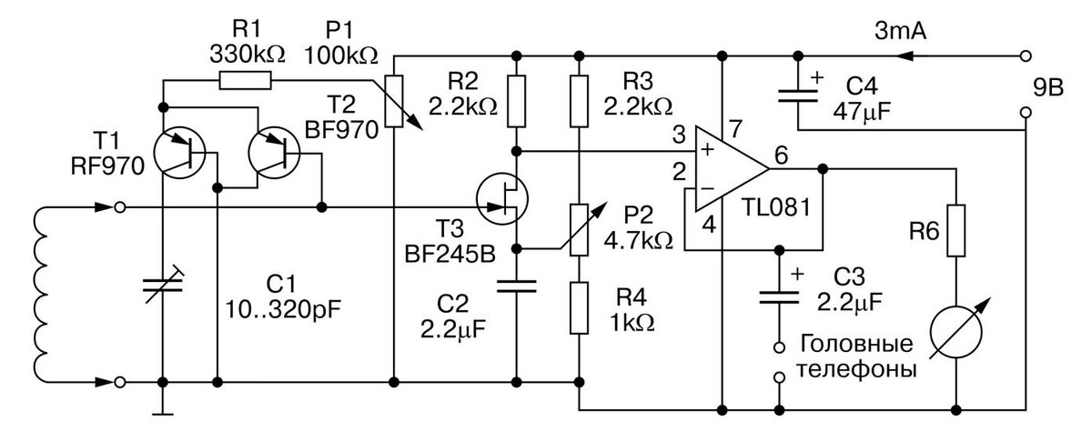
Всем привет. Попалась мне на мой взгляд достаточно интересная схема, гетеродинного индикатора резонанса. В ней используется транзисторный аналог негатрона с JV-образной вольт амперной характеристикой, этот аналог выполнен на двух биполярных транзисторах Т1 и Т2. При таком включении контуру генератора не требуется отводов и отдельных цепей положительной обратной связи. Далее на полевом транзисторе ТЗ и операционном усилителе выполнен высокочувствительный детектор ВЧ-напряжения со стрелочным индикатором. Принципиальная схема гетеродинного индикатора резонанса представлена на рисунке. Этот гетеродинный индикатор резонанса может быть использован как индикатор работы внешних генераторов и обычным индикатором резонанса в пассивных резонансных цепях для настройки контуров. Потенциометром Р1 можно установить режим как отсутствия генерации, так и ее наличия. Когда прибор не генерирует с его помощью можно определить внешнее высокочастотное излучение, при том, что частота настройки контура будет

Всем привет. Попалась мне на мой взгляд достаточно интересная схема, гетеродинного индикатора резонанса. В ней используется транзисторный аналог негатрона с JV-образной вольт амперной характеристикой, этот аналог выполнен на двух биполярных транзисторах Т1 и Т2. При таком включении контуру генератора не требуется отводов и отдельных цепей положительной обратной связи. Далее на полевом транзисторе ТЗ и операционном усилителе выполнен высокочувствительный детектор ВЧ-напряжения со стрелочным индикатором. Принципиальная схема гетеродинного индикатора резонанса представлена на рисунке.

Схема гетеродинный индикатор резонанса
Схема гетеродинный индикатор резонанса

Этот гетеродинный индикатор резонанса может быть использован как индикатор работы внешних генераторов и обычным индикатором резонанса в пассивных резонансных цепях для настройки контуров. Потенциометром Р1 можно установить режим как отсутствия генерации, так и ее наличия. Когда прибор не генерирует с его помощью можно определить внешнее высокочастотное излучение, при том, что частота настройки контура будет близка к частоте этого излучения, определяется по показаниям индикатора, стрелка прибора отклоняется на максимальное положение. Простыми словами прибор работает как волномер.

Можно также выставить режим генерации, при которой стрелка индикатора будет отклоняется на заданное положение, установленное потенциометром Р2. При этом, если частота генератора совпадает с частотой расположенной рядом резонансной цепи, показания индикатора уменьшаются из-за откачивания энергии от генератора внешним контуром.

Конструктивно прибор можно выполнить как на одну частоту, так и применить съемные катушки на требуемый диапазон. Данные катушек индуктивности зависят от предпочтений кто какой диапазон в той или иной мере использует. В общем кому как удобно еще раз повторюсь практическое исполнение зависит от требуемых предпочтений.

-2