Добавить в корзинуПозвонить
Найти в Дзене
AMPRUS

Ламповый гитарный. Часть 2 - Комплектующие.

Итак, друзья, всем здравствуйте. В первой части статьи я рассказывал о выборе схемных решений для усилителя. В этой части - о выборе компонентов. Поехали. Трансформаторы. Выходной трансформатор, как я писал в первой части статьи, для меня изготовили по моему техническому заданию(ТЗ). Если, не вдаваться во все подробности(расчеты и т.д), то технические данные трансформатора в ТЗ были следующие: Трансформатор выполнен на железе ОСМ - 0,063 толщина пластин магнитопровода 0,3 мм. Силовой трансформатор тороидальный. Его технические данные указаны на схеме Радиолампы. Для предварительного усилителя и фазоинвертора были выбраны лампы 12AX7 и 12AT7 соответственно от моего любимого производителя ламп TungSol. В усилителе мощности будет работать подобранная пара 6V6 от Electro-Harmonix. Резисторы. Мощность применяемых резисторов указана на схеме в УГО(условно графическое изображение) резисторов. Все резисторы в схеме взяты мощностью 0,5 Вт 1%, 5%(в принципе

Итак, друзья, всем здравствуйте.

В первой части статьи я рассказывал о выборе схемных решений для усилителя. В этой части - о выборе компонентов.

Поехали.

Трансформаторы.

Выходной трансформатор, как я писал в первой части статьи, для меня изготовили по моему техническому заданию(ТЗ). Если, не вдаваться во все подробности(расчеты и т.д), то технические данные трансформатора в ТЗ были следующие:

  • анодное напряжение - 380В;
  • Приведенное сопротивление первичной обмотки Raa - 8 кОм;
  • Выходная мощность - не менее 10 Вт;
  • частотный диапазон - 70 - 20000 Гц;
  • сопротивление нагрузки - 4, 8, 16 Ом.

Трансформатор выполнен на железе ОСМ - 0,063 толщина пластин магнитопровода 0,3 мм.

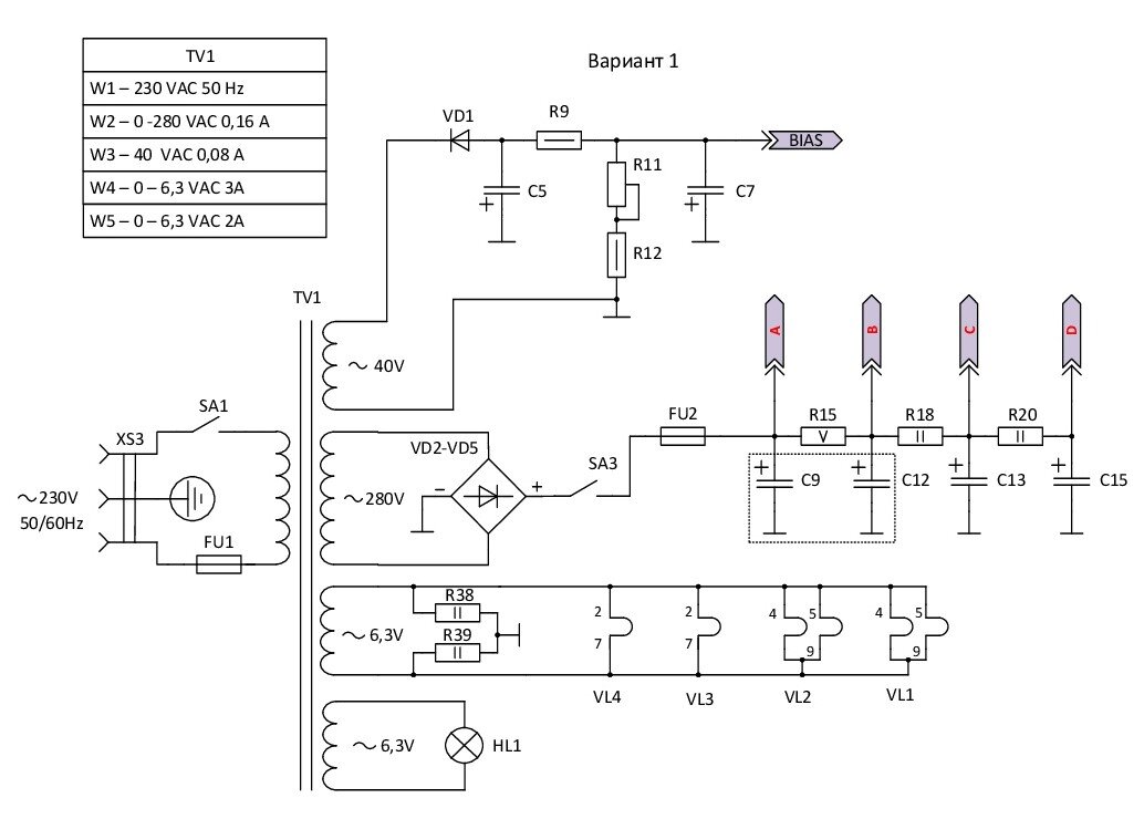
Силовой трансформатор тороидальный. Его технические данные указаны на схеме

Схема ИП и спецификация на силовой трансформатор.
Схема ИП и спецификация на силовой трансформатор.

Радиолампы.

Для предварительного усилителя и фазоинвертора были выбраны лампы 12AX7 и 12AT7 соответственно от моего любимого производителя ламп TungSol. В усилителе мощности будет работать подобранная пара 6V6 от Electro-Harmonix.

Резисторы.

Мощность применяемых резисторов указана на схеме в УГО(условно графическое изображение) резисторов.

Условно-графические обозначения резисторов.
Условно-графические обозначения резисторов.

Все резисторы в схеме взяты мощностью 0,5 Вт 1%, 5%(в принципе точность в 1% не обязательна, просто применил то, что было в наличии) кроме резисторов R34, R35, установленных в цепи второй сетки выходных ламп(5 Вт) и резисторов R32, R33(2 Вт 1%) в цепи катода. Резисторы R32, R33 я настоятельно рекомендую использовать с точностью в 1%.

В цепи питания анодов ламп в схеме источника питания применены резисторы мощностью 2 Вт 10% - R18, R20; 5 Вт 20% - R15. Вместо резистора R15 можно применить дроссель. Я не планировал использовать дроссель поэтому его данные не рассчитывал.

Переменные резисторы RP1-RP4 Alpha 24 мм с длинной штока 15 мм. RP1 и RP2 выбраны с линейной характеристикой(В - международное обозначение), RP3 и RP4 с обратно логарифмической характеристикой или "Audio", как принято считать(А - международное обозначение). Подстроечный резистор регулятора напряжения смещения Piher PT15NV.

Функциональные характеристики потенциометров и их обозначения(Взято в сети в свободном доступе).
Функциональные характеристики потенциометров и их обозначения(Взято в сети в свободном доступе).

Конденсаторы.

Выбирая разделительные конденсаторы (включены между анодом лампы предыдущего каскада и управляющей сеткой следующего в нашей схеме это С10,С16, С17, С18) нужно ориентироваться на следующие требования к ним:

  • Высокое рабочее напряжение – необходимо выбирать конденсатор с рабочим напряжением (паспортное значение) на 30-50% больше, чем реальное в схеме;
  • Минимальная утечка – наиболее важное условие для применения конденсатора в качестве разделительного в ламповой схеме.

Почему? Потому что одним выводом такой конденсатор подключен к источнику постоянного напряжения 200 – 350 вольт, а второй к к сетке лампы следующего каскада через сеточный резистор. Сопротивление резистора может быть 0,5 … 1 МОм. Не трудно посчитать, что если конденсатор будет иметь утечку хотя бы 1 мкА, то падение напряжение на резисторе в 1 МОм составит 1 вольт. А это сдвинет рабочую точку на характеристике. Изменится режим работы каскада. А это не то, что нам нужно.

Конденсаторы С10,С16, С17, С18 применены отечественные, пленочные(они как правило имеют малые утечки) К75-15А(С10, С16) и К73-17(С17, С18).

Схема здесь.

С3 и С4 в темброблоке применены импортные mallory 150 серии. Ток утечки не особо важный параметр для этих конденсаторов, скорее более важно минимальное отклонение от номинальной ёмкости. Конденсаторы С2, С11 - дисковые керамические, С6 - плёночный(У меня стоит К73-11). Но думаю можно поэкспериментировать с разными типами конденсаторов. С19, С20 - высоковольтные керамические.

К Электролитическим конденсаторам фильтров выпрямителя предъявляются наименее жесткие требования. Можно использовать любые типы на соответствующие напряжения. Да, и конечно же, качество изготовления. Я использовал в этом усилителе чешские конденсаторы фирмы JJ и Тайваньские Supertech Electronic. Все конденсаторы аксиальные кроме С9. Этот конденсатор "составной" т.е. два конденсатора в одном корпусе(так сказать аутентичный тип). Выбор такого конденсатора обусловлен особенностями конструкции шасси. Об этом в следующей статье.

Думаю рассмотрение основных выбранных для этого усилителя комплектующих на этом можно завершить. В заключение хотелось бы сказать о разъёмах - все сигнальные разъемы я использую от Neutrik. Скажем так, меня вполне устраивает соотношение цена-качество.

В следующей части:

  • Печатная плата или Turret Board?.
  • Шасси и лицевые панели.Компановка.
  • Сборка и настройка.

Друзья, спасибо что проявили интерес к статье, надеюсь вам понравилось.

Я готов к любому продуктивному диалогу, подписывайтесь на мой канал, пишите комментарии.

Продолжение следует....

"Ламповый гитарный. Част 1 - Схема"