Найти в Дзене
инженер-энергетик

Общие сведения о моделировании в энергетике и электротехнике

1) Цели и задачи мат. моделирования В основе существования любой цивилизации лежит производство продукции, материальных благ, необходимых для жизнедеятельности населения. Продукция производится на основе технического описания этой продукции. Процесс создания описания называется проектированием. Проектирование – это процесс создания  описания: изделия (например, электрического двигателя); системы (например, системы управления электрической станцией); процесса (например, технологического процесса). Проектирование осуществляется на основе технического задания (ТЗ), в котором определены выходные параметры выпускаемой продукции. При проектировании на основе технического задания решаются следующие виды задач: задача синтеза объекта проектирования, т.е. создание описания нового (нужного) варианта объекта проектирования; задача анализа результатов синтеза объекта проектирования, т.е. исследование свойств создаваемого объекта. Задача анализа результатов проектирования объекта, т.е. исследование

1) Цели и задачи мат. моделирования

В основе существования любой цивилизации лежит производство продукции, материальных благ, необходимых для жизнедеятельности населения. Продукция производится на основе технического описания этой продукции. Процесс создания описания называется проектированием.

Проектирование – это процесс создания  описания: изделия (например, электрического двигателя); системы (например, системы управления электрической станцией); процесса (например, технологического процесса). Проектирование осуществляется на основе технического задания (ТЗ), в котором определены выходные параметры выпускаемой продукции.

При проектировании на основе технического задания решаются следующие виды задач: задача синтеза объекта проектирования, т.е. создание описания нового (нужного) варианта объекта проектирования; задача анализа результатов синтеза объекта проектирования, т.е. исследование свойств создаваемого объекта.

Задача анализа результатов проектирования объекта, т.е. исследование свойств создаваемого объекта наиболее эффективно решается с помощью средств моделирования. Моделирование – это исследование объектов познания на их моделях. При моделировании  исследуются свойства  и характеристики проектируемых объектов энергетики  на их моделях, т.е. выполняется анализ объекта проектирования. При моделировании можно исследовать свойства и характеристики проектируемых объектов энергетики и электротехники в любых режимах работы, в том числе и в аварийных режимах (например, в режиме короткого замыкания - к.з.).

2) Классификация видов моделирования

Различают следующие виды моделирования: физическое моделирование;математическое моделирование; графическое моделирование; схемотехническое моделирование.

Физическое моделирование реализуется на физических моделях. Примеры физических моделей: модель самолета; модель автомобиля; модель корабля; модель станка. Реальное физическое моделирование является дорогостоящим процессом. Математическое моделирование реализуется на математических моделях. Многие процессы или работа объектов описываются похожими дифференциальными уравнениями, т.е. характеризуются похожими математическими моделями.

3) Объекты моделирования в энергетике и электротехнике

Примеры математических моделей в электротехнике: математическая модель асинхронного электрического двигателя; математическая модель электрического двигателя постоянного тока с независимым возбуждением; математическая модель электрического двигателя постоянного тока с последовательным или смешанным возбуждением; математическая модель синхронного электрического двигателя; математическая модель силового преобразователя для питания электрического двигателя или электрической печи; математическая модель электрического привода.

математическая модель электропривода
математическая модель электропривода

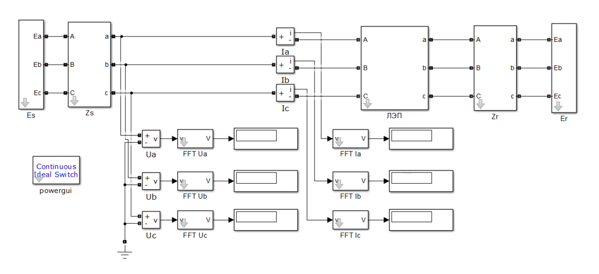
Примеры математических моделей в электроэнергетике: математическая модель синхронного электрического генератора (турбогенератора или гидрогенератора); математическая модель однофазного трансформатора; математическая модель трехфазного трансформатора; математическая модель  линии электропередачи; математическая модель электроэнергетической системы.

мат. модель линии электропередачи в Simulink
мат. модель линии электропередачи в Simulink

4) Методы моделирования в электроэнергетике и электротехнике

Существуют три метода математического моделирования элементов и систем энергетики и электротехники: метод уравнений состояния; метод структурных схем; метод передаточной функции.

Существуют три формы представления математических моделей элементов и систем энергетики и электротехники: форма уравнений состояния; форма структурных схем; форма передаточной функции.

Форма уравнений состояния и форма структурных схем являются универсальными и применяются при моделировании линейных и нелинейных элементов и систем энергетики и электротехники.

Форма передаточной функции при математическом моделировании не является универсальной и применяется при моделировании только линейных элементов и систем  электротехники.