Добавить в корзинуПозвонить
Найти в Дзене
ДКО Электронщик

Операционные усилители для обработки звука

Сдвоенные операционные усилители Nisshinbo (JRC) NJM4580 специально разработаны для аудиоприложений: предварительных усилителей, активных фильтров, темброблоков, эквалайзеров. Усилители отличаются малыми шумами, низкими нелинейными искажениями и широкой полосой пропускания. А высокая нагрузочная способность позволяет использовать их в качестве выходного усилителя для головных телефонов. Помимо применения для обработки звука, NJM4580 можно использовать в качестве операционного усилителя общего назначения с питанием от одиночного источника 4…36 В питания с искусственной нулевой (средней) точкой. Технические параметры: Производители: New Japan Radio Разделы: Операционные усилители

Сдвоенные операционные усилители Nisshinbo (JRC) NJM4580 специально разработаны для аудиоприложений: предварительных усилителей, активных фильтров, темброблоков, эквалайзеров. Усилители отличаются малыми шумами, низкими нелинейными искажениями и широкой полосой пропускания. А высокая нагрузочная способность позволяет использовать их в качестве выходного усилителя для головных телефонов. Помимо применения для обработки звука, NJM4580 можно использовать в качестве операционного усилителя общего назначения с питанием от одиночного источника 4…36 В питания с искусственной нулевой (средней) точкой.

Технические параметры:

  • Количество каналов: 2;
  • Рабочее напряжение: ±2…±18 В;
  • Потребляемый ток: 6 мА;
  • Эквивалентное напряжение шумов по входу (RIAA): 0.8 мкВ СКЗ;
  • Низкий уровень шума: 3.3 нВ/√Гц;
  • Напряжение смещения по входу: 0.3 мВ, тип., 3 мВ макс.;
  • Входной ток смещения: 5 нА тип., 200 мВ макс.;
  • Коэффициент усиления без обратной связи (AV): 110 дБ;
  • Коэффициент подавления нестабильности питания (PSRR): 110 дБ;
  • Коэффициент ослабления синфазного сигнала (CMRR): 110 дБ;
  • Произведение коэффициента усиления на ширину полосы пропускания (GBP): 15 МГц;
  • Малый коэффициент гармонических искажений: 0.0005%, тип.;
  • Скорость нарастания: 5 В/мкс;
  • Входное напряжение (VICM): ±15 В;
  • Дифференциальное входное напряжение (VID): ±30 В;
  • Рабочая температура: -40…85 °С;
  • Биполярная технология

 
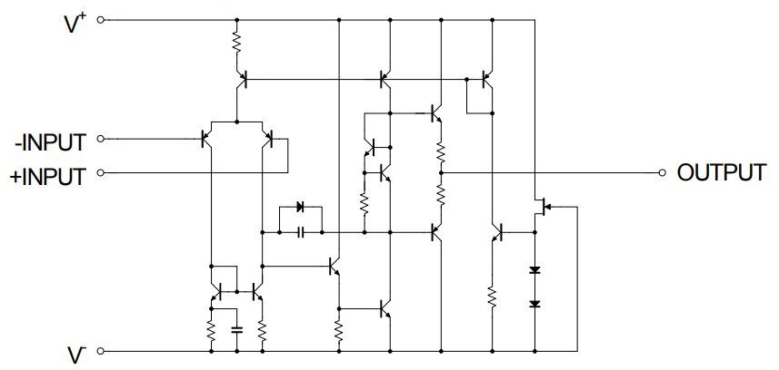
Рис. 1. Принципиальная схема NJM4580
Рис. 1. Принципиальная схема NJM4580
Рис. 2. Операционные усилители Nisshinbo (JRC) NJM4580
Рис. 2. Операционные усилители Nisshinbo (JRC) NJM4580

Производители: New Japan Radio

Разделы: Операционные усилители