Добавить в корзинуПозвонить
Найти в Дзене
Паяльник

Двухканальный дозатор паяльной пасты, флюса, клея

1. Лирика по теме дозирования Изучив информацию в интернете по разработкам дозаторов для хоббийного использования от любителей попаять и пустить дым, пришел к выводу, есть пневматические (пневматические и пневмомеханические со шнеками для промышленного использования, мы здесь не обсуждаем), механические, электромеханические, электронно-механические. С первыми все понятно, работа за счет сжатого воздуха, с ними все хорошо, но проблема в том, что нужен сжатый воздух, вариантов не много, это либо компрессор (шумно и/или дорого) или баллон с редуктором наполненный воздухом или газом (тоже не бюджетно), такой дозатор однозначно необходим для мелкосерийного прототипирования.  С механическими все понятно, сколько надавил, столько и получил. Третьи, это коллекторный мотор с реверсом переполюсовкой питания, это в основном для флюса. Четвертые, это на мой взгляд более интересные решения с применением шагового двигателя, начиная от простых схем с драйвером шагового двигателя с формированием часто

1. Лирика по теме дозирования

Изучив информацию в интернете по разработкам дозаторов для хоббийного использования от любителей попаять и пустить дым, пришел к выводу, есть пневматические (пневматические и пневмомеханические со шнеками для промышленного использования, мы здесь не обсуждаем), механические, электромеханические, электронно-механические. С первыми все понятно, работа за счет сжатого воздуха, с ними все хорошо, но проблема в том, что нужен сжатый воздух, вариантов не много, это либо компрессор (шумно и/или дорого) или баллон с редуктором наполненный воздухом или газом (тоже не бюджетно), такой дозатор однозначно необходим для мелкосерийного прототипирования.  С механическими все понятно, сколько надавил, столько и получил. Третьи, это коллекторный мотор с реверсом переполюсовкой питания, это в основном для флюса. Четвертые, это на мой взгляд более интересные решения с применением шагового двигателя, начиная от простых схем с драйвером шагового двигателя с формированием частоты сигнала Step драйвера на 555 таймере и расширенным функционалом с применением микроконтроллеров.

Давайте сразу расставим все точки на «И», паяльная паста для дозирования и паста для нанесения через трафарет, это две разные пасты по консистенции и составу, поэтому пытаться дозировать пасту для трафарета не стоит. Объемная доля припоя в пасте для дозирования не более 40%, это надо учитывать при формировании дозы на площадку элемента. Паста для дозирования, визуально должна быть как сметана, но не такой в которой стоит ложка. Немаловажен также и диаметр дозируемой иглы, диаметр должен быть не менее 10 диаметров шара в пасте. Доступны иглы цилиндрические, по конструкции похожие на укороченные медицинские иглы. Эти иглы обладают большим коэффициентом сопротивления потоку, они предназначены для менее вязких веществ по сравнению с пастой. Есть конические. Они нам и подходят и мы ими будем пользоваться.

На дозирование влияет наличие воздуха в пасте и снятие остаточного давления после получения дозы. С воздухом понятно, его не должно быть. Большинство, кто брался за подобные разработки, и те, кто обсуждают этот вопрос в форумах считает, так (и я был в тех же рядах в начале пути), подадим поршень вперед чтобы получить расчетный объем пасты и ждем пока вылезет, в идеале так, но не учитывают того, что шприц пластмассовый его ушки пружинят в байонете, сам шприц изменяет свой диаметр и длину, фактически расширяется и сужается при формировании дозы, плюс отсутствие жесткости всей конструкции, жесткости крепления шприца, шагового двигателя. В результате дозу мы выдавили, а за счет деформации паста продолжает выдавливаться. Поэтому для нормальной работы надо откатывать поршень назад, что и происходит в продвинутых пневматических версиях за счет разряжения на эжекторе.

Поэтому немного поэкспериментировав, получился нормальный результат, без подтеков с кончика конической иглы, фактически повторяя работу пневматического дозатора. Таким образом получается, что ход поршня вперед оканчивается тогда, когда мы сформировали дозу, после чего откатываем поршень назад на величину хода вперед минус количество шагов необходимых для формирования дозы.

2. Электроника и программа

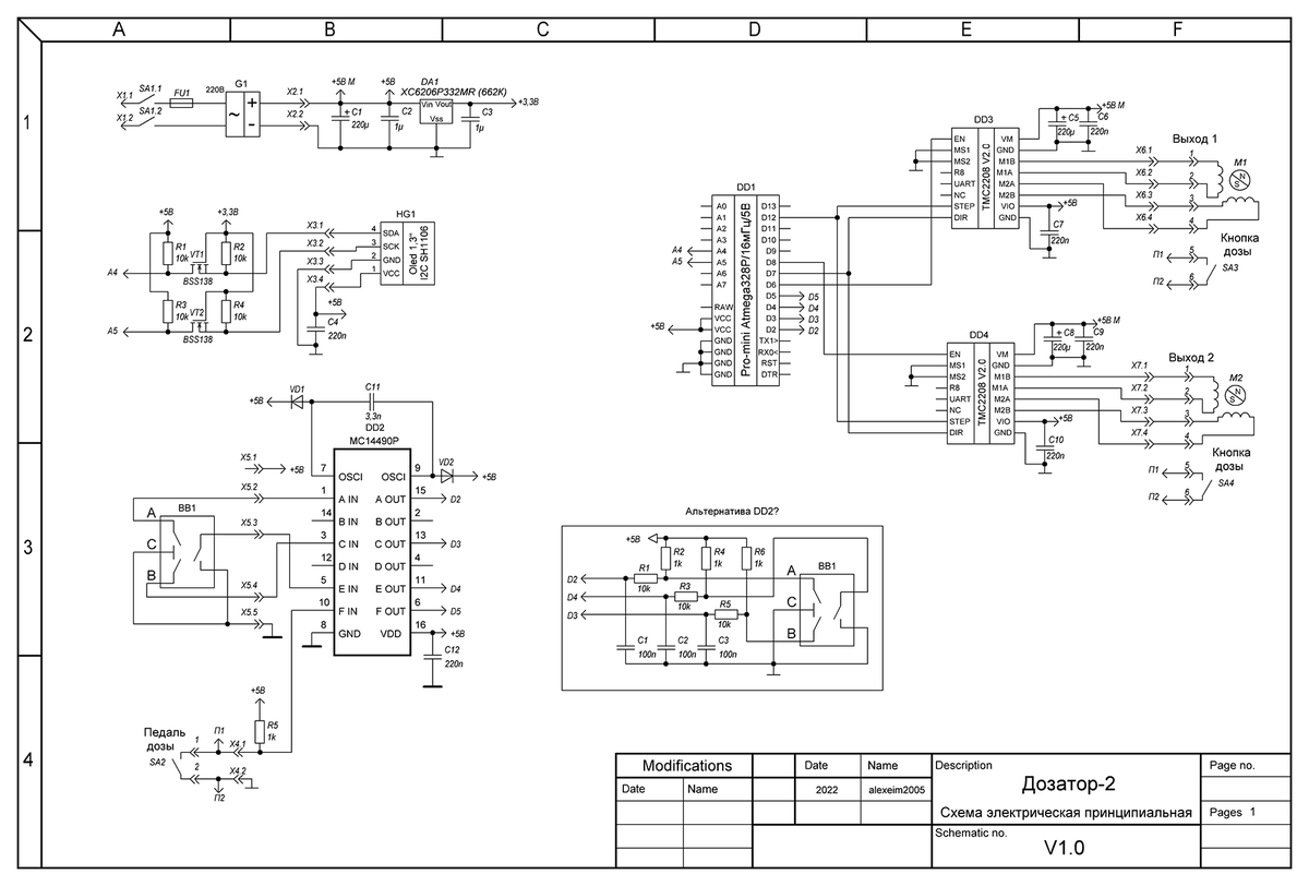
Схема дозатор состоит из блока питания G1, 220В-5В/1А, модуля DD1, Pro mini 328 16мГц/5В, двух драйверов шагового двигателя DD3,DD4, дисплея HG1, SH1106/I2C, стандартной схемы согласования уровней 5В-3,3В состоящей из стабилизатора DA1 на 3,3В, двух транзисторов VT1, VТ2 и четырех резисторов R1…R4, шины I2C. Ммикросхема DD2 MC 14490P подавления дребезга контактов энкодера BB1 (вместо микросхемы можно собрать стандартные RC фильтры) и кнопки педали дозы SA2, потребление тока от источника 5В не более 170мА. Информация по всем комплектующим со ссылками на Али в отдельном файле.

Принцип работы схемы прост, контроллер формирует необходимые сигналы шага, направления вращения и выбора канала в соответствии с заданными параметрами, предустановками и выбранными режимами работы. На передние разъемы подключения двигателей, также выведены контакты для подключения кнопки дозы, это задел на будущее, может сделаю версию с кнопкой дозы на шприце.  При желании можно использовать дисплей с четырех проводным интерфейсом SPI, для подключения оставлены типовые свободные выводы мк под эту задачу, при этом в библиотеке нужно добавить тип дисплея и заново развести печатную плату.

2.1 Плата

Для простоты повторяемости было принято решение пойти по пути наименьшего сопротивления, сделать дозатор по принципу материнской платы с дорожками в 1 мм и более, в стандартные разъемы устанавливаются готовые модули, такую плату можно изготовить методом ЛУТ (я пользуюсь фоторезистом), на которой размещены развязывающие конденсаторы, схема согласования уровней шины I2C, разъемы модулей, разъемы всех внешних подключений, размер платы 70,5х58,5 мм. В архиве двухсторонняя печатная плата, исходник в формате lay6, в PDF шаблоны для ЛУТ и фоторезиста. Обратите внимание, версия модуля Arduino Pro-mini 16МГц/5В с отдельно расположенными контактами A4 и A5 (не в основном ряду).

-2
-3
-4

Настройка драйвера шагового двигателя заключается в установке тока потребления двигателем. Эксперименты с выбранной моделью показали, что двигатель с сопротивлением обмоток 14 Ом, при 5В питании, может работать в состоянии "чуть теплый" без нагрузки при потреблении по питанию драйвера в 120...130мА, продолжительное время. Алгоритм прост, включаем мультиметр в режиме измерения тока в разрыв питания между источником и платой. Замеряем ток потребляемый платой. Прибавляем к этому значению 120...130мА, при физически отключенном двигателе устанавливаем подстроечный резистор на настраиваемом драйвере в крайнее положение при котором нет опорного напряжения, подключаем двигатель (все подключения делаем с отключенным питанием), запускаем драйвер и контролируя ток потребления всего устройства, вращая подстроечное сопротивление устанавливаем рассчитанный ток.

2.2 Программа

Так как в качестве контроллера использовался, стандартный модуль Arduino Pro-mini 16МГц/5В, фьюзы стандартные, как говорится из коробки. Али контроллер приходит с записанным загрузчиком и тестовой программой Blink, все готово, просто загрузи программу в контроллер.

Разработка открыта, исходный текст программы написан в Arduino IDE, текст с комментариями, думаю, разобраться при желании будет не сложно и дописать свои изменения, на это осталось 2 кбайт.

При написании использовались две библиотеки, первая U8glib, для работы с Oled-дисплеями модифицированная по шрифтам, она тяжелая в памяти занимает порядка 16...17 кбайт и библиотека обработки кнопок GuverButton, при обработке сигналов энкодера использован алгоритм со сбросом от Ярослава Куруса. Все ссылки на библиотеки для скачивания есть в исходном тексте программы.

Управление:

- Поворот энкодера - перемещение рамки по таблице экрана или изменение значения, нажатие кнопки энкодера – выбор или возврат.

Режимы на основном экране:

- Автоматический «АВТО», по нажатию педали дозы, поршень двигается вперед на заданное количество шагов, с заданной скоростью, поршень двигается назад на заданное количество шагов, на максимальной скорости.

- Ручной «РУЧ», поршень двигается вперед с заданной скоростью, до тех пор, пока нажата педаль дозы, после отпускания педали дозы поршень откатывается назад на заданное количество шагов, на максимальной скорости.

- Непрерывная подача поршня вперед «ВПЕРЕД», с максимальной скоростью до тех пор, пока нажата педаль дозы, сервисный режим. Например, для установки поршня в исходное положение при установке шприца или для заполнения другого шприца, через переходник.

- Непрерывная подача поршня назад «НАЗ», с максимальной скоростью.

-5

Установки для режима «АВТО»:

- Шаг вперед, 1…255 шагов.

- Скорость шага вперед, 1…255.

- Шаг назад, 1…255 шагов.

- множитель шага 1…8

Установки для режима «РУЧ»:

- Скорость шага вперед, 1…255.

- Шаг назад, 1…255 шагов.

- Множитель шага «МНОЖ шага», 1…8.

Переключения:

- Выбор активного выхода «ВЫХ1», «ВЫХ2» .

- Выбор предустановки «П1», «П2», «П3».

Все установки для всех режимов и переключений на основном экране в зависимости от выхода сохраняются в eprom контроллера, всего 48 ячеек памяти.

Меню установок «УСТ», переходим их основного экрана:

-6

- «Частота », выбор максимальной частоты сигнала с учетом микрошагов.

При исследовании двигателя, выбранного для разработки от функционального генератора, было выявлено, что двигатель при питании драйвера от 5В, отлично стартует под нагрузкой и выдает момент при 8 микрошагах и при общей частоте полных шагов 750Гц, (при 800Гц есть проблемы с запуском) поэтому в предустановках максимальная частота сигнала по умолчанию 8*750=6000Гц. Настривается индивидуально под имеющийся двигатель.

-7

- «Предделитель», предварительный делитель тактового сигнала Таймера 1 у микропроцессора, значения 1 или 8. Эта настройка может понадобится при использовании другого двигателя, увеличением временного диапазона изменения скорости в основном экране.

-8

- «Погасить экран», хранитель экрана (скринсэйвер), при значении 0, основной экран не будет уходить в режим спячки, при значении 1…30 мин, экран будет гаснуть через заданный интервал и по нему будет хаотично двигаться надпись, «Спим?».

-9

- «Сброс всех П1, П2, П3», "очистка" 48 ячеек памяти, с прописыванием в них значений шагов и скорости равных 255, а в ячейки множителя  1.

-10

- «Выход» возврат в основной экран.

В большей своей части программа состоит из интерфейса, который управляет настройками таймера функция startTimer1(), его запуска и остановки в зависимости от алгоритма и настроек и двух функций обработки прерывания по совпадению счетного регистра с регистром сравнения А и регистром сравнения В.

3. Механика

3D модель в SolidWorks15 в архиве.

-11
-12

В рассматриваемой конструкции шаговый двигатель передает момент через муфту двигателя на ходовой винт, который зафиксирован относительно фланца двигателя упорными шариковыми подшипниками в осевом направлении, люфт (думаю, он играет большую роль в повторяемости объема дозы) выбирается гайкой, которая потом фиксируется контргайкой. В результате такой конструкции на двигатель не передается осевое усилие, двигатель обеспечивает только момент, данное решение обеспечивает запланированный изготовителем режим и ресурс мотор-редуктора. В интернете практически все конструкции на аналогичном двигателе выполнены с непосредственной передачей осевого усилия на редуктор, что на мой взгляд не приемлемо и лишь видел только один электромеханический дозатор с применением упорных подшипников.

-13

Механика дозатора выполнена из мотор-редуктора с шаговым двигателем  ( как заявляет продавец с Али, сопротивление обмоток 14,7 Ом, передаточное отношение 1:99, шаг двигателя 18 гр. Частота запуска 600Гц, при вращении до 800Гц, максимальный момент при 700Гц частотные параметры (как ранее рассказывал подтвердились) от аналогичного двигателя, но с другим сопротивлением обмоток в архиве. Шаговый двигатель фактически делает 1 оборот за (99х(360гр/18гр))*(1/750Гц)=2,57 сек. Хотелось бы побыстрее, но к сожалению я не нашел двигателей с сопротивлением обмоток 14 Ом под 5В питание и передаточным 1:50 или 1:75. Муфты двигателя из сплава Д16, круг Ф12мм, винт «вклеен» в муфту на вал-втулочный фиксатор. Ходового винта, пруток латунь ЛС59-1, Ф4мм, резьба М4, резьба нарезалась плашкой, установленной в самодельный плашкодержатель с  направляющим отверстием для прутка, без этого резьба на такой длине получается с волной. Подшипников шариковые упорные F4, 10х4х4 с Али. Поршень изготовлен из маслонаполненного полиамида ПА6, круг Ф20мм. Если вам нужен герметичный поршень, то достаточно нарезать резьбу и установит заглушку используя стопорный винт, при этом стоит просверлить отверстие в штоке поршня для отвода воздуха. Фланец мотора и шприца из сплава Д16, круг Ф35мм. Фланец мотора выполнен из двух деталей, втулки и фланца, это необходимо для получения двух параллельных поверхностей, сопряженных с подшипниками, плоскостью двигателя и перпендикулярности с сопрягаемой поверхностью дистанционной трубки. Эти две детали «склеиваются» вал-втулочным фиксатором.  Байонет крепления шприца, покупной с Али (у меня нет 3D принтера) от пневматического дозатора для 10 кубовых шприцов. При сборке второго механизма дозатора, я подумал, а почему бы не отказаться от байонета, и не сделать накидную гайку, прижимающую ушки шприца к фланцу (попробую реализовать в будущем для шпица на 3 кубика).  Дистанционная труба алюминий Ф20х1,5. Кожух двигателя алюминиевая труба Ф30х1. Заглушка полиамид ПА6, круг Ф35. Диаметры трубок выбирались из наличия в закромах.

-14
-15
-16

4. Корпус

В разработке использован не дорогой стандартный корпус для РЭА ZTM-ELECTRO 15-5, 150х100х53. Почему он, просто очень похож по размерам на корпус китайской версии паяльника Т12, чтобы поставить друг на друга. Лицевая и задняя панель была напечатана на лазерном принтере на глянцевой пленке, была обработана уплотнителем тонера, приклеена к панелям корпуса на двухсторонний строительный не армированный, белый скотч.

-17
-18

Модели панелей в SW15, эскизы лицевой и задней панелей в dwg, в pdf (масштаб 1:1) для прямой печати на принтере, шаблоны для разметки отверстий, в архиве.

5. Педаль

Стандартная, самая дешевая с Али с добавлением провода и разъема.

-19

Я не ставил перед собой задачи сделать дозатор для одного шприца на плате крепящейся к механике, по принципу все в одном. Поэтому все желающие могут спокойно используя данный материал сделать дозатор с питанием от USB, дисплеем 0.96" SH1306I2C, причем для этого достаточно в программу скопипастить одну стандартную строку инициализации библиотеки из примера и закоментировать текущий тип дисплея, также сделать дизайн своей печатной платы. Ведь не важно, какой двигатель вы используете, можно применить любой подходящий, для этого достаточно для него сделать свое питание и настроить драйвер.

Все выводы, которые были сделаны в этом материале, это личное мнение автора, которое сложилось после изучения вопроса.

Скачать список элементов (PDF)

Прикрепленные файлы:

Автор: alexeim2005