Добавить в корзинуПозвонить
Найти в Дзене
Своими мозгами

Как установить датчики движения

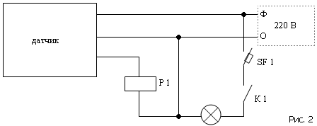
В данное время датчики движения, фотореле и фотоблоки используются во многих сферах народного хозяйства и в быту. Принцип действия этих электронных устройств – коммутация ( включение и отключение через определённое время ) осветительных приборов при появлении движущегося объекта или понижении освещённости. Большинство из таких устройств, не зависимо отечественного они или импортного производства, обладают серьёзным недостатком – таким как отсутствием защиты от токов короткого замыкания (Рис. 1). То есть при коротком замыкании в нагрузке, даже если устройство защищено встроенным предохранителем, электронная часть этих устройств выходит из строя быстрее чем перегорает предохранитель. Нами на протяжении нескольких лет успешно используется нижеприведённая схема включения этих устройств в осветительную сеть (Рис. 2).

В данное время датчики движения, фотореле и фотоблоки используются во многих сферах народного хозяйства и в быту. Принцип действия этих электронных устройств – коммутация ( включение и отключение через определённое время ) осветительных приборов при появлении движущегося объекта или понижении освещённости. Большинство из таких устройств, не зависимо отечественного они или импортного производства, обладают серьёзным недостатком – таким как отсутствием защиты от токов короткого замыкания (Рис. 1).

-2

То есть при коротком замыкании в нагрузке, даже если устройство защищено встроенным предохранителем, электронная часть этих устройств выходит из строя быстрее чем перегорает предохранитель. Нами на протяжении нескольких лет успешно используется нижеприведённая схема включения этих устройств в осветительную сеть (Рис. 2).

-3