Добавить в корзинуПозвонить
Найти в Дзене
Своими мозгами

Автономная система электроснабжения дома

Бензиновые и дизельные электростанции широко используются как резервный источник электроснабжения загородных коттеджей, дач и частных домов построенных в черте города. Если по какой либо причине происходит сбой в централизованной системе электроснабжения, то применение бытовой электростанции позволяет обеспечить подачу электроэнергии необходимой для бесперебойного функционирования электрооборудования. В частном секторе в основном используются бензиновые электростанции, устроенные на основе бензинового двигателя внутреннего сгорания и асинхронного или синхронного генератора. В зависимости от типа применяемых в них генераторов – асинхронных или синхронных, они подразделяются на однофазные и трёхфазные. В связи с тем, что в основном широкое распространение получили однофазные, то и данном случае будут рассмотрена электрическая схема подключения такой электростанций в общую сеть дома. Коммутация цепей электроснабжения, по которым происходит подача электроэнергии от централизованной системы

Бензиновые и дизельные электростанции широко используются как резервный источник электроснабжения загородных коттеджей, дач и частных домов построенных в черте города.

Если по какой либо причине происходит сбой в централизованной системе электроснабжения, то применение бытовой электростанции позволяет обеспечить подачу электроэнергии необходимой для бесперебойного функционирования электрооборудования.

В частном секторе в основном используются бензиновые электростанции, устроенные на основе бензинового двигателя внутреннего сгорания и асинхронного или синхронного генератора. В зависимости от типа применяемых в них генераторов – асинхронных или синхронных, они подразделяются на однофазные и трёхфазные. В связи с тем, что в основном широкое распространение получили однофазные, то и данном случае будут рассмотрена электрическая схема подключения такой электростанций в общую сеть дома.

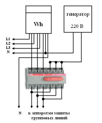
Коммутация цепей электроснабжения, по которым происходит подача электроэнергии от централизованной системы и от бытовой электростанции к потребителям осуществляется с помощью реверсивного рубильника подключаемого к выходным зажимам однофазного или, как в нашем случае, трёхфазного электрического счётчика. Что обеспечивает поступление электроэнергии от генератора в общую сеть дома, минуя счётчик. В левом положении переключателя рубильника, питание электроприёмников осуществляется от сети 380В, в среднем положении переключателя – питание электроприёмников отключено, в правом положении питание электроприёмников осуществляется от генератора.