Добавить в корзинуПозвонить
Найти в Дзене
3D CAD модели & Чертежи

Чертежи кондуктора для сверления трех отверстий в трубе

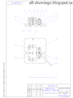
Кондуктор применяется для для базирования и зажима трубы при сверлении трех отверстий. Зажим заготовки осуществляется эксцентриком через подвижный боковой прижим. Кондуктор устанавливается на радиально-сверлильный станок 2М55. 3D модель и чертежи кондуктора для сверления трех отверстий в трубе
Оглавление

Кондуктор применяется для для базирования и зажима трубы при сверлении трех отверстий. Зажим заготовки осуществляется эксцентриком через подвижный боковой прижим. Кондуктор устанавливается на радиально-сверлильный станок 2М55.

3D модель и чертежи кондуктора для сверления трех отверстий в трубе

Чертежи кондуктора для сверления трех отверстий в трубе
Чертежи кондуктора для сверления трех отверстий в трубе
Чертежи кондуктора для сверления 3-х отверстий в ряд