Найти в Дзене
Разумный мир

Нескучная метрология. Так ли просто измерить постоянное напряжение?

В предыдущей статье мы немного посмотрели, какие физические методы и явления можно использовать для измерения напряжения. Если говорить только об основных способах, то остаются сила Кулона (электростатическая) и сила Ампера (электромагнитная). Тепловой метод, термопреобразователи, пока оставим в стороне, так как он используется (или использовался) в основном для измерения действующего значения переменного напряжения. О нем чуть позже поговорим. Напомню, почему мы рассматриваем именно измерение напряжения. Во многих случаях, особенно, в цифровых измерительных приборах, измеряемая величина преобразуется именно в напряжение, которое потом и измеряется. Или в ток, который все равно преобразуется в напряжение. Поэтому измерению напряжения мы и уделяем столько внимания. Если вы пропустили предыдущую статью, рекомендую прочитать ее сейчас, перед чтением сегодняшней статьи Давайте кратко вспомним основные особенности рассмотренных ранее методов. Электростатический метод основан на измерении си
Оглавление

В предыдущей статье мы немного посмотрели, какие физические методы и явления можно использовать для измерения напряжения. Если говорить только об основных способах, то остаются сила Кулона (электростатическая) и сила Ампера (электромагнитная). Тепловой метод, термопреобразователи, пока оставим в стороне, так как он используется (или использовался) в основном для измерения действующего значения переменного напряжения. О нем чуть позже поговорим.

Напомню, почему мы рассматриваем именно измерение напряжения. Во многих случаях, особенно, в цифровых измерительных приборах, измеряемая величина преобразуется именно в напряжение, которое потом и измеряется. Или в ток, который все равно преобразуется в напряжение. Поэтому измерению напряжения мы и уделяем столько внимания.

Если вы пропустили предыдущую статью, рекомендую прочитать ее сейчас, перед чтением сегодняшней статьи

Нескучная метрология. Как измерить напряжение? Классические, они же аналоговые, методы
Разумный мир15 июня 2022

Давайте кратко вспомним основные особенности рассмотренных ранее методов. Электростатический метод основан на измерении силы Кулона возникающей между обкладками конденсатора. Этот метод не нагружает участок цепи, на котором производится измерение напряжения. Но вносит дополнительную емкость. Электростатический метод применим лишь для достаточно больших напряжений. В типовом случае это сотни и тысячи вольт.

Различные вариации электромагнитного метода нагружают участок цепи, на котором производится измерение напряжения. Так как через вольтметр должен протекать ток. И, по сути, такие вольтметры измеряют ток, а не напряжение. Но закон Ома позволяет нам использовать их именно как измерители напряжения. Такие вольтметры обладают довольно низким внутренним сопротивлением. И напряжение, которое соответствует току полного отклонения стрелки, довольно низкое. Зачастую меньше 1 вольта.

Поскольку подавляющее большинство читателей сталкиваются именно с приборами электромагнитного метода измерения (любых вариантов), если вообще сегодня со стрелочными приборами сталкивается, рассматривать будем большей частью именно такие приборы. Хотя все рассмотренное применимо к любым типам вольтметров.

Начнем мы, как обычно, с самого простого, привычного и банального. И да, это тоже метрология.

Многопредельный вольтметр постоянного тока

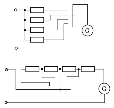
Да, такой всем знакомый и привычный. Всем известна схема такого вольтметра

Два варианта построения многопредельного вольтметра постоянного тока. Иллюстрация моя
Два варианта построения многопредельного вольтметра постоянного тока. Иллюстрация моя

Я привел два варианта схем, но между ними нет принципиальных различий. В любом случае измеряемое напряжение подается на гальванометр через балластный резистор. Просто во втором случае этот балластный резистор оказывается составным.

Не смотря на простоту и привычность схемы подобных вольтметров давайте немного подробнее их рассмотрим. Во первых, максимальный ток, потребляемый вольтметром от измеряемой цепи, равен току полного отклонения стрелки гальванометра. Этот ток будет протекать при измерении напряжения равного верхнему пределу используемого диапазона. Перегрузку, неверный выбор предела, рассматривать пока не будем.

Во вторых, внутреннее сопротивление вольтметра, сопротивление между его входными зажимами, будет равняться суммарному сопротивлению гальванометра и балластного резистора для выбранного диапазона. И, как следствие, будет зависеть от выбранного диапазона. Тем не менее, расчет этого сопротивления прост. Для каждого диапазона измеряемых вольтметром напряжений достаточно разделить максимальное напряжение на ток полного отклонения стрелки.

Для примера возьмем гальванометр, стрелочную измерительную головку, М42305 с током полного отклонения стрелки 100 мкА. Паспортное падение напряжения для М42305 равно 200 мВ при протекании тока равного току полного отклонения стрелки. Нетрудно подсчитать, что сопротивление этого гальванометра равно 2000 Ом, или 2 кОм. Предположим, нам нужен вольтметр с пределами измерения 1, 10, 100, 1000 вольт. Давайте рассчитаем сопротивления балластных резисторов. Что бы было интереснее, для второго варианта схемы.

Так как ток через гальванометр на всех пределах будет одинаков, расчет не составит труда

Расчет сопротивлений балластных резисторов для многопредельного вольтметра. Иллюстрация моя
Расчет сопротивлений балластных резисторов для многопредельного вольтметра. Иллюстрация моя

Если внимательно посмотреть, то будет видна любопытная зависимость. Отношение суммарного сопротивления вольтметра к верхнему пределу каждого диапазона величина постоянная. В нашем случае это 10 кОм/В. И вы наверняка видели этот параметр для стрелочных аналоговых вольтметров. Именно в подобном виде. И оно неизменно для вольтметра в целом, независимо от выбранного предела. При том, что для цифровых вольтметров обычно указывается просто входное сопротивление, например 1 МОм, безотносительно напряжения.

Почему так? Пока оставлю этот вопрос без ответа. Подумайте. А чуть далее мы с этим разберемся. Все, как всегда, окажется довольно простым.

Наш вольтметр не обладает выдающимися параметрами. Даже если сам гальванометр точен и использованы прецизионные резисторы. И портит все невысокое входное сопротивление.

Измеряя мы изменяем. О влиянии измерительных приборов на объект измерения
Разумный мир25 декабря 2021

Высокоомный, он же электронный, гальванометр

Низкое входное сопротивление вольтметра определяется сопротивлением гальванометра. Однако, мы не можем бесконечно увеличивать его сопротивление. А значит, пора призвать на помощь электронику. При этом нужно понимать, что увеличение сопротивления гальванометра при сохранении его чувствительности (тока полного отклонения) приведет к увеличению падения напряжения на нем.

Например, если мы увеличим сопротивление нашего гальванометра с 2 кОм до 200 кОм, сохранив неизменным ток полного отклонения 100 мкА, то падение напряжения возрастет до

0.0001 А * 200000 Ом = 20 В

И пределы измерения 1 В и 10 В станут просто невозможными. Значит, нам нужно повышать чувствительность гальванометра снижая ток полного отклонения стрелки. Другими словами, нам нужен усилитель, причем с высоким входным сопротивлением. И это должен быть усилитель постоянного тока (УПТ). А это не облегчает задачу.

Дело в том, что УПТ должен быть не только линейным. Он должен иметь малый, в идеале, нулевой, дрейф. То есть, постоянная составляющая выходного напряжения должна быть равна нулю при равном нулю входном напряжении. И это должно сохраняться при любых допустимых колебаниях температуры, за любой отрезок времени. И это не простая задача. Поэтому обычно предусматривается ручная подстройка нуля. Причем эта подстройка дополнительная, так как сам гальванометр имеет собственную регулировку нулевого положения стрелки.

Оптимальным и достаточно простым вариантом такого усилителя оказывается дифференциальный усилитель. Такие усилители когда то строились на электронных лампах. Позже на биполярных транзисторах, но параметры были хуже ламповых. Полевые транзисторы спасли положение

Электронный высокоомный высокочувствительный гальванометр. Иллюстрация моя
Электронный высокоомный высокочувствительный гальванометр. Иллюстрация моя

Резистор в цепи истоков обеспечивает балансировку плеч усилителя, ту самую установку ноля. Резистор параллельный входу гальванометра обеспечивает протекание тока затвора при неподключенных к измеряемому напряжению входных зажимах. Его сопротивление может быть очень большим.

Это тоже хорошо известная схема. Если транзисторы расположены на одном кристалле или пара согласованная (подобрана по идентичности параметров транзисторов), то стабильность (не устойчивость, а именно стабильность) оказывается неплохой. Цепи подстройки коэффициента усиления я не стал показывать. Такой усилитель может обеспечить и высокое входное сопротивление, и высокую чувствительность. Это именно то, что нам и требовалось.

Теперь все проблемы решены? Ну... не совсем...

Высокоомный многопредельный электронный вольтметр

Если мы попробуем, что называется "в лоб", заменить в схеме многопредельного вольтметра обычный гальванометр на наш электронный, то нас ожидает фиаско... Не видите его? Тогда давайте разбираться.

Пусть входное сопротивление нашего электронного гальванометра равно 1 МОм. А чувствительность, напряжение на его зажимах, соответствующее полному отклонению стрелки, равно 20 мВ. Давайте попробуем рассчитать сопротивление резистора R1 в нашем вольтметре. Подсчитать входной ток полного отклонения стрелки не сложно.

20 мВ / 1 МОм = 0,02 мкА

Общее сопротивление вольтметра на пределе 1 В должно быть равно

1 В / 0,02 мкА = 50 МОм

Все замечательно, на первый взгляд, не правда ли? Мы ведь этого и добивались. Сопротивление резистора R1 должно равняться

50 МОм - 10 МОм = 40 МОм

А сопротивление R2? А вот оно уже получается 450 МОм... Как то многовато, не правда ли? Не просто многовато, а очень много! И это та самая проблема.

И мы сами ее создали, когда решали другую проблему. Что же делать? Снижать входное сопротивление гальванометра? Нам это не подходит, на низковольтных пределах он опять будет заметно шунтировать измеряемую цепь. Решение есть, но оно компромиссное. Давайте изменим схему входного делителя напряжения

Многопредельный высокоомный электронный аналоговый (стрелочный) вольтметр. Иллюстрация моя
Многопредельный высокоомный электронный аналоговый (стрелочный) вольтметр. Иллюстрация моя

Что изменилось? Теперь у нас не балластный резистор, а делитель напряжения. По существу, и раньше это был делитель, но роль резистора нижнего плеча играл сам гальванометр. Теперь же у нас резистор нижнего плеча стоит в явном виде. И он не только переключаемый при выборе предела, но и включен параллельно входному сопротивлению электронного гальванометра. И это, безусловно, минус, так как портит то, чего мы раньше добивались.

Но настолько ли сильно портит? И портит ли вообще? Давайте рассчитаем сопротивление резистора нижнего плеча делителя для предела 1 В. Сопротивление резистора верхнего плеча у нас постоянно и равно 10 МОм. На резисторе нижнего плеча должно падать 20 мВ, таково напряжение полного отклонения стрелки нашего электронного гальванометра. Сопротивление резистора нижнего плеча, без учета входного сопротивления электронного гальванометра, будет равно

10 МОм / (0.98 В / 0.02 В) ≈ 204.08 кОм

Это уже сравнимо с входным сопротивлением электронного гальванометра, поэтому его требуется учитывать. Таким образом, сопротивление резистора нижнего плеча делителя должно равняться примерно 255 кОм. Мне лень считать точно...

Для более высоковольтных пределов сопротивление резисторов нижнего плеча будет меньше. Но получается, что мы не зря старались повысить входное сопротивление электронного гальванометра. И оно даже оказалось не слишком высоким, так как нам пришлось его учитывать для самого низковольтного предела. Но обратите внимание, что у нас теперь входное сопротивление вольтметра, уже электронного, равно 10 МОм! На всех пределах, включая 1 В. И оно практически не зависит от выбранного предела.

И это та самая причина, и та самая схема входного делителя, когда можно просто написать "входное сопротивление 10 МОм", а не уточнять "входное сопротивление 10 кОм/В". Помните, мы об этом говорили когда рассматривали многопредельный вольтметр? И теперь вы знаете ответ на этот вопрос.

А в чем же компромисс? Ведь все получилось очень даже хорошо. Ну... Не совсем все. Если внимательно посмотреть, то можно заметить, что теперь "удельное" входное сопротивление для разных пределов разное. Да, оно равно примерно 10 МОм/В для предела 1 В. Но для предела 100 В уже снижается до 100 кОм/В. А на пределе 1000 В мы получаем опять 10 кОм/В. И тут ничего не поделать...

Вот это я и называю компромиссом. Для многих типичных измерений в низковольтных цепях мы решили проблему входного сопротивления. Но для высоковольтных пределов она остается.

Но и у этой проблемы есть решение. И оно тоже компромиссное. Для измерения высоких напряжений можно использовать электростатический метод измерения. И можно создать многопредельный высоковольтный вольтметр, который будет и высокоомным, так как электростатический. А поскольку малые напряжения таким вольтметром не измерить, это опять компромисс.

Реальность вся состоит из компромиссов :)

Заключение

Сегодняшняя статья довольно простая, ведь рассматриваются простые и достаточно хорошо известные вопросы. Тем не менее, она показывает, сколько есть нюансов даже в таких простых вопросах. При всем при том, эта статья является необходимым мостиком к более сложным темам. И в следующий раз мы начнем их рассматривать. Мы посмотрим, как измерять переменное и импульсное напряжение.

Будет интересно! До новых встреч!