Найти в Дзене

Питание самоделок и не только. Собираем блок питания на LM317 и LM358.

Всем привет! Сегодня речь поведем о сборке линейного блока питания на LM317 и операционного усилителя LM358. Данную схему подглядел на одном каналов Дзена, но вообще она довольно старая. Не смог найти первоисточник. Вот статья описывающая принцип работы. Ниже схема на современных компонентах. Для сравнения привожу и "старую" схему на КР142ЕН5А и ОУ К140УД7. Сначала посмотрел на схему на отечественных элементах, но окинув взглядом свои запасы хламья, не обнаружил такого операционного усилителя. А без него сборка была бы уже не оригинальна, ведь хочется проверить найденную схему именно на тех компонентах, что указаны. Тогда соберем на современных элементах. Данный источник способен регулировать и ток и напряжение. Напряжение в пределах 1,2-30 В, а ток в пределах от 40мА до 3,5 А. По крайней мере так заявлено. С напряжением все в принципе ясно, нижняя величина ограничена особенностями LM317, а верхняя предельным напряжением питания операционного усилителя LM358 (до 32 В однополярного пит

Всем привет!

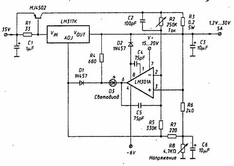
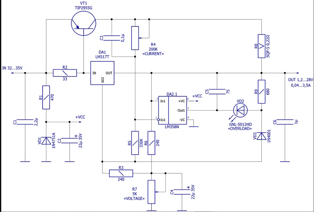
Сегодня речь поведем о сборке линейного блока питания на LM317 и операционного усилителя LM358. Данную схему подглядел на одном каналов Дзена, но вообще она довольно старая. Не смог найти первоисточник. Вот статья описывающая принцип работы. Ниже схема на современных компонентах. Для сравнения привожу и "старую" схему на КР142ЕН5А и ОУ К140УД7.

Сначала посмотрел на схему на отечественных элементах, но окинув взглядом свои запасы хламья, не обнаружил такого операционного усилителя. А без него сборка была бы уже не оригинальна, ведь хочется проверить найденную схему именно на тех компонентах, что указаны. Тогда соберем на современных элементах.

Данный источник способен регулировать и ток и напряжение. Напряжение в пределах 1,2-30 В, а ток в пределах от 40мА до 3,5 А. По крайней мере так заявлено. С напряжением все в принципе ясно, нижняя величина ограничена особенностями LM317, а верхняя предельным напряжением питания операционного усилителя LM358 (до 32 В однополярного питания).

На ОУ собран компаратор который оценивает падение напряжение на токовом датчике в виде мощного резистора R8. Чем больше ток проходящий через него, тем больше падение напряжения и в следствии на выходе ОУ появляется "минус" питания. Он оказывает влияние на LM 317 через светодиод и диод VD3. Выходное напряжение снижается до уровня установленного ограничения тока.

Не следует слишком увлекаться поиском максимальных величин по току у данной схемы. Иначе она просто превращается в мощный обогреватель. Будет греться силовой транзистор, диодный мост и токовый шунт.

Кстати как же происходит умощение LM317 по току? Очень просто - ставим перед ней резистор R2. При прохождения тока больше 20 мА на данном резисторе появиться падение напряжения достаточное для открытия силового транзистора. Данное напряжение будет приложено к переходу "база-эмиттер".

Переходим к практике. Что нам нужно в первую очередь? Правильно - мощный трансформатор. Из наличный у меня нашелся трансформатор из зарядного устройства для АКБ. Сам зарядник полная ерунда, но там имеются полезные для нас элементы, а именно: диодный мост и трансформатор. При внимательном рассмотрении обнаружилось, что трансформатор ЗАВАРЕН! Не знаю получится ли его перемотать на другое напряжение, честно говоря, заваренный трансформатор вижу впервые.

Кстати регулировка зарядного тока осуществляется тумблером, который просто переключает обмотку трансформатора. То есть на выходе меняется ток в зависимости от выходного напряжения трансформатора. (Просто поднимаем напряжение на выходе) Давайте сделаем замеры.

В положении 4А - напряжение на выходе 11,3 В.

В положении 6А - напряжение на выходе 12,7 В.

По моему таким зарядником вообще проблематично что-то зарядить. Напряжение заряда кислотно-свинцового АКБ 14,4 В, а кальциевого и того больше. Ну нам эта зарядка нужна лишь на опыты поэтому не заморачиваемся. Теперь мы можем прикинуть мощность данного агрегата. Помножим 12,7 на 6, получим 76,2 Вт мощности. Неплохо.

А теперь сделаем замер на самом трансформаторе. Выходное напряжение 14,3 В. Что-то там не так похоже посчитали с обмотками.

Напряжение на выводах трансформатора
Напряжение на выводах трансформатора

Ходя диодный мост на зарядном очень надежный - КД2999А рассчитан на ток 20 А и обратное напряжение до 200 В, решил всё таки использовать свой. Он у меня распаян на маленькой плате с клеммами для быстрого подключения. Маркировку моста к сожалению не помню, она очень легко стерлась пальцем (похоже опять китайцы чего то там подсунули). Предположительно ампер на 5. Но по факту может оказаться меньше. Надо быть бдительным. Конденсаторы на выходе 2х2200 мкФ на 50 В.

Силовой транзистор взял MJ2955. Не знаю насколько он оригинальный, но греться в любом случае будем очень прилично. Надо радиатор.

Силовой транзистор MJ2955
Силовой транзистор MJ2955

Теперь собираем схему управления. Пока всю электронику натыкал на макетной плате для удобства проведения замеров и замен.

Быстрое тестирование проведем на макетной плате
Быстрое тестирование проведем на макетной плате

Дабы не перегружать статью. Разделим публикацию на две части. В следующей раз посмотрим на, что способна эта схема. Не пропустите продолжения.