Добавить в корзинуПозвонить
Найти в Дзене
3h studio

Связано ли черчение в школе с черчением на курсах?

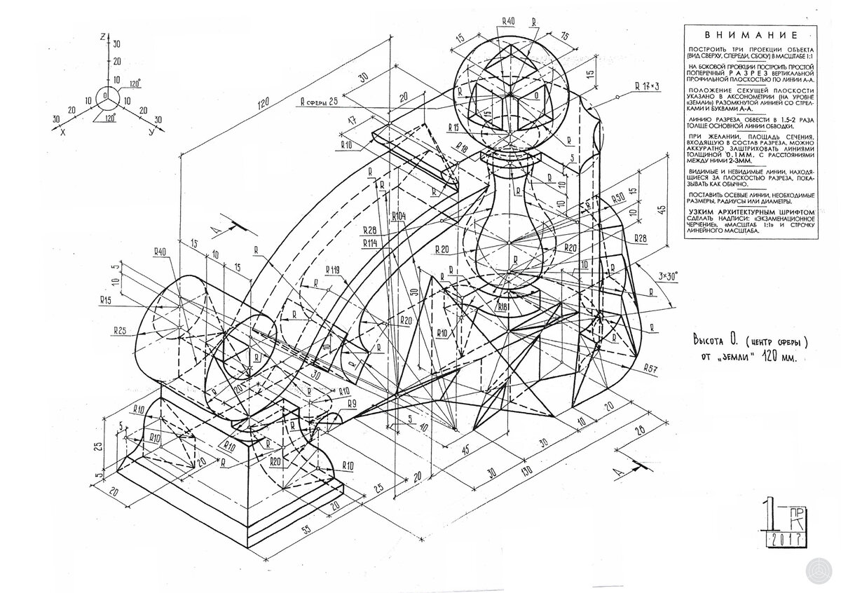
Связано, однако черчение в школе и черчение как профильный предмет, который сдается на экзамене – это СОВЕРШЕННО разные вещи. Школьное черчение дает понимание, что вообще означает «чертить», и чем это отличается от «рисовать». Курс черчения в школе направлен на формирование графической культуры, развитие абстрактного мышления, пространственного воображения. Развивается навык понимания чертежа. Но все это – лишь небольшое «введение» перед огромной работой, которая предстоит поступающему в архитектурный вуз. Кстати, в школьном черчении работа выполняется исключительно в карандашной графике, а в вузах работа чертится в туши – рейсфедерами и изографами, к работе с которыми надо также обучаться. Посмотрите, как выглядит работа школьника по черчению (первые два изображения), и работа абитуриента архитектурного вуза (задача с ответом) : Больше вопросов об архитектурных вузах, поступлении в МАрхИ, ГУЗ, МГСУ - здесь

Связано, однако черчение в школе и черчение как профильный предмет, который сдается на экзамене – это СОВЕРШЕННО разные вещи. Школьное черчение дает понимание, что вообще означает «чертить», и чем это отличается от «рисовать». Курс черчения в школе направлен на формирование графической культуры, развитие абстрактного мышления, пространственного воображения. Развивается навык понимания чертежа. Но все это – лишь небольшое «введение» перед огромной работой, которая предстоит поступающему в архитектурный вуз.

Кстати, в школьном черчении работа выполняется исключительно в карандашной графике, а в вузах работа чертится в туши – рейсфедерами и изографами, к работе с которыми надо также обучаться.

Посмотрите, как выглядит работа школьника по черчению (первые два изображения), и работа абитуриента архитектурного вуза (задача с ответом) :

Больше вопросов об архитектурных вузах, поступлении в МАрхИ, ГУЗ, МГСУ - здесь