Найти в Дзене

Дневные ходовые огни

ДХО (дневные ходовые огни) – дополнительные световые устройства, устанавливаемые на автомобиль для использования в светлое время суток. ДХО предназначены для обозначения вашего транспортного средства перед другими участниками дорожного движения. В этой статье я расскажу вам о различных схемах подключения ДХО. На просторах интернета много различных схем подключения ДХО. Предлагаю одну из схем, которая может заинтересовать автовладельцев у которых автомобиль с АКПП.

ДХО (дневные ходовые огни) – дополнительные световые устройства, устанавливаемые на автомобиль для использования в светлое время суток. ДХО предназначены для обозначения вашего транспортного средства перед другими участниками дорожного движения. В этой статье я расскажу вам о различных схемах подключения ДХО. На просторах интернета много различных схем подключения ДХО. Предлагаю одну из схем, которая может заинтересовать автовладельцев у которых автомобиль с АКПП.

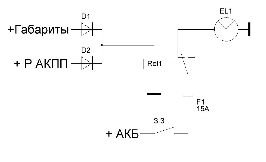
Схема работает следующим образом: при включении замка зажигания (З.З) + через селек-тор переключения передач в положении Р через D2 поступает на реле1, реле сработает и нормально замкнутые контакты разомкнутся, EL1 (ДХО) светиться не будут. При пере-ключении передачи + на D2 пропадет, реле отключится, ДХО включатся. При включение габаритов во время движения + с габаритов через D1 поступает на реле1, реле включится и ДХО выключатся. D1, D2 – 1N4007 либо аналог , реле1 автомобильное 5-ти контактное.
Схема работает следующим образом: при включении замка зажигания (З.З) + через селек-тор переключения передач в положении Р через D2 поступает на реле1, реле сработает и нормально замкнутые контакты разомкнутся, EL1 (ДХО) светиться не будут. При пере-ключении передачи + на D2 пропадет, реле отключится, ДХО включатся. При включение габаритов во время движения + с габаритов через D1 поступает на реле1, реле включится и ДХО выключатся. D1, D2 – 1N4007 либо аналог , реле1 автомобильное 5-ти контактное.
-2