Найти в Дзене
МЕГАВОЛЬТ

Самодельный звукосниматель для электрогитары.

Звукосниматель для гитары своими руками Если Вам нужен очень простой в повторении звукосниматель для акустической гитары в виде пьезодатчика с предусилителем, который можно сделать на скорую руку своими руками. Пьезодатчик с предусилителем для акустической гитары своими руками Для создания звукоснимателя нам понадобится: Делаем пьезодатчик с преампом для акустической гитары, пошаговая инструкция: Схема предусилителя для гитары на одном транзисторе очень простая и собрана из доступных радиокомпонентов, для питания хватит всего одной пальчиковой батарейки Duracell, которой мне обычно хватает при активном пользовании на месяц. Усиление данного предусилителя вполне хватает и при этом нет лишних шумов. Схема была взята с форума Радиокота. Шаг 1 Нужно достать пьезоизлучатель, это не сложно, так как они применяются много где, от игрушек, наручных часов (например, часы Монтана), так и в играющих открытках или же можно просто купить, сейчас они продаются практически во всех радиомагазинах. Пьез
Оглавление

Звукосниматель для гитары своими руками

Если Вам нужен очень простой в повторении звукосниматель для акустической гитары в виде пьезодатчика с предусилителем, который можно сделать на скорую руку своими руками.

Пьезодатчик с предусилителем для акустической гитары своими руками

Для создания звукоснимателя нам понадобится:

  • Пьезоэлектрический излучатель (пьезоизлучатель или пьезоэлемент);
  • Держатель (отсек) для батарейки;
  • Экранированный кабель;
  • Транзистор КТ315;
  • Резисторы;
  • Аудио гнездо типа Джек;
  • Пальчиковая батарейка.

Делаем пьезодатчик с преампом для акустической гитары, пошаговая инструкция:

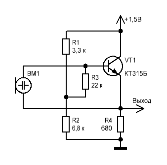
Схема предусилителя для гитары на одном транзисторе очень простая и собрана из доступных радиокомпонентов, для питания хватит всего одной пальчиковой батарейки Duracell, которой мне обычно хватает при активном пользовании на месяц. Усиление данного предусилителя вполне хватает и при этом нет лишних шумов. Схема была взята с форума Радиокота.

Шаг 1

Нужно достать пьезоизлучатель, это не сложно, так как они применяются много где, от игрушек, наручных часов (например, часы Монтана), так и в играющих открытках или же можно просто купить, сейчас они продаются практически во всех радиомагазинах.

-2

Пьезодатчик с предусилителем для акустической гитары своими руками

Шаг 2

Паяем несложную схему, состоящую всего из одного активного элемента – транзистора и небольшую обвязку из резисторов.

Пьезодатчик с предусилителем для акустической гитары своими руками
Пьезодатчик с предусилителем для акустической гитары своими руками

Так как схема преампа для акустической гитары очень простая то я не стал травить плату, а просто вырезал канцелярским ножом дорожки на меленьком куске фольгированного стеклотекстолита и напаял детали на сторону дорожек.

Ниже привожу свою печатку, которая была вырезана по форме задней части держателя батарейки и потом приклеена к нему, получилось достаточно компактно.

При желании можно сделать корпус, но у меня батарейку придерживает резинка, в будущем хочу заменить её на липучку, чтобы можно было легко и быстро вынимать после игры на гитаре батарейку.

Пьезодатчик с предусилителем для акустической гитары своими руками
Пьезодатчик с предусилителем для акустической гитары своими руками

Сам датчик клеится клеился липучкой внутри корпуса, нужно выбрать лучшее для это место крепления, Я же прижимаю пьезодатчик возле центрального отверстия прищепкой от тюнера настройки гитары, а сам предусилитель с батарейкой можно разместить или внутри гитары, протащив тащив шнур с бокового отверстия если такое у Вас есть или же закрепить всё на самой гитаре.

Пьезодатчик с предусилителем для акустической гитары своими руками
Пьезодатчик с предусилителем для акустической гитары своими руками
Пьезодатчик с предусилителем для акустической гитары своими руками
Пьезодатчик с предусилителем для акустической гитары своими руками
Пьезодатчик с предусилителем для акустической гитары своими руками
Пьезодатчик с предусилителем для акустической гитары своими руками
Пьезодатчик с предусилителем для акустической гитары своими руками
Пьезодатчик с предусилителем для акустической гитары своими руками
Пьезодатчик с предусилителем для акустической гитары своими руками
Пьезодатчик с предусилителем для акустической гитары своими руками

От себя скажу самодельный пьезодатчик с предусилителем для акустической гитары получился очень удачным и звук хорошо усиливается по всему звуковому диапазону гитары, а делать его проще некуда.

Пьезодатчик с предусилителем для акустической гитары своими руками
Пьезодатчик с предусилителем для акустической гитары своими руками

Как сделать звукосниматель для гитары.

Звукосниматель нужен для того, чтобы усилить воспроизводимые гитарой звуки. Часто его используют для акустики. Также этот элемент преобразует звук, делает его звонче. Иногда установка звукоснимателя становится очень важной, например, когда нужно подготовить гитару для выступления на сцене.

Если в акустическую гитару встроить звукосниматель, то она станет электроакустической. Они делятся на несколько видов, но задача каждого из них передать как можно реалистичнее звук любой струны.

-11

Какими бывают звукоусилители

Звукосниматели делятся на магнитноэлектрические и пьезоэлектрические. Первый тип является съемным и устанавливается в деку гитары, при этом не проводится никаких грубых изменений корпуса. Но такой звукосниматель извлекает звуки немного на других частотах и может исказить правильный акустический звук. За счет того, что элемент съемный, в любой момент можно убрать его.

Магнитный звукосниматель ставится на гитары только с металлическими струнами, так как звуки нейлоновых он не улавливает.

Но более подходящим является второй вариант звукоснимателя. Он улавливает и усиливает любые звуки, издаваемые гитарой: звуки струн, рук гитариста и вибрации корпуса. Преобразование акустики в электросигналы происходит при помощи пьзокристалла. Он может быть съемным и стационарным. Такой звукосниматель придает глубокое и интересное звучание гитаре.

В домашних условиях можно сделать звукосниматели обоих типов. Интереснее в плане экспериментов является преобразование акустики в электрогитару. Для этого необходимо делать магнитный звукосниматель.

Первым делом вырезаются две пластинки, которые крепятся к основанию с шестью отверстиями. Они крепятся сверху и снизу, для образования челнока под намотку катушки индуктивности. Материал изготовления листы фольгированного стеклотекстолита.

-12
-13

Каркас может быть вырезан из твердых пород дерева или пластика. Он помещается между тонкими пластинами стеклотекстолита.

Далее для сердечника необходимо взять стальные прутки диаметром не более 5 мм. Далее исходя из размеров сердечников необходимо просверлить подходящие отверстия в основании, а затем в платинах.

Чтобы процесс сверления был удобным и безопасным, основание заматывается в тонкий картон и зажимается в тисках. Отверстия сверлятся острым сверлом на высоких оборотах. Домашней дрелью сделать подобные ровные отверстия сложно, поэтому в качестве основания можно взять более твердый и прочный материал без магнитных свойств. В данном случае берется оргстекло.

-14
-15
-16
-17

Далее делаются сердечники, которые должны быть чуть длиннее конструкции из основания и пластин. После каркас из сердечников, основания и пластин собирается.

-18
-19

Далее понадобятся мощные магниты маленькой высоты. Для намотки берется тонкая медная проволока. Для создания катушки индуктивности необходимо намотать проволоку в 3000 витков.  Также для намотки можно взять тонкий провод с диаметром 0,1 мм.

-20

Далее конец провода очищается от эмали, берется изолированный проводник, который припаивается к проволоке. Место спайки закрывается изолентой. После провод укладывается в катушку и закрепляется несколькими витками намотки.

После окончания всей намотки конец проволоки припаивается ко второму изолированному проводнику. Все надежно с помощью нити приматывается к катушке. Далее намотка экранируется обычный фольгой. Магниты прикрепляются снизу. Звукосниматель для гитары готов.

Новый звукосниматель для гитары, как установить | Аудио Гик.

Любой гитарист со временем задумывается об апгрейде любимой гитары. Наилучшим вариантом тут, наверное, можно назвать новый звукосниматель для гитары. Поговорим сегодня о том, как заменить звукосниматель на гитаре и какие подводные камни могут встретиться на пути.

-21

Активные звукосниматели или пассивные

Первым делом, разумеется, необходимо раздобыть сам звукосниматель для гитары.Тут уже дело за Вами.  Данная статья о самом процессе замены.

Если речь идет просто о замене звукоснимателя на аналогичный более качественный, то тут проблем не так много. Гораздо сложнее может обернуться замена пассивных звуконимателей на активные. Т.к. Для них придется еще искать место для размещения батарейки.

Если такого места нет, то придется фрезеровать корпус и помимо самих звукоснимателей искать корпус для размещения батарейки.

-22

Часто батарейку удается спрятать в одно из уже имеющихся отверстий. Но и в случае замены не на активные звучки, так же могут возникнуть проблемы. Но обо всем по порядку.

Новый звукосниматель для гитары

Данная статья возникла как результат того, что мне перепал хорошенький звукосниматель Ibanez. Им со мной любезно поделился друг, заменивший его активным звукоснимателем EMG. У меня же гитарка Yamaha.

-23

Доставшийся мне звукосниматель — бриджевый хамбэкер. Так что и ставить его будем в бридж, т.е. ближе к струнодержателю.

7 раз отмерь…

Первым делом желательно взглянуть на родной звукосниматель гитары и вырезанную под него дырку. Поэтому оставляем струны болтаться на струнодержателе и выкручиваем родной звукосниматель.

-24

Вытягиваем его на проводе и примеряем новый звукосниматель в имеющееся в гитаре дупло.В принципе большинство производителей придерживаются близких размеров. В моем случае новый звукосниматель залез практически идеально, хотя и несколько шире родного.

-25

Если же звукосниматель не влез в гитару просто так, то потребуется увеличивать отверстие. Сделать это можно самостоятельно в ручную, аккуратно снимая стамеской лишнее дерево. Либо можно воспользоваться бор машинкой.

Если вы не уверены в своих силах, то лучше отдать гитару на фрезеровку профессионалу.

Крепеж звукоснимателя для гитары

Мне звукосниматель перепал без крепежки, поэтому придется скрещивать с тем, что уже есть. Крепежи обоих звукоснимателей имели одинаковое устройство. Это явно облегчило мне жизнь.

Звукосниматель держится на передней панели на двух, довольно длинных, винтах. Этими винтами осуществляется регулировка высоты, на которую выступает звукосниматель.

Панель же прикручивается саморезами к корпусу гитары. Для того чтобы звукосниматель не болтался он подпирается двумя пружинами, одетыми на регулировочные винты. Это самая распространенная конструкция. Расстояние между этими винтами совпало идеально.

Не те винты

Проблема оказалась в том, что винты от моей гитары имели диаметр 3мм, а диаметр отверстий на новом звукоснимателе был 2.5мм. Где взять винты такой длины на 2.5 мм??

Так как завтра репетиция, а гитара уже раскручена, то с поиском винтов было решено не заморачиваться. Достаем из закромов шкафа что-то умеющее сверлить.

-26

И сверлом на 2.5мм рассверливаем крепежные отверстия .

-27

Теперь можно легко нарезать резьбу на 3мм. Хорошо, что это позволили латунные вставки, вплавленные в пластик корпуса звукоснимателя. Иначе пришлось бы подтягивать звукосниматель гаечками. Но тогда для регулировки придется каждый раз выкручивать звукосниматель. Хотя делается это как правило один раз.

-28
  • Собственно на этом скрещивание двух звукоснимателей было окончено. В собранном виде это выглядит следующим образом:
-29

Отлично, звукосниматель для гитары со всей крепежкой готов, остается имплантировать его в гитару. Для этого откручиваем крышку, закрывающую регуляторы и переключателями. Как и у многих современных гитар, на моей она располагается с задней стороны.

Добравшись до проводки, определяемся, куда приходят провода родного звучка. Запоминаем и отпаиваем их. После чего, просунув провода нового звукоснимателя в отверстие, припаиваем их аналогично старому звучку.

-30

Расцветка проводов может быть различна. В моем случае это черный и белый. По общепринятым нормам темными цветами и оттенками обозначают провода идущие на землю (т.е.это минус), а яркими — то что пойдет на переключатель (плюс). Если провод звукоснимателя экранированный, то экран тоже припаивается к земле.

После припаивания втыкаем гитару в усилитель и стучим по звукоснимателю железным предметом. Например отверткой. Если услышали стук через усилитель. значит все ОК. Теперь можно вкрутить новый звукосниматель на отведенное ему место.

  1. Натягиваем струны и радуемся новому звуку, крутя регуляторы примочек во все стороны. А так же не забываем ухаживать за любимой гитарой:
  2. Чистка грифа и лимонное масло для гитары

О звукоснимателях (советы самодельщика)

Сейчас намного легче приобрести хорошую гитару, чем скажем лет 40 назад. Но все же, возможно из-за финансовой стороны вопроса, я думаю, есть еще энтузиасты-самодельщики делающие гитары своими руками.

Вот им то, начинающим, и адресована моя заметка самодеятельного музыканта. Первые наши попытки электрифицировать обычную акустическую гитару были предприняты с товарищем, Сергеем Омельченко, еще в 1966 году.

-31

Самым простым решением оказалось прикрепить головку с пьезоэлектрическим преобразователем, от проигрывателя грампластинок, к корпусу гитары. В дальнейшем вынули сам пьезоэлемент и сделали для него специальный держатель, совмещенный с розеткой для присоединения экранированного кабеля подключения к усилителю.

Эта деревянная конструкция приклеивалась к деке гитары вблизи струнодержателя. Для увеличения уровня сигнала на конец пластины пьезодатчика помещали пластилиновый шарик увеличивающий момент инерции преобразователя.

Сигнал был достаточен для подключения к любому радиоприемнику имеющему высокоомный вход для проигрывателя грампластинок. Этот первый «звукосниматель» и изображен на Рис.0.

Его недостатком была высокая чувствительность к акустическим шумам, шорохам, свисту пальцев по струнам и механическая непрочность самой пьезоэлектрической пластины. Зато стоимость головки звукоснимателя в сборе была всего 1р.60 коп., а сделать держатель можно за пол часа простым инструментом.

-32

Следующей самоделкой стал «настоящий» электромагнитный звукосниматель из наушников летных шлемофонов. Использовались наушники (телефонные капсули) сопротивлением 2200 Ом, нынче практически не встречающиеся. Аккуратно расколов корпус, извлекали магнитную систему телефонов в сборе с двумя катушками на полюсных наконечниках магнитов.

Эти полюсные наконечники удивительным образом соответствовали расстоянию между струнами гитары. Расколов три наушника (к сожалению иногда приходилось и больше) на латунной пластинке приклеивали магнитопроводы и соединяли все катушки последовательно.. Получался звукосниматель с сопротивлением 6600 Ом, дающий достаточно мощный электрический сигнал (Рис.

1). Вместо клея, все же лучше бы использовать для закрепления магнитопроводов припайку полюсных наконечников к латунной пластине, а сверху накрыть экранирующим и одновременно защитным экраном.

Но наша осмысленная борьба с электрическими и магнитными помехами началась несколько позже… Таких звукоснимателей было изготовлено множество, (только представьте сколько шлемофонов было испорчено и оснащались ими уже не акустические а самодельные досчато-фанерные «электрогитары». Но звучание у этих звукоснимателей было «кукольное».

Из-за неравномерности магнитного поля вблизи полюсных наконечников колебания струн преобразовывались в электрический сигнал нелинейно, «обогащая» звук гармониками и вызывая ощущение «мусорности» сигнала.

-33

В следующем звукоснимателе (на Рис.2) этот недостаток был уже устранен. На отдельных, для каждой струны, магнитах размещались катушки, содержащие каждая по 4000 витков провода ПЭЛ 0,08 мм диаметром, соединенные последовательно.

Получилось объединение в одной конструкции 6-7 струнных звукоснимателей, помещенных в одну общую пластмассовую коробку. Покраска ко робки изнутри серебрянкой, для экранировки звукоснимателя, показала полную несостоятельность такого решения.

Звук был чистым, пропорциональным колебаниям струн, но недостаточно сильным. Полагаю, что звукоснимателю не хватало магнитомягкой стальной пластины вместо пластмассового основания, к тому же множество небольших магнитов создавало несильное локальное поле для струн.

Ну и чисто умозрительно, представь те, как трудно «продирался» сигнал отдельных струн через индуктивность остальных 5-6 катушек!

-34

Значительно лучшим получился звукосниматель (Рис.3) содержащий всего один, но мощный маг нит, и одну большую катушку. Его магнитопровод-основание концентрировал мощное и равномерное магнитное поле вблизи струн, также хорошо защищая катушку от повреждений.

Накрытый сверху латунным экраном звукосниматель был нечувствительным к электро статическим наводкам и давал сильный, чистый звук.

Единственным значительным его недостатком, впрочем свойственным большинству электромагнитных звукоснимателей, была его чувствительность к внешнему переменному магнитному полю, создаваемому различными трансформаторами и сетевыми проводами.

Ну и наилучшими характеристика ми обладает звукосниматель на Рис.4, отличающийся от предшествующей конструкции лишь наличием одинаковых сдвоенных катушек.

Абсолютно одинаковые, намотанные одновременно и надетые на общий магнитопровод, они генерируют одинаковый сигнал под воздействием внешнего магнитного поля.

Но будучи включенными встречно, этот же мешающий сигнал они взаимно уничтожают, обеспечивая звукоснимателю нечувствительность к внешним магнитным помехам. Это оказалось особенно важно при применении различных бустеров, усилителей-ограничителей и fuzz-устройств.

-35

Дополнив гитару переключателем полярности одной из катушек (Рис.6), можно получить значительно различающееся звучание при синфазном и противофазном их включении.

Подавление же магнитных помех происходит только лишь при противофазном включении катушек.

Вообще же такое встречное включение катушек на общей магнитной системе образует интересную пространственно-частотную фильтрацию сигнала колеблющихся струн!

И, наконец, общие рекомендации для самодельщиков звукоснимателей:
— все металлические детали звукоснимателей должны быть соединены между со бой и заземлены, желательно пайкой;
— абсолютно все детали звукоснимателей должны быть жестко фиксированы, и не допускать «дребезга» для исключений щелчков, призвуков и микрофонного эффекта;
— для сильного сигнала желательно катушки делать с максимально-возможным числом витков, заполняя обмоткой все доступное пространство и используя про вод диаметром 0,06-0,08 мм или еще тоньше;

— обязательно используйте электростатический экран катушек и соединительных проводов, однако для борьбы с вихревыми токами и связанными с ними потерями этот экран должен иметь проницаемые окна напротив струн (Рис.5);

— не используйте регулировочные винты в составе полюсов магнитопровода для выравнивания силы звучания струн, лучше используйте магнитно-выровненные ферромагнитные струны. Паразитный микрофонный эффект, зацепы и порывы струн из-за этих винтов убедят вас в порочности таких конструкций;
— используйте магниты максимальной силы (ферриты кобальта) для большего сигнала и лучшего соотношения сигнал/шум;
— используйте только жесткие и надежные механизмы регулировки положения звукоснимателей относительно струн или не используйте вообще, установив звукосниматель сразу оптимально;

— разбирайте и изучайте «фирменные» звукосниматели – нет ничего такого, что самодельщики не смогли бы сделать так же или еще лучше!