Добавить в корзинуПозвонить
Найти в Дзене

Выбор ходовых роликов для ЧПУ станка.

Применение ходовых роликов в ЧПУ станке, является самым дешевым способом для перемещения кареток станка ЧПУ по осям, ходовых роликов существует большое количество, ниже рисунок только основные с которыми сталкивался при сборке станка ЧПУ. Из рисунка видим, что ходовой ролик состоит из двух подшипников и корпуса самого ролика куда запрессовывается подшипники, используются ролики под буквами на рисунке A;B;C b и D, используются с алюминиевым конструкционном профилем под названием V-slot, приведу размер профиля 20х20 мм, разрез такого профиля приведу ниже. Если рассмотреть внимательно чертеж разреза профиля видим, угол 90 градусов по боковым стенкам конструкционного профиля и вид разрез шириной 6.25 мм., как раз в этот паз встает ходовой ролик. Материал самого ролика зависит от вас, если используем пластик, вносим смену ходовых роликов в бюджет обслуживания станка, если используем ходовые ролики из металла, значит закладываем в бюджет обслуживания алюминиевый конструкционный профиль, те

Применение ходовых роликов в ЧПУ станке, является самым дешевым способом для перемещения кареток станка ЧПУ по осям, ходовых роликов существует большое количество, ниже рисунок только основные с которыми сталкивался при сборке станка ЧПУ.

Выбор ходовых роликов для ЧПУ станка.
Выбор ходовых роликов для ЧПУ станка.

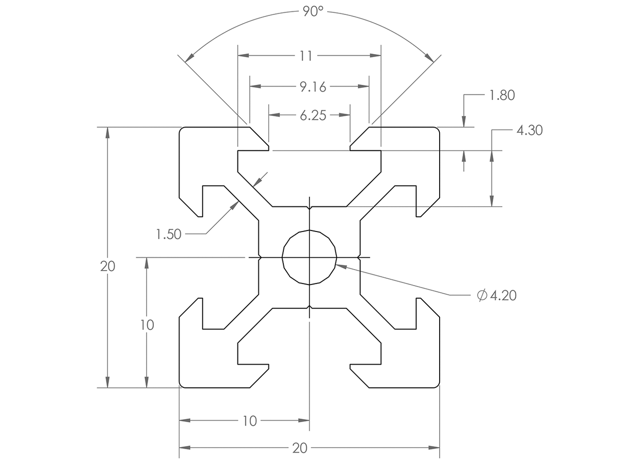
Из рисунка видим, что ходовой ролик состоит из двух подшипников и корпуса самого ролика куда запрессовывается подшипники, используются ролики под буквами на рисунке A;B;C b и D, используются с алюминиевым конструкционном профилем под названием V-slot, приведу размер профиля 20х20 мм, разрез такого профиля приведу ниже.

Чертеж V-slot 20x20.
Чертеж V-slot 20x20.

Если рассмотреть внимательно чертеж разреза профиля видим, угол 90 градусов по боковым стенкам конструкционного профиля и вид разрез шириной 6.25 мм., как раз в этот паз встает ходовой ролик.

Материал самого ролика зависит от вас, если используем пластик, вносим смену ходовых роликов в бюджет обслуживания станка, если используем ходовые ролики из металла, значит закладываем в бюджет обслуживания алюминиевый конструкционный профиль, те части профиля по которым будет происходить перемещение кареток осей станка, на металлических роликах.

Для ходовых роликов под буквами C и D из первого рисунка, можно использовать в качестве направляющих для станка ЧПУ обычный уголок, или полосу, где по ребру будет ездить ролик, своим V образным вырезом в центральной плоскости ходового ролика.

Применять, перемещения осей на ходовых роликах, станка ЧПУ , можно как в конструкции 3D принтера, лазерного гравера, пиропринтер или фрезерного станка, из своей практики скажу что 3D принтер или лазерный гравер работает отлично, ролики даже пластиковые имеют очень большой ресурс, так как на оси нет нагрузки, единственная нагрузка это вес полупроводникового лазера, или вес экструдера.

В ЧПУ фрезере, эти нагрузки возрастают кратно, поэтому для фрезерного станка использовать ролики я не рекомендую, скорость обработки заготовки значительно снизиться, но тоже если вы планируете использовать станок для себя, изготовление деталей для себя то думаю можно использовать и такой привод кареток для станка ЧПУ.

Главная проблема при использовании ходовых роликов для перемещения осей станка ЧПУ, это устранение зазора и люфтов каретки оси станка по отношению к направляющей оси, выбор этих зазоров, вариантов тоже много, на я пробовал все, но расскажу о дух, один очень простой, второй более прогрессивный но оних в дугой статье.

Размеры каретки станка ЧПУ, подбираются в зависимости от выбора алюминиевого конструкционного профиля и соответственно самих роликов.