Добавить в корзинуПозвонить
Найти в Дзене
Разумный мир

Нескучная метрология. Эта случайность совсем не случайна

Давайте теперь попробуем немного, всего одним глазком, заглянуть в мир, где ничто не постоянно, ни о чем нельзя сказать точно и определенно, нечего нельзя предвидеть. Или все таки можно? Да, этим миром правят вероятность и случайность. Но бунтарь, математическая статистика, пытается навести порядок в этом безумном мире. Нет, нашей целью будет совсем не теория вероятности. И даже не математическая статистика, как таковая. Нашей целью по прежнему будет метрология. Поговорим о случайной погрешности. Той самой, которая складывается из неизбежных случайных ошибок каждого отдельного независимого (это важно!) измерения. Той, которую при всей ее неизбежности не так то просто заметить. Обращаю ваше внимание, что мы не будем делать различия между приборами, условно, аналоговыми, стрелочными и приборами цифровыми. Да, сегодня мы будем рассматривать измерения электрических величин, но все сказанное относится к любым измерениям, любых величин. Сегодня нам будет полезной информация из предыдущих с
Оглавление

Давайте теперь попробуем немного, всего одним глазком, заглянуть в мир, где ничто не постоянно, ни о чем нельзя сказать точно и определенно, нечего нельзя предвидеть. Или все таки можно? Да, этим миром правят вероятность и случайность. Но бунтарь, математическая статистика, пытается навести порядок в этом безумном мире.

Нет, нашей целью будет совсем не теория вероятности. И даже не математическая статистика, как таковая. Нашей целью по прежнему будет метрология. Поговорим о случайной погрешности. Той самой, которая складывается из неизбежных случайных ошибок каждого отдельного независимого (это важно!) измерения. Той, которую при всей ее неизбежности не так то просто заметить.

Обращаю ваше внимание, что мы не будем делать различия между приборами, условно, аналоговыми, стрелочными и приборами цифровыми.

Да, сегодня мы будем рассматривать измерения электрических величин, но все сказанное относится к любым измерениям, любых величин.

Сегодня нам будет полезной информация из предыдущих статей

Нескучная метрология. Ошибки и погрешности. Начинаем разговор
Разумный мир2 июня 2022
Нескучная метрология. Ошибки и погрешности. Абсолютное и относительное
Разумный мир5 июня 2022

Если вы по какой-то причине их пропустили, самое время их прочитать.

Сразу хочу предупредить, что сегодня нам не получится избежать математики. Но я постараюсь использовать ее по минимуму.

История одного измерения

Начать разбираться, что, к чему, и почему, нам поможет практика. Самая что ни на есть настоящая. Давайте возьмем обычный резистор, происхождение неизвестно, довольно старый, но не использовался, помечен цветными полосками "оранжевая, оранжевая, красная, золотистая". То есть, его сопротивление 3.3 кОм ±5%. Вот его сопротивление и будем измерять.

Для измерения возьмем довольно типичный мультиметр средней точности с 4000 отсчетами. Видавший виды (ну очень старый) и потрепанный жизнью MY-99. Для него заявлена погрешность при измерении сопротивлений ±(1%+2). Мы уже разбирались, что это означает.

Герои нашего эксперимента. Фото мое
Герои нашего эксперимента. Фото мое

Почему резистор? Просто он оказался "под рукой". Сопротивление резистора довольно стабильно. И нам не будет мешать нестабильность собственно измеряемой физической величины. Как вариант, можно было взять обычную батарейку и измерять ее ЭДС. Но нам чуть позже понадобятся некоторые особенности измерения сопротивления.

Результаты измерений (показания прибора) таковы:

  • MY-99: 3,378 кОм

Но самое интересное, что измерения можно повторить много раз, изменения будут лишь на ±1 в младшем разряде. То есть, показания прибора 3,377 или 3,378 кОм. Почему же, в данном случае, мы не видим разброса результатов измерений, причем именно независимых, по всем правилам, измерений? Ведь все знают, что метрологи просто обожают многократно измерять одно и тоже, а потом радостно высчитывать неточность.

Все верно, но не надо забывать, что подход к измерительным приборам у метрологов отличается подхода обычных людей, которые этими прибором пользуются. Ведь если для измерения, например, напряжения при настройке какого-либо устройства потребуется провести даже 10 отдельных замеров, а потом еще и немного посчитать, то пользоваться таким прибором будет, как минимум, неудобно.

Но все таки, почему мы не видим случайной погрешности? Может мы просто что-то делаем не так?

И все таки ее видно! Снова о влиянии шкалы

На самом деле, в нашем эксперименте случайную погрешность, точнее, ошибку, видно. То самое изменение младшего разряда на единицу. И мы уже знаем, что это обусловлено дискретностью создаваемой шкалой. Причем не важно, какая именно эта шкала. Стрелка аналогового прибора может оказаться между двумя делениями шкалы. Уровень напряжения на входе АЦП цифрового прибора может оказаться между двумя значениями выходного кода.

Просто мы раньше не связывали влияние шкалы со случайной ошибкой/погрешностью. Выбор одного из двух делений шкалы подчиняется правилам округления, не обязательно арифметического. При этом, в общем случае, фактический выбор деления шкалы будет носить вероятностный, случайный, характер для каждого конкретного измерения.

Но такое влияние дискретности (квантованности) шкалы это лишь одна из составляющих случайной ошибки/погрешности.

Где спряталась случайная погрешность?

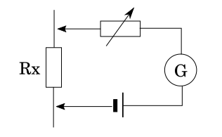
Давайте вспомним, как устроен омметр и как выполняется измерение сопротивления

Устройство омметра и выполнение измерения сопротивления. Иллюстрация моя
Устройство омметра и выполнение измерения сопротивления. Иллюстрация моя

Гальванометр, не важно, стрелочный или цифровой, будем считать достаточно стабильным. Стабильными будем считать и напряжение батареи, и сопротивление регулировочного потенциометра. Чуть ранее мы и сопротивление измеряемого резистора сочли достаточно стабильным. Что же здесь нестабильно, что может дать случайную погрешность?

Щупы омметра подключают к выводам измеряемого резистора. И в точках касания неизбежно возникает переходное сопротивление. Величина переходного сопротивления и будет нестабильной. Она зависит от силы прижатия, загрязненности (неизбежной) выводов и щупов в точке контакта, площади пятна контакта. Величину переходного сопротивления мы не можем предсказать. Мы можем только попытаться его минимизировать, например, очистив выводы и щупы спиртом и увеличив силу прижатия.

Разрешающая способность MY-99 на пределе 4000 Ом, именно на нем выполняется измерение, составляет 1 Ом. Поскольку величина переходного сопротивления значительно меньше, десятые и сотые доли Ома, MY-99 не может это различить. Даже при том, что у нас две точки контакта и, соответственно, два переходных сопротивления. Что бы заметить влияние переходного сопротивления мы должны переключиться на диапазон 400 Ом, для MY-99, где разрешающая способность составит 0.1 Ом и взять резистор, например, сопротивлением 300 Ом.

Но я возьму другой мультиметр, тоже достаточно типичный и доступный для любителей, HP-770D. Скорее с иллюстративной целью.

Мультметр HoldPeak HP-770D. Фото мое
Мультметр HoldPeak HP-770D. Фото мое

На пределе 4000 Ом он обеспечивает погрешность ±(0.5%+10) и разрешающую способность 0.1 Ом.

Этот мультиметр точнее, чем MY-99, в два раза. Так как погрешность, относительная, 0.5% против 1% у MY-99. Но вот дополнительная цифра после запятой не влияет на точность, а лишь улучшает разрешающую способность. Эта цифра не является достоверной, обратите внимание на 10 единиц МЗР в погрешности! Вот это является иллюстративной целью использования данного мультиметра в статье.

Точность и разрешающая способность это не одно и тоже
Разумный мир23 декабря 2021

И результаты серии измерений оказываются такими: 3.3728, 3.3725, 3.3727, 3.3729 кОм. В последнем случае я специально немного слабее прижал один из щупов к выводу резистора. Да, разброс показаний по прежнему небольшой. Но все таки теперь его видно. И этот разброс показаний и отражает случайную ошибку, но не мультиметра, в данном случае, а измерения.

Влияние метода и методики измерений

Итак, мы нашли потерявшуюся было случайную погрешность. Но пряталась она в методике проведения измерений. Если бы использовали не обычные щупы, а зажимы обеспечивающие постоянство прижимного усилия и минимальное значение переходного сопротивления, то мы бы опять увидели разницу в показаниях в пределах 1 единицы МЗР.

Влияние трудно поддающихся учету параметров, которые изменяются в процессе выполнения измерений, вносит значительный вклад в случайные ошибки/погрешности. Но тут все не так просто, как может показаться. Дело в том, что трудно учитываемые изменяющиеся факторы могут быть как быстропеременными, так и изменяющимися весьма медленно.

Давайте рассмотрим измерение прямого падения напряжения на p-n переходе диода при заданном токе через переход. Подопытным у нас будет точечный диод Д2, в стеклянном корпусе и отлично видимым кристаллом

Кристалл и формирующая p-n переход игла-контакт в диоде Д2. Фото с сайта 155la3.ru
Кристалл и формирующая p-n переход игла-контакт в диоде Д2. Фото с сайта 155la3.ru

Все отлично знают, что на наше измерение будет влиять температура кристалла (p-n перехода). Но температура в лаборатории достаточно стабильная. Если изменяется, то медленно и несильно. Отклонение температуры он "стандартного" значения 25 градусов даст нам систематическую ошибку измерений, но не постоянную, а зависящую от температуры. Эта систематическая ошибка будет суммироваться с другими систематическими ошибками измерительной установки.

Но давайте вспомним, что освещение p-n перехода приводит к появлению фототока! А в нашем диоде p-n переход открыт и ни чем не защищен от попадания на него света. И это дает нам еще одну составляющую ошибки. Но какой будет эта ошибка, систематической или случайной?

Если измерение напряжения на прямосмещенном p-n переходе выполняется не в темноте, то мы получим систематическую ошибку. Но эта ошибка будет зависеть от освещенности. И, в отличии от температуры, освещенность кристалла может изменяться достаточно быстро. Движение лаборанта, движение листвы находящихся за окном деревьев, которые загораживают солнечный свет попадающий в окна, движение облаков, пульсация светового потока светильников под потолком... Все это создает быстрые колебания освещенности, которые невозможно спрогнозировать.

И если среднее значение освещенности вносит вклад в систематическую ошибку, то быстропеременная составляющая освещенности вносит вклад в ошибку случайную. И диод Д2 действительно неплохо реагировал на освещение.

Можно привести примеры и для измерения неэлектрических величин. Например, если мы измеряем рулеткой достаточно большое расстояние, то нам трудно исключить провисание ленты рулетки или ее расположение точно по прямой между двумя точками.

Изменчивость измеряемой величины

Давайте попробуем измерить напряжение бытовой сети переменного тока. Результаты моих измерений лежат в интервале от 232.20 В до 235.19 В. Среднее значение примерно 234.1 В. Почему у нас наблюдается такое различие в результатах измерения? Я использовал мультиметр HP-770D, который не вносит заметной случайной погрешности. Переходное сопротивление тоже не может вносить ошибку, так оно ничтожно мало по сравнению в входным сопротивлением мультметра 10 МОм в режиме вольтметра.

Разница в показаниях возникла из-за того, что непрерывно изменяется собственно измеряемая физическая величина - переменное напряжение. Вольтметр измеряет среднеквадратичное значение переменного напряжения. И на это значение влияет и амплитуда напряжения, и искажение формы синусоиды. Таким образом, измеряемое нами значение напряжения будет иметь и составляющую изменяющуюся случайным образом.

То есть, каждое отдельное измерение может быть точным и не содержать случайной ошибки. Но на вопрос, "какое напряжение в сети?" мы не сможем дать однозначный ответ по результатам единственного измерения. На нужно выполнить несколько измерений и на их основании вычислить среднее значение измеряемой величины. И это среднее значение уже будет тем опорным значением, от которого отсчитывается "ошибка" (условно).

И опять мы можем найти аналоги в мире неэлектрических измерений. Например, длина шага каждого человека будет иметь случайные колебания. Мы можем вычислить среднюю длину шага конкретного человека. Но каждый шаг будет иметь свою длину. И в этой длине будет случайная составляющая. При измерении диаметра цилиндра мы можем обнаружить, что цилиндр в сечении не является точным кругом. И его диаметр изменяется по длине цилиндра.

Случайные погрешности измерительного прибора

Ранее мы посчитали, что наши мультиметры не вносят заметной случайной ошибки. И это действительно так. Более того, в них специально применяются меры минимизации случайных ошибок. Что это за меры мы рассмотрим чуть позже.

Сделанное нами допущение применимо не ко всем измерительным приборам, но ко многим. Во всяком случае, исправным приборам.

Но давайте рассмотрим рулетку достаточно большой длины. Не важно, из какого материала она изготовлена. Под воздействием продольной растягивающей силы лента рулетки будет деформироваться, растягиваться. Эта деформация обратима и упруга. Но это означает, что при измерении у нас будет вноситься ошибка, причем случайная, зависящая от силы натяжения ленты рулетки. Более того, эта ошибка будет зависеть и от длины измеряемого объекта. И эту ошибку мы не можем скомпенсировать.

В электрическом измерительном приборе, как аналоговом, так и цифровом, в измерительном тракте неизбежно возникают шумы. Их создают и пассивные, и активные элементы электрических и электронных схем. Шумовой сигнал накладывается на полезный и создает случайную ошибку. Насколько велика будет эта случайная ошибка зависит и от соотношения сигнал/шум, и от схемы прибора.

Даже случайные величины имеют определенные закономерности

Итак, мы посмотрели, где прячутся случайные ошибки, что приводит к их возникновению, как их можно разглядеть. Конечно, мы рассмотрели это упрощенно и далеко не все источники случайных ошибок даже просто упомянули. Пришло время приглядеться к самим случайным ошибкам и применить к ним могучее оружие - математическую статистику и ее раздел "теория ошибок".

Посмотрев на результаты измерений, абсолютно любых, мы можем сказать, что они точно не случайные. Да, любое измерение содержит ошибку, которая раскладывается на несколько составляющих. Но ошибка измерения мала по сравнению с измеряемой величиной. Во всяком случае, ошибка должна быть лишь малой частью от результата измерения. Давайте отбросим на сегодня систематическую ошибку, посчитаем ее равной нулю. Да, это упрощение, но нас сегодня интересуют именно случайные ошибки.

Как мы уже знаем, случайная ошибка является непредсказуемой как по значению, так и по знаку. Но, в целом, случайная ошибка может рассматриваться как наложение шумового сигнала на сигнал полезный.

Представление результата измерения как совокупности полезного сигнала и шума. Иллюстрация моя
Представление результата измерения как совокупности полезного сигнала и шума. Иллюстрация моя

На рисунке (а) показан собственно результат измерений содержащий случайные ошибки. На рисунке (б) полезная составляющая сигнала. На рисунке (в) шум, который и является случайной ошибкой. То есть, случайная ошибка это небольшие шумоподобные отклонения от точного результата измерений. Причем этот шум знакопеременный.

Более того, среднее значение этого шумового сигнала за достаточно большой период времени, интегральное значение, равно нулю. То есть, постоянная составляющая шумового сигнала случайной ошибки отсутствует.

Давайте выполним достаточно большое количество измерений какой-либо физической величины. Например, того же напряжения в бытовой сети переменного тока. Мы получим множество значений лежащих в каком то диапазоне. Так немного ранее я приводил диапазон значений в моих измерениях (232.20 В ÷ 235.19). Разобьем этот диапазон на несколько равных частей, например, с шагом 0.2 В. В нашем случае получится 15 отдельных частей.

Для каждой части, каждого поддиапазона, посчитаем, какое количество измеренных значений в него попадает. И построим столбчатую диаграмму, которую математики называют гистограммой. Результат будет примерно таким

Диаграмма количества попаданий результатов измерений в отдельные диапазоны. Иллюстрация моя
Диаграмма количества попаданий результатов измерений в отдельные диапазоны. Иллюстрация моя

Хорошо видно, что все результаты измерений не просто сгруппированы вокруг некоторого значения, но это значение достаточно хорошо и наглядно видно. Но количество попаданий в диапазоны, с точки зрения математики, малоинформативно. Гораздо информативнее вероятность попадания. Вероятность вычисляется очень просто. Нужно разделить количество попаданий в каждый диапазон на общее количество результатов измерений.

Внешний вид, относительная высота столбиков, не изменится. Но называться теперь это будет диаграммой распределения плотности вероятности. Более того, при стремящейся к нулю ширине интервала и стремящемся к бесконечности количестве измерений мы получим график функции распределения плотности вероятности.

График плотности вероятности результатов измерений и математическое ожидание. Иллюстрация моя
График плотности вероятности результатов измерений и математическое ожидание. Иллюстрация моя

На иллюстрации показано нормальное распределение плотности вероятности значения случайной величины. Это наиболее типичное распределение. Другим важным распределением является равномерное, когда вероятность равна по всему диапазону возможных значений.

Итак, не смотря на случайный характер содержащихся в результатах измерений случайных ошибок, математическая статистика позволяет разглядеть некоторую закономерность. Более того, эта закономерность оказывается вполне прогнозируемой и даже рассчитываемой. Но только статистически, для большого количества измерений. И это одна из причин, по которой метрологи любят все измерять множество раз.

Распределение результатов измерений позволяет получить и количественные результаты, пусть они и будут вероятностными. И здесь мы можем выделить начальные моменты и центральные моменты. Причем разных порядков.

Начальный момент дискретной величины k-го порядка определяется как

-8

Для нас наиболее важным является начальный момент первого порядка, то самое математическое ожидание

-9

И для нормального распределения это математическое ожидание можно вычислить даже без привлечения вероятностей. Как обычное среднее арифметическое

-10

Центральный момент дискретной величины k-го порядка определяется как

-11

В этой формуле можно увидеть и уже знакомое нам математическое ожидание. Для нас наиболее важным является центральный момент второго порядка, дисперсия

-12

Дисперсия, как и следует из названия, характеризует рассеяние случайной величины. То есть, насколько далеко отдельные случайные величины "разлетаются" от своего центрального значения равного математическому ожиданию. Те, кому более привычно среднеквадратичное отклонение, могут просто извлечь квадратный корень из дисперсии.

От случайной величины к случайной ошибке/погрешности

Наши результаты измерений, случайные величины, имеют отличное от нуля математическое ожидание. Собственно говоря, это математическое ожидание и является результатом измерения, которое состоит из серии независимых последовательных измерений. И мы можем перенести начало координат в точку соответствующую математическому ожиданию.

Это будет эквивалентно тому, что из результата каждого измерения в серии мы вычтем математическое ожидание всей серии. То есть, перейдем от результатов измерений к отклонениям от среднего значения. Другими словами, мы перейдем к ошибкам каждого отдельного измерения в серии. Причем эти ошибки будут случайными.

Мы ранее исключили систематическую погрешность. Это скажется на вычислении математического ожидания, так оно, как итоговый результат измерения, будет содержать и систематическую ошибку. Однако, случайные ошибки, как разность между результатом каждого отдельного измерения в серии и математическим ожиданием, систематической погрешности содержать уже не будут. Подумайте, почему это так.

В результате, мы получим такое

График распределения вероятностей случайных ошибок/погрешностей для нормального распределения. Иллюстрация моя
График распределения вероятностей случайных ошибок/погрешностей для нормального распределения. Иллюстрация моя

И вот тут становятся видны очень интересные моменты... Во первых, нормальное распределение, уже не результатов измерений, а случайных ошибок, симметрично относительно оси ординат (вероятностей). И математическое ожидание равняется нулю, чего мы сами и добивались. Но это не столько наша заслуга, сколько следствие симметричности.

Но что это означает для нас? А это означает, что выполнив достаточно большое количество измерений и вычислив математическое ожидание мы можем минимизировать случайную ошибку измерения! Почему только минимизировать, а не сделать равной нулю? Потому что количество измерений у нас неизбежно будет конечным. А математическое ожидание стремится к нулю только при количестве измерений стремящемся к бесконечности.

Как измерительные приборы устраняют случайные погрешности

Вот в этом и кроется секрет того, что мы не смогли увидеть случайные ошибки при измерении сопротивления с помощью MY-99 и с трудом разглядели их (только как влияние переходного сопротивления) при использовании HP-770D. На самом деле, мультиметр выполняет серию измерений, вычисляет математическое ожидание (как среднее арифметическое), и выводит результат усреднения на дисплей. При этом случайная ошибка, как математическое ожидание случайных ошибок в серии измерений, оказывается близкой к нулю.

Да, вот так все просто и легко! Но давайте найдем технический эквивалент вычисления математического ожидания. По сути, это просто фильтр низких частот. Постоянная времени такого фильтра определяется количеством измерений в серии и временным интервалом между измерениями. Как и любой фильтр низких частот, вычисление математического ожидания (усреднение) не сможет исключить влияние процессов, период которых больше постоянной времени фильтра.

То есть, быстропеременные процессы и вызванные ими быстропеременные случайные ошибки мы устранить (минимизировать) сможем. Но медленнопеременные нет, так как это потребует очень большой постоянной времени фильтра и показания на дисплее будут обновляться очень редко. Вы же встречали слова "этот прибор такой тормоз"?

Не обязательно вычислять именно среднее арифметическое. Можно вычислять скользящее среднее. Это немного сложнее (с точки зрения работы с буфером результатов измерений), но зато мы можем обновлять результат на дисплее при каждом фактическом измерении, а не после серии. Это не скажется на случайной погрешности, но будет более более быстрым и приятным для глаз лаборанта.

Схемотехнически, если в измерительном приборе нет процессора, усреднение можно выполнять даже обычным RC фильтром нижних частот. Кстати, такой фильтр эквивалентен вычислению именно скользящего среднего. Подумайте, почему. Использование фильтров более высокого порядка иногда может иметь смысл.

А что насчет стрелочных приборов? В них усреднение может выполнять как уже упомянутый выше RC фильтр, так и различные способы демпфирования собственно стрелки

Воздушный и электромагнитный демпферы стрелочных измерительных приборов. Иллюстрация из интернета
Воздушный и электромагнитный демпферы стрелочных измерительных приборов. Иллюстрация из интернета

Такие демпферы применимы и для стрелочных приборов вообще не имеющих отношения к электричеству.

Коротко о доверительных интервалах

Давайте еще раз взглянем на график нормального распределения. Можно заметить, что наиболее вероятны небольшие по величине случайные ошибки/погрешности. С ростом ошибки вероятность довольно быстро снижается. Впрочем, чем больше дисперсия, тем меньше скорость снижения вероятности. И самые большие ошибки достаточно маловероятны.

Имеет ли смысл действительно учитывать самый худший случай? Иногда это просто необходимо, но во многих случаях можно ограничиться лишь наиболее вероятными случайными погрешностями. Посмотрите на иллюстрацию

Квантильная оценка случайной погрешности. Иллюстрация моя
Квантильная оценка случайной погрешности. Иллюстрация моя

Вся площадь, заключенная под кривой плотности распределения вероятности погрешностей, соответствует вероятности всех возможных погрешностей. Это 100% вероятность, или просто 1. Мы можем определить два квантиля, одинаковых по модулю, но имеющих разные знаки, обозначенные на иллюстрации как Δx. Через точки на оси абсцисс, соответствующие квантилям, проведем вертикальные прямые до пересечения с графиком плотности вероятности.

Эти прямые разделят площадь под кривой на три части. Площадь непосредственно между квантильными линиями (показана розовым цветом) соответствует суммарной вероятности самых малых случайных погрешностей. Площади справа и слева от квантильных линий соответствуют вероятностям самых больших случайных погрешностей.

Квантильная оценка случайной погрешности соответствует интервалу от -Δх(Р) до +Δх(Р), на котором с заданной вероятностью Р встречаются все возможные значения случайной погрешности.

Интервал ±Δх(Р) называется доверительным интервалом случайной погрешности. А соответствующая ему вероятность Р доверительной вероятностью.

При указании квантильной оценки случайной погрешности необходимо указывать не только доверительный интервал, но и доверительную вероятность. Так для нашего измерения переменного напряжения, где ΔU=3В, случайную погрешность можно было записать как ±1.5В, что соответствует самому пессимистическому случаю. Но можно быть немного оптимистичнее и записать, например, ±1В при Р=0.75 (75%). Цифру я взял "с потолка", так как немного лень выполнять "лабораторную работу" и проводить все вычисления. Это будет означать, что в 75% случаев случайная ошибка/погрешность не превысит 1 В.

Увы, как и у всего на свете, у квантильной оценки (доверительными интервалами) случайной погрешности есть оборотная сторона. Дело в том, что доверительный интервал суммы не равен сумме доверительных интервалов.

В теории вероятности суммирование статистически независимых (некоррелированных) случайных величин осуществляется путем сложения их дисперсий.

Пожалуй, мы не будем сегодня глубже погружаться в математику.

Заключение

Случайные ошибки и погрешности, при всей своей случайности и непредсказуемости, к нашему счастью, оказываются все таки наделенными определенными зависимостями. Пусть и статистическими, вероятностными. Но ведь весь мир по существу вероятностен.

Математический аппарат теории вероятностей и математической статистики может наводить ужас на новичков и непосвященных. Но его практическое применение гораздо проще, как мы сегодня увидели, и позволяет минимизировать влияние многих случайностей и непредвиденностей (если, конечно, они случайны). Зачастую оказывается достаточно простого усреднения, с некоторой постоянной времени. И мы этим будем пользоваться, в последующих статьях, когда начнем разбираться с принципами построения измерительных приборов.

До новых встреч! Будет интересно!