Найти в Дзене
КРАСНЫЙ ТЕХ ☆

Фары для радиоуправляемой машинки.

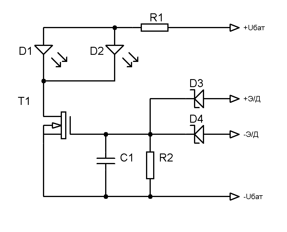
Некоторые машинки из самых дешёвых не имеют включающихся во время движения фар. Но при наличии самих прозрачных фонарей не сложно добавить и их свечение. Предлагается такая схема: D1, D2 - светодиоды белого холодного свечения; T1 - 2N7002 в корпусе SOT-23, подходит и любой другой полевой транзистор N-типа с напряжением отпирания ниже напряжения на электродвигателе относительно минуса схемы, определить N-канальный транзистор перед вами или нет можно с помощью мультиметра; C1 - керамический конденсатор 1÷10µ на напряжение не ниже 10В; R1 - 100÷200 Ом, подбирается из условия максимального тока через каждый светодиод не более 7мА (на случай обрыва одного из светодиодов ток через второй не будет выше допустимого) при максимальном напряжении элемента питания, у автора 3 элемента AA заменены литиевым аккумулятором, поэтому максимальное напряжение составляет 4,2В; R2 - 1÷10 МОм; D3, D4 - любые малогабаритные маломощные диоды шоттки. Схема работает следующим образом. При включении электродвигат

Некоторые машинки из самых дешёвых не имеют включающихся во время движения фар. Но при наличии самих прозрачных фонарей не сложно добавить и их свечение. Предлагается такая схема:

D1, D2 - светодиоды белого холодного свечения;

T1 - 2N7002 в корпусе SOT-23, подходит и любой другой полевой транзистор N-типа с напряжением отпирания ниже напряжения на электродвигателе относительно минуса схемы, определить N-канальный транзистор перед вами или нет можно с помощью мультиметра;

C1 - керамический конденсатор 1÷10µ на напряжение не ниже 10В;

R1 - 100÷200 Ом, подбирается из условия максимального тока через каждый светодиод не более 7мА (на случай обрыва одного из светодиодов ток через второй не будет выше допустимого) при максимальном напряжении элемента питания, у автора 3 элемента AA заменены литиевым аккумулятором, поэтому максимальное напряжение составляет 4,2В;

R2 - 1÷10 МОм;

D3, D4 - любые малогабаритные маломощные диоды шоттки.

Схема работает следующим образом. При включении электродвигателя в любом направлении C1 быстро заряжается до уровня выше порога открытия T1 и светодиоды D1 и D2 загораются. После снятия напряжения с электродвигателя C1 начинает разряжаться (величина ёмкости обуславливает время время разряда, больше ёмкость - больше время) через R2 до уровня запирания T1. Чем выше R2 тем больше время разряда C1. Поскольку разряд C1 растянут во времени, то T1 входит в линейный режим и светодиоды гаснут постепенно (см. видео).

Для сборки схемы есть два варианта:

  1. Протравить плату по перенесённому утюгом рисунку на стеклотекстолит;
  2. Прочертить острым предметом по линиям, перенесенным с помощью утюга на стеклотекстолит.

Файлы для изготовления платы можно скачать здесь.

Приведённую схему можно подключать как после выключателя питания так напрямую к батарее. Второй вариант выглядит эффектнее, фары сами погаснут если выключить машинку и поставить в "гараж\на полку".