Добавить в корзинуПозвонить
Найти в Дзене
Пикрон

Схема подключения дискретного сигнала 24В и реализация токовой защиты!

В прошлой статье я объяснял почему в промышленной автоматизации в основном используется источник питания 24 В, а сейчас речь пойдет о схеме подключения входных дискретных сигналов 24В к модулю обработки сигналов (УСО, ПЛК). Итак, рассмотрим схему подключения сигнала «сухой контакт» к модулю ввода дискретных сигналов: Основной недостаток вышеуказанной схемы — это низкая надежность. Даная схема применима только в мелких/частых объектах, где бюджет реализации проекта сильно ограничен. Для увеличения надежности системы, потребуется: 1. Организация двухконтурного питания: - I контур: внутренние цепи – питание оборудования, находящиеся в шкафу; - II контур: внешние цепи – питание оборудования находящегося за приделами шкафа. 2. Обеспечение токовой защитой от короткого замыкания; Посмотрим доработанную схему: Итак, по порядку: 1. В систему добавлен второй блок питания для внешней цепи; 2. На выходе каждого блока питания добавлены предохранители для защиты от короткого замыкания (КЗ); 3. Дл

В прошлой статье я объяснял почему в промышленной автоматизации в основном используется источник питания 24 В, а сейчас речь пойдет о схеме подключения входных дискретных сигналов 24В к модулю обработки сигналов (УСО, ПЛК).

Итак, рассмотрим схему подключения сигнала «сухой контакт» к модулю ввода дискретных сигналов:

Рис.1 – Схема подключения дискретных сигналов
Рис.1 – Схема подключения дискретных сигналов

Основной недостаток вышеуказанной схемы — это низкая надежность. Даная схема применима только в мелких/частых объектах, где бюджет реализации проекта сильно ограничен.

Для увеличения надежности системы, потребуется:

1. Организация двухконтурного питания:

- I контур: внутренние цепи – питание оборудования, находящиеся в шкафу;

- II контур: внешние цепи – питание оборудования находящегося за приделами шкафа.

2. Обеспечение токовой защитой от короткого замыкания;

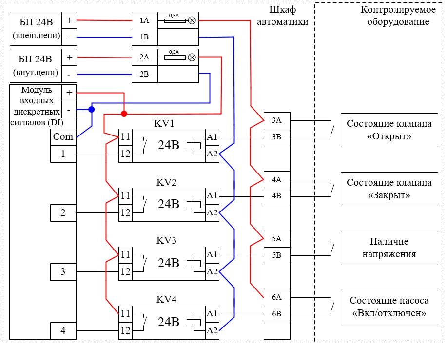
Посмотрим доработанную схему:

Рис.2 – Схема подключения дискретных сигналов с общей токовой защитой
Рис.2 – Схема подключения дискретных сигналов с общей токовой защитой

Итак, по порядку:

1. В систему добавлен второй блок питания для внешней цепи;

2. На выходе каждого блока питания добавлены предохранители для защиты от короткого замыкания (КЗ);

3. Для каждого входного дискретного канала установили интерфейсное реле (KV1-KV4) для разграничения цепей питания.

Данную схему возможно применить на производстве не критической инфраструктуры. Но для применения на опасном производственном объекте и непрерывном технологическом процессе такая схема не допустима и вот почему:

1. В случае КЗ или попадания высокого напряжения на контакт проводника внешней цепи – произойдет выгорание предохранителя 1А тем самым модуль входных дискретных сигналов потеряет связь со всем контролируемым оборудованием.

Для устранения данного недостатка перед каждым реле необходимо установить предохранитель:

Рис.3 – Схема подключения дискретных сигналов с по-канальной токовой защитой
Рис.3 – Схема подключения дискретных сигналов с по-канальной токовой защитой

Вышеуказанная схема Рис.3 является «эталонной», каждый канал защищен предохранителем и в случае КЗ на любом из каналов выйдет из стоя именно канальный предохранитель, тем самым проблема будет иметь локальный характер, что в свою очередь приведет к минимальным рискам в производственном процессе.

Данная схема Рис.3 применима в общепромышленных зонах, если оборудование находится во взрывоопасной зоне, то потребуется применить искробезопасный барьер.