Найти в Дзене
Smart home Russia

Изготавливаем термоконтроллер при помощи NoName термометра и RGB усилителя.

Как и обещал, продолжаю тему разработки устройства контроля температуры. Расскажу, как при помощи термометра и RGB усилителя для лент сделать контроллер температуры. Translation to English is here. Также основной канал в telegram. Широкое распространение микроконтроллеров позволило нам погрузится в новый мир возможностей и устройств, а с появлением Arduino и Raspberry Pi произошел просто взрыв. И все бы хорошо, но контроллеры стали пихать просто в каждое устройство, иногда по делу, а иногда это выглядит как "из пушки по воробьям". Когда мне поставили задачку по изготовлению устройства для контроля температуры, то я и сам уже хотел взять микроконтроллер, но задумался, а нужен ли он для такого простого устройства? Устройство собирается за копейки и нам понадобится лишь несколько элементов. Ниже статьи для введения в курс. Если при чтении статьи про RGB усилитель, вы почувствовали непонимание от терминов "компаратор" и "операционный усилитель", то ниже ссылки на странички в википедии. Ита

Как и обещал, продолжаю тему разработки устройства контроля температуры. Расскажу, как при помощи термометра и RGB усилителя для лент сделать контроллер температуры.

Translation to English is here. Также основной канал в telegram.

Широкое распространение микроконтроллеров позволило нам погрузится в новый мир возможностей и устройств, а с появлением Arduino и Raspberry Pi произошел просто взрыв. И все бы хорошо, но контроллеры стали пихать просто в каждое устройство, иногда по делу, а иногда это выглядит как "из пушки по воробьям". Когда мне поставили задачку по изготовлению устройства для контроля температуры, то я и сам уже хотел взять микроконтроллер, но задумался, а нужен ли он для такого простого устройства? Устройство собирается за копейки и нам понадобится лишь несколько элементов. Ниже статьи для введения в курс.

Если при чтении статьи про RGB усилитель, вы почувствовали непонимание от терминов "компаратор" и "операционный усилитель", то ниже ссылки на странички в википедии.

Операционный усилитель — Википедия
Компаратор — Википедия

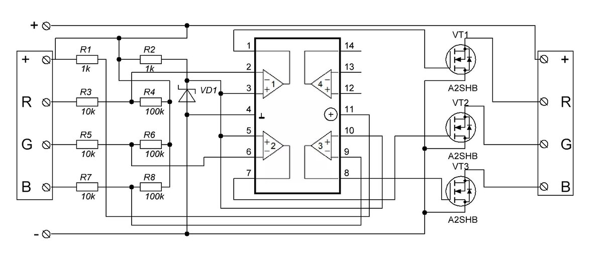
Итак, теперь мы знаем теорию и готовы приступить к сборке. Начнем с того, что нужно нарисовать нормальную схему RGB усилителя.

У нас есть микросхема, в которой есть 4 компаратора, но разведены на плате только 3. Выходы мы уже можем использовать, например подключить 3 лампы уровня "высокий", "средний" и "низкий". Настройкой резисторов на входе компаратора. Так как схема у нас своеобразная, то терморезистор (датчик NTC) мы можем включить только вместо пары R1, VD1. Переменные или постоянные резисторы для настройки уровней мы будем включать соответственно вместо пар R3, R4 для первого уровня, вместо R5, R6 для второго уровня и R7, R8 для третьего. Если настройка уровней не требуется, то лучше использовать постоянные резисторы.

Данное устройство нельзя назвать точным измерительным устройством, поэтому прошу это учитывать при продумывании применения для данного термоконтроллера.

Теперь давайте подумаем, куда и что ставить? В статье про термометр я прикладывал характеристику датчика. Проблема в том, что она не линейная. Напомню график:

-2

Для температуры -25 градусов сопротивление будет 133кОм, а для 125градусов - 339Ом. Это означает, что если мы хотим получить хорошую точность измерения для высоких температур, то резистор нужно будет взять поближе к 500Ом, а если для низких, то 100кОм будет самое оно. Мне ставилась задача на контроль 71 градуса, для которых сопротивление термопары будет ~7.69кОм. На плате как раз есть резисторы на 10кОм, которые мы и будем использовать. Они все должны быть одной партии и характеристики у них должны быть также примерно одинаковыми — это то, что нужно. Если мы контролируем нагрев, то сенсор лучше всего воткнуть вместо резистора (пара R1, VD1). Тогда с ростом температуры будет падать сопротивление и расти напряжение на положительном входе компаратора.

Для экспериментов я установил его вместо диода, поэтому на видео вы увидите, как светодиоды именно гаснут при достижении температуры. Тем самым я эмулирую модель автоматического нагрева (диод горит - нагрев есть, погас - нагрев отключен).

Теперь давайте нарисуем схему именно индикатора, т.е. диоды загорятся по достижению целевой температуры:

-3

Резисторы переменные на 20к позволяют регулировать уставки во всем диапазоне, но если мы хотим измерять температуру в диапазоне 65-115 градусов, то брать номинал выше 2к я не советую. Чем ближе номинал переменного резистора к сопротивлению терморезистора на требуемой температуре, тем легче настраивать схему. А еще рекомендую многооборотные резисторы.

С теорией покончено. Давайте проведем эксперименты. Я использовал только один канал и напряжение питания понизил до 5В, поэтому с ленты, которую использую для индикации, убрал один диод и резисторы.

-4

Далее накидываем тестовые резисторы и проверяем, что все работает

-5

Отлично, концепт работает. Теперь собираю схему и для контроля измеряемой температуры, по старой схеме, соединяю сенсоры проволокой.

И эксперимент ☺.

Результат меня поразил - все заработало сразу. Светодиоды гасли при достижении 70 градусов. Я провел эксперимент несколько раз и результат всегда повторялся. Ниже - только 4 из них, но поверьте - их было значительно больше.

Первое видео. Используется 2 уровня температуры. Красный - близко к достижению, зеленый - достигли. Следует помнить, что термометр замерят температуру не мгновенно, а вот наш термоконтроллер - работает в режиме реального времени. К сожалению, тестовая вода в кружке была не достаточно горячей и целевая температура не была достигнута.

Второе видео. Тут все точно также как и на первом видео, но водичку я все же подогрел. На этот раз мы можем видеть, как отрабатывают оба уровня.

Третье видео. Упростил схему. Используется только один уровень. Наливаем в кружку кипяток и смотрим на результат. Все снова отрабатывает без проблем. Так как вода только вскипела, то датчик нагревается настолько быстро, что термометр вообще не успевает отработать, что хорошо видно на видео.

Четвертое видео. Решил записать полный цикл, т.к. во всех предыдущих видео я снимал только процесс нагрева. В этот раз вода была чуть горячее уставки. Поместил сенсоры в воду → пошел нагрев сенсоров водой → диоды погасли, но это мы уже видели выше 3 раза, а вот на 1:40 вода в кружке остыла, диоды снова загорелись и тем самым просигнализировали нам (в моей модели - это нагреватель и он включился)

Таким образом мы собрали простой термоконтроллер, где при достижении заданной температуры происходит какое-то действие. Вместо светодиодов можно подключить неплохую нагрузку, или реле и управлять чем-то серьезным. Схема простая, теплая и ламповая, собирается на коленке за 15 минут и не требует компьютера.

Подпишитесь, чтобы не пропускать следующий контент.
Нажмите лайк, если интересно, так я пойму какие публикации больше нужны моей публике.
Также публикации можно найти на других площадках: Instagram, telegram (RU, EN, DE), Medium, LiveJournal, YouTube.