Добавить в корзинуПозвонить
Найти в Дзене
Паяльник

Частотный преобразователь своими руками

Иногда в быту возникает необходимость регулировать частоту вращения асинхронного двигателя. У меня например сломалось старенькое точило и решено было его осовременить и исправить недостатки: увеличить мощность и сделать регулировку оборотов, чтобы большие точильные круги не приводили к диким вибрациям. Устройство состоит из: Корректор коэффициента мощности. Он позволяет получить на выходе напряжение выше сетевого выпрямленного (соответственно выше мощность мотора), с более низким уровнем пульсаций и позволяет применить сетевой сглаживающий электролитический конденсатор меньшей величины, ККМ Вещь нужная, особенно для высоких мощностей, когда пиковые токи на электролитах достигают неприличных величин. Контроллер ккм работает в критическом режиме, соответственно можно применить полупроводники с не самыми лучшими характеристиками. Дежурка: выдает два напряжения 15 вольт для питания ккм и модуля IGBT и 5 вольт для микроконтроллера. Модуль IGBT самый дешевый с алиэкспресса что удалось найти

Иногда в быту возникает необходимость регулировать частоту вращения асинхронного двигателя. У меня например сломалось старенькое точило и решено было его осовременить и исправить недостатки: увеличить мощность и сделать регулировку оборотов, чтобы большие точильные круги не приводили к диким вибрациям.

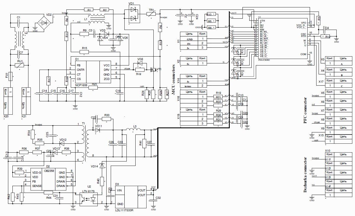
Схема силовой части частотного преобразователя
Схема силовой части частотного преобразователя

Устройство состоит из:

Корректор коэффициента мощности. Он позволяет получить на выходе напряжение выше сетевого выпрямленного (соответственно выше мощность мотора), с более низким уровнем пульсаций и позволяет применить сетевой сглаживающий электролитический конденсатор меньшей величины, ККМ Вещь нужная, особенно для высоких мощностей, когда пиковые токи на электролитах достигают неприличных величин. Контроллер ккм работает в критическом режиме, соответственно можно применить полупроводники с не самыми лучшими характеристиками.

Дежурка: выдает два напряжения 15 вольт для питания ккм и модуля IGBT и 5 вольт для микроконтроллера.

Модуль IGBT самый дешевый с алиэкспресса что удалось найти (FNA41560), на мощность до 1500 Ватт, но это не точно. Модуль содержит 6 транзисторов с драйверами, датчик температуры, вывод аварии и цепи защиты от перегрузки.

Схема микроконтроллера
Схема микроконтроллера

Модулем IGBT управляет STM8S105. Он умеет три комплиментарных вывода ШИМ с аппаратным дедтаймом. Индикация осуществляется TM1637, частота регулируется переменным резистором. Частота регулируется 2-100 Гц, зависимость V/F. Частота работы ШИМ 5 кгц. Логика программы очень проста: Таймер 1 управляет 3 комплиментарными каналами ШИМ, по сигналу от таймера 2 меняется заполнение ШИМ в 3 каналах по таблице синусов со сдвигом 120 градусов, соответственно регулируя частоту срабатывания таймера 2 регулируем частоту вращения двигателя. Между делом измеряется температура, вычисляется положение переменного резистора в выводится информация на индикатор.

Для надежного запуска pfc необходимо перемычкой подать 15 вольт с разъёмы Х1 на вывод 8 D1.

Ниже приведена осциллограмма выходных сигналов ШИМ микроконтроллера сглаженных rc фильтрами при частоте установки 50 Гц со сдвигом фаз 120 градусов.

-3

Устройство реализовано на 4 печатных платах, чтобы поместить в распределительную коробку 120 на 80 мм.

-4

На основной плате расположен сетевой выпрямитель с силовыми элементами ккм, модуль IGBT и колодки коммутации.

-5

На следующих платах выполнен контроллер ккм

-6

Дежурка

-7

Схема микроконтроллера

-8

Фото устройства в сборе

-9

При включении и при крайнем положении переменного резистора на дисплей выводится температура, двигатель не работает.

Далее, поворачивая резистор, изменяется частота вращения двигателя от 1 герца до 100.

-10

При повышении температуры более 40 градусов включается вентилятор. При дальнейшем повышении температуры отключается двигатель до момента остывания IGBT модуля.

Применение ккм позволила достичь коэффициента мощности 0,98 и снизить амплитуду потребляемого тока:

Осциллограмма входного тока с ккм и без, при одинаковой нагрузке

-11

Пиковые значения потребляемого тока от сети заметно ниже и они повторяют форму сетевого напряжения.

Измерение коэффициента мощности с ккм и без, при одинаковой нагрузке(первый параметр - питающее сетевое напряжение, второй - потребляемый ток, третий -коэффициент мощности):

-12

Во вложении исходник программы и печатных плат. В микроконтроллере достаточно места для модернизации (можно добавить реверс, торможение, реализовать работу аппаратного зуммера, подмешать в синус третью гармонику). Данный регулятор рассчитан на мощность около 200 Вт. При использовании на номинальной мощности на силовые полупроводники требуется установить небольшие радиаторы.

Скачать список элементов (PDF)

Прикрепленные файлы:

Автор: Klepko