Добавить в корзинуПозвонить
Найти в Дзене
Лампа Электрика

Удивительно простые Омметр и RC-измеритель В.Ф. Шилова

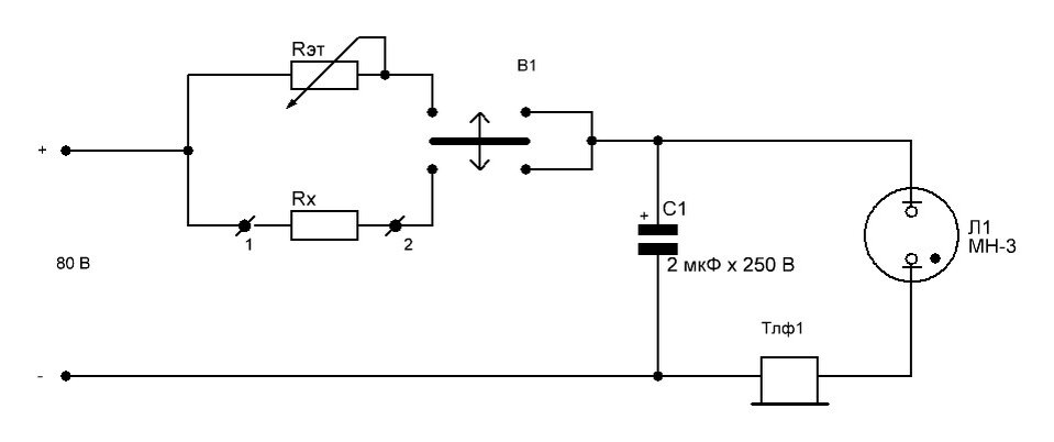
В прошлой статье мы построили вольтметр на обычной неоновой лампе. Сегодня продолжим тему и посмотрим на еще одну интересную разработку В.Ф. Шилова – измеритель емкости и сопротивления. Омметр Предлагаемый прибор позволяет измерять сопротивления в диапазоне от 100 Ом до 100 кОм. Схема достаточно проста, но требует от пользователя хотя бы минимального музыкального слуха. Дело в том, что неоновая лампа здесь используется в качестве генератора звуковой частоты, а определение сопротивления производится на слух. Устройство представляет собой генератор звуковой частоты, образованный головным телефоном Тлф1, неоновой лампой Л1 и одним из резисторов – измерительным Rэт или измеряемым Rх. Питается генератор от любого источника постоянного напряжения величиной 70-100 В. Процесс измерения производят следующим образом. К зажимам 1 и 2 подключают резистор, сопротивление которого надо измерить, а переключатель В1 устанавливают в нижнее по схеме положение. В телефоне появится звук определенной частот
Оглавление

В прошлой статье мы построили вольтметр на обычной неоновой лампе. Сегодня продолжим тему и посмотрим на еще одну интересную разработку В.Ф. Шилова – измеритель емкости и сопротивления.

Омметр

Предлагаемый прибор позволяет измерять сопротивления в диапазоне от 100 Ом до 100 кОм. Схема достаточно проста, но требует от пользователя хотя бы минимального музыкального слуха. Дело в том, что неоновая лампа здесь используется в качестве генератора звуковой частоты, а определение сопротивления производится на слух.

Электрическая схема омметра на неоновой лампе
Электрическая схема омметра на неоновой лампе

Устройство представляет собой генератор звуковой частоты, образованный головным телефоном Тлф1, неоновой лампой Л1 и одним из резисторов – измерительным Rэт или измеряемым Rх. Питается генератор от любого источника постоянного напряжения величиной 70-100 В.

Процесс измерения производят следующим образом. К зажимам 1 и 2 подключают резистор, сопротивление которого надо измерить, а переключатель В1 устанавливают в нижнее по схеме положение. В телефоне появится звук определенной частоты. Затем переключатель устанавливают в верхнее по схеме положение и вращая движок переменного резистора Rэт добиваются звука того же тона. После этого считывают со шкалы резистора, показания.

Номинал сопротивления Rэт не указан, поскольку он может изменяться в широком диапазоне в зависимости от необходимой точности и диапазона измерений. При этом если сопротивление его слишком мало, то емкость С1 увеличивают, а если велико (слишком низкий тон в телефоне) – уменьшают.

Градуируют прибор при помощи обычного омметра, который подключают параллельно потенциометру Rэт. Напряжение питания на схему подавать не нужно. Вращая ручку потенциометра и ориентируясь на показания контрольного омметра, градуируют шкалу. В качестве переключателя В1 удобно использовать кнопку без фиксации. Контролировать совпадение частот в этом случае будет проще. В качестве индикатора используется один капсюль головного телефона сопротивлением 60 – 250 Ом.

Измеритель RC

Конструкция этого прибора несколько сложнее предыдущего, но и умеет он намного больше. Да и работать с этим устройством проще. С помощью него можно измерить сопротивление в диапазоне 10 Ом – 10 МОм и емкость конденсаторов от 10 пФ до 10 мкФ. При этом погрешность измерения составляет 10-15%, что вполне приемлемо для большинства любительских конструкций. Каждый из диапазонов разбит на три поддиапазона. Как и в предыдущей схеме, в качестве индикатора используется головной телефон.

Схема измерителя RC на неоновой лампе и наушнике
Схема измерителя RC на неоновой лампе и наушнике

RC-метр состоит из генератора звуковой частоты и измерительного моста. Генератор собран на неоновой лампе Л1, конденсаторе С4, резисторе R5 и первичной обмотке трансформатора Тр1. Частота генерации – около 1 000 Гц. Питается генератор от источника постоянного напряжения величиной 80-250 В.

Электрические колебания, наведенные во вторичной обмотке трансформатора, питают измерительный мост, в одно из плеч которого подключается измеряемый конденсатор Сх (контакты 2, 3) или резистор Rх (контакты 1, 2).

Если мост разбалансирован, то в телефоне Тлф1 буден слышен звуковой тон, громкость которого зависит от того, насколько велика разбалансировка. Для измерения сопротивления или емкости переключатель устанавливают в нужное положение, выбрав соответствующий поддиапазон, и вращают движок переменного резистора R4, шкала которого проградуирована в соответствующих единицах. Как только мост будет сбалансирован, звук в телефоне станет минимально тихим или пропадет вовсе. Теперь можно считать показания шкалы.

Детали и настройка

Трансформатор Тр1 имеет коэффициент трансформации от 1:1 до 1:10. Самодельный можно намотать на железе площадью 3 - 3.5 см кв. Первичная и вторичная обмотки наматываются проводом ПЭЛ 0.12 – 0.13 и имеют по 1 000 витков (коэффициент трансформации 1:1). Телефон Тлф1 – наушник ТОН-2 с сопротивлением катушки 1 200 Ом. Переключатель В1 – любой на 6 положений.

Номиналы элементов R1 – R3 и С1 – С3 нужно подобрать как можно точнее – от этого будет зависеть точность самого прибора.

На месте Л1 может работать любая малогабаритная неоновая лампа с напряжением зажигания минимум на 20 В ниже, чем напряжение питания устройства. Справочные материалы по миниатюрным неоновым лампам можно посмотреть в статье «Вольтметр на неоновой лампе – это реально». Конструкция RC-измерителя произвольная. У автора прибор выглядел так (фото из журнала МРБ, 1975 г.):

Внешний вид измерителя
Внешний вид измерителя
Внешний вид со стороны монтажа
Внешний вид со стороны монтажа

Откалибровать RC-метр можно либо по эталонным сопротивлениям и конденсаторам, либо при помощи двух омметров. Первый метод точнее, второй доступнее, поскольку найти набор элементов высокой точности сложнее, чем взять омметр у соседа. Градуировка при помощи эталонных резисторов особых пояснений не требует. Подключаем элемент, добиваемся пропадания звука в телефоне, делаем соответствующую пометку на шкале.

С омметрами же поступаем так. Один включают между верхним по схеме и центральным выводом потенциометра R4, второй – между нижним и средним. Движок R4 устанавливается в положение, при котором показания омметров равны. Это положение отмечаю цифрой 1. Далее добиваются показаний омметров 600 и 400 Ом. Здесь делается отметка 3/2. Снова вращают движок, добиваясь показаний 400 и 600 Ом. Это отметка 2/3.

Искомые номиналы вычисляют по формулам:

Rх = n*R, где:

  • Rx – искомая величина;
  • R – R1, R2 или R3 (в зависимости от положения переключателя В1);
  • n – показания на шкале R4.

Cx = n*C, где:

  • Cx – искомая величина;
  • C – С1, С2 или С3 (в зависимости от положения переключателя В1);
  • n – показания на шкале R4.
Полезно! Для калибровки по эталонным элементам совсем необязательно искать набор их с высокой точностью, если у вас есть омметр и измеритель емкости соответствующего класса точности.

Вот вроде и все об этих двух оригинальных устройствах, в качестве измерительного прибора в которых используются наши уши и обыкновенный наушник. Интересно? Несомненно. Полезно? Практически – едва ли. Для общего же развития и понимания процессов – вполне.