Найти в Дзене
Старый радиолюбитель

УПЧ для ленивых.

Усилитель промежуточной частоты является одним из важнейших узлов супергетеродинного приемника, определяющего его чувствительность. В этом весь смысл супергетеродинного приема - основное усиление происходит на фиксированной промежуточной частоте. В ламповых приемниках УПЧ обычно были резонансными, т.е. нагрузкой усилителя был резонансный контур (или несколько связанных контуров), настроенный на частоту ПЧ. Вот как-то так: Примерно такой УПЧ был в моей любимой Ригонде :). В начале эры транзисторов эта-же схемотехника перекочевала в различные Селги, Алмазы и даже Спидолы, хотя кое-что изменилось. Здесь, как и на рис. 1, три каскада усиления ПЧ 465 кГц, каждый из них резонансный, т.е. в коллектор транзистора включен резонансный контур. Но в отличии от ламповой схемы, основная избирательность осуществляется фильтром сосредоточенной селекции (ФСС) - четыре связанных контура на входе УПЧ. Это позволило резко увеличить избирательность по соседнему и зеркальному каналу. Обратите внимание. что

Усилитель промежуточной частоты является одним из важнейших узлов супергетеродинного приемника, определяющего его чувствительность. В этом весь смысл супергетеродинного приема - основное усиление происходит на фиксированной промежуточной частоте.

В ламповых приемниках УПЧ обычно были резонансными, т.е. нагрузкой усилителя был резонансный контур (или несколько связанных контуров), настроенный на частоту ПЧ. Вот как-то так:

Рис. 1. Резонансный УПЧ лампового приемника.
Рис. 1. Резонансный УПЧ лампового приемника.

Примерно такой УПЧ был в моей любимой Ригонде :).

В начале эры транзисторов эта-же схемотехника перекочевала в различные Селги, Алмазы и даже Спидолы, хотя кое-что изменилось.

Рис. 2. УПЧ приемника ВЭФ Спидола (60-е годы).
Рис. 2. УПЧ приемника ВЭФ Спидола (60-е годы).

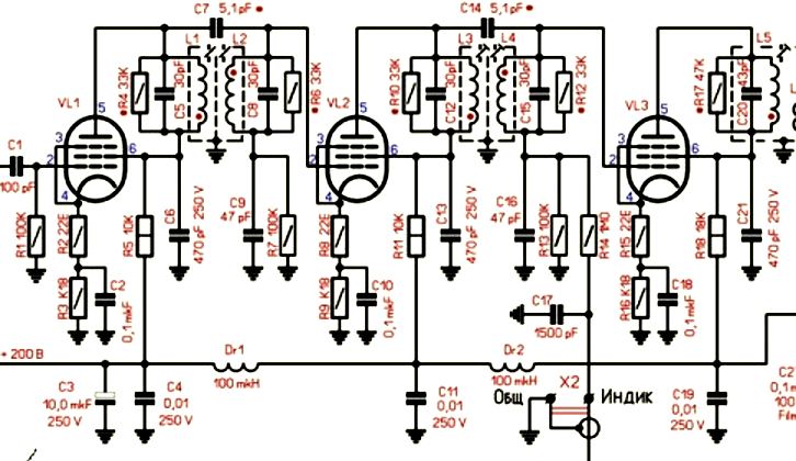
Здесь, как и на рис. 1, три каскада усиления ПЧ 465 кГц, каждый из них резонансный, т.е. в коллектор транзистора включен резонансный контур. Но в отличии от ламповой схемы, основная избирательность осуществляется фильтром сосредоточенной селекции (ФСС) - четыре связанных контура на входе УПЧ. Это позволило резко увеличить избирательность по соседнему и зеркальному каналу. Обратите внимание. что УПЧ собран на низкочастотных транзисторах П41 (П15). Вот они какие были:

Рис. 3. Транзисторы П41.
Рис. 3. Транзисторы П41.

Граничная частота у них всего 1 МГц, поэтому и пришлось использовать целых три транзистора. В более поздних версиях, например Спидола 230, использовались только два каскада УПЧ, но с более высокочастотными транзисторами:

Рис. 4. УПЧ приемника Спидола 230.
Рис. 4. УПЧ приемника Спидола 230.

Граничная частота усиления транзисторов ГТ322 была равна 80 МГц, и, самое главное, эти транзисторы имели низкий по тем временам коэффициент шума - всего 4 дБ.

Постепенно транзисторы становились дешевле и вместо резонансных УПЧ стали использовать различные варианты апериодических усилителей, которые, хотя и состояли из большего количества транзисторов, но не имели ни одного резонансного контура, что сильно облегчало настройку в ограниченности измерительной аппаратуры.

И одной из первых таких схем была схема , опубликованная в журнале Радио №12 за 1968 год в статье В. Носова "Усилители с динамической нагрузкой".

Рис. 5. Апериодический УПЧ на каскадах с динамической нагрузкой.
Рис. 5. Апериодический УПЧ на каскадах с динамической нагрузкой.

В этой схеме основную избирательность осуществляет пьезокерамический фильтр ПФ1П-1М (я сумел купить такой только в конце 70-х). Обратите внимание на диапазон напряжения питания усилителя: от 6 до 15 В, больше, чем в два раза. Но коэффициент усиления при этом меняется незначительно. Это объясняется, что базовый ток транзисторов Т1 и Т3 стабилизирован стабилитроном Д3, включенном в прямом направлении. На первый каскад (Т1) последовательно со смещением подается еще и постоянная составляющая детектора Д1,Д2, выполненная по схеме удвоения. Транзисторы Т2 и Т4 являются динамическими нагрузками Т1 и Т3 соответственно.

Термином «динамическая нагрузка» называют нелинейные элементы с большим сопротивлением переменному току (большим дифференциальным сопротивлением) и малым сопротивлением по постоянному току, используемые вместо резисторов в выходных цепях усилительных элементов. Если вы сопоставите это с параметрами резонансного контура, то станет ясно, что на резонансной частоте контур эквивалентен динамической нагрузке - имеет высокое сопротивление на частоте ПЧ и малое - для постоянного тока. Зато, в отличии от контура, динамическую нагрузку в резонанс настраивать не нужно.

Общий коэффициент усиления двух каскадов - более 70 дБ на частоте 465 кГц. При изменении уровня сигнала на входе на 60 дБ на выходе сигнал на выходе меняется на 14 дБ.

Этот отличный УПЧ мне пришлось налаживать при сборке приемника Колос, о котором я уже писал.

Рис. 6. Схема радиоприемника Колос.
Рис. 6. Схема радиоприемника Колос.

УПЧ2 465 кГц (в этом приемнике две ПЧ) точно такой же, как на рис. 5. Фишечка в том, что этот приемник можно использовать как для приема АМ- радиостанций, та к и любительских CW и SSB. Если для приема АМ используется детектор по схеме удвоения, как на рис. 5, то в режиме приема телеграфа и однополосного сигнала на базу второго каскада (VT8) подается сигнал несущей от генератора на транзисторе VT10. В приемнике действие АРУ лучше, так как регулируется не только УПЧ2, но и УПЧ1 (VT3).

Этот УПЧ вполне можно применить и с ЭМФ на 500 кГц, усиление и другие параметры останутся теми же. А вот как этот усилитель будет смотреться в приемнике с кварцевым фильтром? Ведь там частоты на порядок выше. И, конечно, нужно переделать все на n-p-n транзисторы, да в добавок, кремниевые. Думаю, у многих не один десяток КТ315 найдется, почему же их не использовать?

Чтобы посмотреть АЧХ усилителя, построил модель в LTSpice.

Рис. 7. Схема усилителя в LTSpice.
Рис. 7. Схема усилителя в LTSpice.

На рисунке указаны напряжения постоянного тока, смещение на базу Q1 подано от отдельного источника с целью изучить зависимость коэффициента усиления от напряжения АРУ.

Рис. 8. АЧХ усилителя.
Рис. 8. АЧХ усилителя.

Оказалось, что на частоте 500 кГц усиление оказалось больше, чем приведенное в журнале Радио (более 80 дБ) и плавно снижалось с увеличением частоты до примерно 70 дБ на 10 МГц. Это говорит о том, что этот УПЧ вполне можно использовать и в приемнике с кварцевыми фильтрами.

И вот какая у меня получилась схема.

Рис. 9. Схема апериодического УПЧ для АМ/SSB/CW - приемника с кварцевым фильтром.
Рис. 9. Схема апериодического УПЧ для АМ/SSB/CW - приемника с кварцевым фильтром.

Так как полярность питающего напряжения и структура транзисторов поменялась, то изменилась и полярность включения стабилитронов стабилизатора и диодов детектора. Так как напряжение открывания кремниевых транзисторов выше чам германиевых, в стабилизаторе пришлось включить два стабилитрона последовательно. Можно использовать любые маломощные стабилитроны, например, Д814, КС147,156,168 и т.д., а также кремниевые диоды КД503, КД522 и т.д. В детекторе так же подойдут КД503 и т.д.

С помощью R1 и R8 устанавливаем напряжение на эмиттерах VT1, VT4, как на схеме (рис. 7), а резисторами R4, R6 - на эмиттерах VT2, VT3.

Выход АМ детектора можно подключить к входу УНЧ, а с эмиттера VT5 я предполагаю подавать сигнал на подчисточный фильтр с переключаемой полосой пропускания. а с его выхода - на смесительный детектор на полевом транзисторе (по схеме В.Т. Полякова).

Рис. 10. Схема смесительного детектора и кварцевого генератора.
Рис. 10. Схема смесительного детектора и кварцевого генератора.

Полевой транзистор можно использовать типа КП302, КП303, КП307, а в кварцевом генераторе - любой среднечастотный или высокочастотный транзистор (КТ312, 315, 316, 3102 и т.д. )

Теперь немного о шумах УПЧ. Конечно, если возможно, в качестве VT1 (рис. 9) нужно использовать транзистор с минимумом собственных шумов. Из отечественных - проверенный временем КТ368 или менее известный КТ382. Еще напомню, что шумы можно снизить, включив транзисторы параллельно. При этом шумы будут снижаться в (квадратный корень из количества транзисторов) раз. Но в этом случае нужно уменьшить сопротивление резистора R2 (рис. 9) во столько раз, сколько транзисторов включено параллельно. В свое время, я использовал этот способ. соединяя параллельно 4 шт ГТ310.

Завтра буду рисовать плату и посмотрю, что получиться в натуре.

Всем здоровья и успехов!