Добавить в корзинуПозвонить
Найти в Дзене

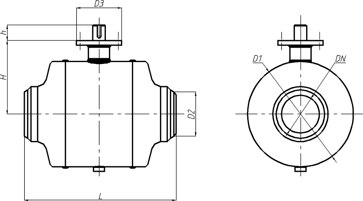
Шаровый кран высокого давления полнопроходной УГРЕША DN600 PN 6,3-16 МПа

Рабочая среда природный газ T⁰c рабочей среды до ≈+100⁰с Класс герметичности "а" по гост 9544-2015 Характеристики Шпиндель - сталь 20х13, сталь 40х Кольца уплотнительные - пентасил-1627, пентасил-1629, epdm (этилен-пропиленовый каучук) Корпус, горловина - сталь 20гл Патрубок - сталь 20гл Пробка - сталь 09г2с Седло - peek (полиэфирэфиркетон) Пружина витая - сталь пружинная 60с2а Преимущества применения Услуги (включено) Дополнительные услуги Наш сайт: https://uztpa.ru/ Контакты: https://uztpa.ru/kontakty/ Адрес производства: 140093, Московская область, г. Дзержинский, ул. Лесная, д. 34 Телефон: +7 (495) 120-57-89 – многоканальный
Оглавление

Рабочая среда природный газ

T⁰c рабочей среды до ≈+100⁰с

Класс герметичности "а" по гост 9544-2015

Характеристики

Шпиндель - сталь 20х13, сталь 40х

Кольца уплотнительные - пентасил-1627, пентасил-1629, epdm (этилен-пропиленовый каучук)

Корпус, горловина - сталь 20гл

Патрубок - сталь 20гл

Пробка - сталь 09г2с

Седло - peek (полиэфирэфиркетон)

Пружина витая - сталь пружинная 60с2а

-2
-3

Преимущества применения

  • Возможность использования на трубопроводах природного газа с давлением до 16 Мпа и температурой рабочей среды до 100°С.
  • Подходит для эксплуатации на особо ответственных участках трубопровода.
  • Полная герметичность перекрытия потока среды.
  • Современная конструкция, максимально подходящая для российских условий эксплуатации.
  • Конкурентоспособная цена.

Услуги (включено)

  • Установка и настройка приводных устройств
  • Стандартная гарантия

Дополнительные услуги

  • Выезд специалистов предприятия на объекты эксплуатации
  • Установка приводных устройств заказчика
  • Удлиненный шток для подземной установки
  • Покрытие усиленного типа
  • Приварка переходных колец
  • Полиэтиленовые патрубки
  • Доставка продукции до склада потребителя
  • Обучение специалистов заказчика

Наш сайт: https://uztpa.ru/

Контакты: https://uztpa.ru/kontakty/

Адрес производства: 140093, Московская область, г. Дзержинский, ул. Лесная, д. 34

Телефон: +7 (495) 120-57-89 – многоканальный