Добавить в корзинуПозвонить
Найти в Дзене
Теллур Электроникс

Компания AT Microwave выпустила модуль малошумящего усилителя AT-LNA-0003-2801X

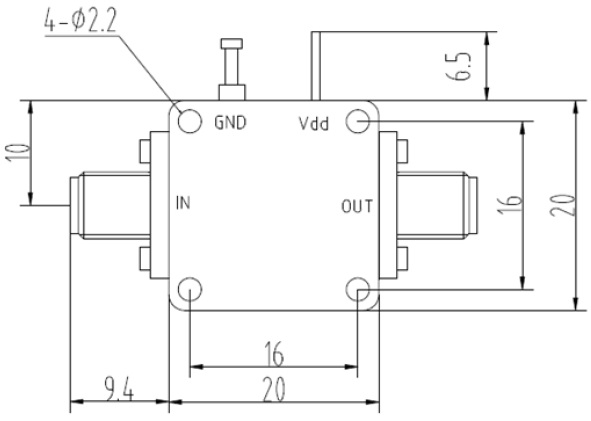
AT-LNA-0003-2801X – это малошумящий усилитель в форм-факторе модуля. Для питания модуля нужно всего одно напряжение питания, которое может варьироваться от 5 до 8 вольт без дополнительного охлаждения и может быть увеличено до 12 вольт, если организовать соответствующее охлаждение. Рекомендуется использовать радиатор, если во время работы температура модуля превышает 50°С. При напряжении питания 5 вольт средний ток потребления составляет 100 мА. Вход и выход сигнала организован через коннекторы SMA. По заказу этот модуль может быть изготовлен с расширенным диапазоном рабочих температур: от -40°C до +85°C и с расширенным динамическим диапазоном: мощность, при которой наступает компрессия в 1 дБ может быть увеличена до +36 дБм. Типовые технические характеристики:

AT-LNA-0003-2801X – это малошумящий усилитель в форм-факторе модуля. Для питания модуля нужно всего одно напряжение питания, которое может варьироваться от 5 до 8 вольт без дополнительного охлаждения и может быть увеличено до 12 вольт, если организовать соответствующее охлаждение. Рекомендуется использовать радиатор, если во время работы температура модуля превышает 50°С. При напряжении питания 5 вольт средний ток потребления составляет 100 мА. Вход и выход сигнала организован через коннекторы SMA. По заказу этот модуль может быть изготовлен с расширенным диапазоном рабочих температур: от -40°C до +85°C и с расширенным динамическим диапазоном: мощность, при которой наступает компрессия в 1 дБ может быть увеличена до +36 дБм. Типовые технические характеристики:

  • Диапазон рабочих частот: 100 МГц – 3,5 ГГц;
  • Коэффициент шума: 1дБ;
  • Коэффициент усиления: 30 дБ;
  • Неравномерность коэффициента усиления: ±1дБ;
  • Мощность компрессии 1дБ (P1): +18 дБм;
  • Диапазон рабочих температур: от -20°C до +70°C;
  • Габариты: 20Х20Х8 мм