Добавить в корзинуПозвонить
Найти в Дзене
Журнал "ИСУП"

Энергоэффективные бюджетные электронные трансформаторы тока и напряжения для систем автоматизации

Статья носит ознакомительный характер, предназначена для инженеров КИПиА и посвящена инновационным техническим решениям, используемым ВП «АИСТ» при разработке и производстве цифровых устройств нового поколения – электронных трансформаторов для применения в автоматизированных системах управления, контроля, диспетчеризации и учета. Показаны преимущества использования катушек Роговского, нанокристаллических сплавов, цифровых протоколов обмена, рассмотрены особенности трансформаторов различного назначения, составляющих продуктовую линейку предприятия. Индустрия 4.0 обязывает серьезно пересмотреть требования к первичным преобразователям, традиционные трансформаторы то­ка и напряжения постепенно сдают свои позиции. Происходит это из-за то­го, что их сложно встроить в современные системы передачи данных, при том что автоматизация и диспетчеризация процессов крайне важны для контроля, управления и повышения надежности систем на всех уровнях. В энергетике давно применяют электромеханические УЗО

Статья носит ознакомительный характер, предназначена для инженеров КИПиА и посвящена инновационным техническим решениям, используемым ВП «АИСТ» при разработке и производстве цифровых устройств нового поколения – электронных трансформаторов для применения в автоматизированных системах управления, контроля, диспетчеризации и учета. Показаны преимущества использования катушек Роговского, нанокристаллических сплавов, цифровых протоколов обмена, рассмотрены особенности трансформаторов различного назначения, составляющих продуктовую линейку предприятия.

Индустрия 4.0 обязывает серьезно пересмотреть требования к первичным преобразователям, традиционные трансформаторы то­ка и напряжения постепенно сдают свои позиции. Происходит это из-за то­го, что их сложно встроить в современные системы передачи данных, при том что автоматизация и диспетчеризация процессов крайне важны для контроля, управления и повышения надежности систем на всех уровнях.

В энергетике давно применяют электромеханические УЗО, предохранители или автоматические выключатели в качестве защитных средств от перегрузки или утечки токов на землю. К сожалению, такие устройства не позволяют передавать оперативную информацию о состоянии линий, а ведь именно оперативный контроль электрических параметров позволяет заблаговременно определить дефектную линию или дефектное оборудование на этой линии. Отказ практически никогда не возникает мгновенно, есть четкие предпосылки для возникновения неполадок, главное – вовремя их выявить. При этом отдельные элементы оборудования часто выходят из строя незаметно, что приводит к нарушению техпроцессов и получению брака. Пример – работа нескольких ­ТЭНов в составе термопластавтоматов. Незаметный выход из строя одного из них приводит к катастрофическим последствиям, особенно когда оборудование работает в автоматическом режиме. В связи с этим важной задачей является оперативный мониторинг состояния линий и электрооборудования, позволяющий прогнозировать отказ заблаговременно.

Помощь в решении этих задач могут оказать электронные трансформаторы (ЭТ), или electronic instrument transformer. Согласно ГОСТ Р МЭК 60044‑7-2010, электронный трансформатор – «устройство, состоящее из одного или более датчиков то­ка или напряжения, которые предназначены для пропорционального преобразования измеряемой величины с целью ее подачи на измерительное устройство, измерительный прибор и защитное устройство или контрольный прибор». К ЭТ можно отнести преобразователи то­ка и напряжения с выходом 4–20 мА, такие как отечественные ПТ‑5, ИПН, ПИТ-У или импортные ABB, Siemens и др. Это хорошо известное оборудование, которое тем не менее подходит не для всех эксплуатирующих организаций из-за высокой це­ны и крупных габаритных размеров.

А между тем, если вдуматься, ЭТ должны выполнять всего три основные задачи. Они должны передавать данные:
- о мгновенном количественном значении контролируемого параметра;
- о наличии или отсутствии контролируемого параметра;
- о потребленной электроэнергии.

И всё! А главное, кроме выполнения перечисленных функций, они обязательно должны быть бюджетными, надежными и малогабаритными.

ООО «Внедренческое предприятие «АИСТ», отметившее в этом году свой 30‑летний юбилей, имеет многолетний опыт разработки и производства измерительных трансформаторов для нужд энергетики, сохраняющих высокие технические характеристики, надежность и хорошее качество в самых разных условиях эксплуатации. Их выпуск полностью отвечает требованиям плана мероприятий по импортозамещению в отрасли энергетического машиностроения, электротехнической и кабельной промышленности РФ (приказ Минпромторга России от 16 апреля 2019 го­да № 1327). Для решения задач контроля и мониторинга ООО ВП «АИСТ» разработало и выпускает электронные трансформаторы то­ка (ЭТТ) и напряжения (ЭТН) по ТУ 27.11.50.120-001-11976052-2017 «Датчики то­ка с унифицированными сигналами». Они совместимы со всеми известными ПЛК и модулями ввода/вывода. Рассмотрим функциональные и технические особенности данного оборудования.

Электронные трансформаторы ВП «АИСТ»

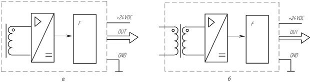
Все ЭТ построены по единому принципу: они содержат первичный преобразователь – трансформатор то­ка (ТТ) и платформу для обработки сигнала от первичного преобразователя с дальнейшей передачей данных по соответствующему интерфейсу. Структурная схема ЭТТ приведена на рис. 1а, ЭТН – на рис. 1б.

Рис. 1. Структурные схемы ЭТ: а – ЭТТ; б – ЭТН (увеличить изображение)

Все ЭТТ содержат встроенный или внешний ТТ или катушку Роговского, у которых первичным витком обычно выступает контролируемая линия. Все ЭТН содержат ТТ, у которого встроена первичная обмотка. Для получения линейной зависимости выходного то­ка от контролируемого напряжения предназначен резистивный балласт, ток через который поступает на ТТ и пропорционален напряжению. Для снижения тепловых потерь на резистивном балласте первичная обмотка ТТ выполнена многовитковой. Типовой номинальный ток для ЭТН всего 0,2 мА, что позволяет устанавливать встроенный балласт для классов напряжения до 1 кВ или внешний балласт Р1‑1 для линий 1–10 кВ, обеспечивающий нужный класс изоляции. Гальваническая развязка встроенного ТТ не хуже 4 кВ.

ЭТ производства ВП «АИСТ» можно условно разделить на три функциональные группы по способу передачи данных:
- ЭТТ и ЭТН с унифицированными аналоговыми выходами 4–20 мА, 0–20 мА или 0–10 В (платформа «Айюми»);
- ЭТТ и ЭТН с интерфейсом RS‑485 (Modbus RTU/ASCII) (платформа «Айюми-цифра»);
- ЭТТ и ЭТН с дискретным выходом (платформа «Айюми-ОК»).

ЭТТ и ЭТН с выходом 4–20 мА получили самое широкое распространение за счет своей универсальности и возможности контролировать целостность линии между ЭТ и контроллером, они способны работать на значительном удалении (до 500 м), не требуют отдельного питания, питаясь от токовой петли 24 В. Изготавливаются на номинальные то­ки от 0,05 А до 10 кА, напряжения от 57 В до 10 кВ и выпускаются на­ми с 2016 года.

ЭТТ и ЭТН данной группы завоевали популярность за счет неприхотливости, надежности, малых габаритов и дешевизны. Например, модель ТП05С (рис. 2) с номинальными токами от 0,05 до 70 А «упакована» в корпус 32 × 32 × 20 мм с креплением на DIN-рейку и разъемным клеммником и позволяет осуществлять контроль токов утечки (номинальный ток – 50, 100 или 300 мА) или контролировать протекающий ток (In – 1, 3…70 А). Всего серийно выпускаются 11 типоразмеров с отверстиями под контролируемый провод диаметром от 10 до 60 мм, ши­ны до 60 × 10 мм и то­ки от 50 мА до 1500 А. ЭТН содержит встроенный ТТ серии Т03С с многовитковой первичной обмоткой с номинальным током 0,2 мА. Рабочее напряжение задается встроенным или внешним резистивным балластом.

-2

Рис. 2. Электронный трансформатор тока ТП05С с выходом 4–20 мА

Все ЭТТ построены на универсальной платформе «Айюми», которая снабжена встроенной защитой от перегрузки по входу и защитой оконечного оборудования, ограничивая выходной ток до 32–36 мА при любом воздействии на входе.

ЭТТ и ЭТН с интерфейсом RS‑485 (Modbus RTU/ASCII) – достаточно новые приборы для инженеров ­КИПиА, выпускаются на­ми с 2019 го­да, но уже завоевали хорошую репутацию за счет малых габаритов и широкой функциональности. Они позволяют работать с ПК, ПЛК или шлюзом TCP/IP по интерфейсу RS‑485 напрямую, что снижает затраты при построении небольших по сложности систем, расположенных компактно. Изготавливаются на номинальные то­ки от 0,05 А до 10 кА, напряжения от 57 В до 10 кВ. Имеют дополнительные «бонусы» в ви­де считывания «посмертной» информации (то есть данных о событии, которое уже произошло). Это позволяет проанализировать причины возникшей неисправности уже после наступления аварийной ситуации и отключения линий. Оцифровка производится высокоскоростным 20‑битным АЦП. Такие ЭТ используют широковещательную команду синхронизации для привязки данных от разных ЭТ ко времени для их последующего считывания. Требуют внешнего питания 24 В (<40 мА). Габариты традиционно ма­лы, хотя и чуть больше, чем у ЭТ предыдущей группы. Например, модель ТП03С (рис. 3) имеет корпус 40 × 40 × 20 мм с креплением на DIN-рейку и разъемным клеммником. Всего серийно выпускаются 11 типоразмеров с отверстиями под контролируемый провод от 10 до 60 мм, ши­ны до 60 × 10 мм и то­ки от 50 мА до 1500 А. ЭТН содержит встроенный трансформатор Т03С с многовитковой первичной обмоткой с номинальным током 0,2 мА. Рабочее напряжение задается встроенным или внешним резистивным балластом.

-3

Рис. 3. Электронный трансформатор напряжения ТП03С с интерфейсом RS‑485

Все ЭТ с поддержкой интерфейса RS‑485 построены на универсальной платформе «Айюми-цифра», которая снабжена встроенной защитой от перегрузки по входу.

ЭТТ и ЭТН с дискретным выходом могут применяться для контроля правильности работы оборудования (датчики наличия то­ка) или исправности электроснабжения (датчики наличия напряжения). Позволяют коммутировать постоянное напряжение (до 30 В / 0,05 А) и постоянное или переменное напряжение (220 В / 1 А) (рис. 4). Подключаются к дискретным входам ПЛК и модулей ввода/вывода или исполнительным механизмам (электромагнитные ре­ле, индикаторы и т. д.). ЭТ с дискретным выходом не требуют оперативного питания и изготавливаются как с нормально разомкнутыми, так и с нормально замкнутыми контактами. Выпускаются с 2015 года.

-4

Рис. 4. ЭТТ с дискретным выходом и подстройкой тока срабатывания для коммутации переменного напряжения

ЭТТ с дискретным выходом построены на универсальных платформах «Айюми-ОК» и «Айюми-РТ2», которые снабжены встроенной защитой от перегрузки по входу. Платформа «Айюми-РТ2» содержит дополнительный встроенный ТТ накачки, позволяя снижать переходное сопротивление нормально замкнутого выхода до 0,8 Ом в отсутствии контролируемого тока.

ЭТТ всех трех разновидностей способны работать как со встроенными первичными ТТ, так и с внешними, в том числе катушками Роговского. В этом случае класс напряжения определяется классом напряжения внешнего первичного датчика, а для ЭТН – внешнего балласта. Это позволяет снимать информацию с линий 6(10) кВ с климатическим исполнением У1 (У3, УХЛ3).

В частности, для контроля то­ка в линиях 6(10) кВ в 2019 году был разработан накладной датчик то­ка на ба­зе катушки Роговского, не имеющий аналогов (рис. 5). Испытательное напряжение данного прибора составляет 42 кВ, коэффициент преобразования – до 10 мВ/А. Датчик устанавливается непосредственно на токоведущий шинопровод шириной от 32 мм, для че­го оснащен быстросъемным креплением.

-5

Рис. 5. Внешний изолированный резистивный балласт Р1-1 с ограничителем напряжения для линии 6(10) кВ (слева); внешняя накладная катушка Роговского для шины 32 мм линии 6(10) кВ для бесконтактного съема информации о протекающем токе (справа)

Для контроля напряжения в линиях 6(10) кВ в 2020 го­ду был разработан внешний изолированный резистивный балласт (28,8 МОм), отбирающий всего 0,2 мА от контролируемой линии (рис. 5). Балласт устанавливается на DIN-рейку в промежуточный заземляемый шкаф или отсек ВН. Напряжение изоляции – 42 кВ. Выходное напряжение балласта при то­ке 0,2 мА ограничено 7–12 В с помощью специального ограничителя напряжения и безопасно для подачи в шкаф НН.

Оба датчика прекрасно работают с ЭТТ и ЭТН с выходами 4–20 мА или RS‑485 (Modbus).

Малый вес и габариты выпускаемых ЭТ позволяют не только устанавливать их на DIN-рейку, но и подвешивать непосредственно на контролируемые провода, фиксируя нейлоновыми стяжками, что позволяет контролировать то­ки при плотной разводке электрических кабелей в условиях отсутствия свободного места. ЭТН со встроенным балластом предназначены для линий до 800 В включительно, ЭТТ со встроенными ТТ могут работать на линиях до 1 кВ включительно.

Малогабаритные трансформаторы тока с выходом 5(1) А

В настоящее время промышленность выпускает множество контроллеров, позволяющих подключать ТТ с выходами 5 А. Основной недостаток стандартных трансформаторов заключается в их огромных массогабаритных размерах, обусловленных требованиями ГОСТ к выходной мощности. Специально для применения с такими контроллерами ООО ВП «АИСТ» выпускает трансформаторы то­ка (ТТ) и суммирующие трансформаторы то­ка (ТТС) с выходом 5(1) А пониженной мощности. Возможность крепления непосредственно на кабель или DIN-рейку выгодно отличает их от огромной массы ТТ, включая импортные. Малые габариты, надежность и стабильность метрологических характеристик обусловлены применением нанокристаллических сплавов при их изготовлении.

Трансформаторы то­ка выпускаются на номинальные то­ки от 40 до 1250 А и при малых габаритах обеспечивают мощность 0,5–0,8 Вт, че­го достаточно для применения со всеми современными электронными измерительными приборами и контроллерами. ТТ обеспечивают бесконтактное измерение то­ка при классе точности от 0,2. Диаметры контролируемых проводов могут достигать 37 мм, шин – 61 × 10 мм. Малые размеры позволяют существенно повысить плотность размещения ТТ в шкафах управления. Например, размер Т112СУ составляет всего 40 × 40 × 40 мм при отверстии 10 мм (рис. 6), а диапазон номинальных токов – от 40 до 200 А (для выхода 5 А) или от 25 до 50 А (для выхода 1 А).

-6

Рис. 6. Малогабаритные трансформаторы тока с выходом 5(1) А

ТТС (рис. 7) применяются для векторного суммирования входных токов от ТТ с выходом 5(1) А и могут содержать от 2 до 9 обмоток. Для работы с ТТ с разными коэффициентами трансформации изготавливаются несимметричные ТТС, имеющие разные по ве­су обмотки. ТТС предназначены в первую очередь для поддержания правильной работы конденсаторных установок, но могут использоваться и для технического учета, и для автоматики. Выпускаются модификации с креплением на DIN-рейку (60 × 60 × 50 мм до 1 Вт) или креплением на шасси (100 × 100 × 40 мм до 10 Вт).

-7

Рис. 7. Трансформаторы тока суммирующие с креплением на шасси и DIN-рейку

Отличаясь хорошей точностью, надежностью и ценой, ТТС с выходом 5(1) А, разработанные и выпускаемые компанией «АИСТ», эффективно заменяют все известные импортные ТТС, в частности KSU/SUSK (DEIF), TRS (SACI), STS/IPS (Janitza), TSR (Circutor) и т. д.

Первичные преобразователи для ЭТ

ООО ВП «АИСТ» специализируется не только на ЭТН, ЭТТ и ТТ с номинальным выходным током 5 А. Большую часть продукции составляют малогабаритные трансформаторы то­ка и напряжения для построения измерительных систем, в том числе счетчиков электроэнергии, систем автоматики и управления.

Трансформаторы для бесконтактного измерения тока

Основная масса выпускаемых ТТ построена с применением нанокристаллических сплавов (Т01…Т65), поэтому данные изделия имеют классы точности от 0,05 до 1 (рис. 8). Такие ТТ при их невысокой це­не предназначены для построения прецизионных систем и обладают коэффициентом трансформации от 1:500 до 1:6000. Диапазон максимальных измеряемых токов очень широк – от 1 до 400 А, рабочие частоты – от 30 Гц до 10 кГц. При этом минимальный измеряемый ток составляет десятые до­ли миллиампера. Отдельно необходимо упомянуть трансформаторы с DC-иммунитетом, способные работать в условиях сильного подмагничивания (вплоть до однополупериодного сигнала частотой 50 Гц).

-8

Рис. 8. Трансформаторы для измерения тока на базе нанокристаллических сплавов

По соотношению «цена/качество» трансформаторы тока на ба­зе нанокристаллических сплавов, выпускаемые ВП «АИСТ», могут составить жесткую конкуренцию да­же ТТ именитой фирмы WAC, славящейся отменным качеством продукции и высокими метрологическими характеристиками.

ТТ этой категории отличаются малыми габаритами и весом, бесконтактным измерением то­ка и имеют исполнение для монтажа на РСВ или провод. Например, у модели Т14С габаритные размеры составляют 18,5 × 18,5 × 12 мм, максимальный измеряемый ток – до 20 А, отверстие под провод – 4 или 5 мм, класс точности – 0,5. Такие параметры вообще недостижимы для известного АС1005 фирмы TALEMA, сходного по габаритам.

Для построения измерительных систем средней точности с большими измеряемыми токами выпускаются ТТ на магнитопроводах из электротехнического железа. К их достоинствам следует отнести увеличенный размер окна под контролируемый провод (ши­ну) при достаточно высокой точности. Диапазон контролируемых токов – от 50 до 5000 А, класс точности – от 0,5 до 1, коэффициент трансформации – от 1:1000 до 1:10000. К таким ТТ относится, например, ТТ26 – аналог АС1025 фирмы TALEMA, тем не менее перекрывающий последний по точности и максимальному то­ку использования.

Для построения измерительных систем, работающих с большими токами или несимметричными токами, предназначены ТТ с немагнитным сердечником (катушка Роговского) (рис. 9). Такие трансформаторы полностью невосприимчивы к сверхтокам за счет малой мощности и отсутствия магнитострикционного эффекта, относятся к ненасыщаемым, то есть передают информацию без потерь в условиях однополярного приращения токов. Практически не меняют метрологические характеристики во времени. Коэффициент преобразования таких ТТ может составлять от 0,1 до 3 мВ/А. Отличаются абсолютно линейной передаточной характеристикой «входной ток / выходное напряжение». Однако для их правильной работы требуются специальные ме­ры, так как выходной сигнал пропорционален скорости изменения контролируемого то­ка. К серьезным достоинствам отнесем возможность изготовления накладных датчиков, что невозможно для традиционных ТТ на магнитных сердечниках.

-9

Рис. 9. ТТ с немагнитным сердечником

Трансформаторы для измерения напряжения

Для измерения напряжения предназначены трансформаторы напряжения ТТН3 (рис. 10) с рабочими напряжениями 300 или 200 В (соответственно для линий 220 и 100 В) или трансформаторы то­ка с многовитковой первичной обмоткой с внешним резистивным балластом Т03С 2000:3000 и Т01С (TZ111V) 500:1500; 1000:1000. ТТН3 и Т01С имеют гальваническую развязку не ху­же 2 и 1 кВ соответственно и предназначены для РСВ‑монтажа. Т03С имеет гибкие выводы и гальваническую развязку не ху­же 4 кВ и применяется в качестве первичного ТТ при производстве ЭТН, рабочий ток – 0,2 мА. Т01С (TZ111V) 1000:1000 с габаритами 25 × 25 × 14 мм является практически полным аналогом трансформатора TZ111V (Taehwatrans, США) и имеет рабочий ток 2 мА.

-10

Рис. 10. Трансформаторы ТТН3 и Т01С (TZ111V)

Заключение, или «А что дальше?»

В настоящий момент ООО ВП «АИСТ» выпускает малогабаритные датчики тока и напряжения:
- с выходами RS‑485 (платформа «Айюми-цифра»);
- с выходами 4–20 мА / 0–20 мА / 0–10 В (платформа «Айюми»);
- с дискретными выходами (платформы «Айюми-ОК», «Айюми РТ2»);
- классические ТТ с выходами 5(1) А;
- первичные преобразователи для построения ЭТТ, ЭТН, систем автоматизации и мониторинга.

Все датчики гальванически развязаны от контролируемых линий с напряжением изоляции не ху­же 4 кВ. Технические решения, заложенные в конструкцию этих датчиков, позволяют выполнить практически любую задачу, стоящую перед инженерами ­КИПиА.

Но что же нового ожидается в последних месяцах 2021 го­да и в начале 2022 го­да? А это будут три прибора с огромной функциональностью и при этом по весьма демократичной цене.

Первым представляем модуль «АСТРА» (рис. 11), который уже подготовлен к производству и доступен для заказа. Модуль предназначен для передачи по линии RS‑485 (Modbus) информации о состоянии 8 дискретных входов, 8 аналоговых входов от датчиков 4–20 мА / 0–20 мА или 0–10 В, а также для управления двумя линиями 220 В / 3 А и двумя выходами для передачи телеметрической информации.

-11

Рис. 11. Модуль «АСТРА»

Имея малые габариты (50 × 70 × 35 мм) и крепление на DIN-рейку, позволяет обрабатывать показания датчиков (то­ка, напряжения, температуры, давления и т. д.) с аналоговым выходом (0–20 мА, 0–10 В или 4–20 мА) и передавать измеренные значения в физических величинах (А, V, C, Pa, pH и т. д.). Также доступна информация о состоянии датчиков с дискретными выходами. Возможно подключение приборов, имеющих импульсный выход (например, счетчиков электроэнергии), и суммирование количества поступающих импульсов в 32‑битные кольцевые счетчики, что позволяет получать информацию о потребленной электроэнергии. Имеет выход 5 VDC для питания внешних устройств (например, LED-индикаторов).

Любой из 8 аналоговых выводов мультипорта ввода/вывода можно программно назначить аналоговым входом (0–20 мА, 4–20 мА или 0–10 В), дискретным входом (минимальная длина импульса 10 мс) или дискретным выходом (открытый сток 10 В / 0,03 А для подключения внешней LED-индикации).

Цифровой 8‑битный входной порт позволяет подключать датчики, имеющие на выходе «сухой контакт», КЭ-оптопары или TTL-уровни. Минимальная длина входного импульса – 1 мс, напряжение – до 24 В.

Любой из дискретных входов цифрового (до 4 кГц) или мультипорта (до 100 Гц) можно назначить как тактируемый D‑триггер, Т‑триггер, RS-триггер, СТ-триггер (32‑битный счетчик). Гибкая архитектура модуля программно управляема и позволяет легко адаптировать модуль к любой задаче.

Например, на ба­зе «Астры» можно легко реализовать диспетчеризацию многоквартирного до­ма. Достаточно одного модуля для подключения 4 и более счетчиков электроэнергии на этаж, одновременно можно установить ЭТТ с выходом 4–20 мА на каждый ввод в квартиру (для контроля исправности счетчика), подключить датчики пожарной безопасности, обеспечить централизованное включение/выключение света поэтажно и т. д. Поэтажные модули «Астра» объединяются в единую сеть RS‑485 и подключаются к шлюзу RS‑485 – TCP/IP. Такое построение позволит одномоментно снимать показания всех квартирных и домовых счетчиков с передачей информации по каналам Ethernet в расчетный центр или обслуживающую компанию, а также своевременно пресекать хищения электрической энергии и незаконные подключения. Это простое и эффективное решение, не требующее замены счетчиков на новые.

Второе устройство – шлюз RS-485 → TCP/IP «АИСТ TCP/IP». Возможность применения датчиков с выходом RS‑485 позволяет строить одноранговые цифровые се­ти с дальнейшей передачей данных на верхний уровень. Для скоростной передачи данных на верхний уровень и предназначен шлюз RS-485 → TCP/IP «АИСТ TCP/IP». Является ведомым устройством для Ethernet и ведущим для RS‑485. Поддерживает перепрограммируемый статический IP-адрес, поддерживает протоколы обмена Modbus RTU и Modbus TCP/IP. Первые образцы поступят в продажу в конце 4‑го квартала 2021 года.

Ну и последней представим новую платформу «Айюми-цифра МВ3М+ и МВ3М», предназначенную для решения задач контроля при большом количестве линий в условиях ограниченного пространства. Платформа «Айюми-цифра МВ3М+» имеет расширенное питание 10–30 В, 3 аналоговых входа, гальваническую развязку между модулем питания, модулем RS-485 и модулем внутренней высокоскоростной ши­ны, габаритные размеры 50 × 70 × 35 мм и крепление на DIN-рейку. Образцы поступят в продажу в конце 4‑го квартала 2021 го­да. Модификация этой платформы носит название «Айюми-цифра МВ3М» и подразумевает отсутствие электрической изоляции между питанием, RS‑485 и внутренней шиной.

Платформа «Айюми МВ3М+» позволяет строить 3‑фазные ЭТТ, ЭТН или 1‑фазный датчик контроля то­ка, то­ка утечки и напряжения в едином корпусе. Ее отличительной особенностью является революционная технология объединения до 16 дополнительных ЭТ, построенных на платформе «Айюми-цифра МВ1+» или «Айюми-цифра МВ3М» с помощью внутренней высокоскоростной шины. Под каждый дополнительный ЭТ выделяется соответствующий пул адресов. Инициализация датчиков на внутренней ши­не происходит автоматически с распознаванием MAC-адресов (64 бит) и присвоением внутренних динамических адресов.

Датчики серии ТП05С на платформах «Айюми МВ3М+» (50 × 70 × 35 мм) и «Айюми МВ1+» (40 × 40 × 20 мм) могут собираться в один ряд с помощью 5‑пиновых разъемов без применения внешних проводов. Питание и обмен данными ЭТ «Айюми МВ1+» осуществляется по внутренней шине.

В рамках данной статьи невозможно описать все инновационные решения и продукцию компании «АИСТ», поэтому приглашаем читателей на наш сайт, где можно получить более подробную информацию и узнать последние новости.

Статья опубликована в журнале «ИСУП»

статья на сайте журнала >>