Найти в Дзене

Берегите свое время и деньги.

Вчера решил отдохнуть, только уснул и звонок. Ремонтировал плиту электрическую, воткнул в розетку, вырубило автомат. После включения автомата электричества в комнате нет. Приедь посмотри. Ну думаю, выходной, ехать нехочется, но интересная статья должна быть по поиску неисправности. Но, обо всем по порядку. Всем привет, с Вами Деревенский Электрик! Приступим. Не планировал работать в выходные, поэтому на заказ поехал с разряженым телефоном. И фотографии сделать не удалось. Итак, приезжаю я значит к нему, давайте смотреть. В комнате автомат включен, напряжения нет. Идем искать в коридор (это общага). В этажном щите на первый взгляд все нормально. Откручиваю щит и что же вижу? А вижу кучу окурков. Весь щит загажен. Вот что за привычка у курильщиков, везде засовывать свои "бычки". Меня жутко бесит такое положение вещей. Только это не тема сегодняшнего разговора. Вобщем в этажном щите выбило автомат. Просто крышка закрывает автомат именно этой комнаты и на первый взгляд неисправность не ви

Вчера решил отдохнуть, только уснул и звонок.

Ремонтировал плиту электрическую, воткнул в розетку, вырубило автомат. После включения автомата электричества в комнате нет. Приедь посмотри.

Ну думаю, выходной, ехать нехочется, но интересная статья должна быть по поиску неисправности. Но, обо всем по порядку.

Всем привет, с Вами Деревенский Электрик! Приступим.

Не планировал работать в выходные, поэтому на заказ поехал с разряженым телефоном. И фотографии сделать не удалось.

Итак, приезжаю я значит к нему, давайте смотреть. В комнате автомат включен, напряжения нет. Идем искать в коридор (это общага). В этажном щите на первый взгляд все нормально. Откручиваю щит и что же вижу? А вижу кучу окурков. Весь щит загажен. Вот что за привычка у курильщиков, везде засовывать свои "бычки". Меня жутко бесит такое положение вещей. Только это не тема сегодняшнего разговора. Вобщем в этажном щите выбило автомат. Просто крышка закрывает автомат именно этой комнаты и на первый взгляд неисправность не видно. Включили автомат, все заработало.

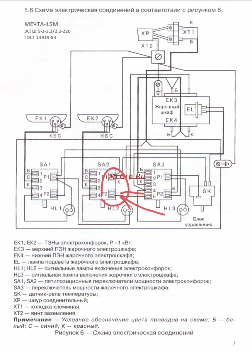
По факту моя работа закончилась, но как то не по себе брать деньги за то что просто включил автомат. Но я потратил время и бензин. Давайте искать причину изза которой вырубило автоматы. Причиной оказалась плита. Подключаешь плиту в сеть сразу КЗ. На последнем издыхании телефона, нашел в инете электрическую схему плиты.

Схема
Схема

После расспросов все таки выяснилось что меняли не только тен, но и переключатель мощьности. В нем то и была проблема. Подключили неправильно. Провод обозначенный букврй "К" был подключен не к Р1 а к Р2. Поэтому плита и коротила.

Если самостоятельно сто то ремонтируете, записывайте каждый шаг, если есть возможность фотографируйте. Это сэкономит вам "лишнюю копеечку".

Не мог незаметить косяки "коллег" на этом заказе. Проводка новая, меняли недавно. И видимо для экономии поменяли алюминиевый кабель на новый алюминиевый кабель. Понимаю такое решение, НО... если уже меняешь проводку дак делай все качественно. Все розетки шатаются, подразетники не поменяны а стоят старые железные, большего размера. В щитке стоит один АВДТ и от него отходит ТРИ линии (в автомат можно вставлять не более 2х, одинакового сечения). А ДИФ автомат стоит номиналом 25А. Напомню что кабель алюминиевый.

-2

Сверяемся с таблицей и видим что для напряжения 220в для алюминиевого кабеля сечением 2,5мм² максимально допустимая токовая нагрузка 16А. Кабель проложен закрыто. Значит максимально допустимый автомат 16А а лучше 13А (вот только таких не везде встретишь).

Еще подобный случай. Звонит знакомый. Говорит нет света в квартире, а розетки работают. И автоматы все включены. Хорошо, говорю после работы заеду благо по пути. В итоге в подъезде автоматы включены. Спрашиваю, где в квартире? Отвечает что нету. Говорю, Ищи. Нашли). Квартирный щит был задекарирован под ключницу или что то подобное.

Мораль сей басни такова. Перед тем как вызывать мастера, проверьте самостоятельно. Может просто нужно включить автомат. Или проконсультируйтесь по телефону. И вы сэкономите свои деньги и время мастера.

Спасибо что дочитали. Всем поменьше проблем с электричеством.