Добавить в корзинуПозвонить
Найти в Дзене
УЧИМСЯ САМИ

Электрический ток в различных средах - опыты

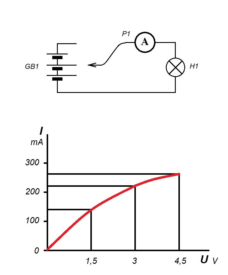
МЕТАЛЛЫ. Вы уже знаете, что сопротивление металлов, в отличие от полупроводников, с ростом температуры увеличивается. В принципе можно было бы попытаться найти компактную спиральку из тонкой стальной проволоки, нагреть ее в пламени, измеряя сопротивление. Но этот опыт - не для "народного учителя" средней руки. Во-первых, придется измерять довольно малые сопротивления, а не всякий прибор это может делать. Во-вторых, сам эффект не так уж силен. Убедиться в положительном температурном коэффициенте сопротивления металлов проще другим образом. Соединим последовательно амперметр и лампочку накаливания для карманного фонарика. Будем подключать ее к разным точкам батареи питания, подавая на нее напряжение с одного, двух и трех элементов, измеряя и записывая силу тока. Вы увидите, что сила тока не нарастает линейно, как было бы положено по закону Ома. Причина в том, что сопротивление накаленной током до высокой температуры вольфрамовой спиральки возрастает, и поэтому рост силы тока замедляется.

МЕТАЛЛЫ. Вы уже знаете, что сопротивление металлов, в отличие от полупроводников, с ростом температуры увеличивается. В принципе можно было бы попытаться найти компактную спиральку из тонкой стальной проволоки, нагреть ее в пламени, измеряя сопротивление. Но этот опыт - не для "народного учителя" средней руки. Во-первых, придется измерять довольно малые сопротивления, а не всякий прибор это может делать. Во-вторых, сам эффект не так уж силен.

Убедиться в положительном температурном коэффициенте сопротивления металлов проще другим образом. Соединим последовательно амперметр и лампочку накаливания для карманного фонарика. Будем подключать ее к разным точкам батареи питания, подавая на нее напряжение с одного, двух и трех элементов, измеряя и записывая силу тока.

Вы увидите, что сила тока не нарастает линейно, как было бы положено по закону Ома. Причина в том, что сопротивление накаленной током до высокой температуры вольфрамовой спиральки возрастает, и поэтому рост силы тока замедляется. Так что лампочка в небольшой степени стабилизирует силу тока. В старину даже существовали основанные на этом принципе приборы для такой задачи. Они назывались бареттерами.

ЖИДКОСТИ. Опыты по протеканию тока в жидкостях (электролиз) описаны в этой статье.

ГАЗЫ. Опыт с наблюдением тлеющего разряда описан в предыдущей статье.

Опыты с дуговым разрядом мы в ближайшее время не планируем, так как они требуют мощного источника питания и надежных средств для защиты зрения от слишком яркого света и УФ-излучения. Чтобы дети представляли себе, что это такое, достаточно просто сказать им, что это явление имеет место при электросварке.

Искровой разряд детям наверняка приходилось видеть. Со временем мы займемся оборудованием по электростатике, с помощью которого можно будет наблюдать мощные разряды такого характера.

ПОЛУПРОВОДНИКИ. Простейшим полупроводниковым прибором является терморезистор - заключенный в корпус, а иногда даже обходящийся без этого, кусок полупроводника с двумя контактами. Возьмем рекомендованный в предыдущей статье старый советский терморезистор ММТ-4 или подобный сопротивлением в несколько килоом. Подключите его к тестеру, работающему в режиме измерения сопротивлений. Подберите такой предел измерений, при котором стрелка прибора окажется примерно посредине шкалы, а затем возьмите терморезистор в руку. Через несколько секунд, когда тепло вашего тела нагреет полупроводник, вы увидите уменьшение сопротивления прибора - стрелка тестера отклонится вправо (у тестеров шкала сопротивлений обычно обратная - ноль справа). Важно: при проведении подобных опытов следите, чтобы ваше тело не касалось сразу обеих контактов исследуемого прибора. Иначе ток, проходящий через ваше тело исказит результаты опыта.

Еще один, почти столь же простой, прибор - фоторезистор. Отличается специально подобранными полупроводниковыми материалами, нанесенными в виде тонкой пленки, и прозрачным окном в корпусе. Аналогичным образом определите его сопротивление, а затем, закрывая окно фоторезистора рукой или, наоборот, освещая его, убедитесь, что с ростом освещенности сопротивление фоторезистора уменьшается. Эффект очень сильный, так что вы заметите его без труда.

-2

Не беда, если у вас нет никаких измерительных приборов. Соедините фоторезистор последовательно с нашим светодиодным индикатором. Вы увидите, что при освещении фоторезистора светодиод начнет неярко светиться. А если окно фоторезистора закрыть - то погаснет.

Наверняка у вас возникнет вопрос: В управляемых с пульта телевизорах или беспроводных наушниках тоже стоят фоторезисторы? - Нет, большинство фоторезисторов имеют очень невысокое быстродействие - примерно сотые доли секунды. Этого слишком мало для передачи речи или какой-то информации. Вот определить положение какого-нибудь механизма или автоматически включить освещение - это они могут.

Так что если вы захотите, например, переговариваться по световому лучу с жителями многоэтажки напротив, бесплатно и без посторонних ушей (а это вполне возможно и не особо сложно), то вам надо будет использовать фотоприемники на основе фотодиодов или фототранзисторов.

Следующий наш эксперимент - демонстрация свойств полупроводникового диода. Соберите показанную на рис. 2 схему. При включении выключателя лампочка засветится, как обычно, лишь немного потеряв яркости из-за падения напряжения на диоде. А теперь поменяйте полярность подключения диода на противоположную. Вы увидите, что его проводимость в этом направлении настолько мала, что вы не заметите ни малейшего накала спирали лампочки.

-3

На этой установке вы можете проверять исправность выпрямительных диодов, для которых ток лампочки не чрезмерен, а также определять их полярность. Исправный диод должен пропускать ток только в одном направлении. Используя же вместо прожорливой лампочки наш светодиодный пробник, можно проверять любые маломощные диоды - импульсные, высокочастотные и т.д.

Упомянутый выше фотодиод отличается повышенной площадью p-n перехода и конструкцией, позволяющей свету попадать на всю эту площадь. Может работать в двух режимах. При первом режиме он просто выдает постоянное напряжение при освещении. В сущности, элементы солнечных батарей и представляют собой фотодиоды, только огромной площади.

При втором режиме на фотодиод подается напряжение обратной полярности. В темноте он, как и положено обычному полупроводниковому диоду, ток в таком включении практически не пропускает. Но стоит осветить светодиод, как через него начинает проходить некоторый ток, тем больший, чем выше освещенность. Кроме того, в таком режиме фотодиод обладает изрядной быстротой реакции, так что может принимать миллионы колебаний освещенности в секунду. Правда ток этот невелик и для создания хорошего фотоприемника потребуется еще и усилитель.

Транзистор, а также использующие протекание тока в вакууме радиолампы - вещи более серьезные и сложные. В следующих статьях мы ими и займемся.