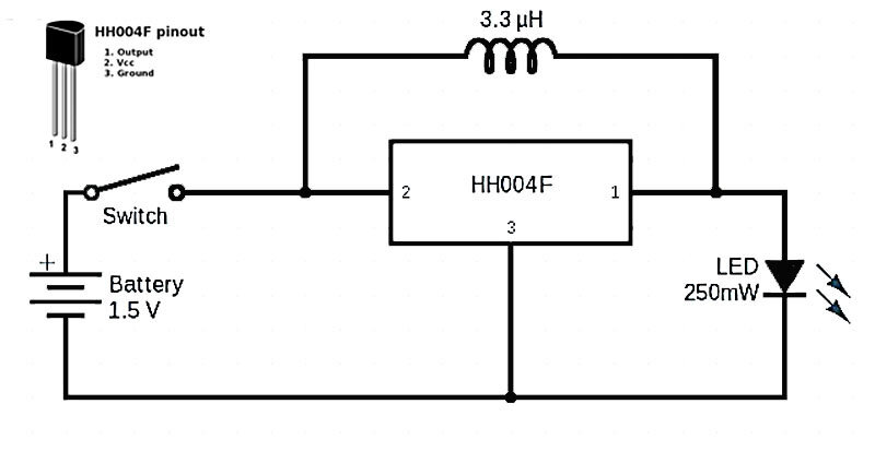
В интернете популярна тема создания различных повышающих преобразователей для работы светодиода от одного элемента питания с напряжением 1.5В. Собирают их на транзисторах. Оказывается, для этой цели существуют специализированные микросхемы. Например, китайская с маркировкой HH004F. Вероятно, стояла она в каком-то фонарике. Схема подключения очень простая. Из дополнительных деталей понадобится только дроссель. Белый светодиод ярко светит даже от разряженного Ni-MH аккумулятора. От заряженного можно подключить до 5 таких светодиодов. Благодарю за внимание!
Трехвыводная микросхема HH004F для питания светодиода от 1.5В
1 марта 20221 мар 2022
2812
~1 мин
