Добавить в корзинуПозвонить
Найти в Дзене
Разумный мир

Аналоговые вычислительные машины §7. Помехи и точность. Почему нет дифференциаторов

Точнее, почему в универсальных АВМ практически никогда нет дифференциаторов. В специализированных аналоговых вычислителях, которые не имеют коммутационной панели, дифференциаторы используются. В чем же дело? Да, я ранее уже говорил, что дифференциаторы приводят к снижению точности моделирования на АВМ. Но никаких примеров это подтверждающих не приводил. Кроме того, до сих пор я не рассказал, как АВМ с таким огромным количеством длинных соединительных проводников умудряются устойчиво работать и не обращать внимания на помехи. Между тем, эти два вопроса связаны между собой. И мы наконец добрались до их более подробного рассмотрения. К огромной радости читателей не любящих математику могу сказать, что ее сегодня не будет. И если вам две последние статьи показались слишком сложными, особенно последняя, то сегодня будет гораздо легче. Кстати, именно в последней статье нам пришлось прибегать к некоторым ухищрениям из-за отсутствия дифференциаторов. Помехи Любое электронное устройство и с
Оглавление

Точнее, почему в универсальных АВМ практически никогда нет дифференциаторов. В специализированных аналоговых вычислителях, которые не имеют коммутационной панели, дифференциаторы используются. В чем же дело?

Да, я ранее уже говорил, что дифференциаторы приводят к снижению точности моделирования на АВМ. Но никаких примеров это подтверждающих не приводил. Кроме того, до сих пор я не рассказал, как АВМ с таким огромным количеством длинных соединительных проводников умудряются устойчиво работать и не обращать внимания на помехи.

Между тем, эти два вопроса связаны между собой. И мы наконец добрались до их более подробного рассмотрения. К огромной радости читателей не любящих математику могу сказать, что ее сегодня не будет. И если вам две последние статьи

показались слишком сложными, особенно последняя, то сегодня будет гораздо легче.

Кстати, именно в последней статье нам пришлось прибегать к некоторым ухищрениям из-за отсутствия дифференциаторов.

Помехи

Любое электронное устройство и само является источником помех, и подвержено их влиянию. Не случайно сегодня вопросы электромагнитной совместимости столь актуальны. Но детально изучать помехи мы сегодня не будем. Как не будем рассматривать АВМ в качестве источника помех. Нас будет интересовать влияние внешних помех на работу АВМ.

Если вы не читали предыдущие статьи цикла, то обратите внимание на саму первую

Аналоговые вычислительные машины §1. Что это такое и какими они были
Разумный мир6 января 2022

В ней есть фотографии паутины проводов которыми и программируется Аналоговая Вычислительная Машина для решения задач. И каждый такой проводник является отличной приемной антенной для помех.

Сигнал помехи может иметь различную частоту, интенсивность, форму. Помеха может быть единичной, импульсной, или постоянной. Может быть случайным, хаотическим сигналом. А может иметь периодический характер. Поэтому построить модель сигнала помехи задача очень сложная, часто просто невыполнимая. Это можно сделать для каких то конкретных условий, но не для общего случая.

Поэтому влияние помех часто рассматривают как влияние случайного шумового сигнала. Но нам сегодня будет достаточно рассмотреть гораздо более простой случай - аддитивную помеху, причем гармоническую. Аддитивная помеха, в отличии от мультипликативной, существует независимо от сигнала. Да, это значительное упрощение, но нам, для понимания устойчивости работы АВМ, этого достаточно.

Причем рассматривать мы будем не теоретически, а очень даже практически. Начнем с того, что возьмем полезный сигнал и сигнал помехи. Причем помеха будет достаточно большой

Полезный сигнал трапецеидальной формы с периодом 1 секунда на фоне синусоидальной помехи частотой 50 Гц
Полезный сигнал трапецеидальной формы с периодом 1 секунда на фоне синусоидальной помехи частотой 50 Гц

Вот с таким сигналом и будем сегодня работать. Вертикальная ось соответствует напряжению (В). Почему период полезного сигнала такой большой? Для этого нужно вспомнить статью

Аналоговые вычислительные машины §4. Интеграторы
Разумный мир21 января 2022

в которой приводятся примеры параметров интеграторов, важнейших решающих элементов АВМ. Независимая переменная, время, в АВМ изменяется весьма не быстро. Ну а 50 Гц это частота промышленно сети.

Влияние помехи на интегратор

Давайте рассмотрим, как такая помеха влияет на работу интегратора. Исходя из того, что эта помеха наводится на проводник коммутационной панели, который подключен к входу интегратора

Подопытный интегратор
Подопытный интегратор

Да, это классический интегратор на ОУ. Номиналы элементов указаны на случай, если кто то из читателей захочет повторить эксперименты самостоятельно. Начальное напряжение на конденсаторе 0 В, то есть, конденсатор полностью разряжен.

Давайте подадим на вход этого интегратора сигнал без помехи. Я прекрасно понимаю, что большинство читателей уже знают, что в результате получится

Проинтегрированный полезный сигнал без помехи
Проинтегрированный полезный сигнал без помехи

Красным цветом показан сигнал на входе интегратора, а зеленым на выходе. Как вы помните, интегратор является инвертирующим. Это именно тот результат, который мы и ожидаем.

А теперь добавим помеху

Проинтегрированный полезный сигнал на фоне помехи
Проинтегрированный полезный сигнал на фоне помехи

Пунктирной линией показаны сигналы из предыдущего эксперимента, без помехи. Отличия входного сигнала видно сразу, а вот выходной, зрительно, и не изменился.

На самом деле, изменения в выходном сигнале конечно есть

Изменения в выходном сигнале при наличии помехи на входе все таки есть
Изменения в выходном сигнале при наличии помехи на входе все таки есть

Но отклонения невелики. В данном случае они не превышают примерно 12 мВ. Это и есть ошибка привносимая в вычисления нашей, довольно сильной помехой.

Безусловно, это совершенно ожидаемый результат. С точки зрения электроники можно просто сказать, что интегратор является фильтром НЧ. Но мы то рассматриваем вопрос с точки зрения аналоговых вычислений.

А значит, будем говорить именно об интегрировании функции соответствующей нашему сигналу. Наш сигнал является суммой двух сигналов - полезного и помехи. И результат интегрирования суммы равен сумме интегралов слагаемых. Интегрирование полезного сигнала мы уже видели в самом начале. Осталось разобраться с интегралом помехи.

В нашем случае, помеха является синусоидальной без постоянной составляющей. А значит, интеграл за период будет равен нулю. Поэтому ошибка интегрирования для кратных периоду интегралов тоже будет равна 0. При этом мгновенное значение ошибки интегрирования внутри периода не будет равно 0.

Чем время интегрирования больше периода сигнала помехи, тем меньше суммарная величина ошибки в целом. И это является одной из причин выбора большой постоянной времени интегрирования в АВМ.

Теперь мы наглядно убедились, что даже сильная низкочастотная помеха не оказывает критического влияния на ошибку вычисления интегратора. Помехи более высокой частоты окажут еще меньшее воздействие. Поэтому для примера и была выбрана частота 50 Гц. И соединительные проводники действительно не мешают работе АВМ.

А если помеха несимметрична относительно нулевого уровня или, например, прямоугольные импульсы с скважностью отличной от 2? В таком случае в сигнале помехи появляется постоянная составляющая, когда обязательно исказит результат интегрирования.

Но дело в том, что мы не подаем сигнал помехи на вход интегратора напрямую. Мы подаем помеху как наводку на соединительный проводник, который является антенной. В наведенном сигнале помехи, не важно, через емкостную или индуктивную связь пришла наводка, постоянной составляющей не будет.

Такая устойчивость интегрирования к влиянию помех не означает, что с ними совершенно не нужно бороться. И рядом с работающей АВМ не должно быть мощных источников импульсных помех. Если конечно нам важен результат вычислений.

Но в целом, интегратор с большой постоянной времени интегрирования устойчив к влиянию помех. Впрочем, мы еще к этому вернемся.

Влияние помехи на дифференциатор

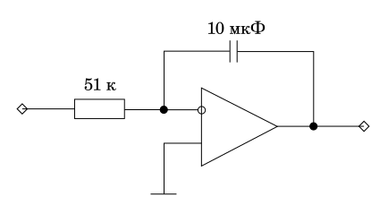
Теперь посмотрим, как точна такая же помеха будет влиять на работу дифференциатора. Да, я знаю, что результат совершенно предсказуемый, с точки зрения электроники. Но мы рассматриваем вопрос с точки зрения аналоговых вычислений

Подопытный дифференциатор
Подопытный дифференциатор

Это совершенно классический дифференциатор. И его работа для сигнала без помехи в точности соответствует ожиданиям

Результат работы дифференциатора для сигнала без помехи
Результат работы дифференциатора для сигнала без помехи

А теперь, добавим нашу помеху. И получим вот такое

Результат работы дифференциатора для сигнала с помехой
Результат работы дифференциатора для сигнала с помехой

Здесь можно разглядеть показанный пунктиром результат для сигнала без помехи. Совсем не то, что мы хотели получить. И это тоже вполне естественно. Что бы понять это, давайте рассмотрим результат немного подробнее

Увеличенный фрагмент результата дифференцирования сигнала с помехой
Увеличенный фрагмент результата дифференцирования сигнала с помехой

Выходной сигнал дифференциатора теперь отражает и изменение полезного сигнала, и изменение сигнала помехи. Сигнал помехи значительно меньше полезного, но скорость его изменения гораздо выше. А значит, больше и значение производной. Настолько, что выходной сигнал ОУ достигает уровня ограничения.

Мы можем значительно снизить уровень помехи, например, в 10 раз. Картинка станет лучше, но влияние помехи останется очень сильным

Результат работы дифференциатора для сигнала с помехой сниженной в 10 раз по сравнении с исходной
Результат работы дифференциатора для сигнала с помехой сниженной в 10 раз по сравнении с исходной

Причем чем выше частота помехи, чем выше скорость ее нарастания, тем большее влияние оказывается на работу дифференциатора.

Но ситуация даже хуже, чем может показаться. Поскольку влияние оказывают не только помехи, которые неизбежны из-за конструктива универсальных АВМ, но и простые шумы. Например, в потенциометре с управляемым приводом. И погрешности в точности аппроксимации функции функциональным преобразователем тоже оказываются многократно усилены.

Вот по этой причине в универсальных АВМ дифференциаторы встречаются очень редко. И еще реже используются. Только в тех случаях, когда без них никак нельзя обойтись. Они действительно не обеспечивают устойчивость решения задачи и привносят значительные погрешности в результат.

Влияние паразитной постоянной составляющей и других накапливаемых ошибок

Мы уже рассматривали построение Операционных Усилителей в составе АВМ в статье

И видели, как можно обеспечить компенсацию дрейфа усилителя. Долговременный дрейф можно компенсировать ручной установкой нуля. Компенсация дрейфа с помощью коммутируемого конденсатора позволяет убрать краткосрочный дрейф между циклами работы АВМ. Использования МДМ позволяет минимизировать дрейф во время рабочего цикла.

Но это касается только собственно ОУ. Кроме него есть и другие источники возникновения паразитной постоянной составляющей в значениях зависимых переменных. И эта паразитная постоянная составляющая будет накапливаться в интеграторах.

Прежде всего, нужно отметить, что в сигнале помехи постоянная составляющая будет отсутствовать в среднем, но ее мгновенные значения имеют полное право отличаться от нуля. Кроме того, любое соединение двух разнородных металлов является термопарой. И таких термопар в АВМ много. Причем вне ОУ, где их влияние будет скомпенсировано. Да, термопотенциалы невелики, но постоянная времени интеграторов велика. И может накопиться заметная ошибка.

Добавьте естественный разброс параметров элементов АВМ и влияние на них температуры. Да, используются прецизионные компоненты, но их точность все равно не бесконечна.

Таким образом, в работе АВМ всегда неизбежно присутствует ошибка. Причем величина ошибки и знак ошибки предсказаны могут быть не всегда. А раз так, нужно постараться свести влияние ошибки к минимуму.

И это приводит к тому, что кроме максимальных значений представленных уровнями напряжений переменных, вводится понятие минимальных значений переменных. Это не самый очевидный факт. И он не часто упоминается в различных учебниках по АВМ, которые еще можно найти.

Максимальные значения представляемых в АВМ переменных ограничены возможностями ОУ. Для ламповых АВМ, как мы уже ранее видели, максимальные значения обычно лежат в диапазоне 100-200 В. Для транзисторных 10-20 В. Разумеется, по модулю.

Минимальные значения, по модулю, жесткого ограничения не имеют. Но для минимизации влияния помех и накопленных ошибок стараются избегать значения переменных менее, примерно, 1 В, по модулю.

В целом, правило для минимальных значений переменных выглядит так: Максимальное значение переменной в ходе решения задачи не должно быть менее установленного минимума (в типовом случае, 1 В).

Вопросы масштабирования мы сегодня не рассматриваем. Но при построении схемы-программы решения задачи на АВМ мы должны стараться обеспечить значения переменных между минимальной и максимальной границами. Максимальную границу нельзя пересекать в любом случае. Пересечение минимальной границы мы снижаем точность решения увеличивая вероятность влияния на результат помех и накапливаемых ошибок.

Заключение

Сегодня мы рассматривали простые вопросы, которые всем хорошо известны с точки зрения электроники. Но мы их рассматривали с точки зрения аналоговых вычислений в АВМ. Кроме того, сегодня вы получили небольшую возможность передохнуть от более сложных и математических тем.

До новых встреч!