Найти в Дзене
ТСН-электро

ИСПОЛЬЗОВАНИЕ ВОЗОБНОВЛЯЕМЫХ ИСТОЧНИКОВ ЭНЕРГИИ

Данная информация пригодится для выпускников и студентов старших курсов, таких специальностей, как, например, электроснабжение. В конце статьи размещен список литературы, который может быть полезен при проработке данного вопроса. Введение. Общеизвестно (причем, уже не одно десятилетие), что использование возобновляемых источников энергии является одним из перспективных направлений решения проблемы энерго- и ресурсосбережения. Однако, как показывает обзор литературы, однозначно признанных в настоящее время наиболее эффективных ее решений пока еще нет. Поэтому поисковые научно-исследовательские работы в этом направлении следует считать актуальными. Обзор вариантов ВЭУ с подключением к электросетям ВЭУ является одним из важнейших элементов в системах преобразования энергии. На протяжении многих лет были разработаны различные типы ВЭУ [8, 16÷19]. Энергия ветра преобразуется в электрическую энергию с помощью ВЭУ с фиксированной, либо с переменной частотой вращения вала. Любую ВЭУ можно отне
Оглавление

Данная информация пригодится для выпускников и студентов старших курсов, таких специальностей, как, например, электроснабжение. В конце статьи размещен список литературы, который может быть полезен при проработке данного вопроса.

Введение. Общеизвестно (причем, уже не одно десятилетие), что использование возобновляемых источников энергии является одним из перспективных направлений решения проблемы энерго- и ресурсосбережения. Однако, как показывает обзор литературы, однозначно признанных в настоящее время наиболее эффективных ее решений пока еще нет. Поэтому поисковые научно-исследовательские работы в этом направлении следует считать актуальными.

Обзор вариантов ВЭУ с подключением к электросетям

ВЭУ является одним из важнейших элементов в системах преобразования энергии. На протяжении многих лет были разработаны различные типы ВЭУ [8, 16÷19]. Энергия ветра преобразуется в электрическую энергию с помощью ВЭУ с фиксированной, либо с переменной частотой вращения вала. Любую ВЭУ можно отнести к одному из четырех типов [20÷24]. Эти четыре типа кратко описаны ниже:

- ВЭУ с постоянной частотой вращения ротора (Тип 1). Этот тип ВЭУ использует асинхронный генератор с короткозамкнутым ротором (АГКЗ), непосредственно подключенный к сети через трансформатор (Т) [8, 20, 21, 25, 26]. Эта система была «обычной» (стандартной) концепцией, используемой многими Датскими производителями в 1980-х и 1990-х годах. Этот тип ВЭУ нуждается в переключении, чтобы предотвратить работу двигателем во время низких скоростей ветра, а также потребляет реактивную мощность. Этот тип ВЭУ переносит колебания скорости ветра на механические колебания и далее преобразует их с неравномерностью электрической мощности из-за отсутствия контуров управления крутящим моментом. АГКЗ являются наиболее дешевыми. Их конструкция не включает кольца скольжения, которые периодически надо обслуживать. Обычно требуется мультипликатор (М) для ликвидации разности скоростей между ветроколесом (ВК) и генератором, генератор может развивать свою номинальную мощность при номинальной скорости ветра. Эта конфигурация требует, чтобы пускатель плавно ограничивал высокие пусковые токи во время запуска системы. Устройство плавного пуска (УПП) отключается переключателем после запуска системы. Во время нормальной работы системе не требуется никакого преобразователя мощности. Батарея конденсаторов (БК) должна обеспечивать реактивную мощность [27]. Расширение рабочего диапазона частоты вращения достигается за счет использования двух генераторов с разным числом пар полюсов или с использованием одного генератора с двумя отдельными обмотками, имеющими разное число пар полюсов. Такая компоновка приводит к увеличению генерируемой мощности, а также уменьшает потери на намагничивание при низких скоростях ветра [20].

Преимущества и недостатки: АГКЗ имеет высокую надежность, низкую стоимость и простоту конструкции, поэтому они нашли широкое применение в ВЭУ.

Основными недостатками являются: система подключается к сети только при заданной скорости ветра, потому что только при этом обеспечивается требуемое качество напряжения. При малых скоростях ветра возможна только автономная работа; Несмотря на свои недостатки, эта ветроэнергетическая система попрежнему широко распространена с номинальной мощностью до нескольких мегаватт [28].

- ВЭУ с динамическим контролем скольжения (Тип 2). Этот тип ВЭУ использует асинхронный генератор с фазным ротором (АГФР), непосредственно подключенный к сети. Фазные обмотки ротора генератора соединены последовательно с регулируемыми сопротивлениями [8, 31, 32]. Изменение сопротивления ротора влияет на характеристики крутящего момента/скорости генератора, что позволяет работать с переменной скоростью вращения вала. Из-за ограничения допустимого тепловыделения на резисторах диапазон рабочих скоростей обычно мал, как правило, на 0÷10 % выше синхронной скорости.

Кривую крутящего момента машины можно изменять путем регулирования внешнего сопротивления (ДР). Внешнее сопротивление ротора [28], настраивается посредством преобразователя, состоящего из выпрямителя (В) и переключателя (П). Эквивалентное значение сопротивления ДР зависит от длительности включенного состояния П на периоде его коммутации. При разных его значениях, генератор может работать в разных рабочих точках. Контактные кольца и щетки АГФР можно устранить в некоторых практических ВЭУ, установив резисторы на вал ротора. Это уменьшает потребность в техническом обслуживании, но усложняет задачу теплоотвода от резисторов.

Основным преимуществом этой конфигурации по сравнению с ВЭУ с переменной скоростью является низкая стоимость и простота.

Основными недостатками являются ограниченный диапазон скоростей, невозможность управления реактивной мощностью на стороне сети и снижение эффективности за счет резистивных потерь. При работе с переменной скоростью система может отбирать больше энергии ветра, но также имеет потери энергии в сопротивлении ротора. Эта конфигурация также требует плавного пуска и компенсации реактивной мощности. АГФР с переменным сопротивлением ротора находится на рынке с середины 1990-х годов с номинальной мощностью до нескольких мегаватт. Данная компоновка не такая гибкая, как асинхронный генератор с двойным питанием (АГДП), но приводит к значительно меньшим затратам. Машина по-прежнему не имеет возможности контролировать потребление реактивной мощности, и должен быть предусмотрен внешний БК.

Первые два типа ВЭУ имеют недостатки:

– их эксплуатация с сетью возможна только при заданной скорости ветра;

– в рабочих режимах не исключено потребление реактивной мощности из сети, поэтому их применение возможно только с «жесткой» сетью;

– их механическая конструкция должна выдерживать высокие механические нагрузки при порывах ветра.

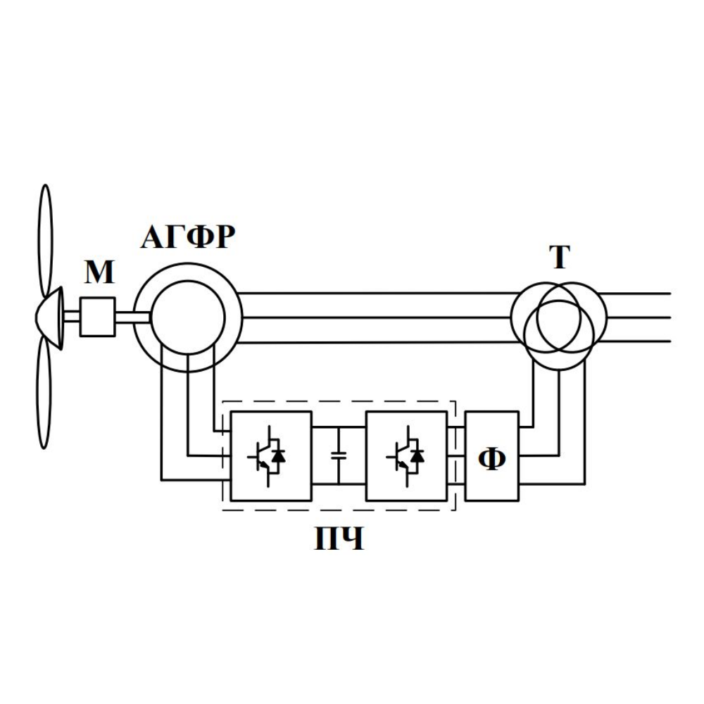
- ВЭУ с генератором двойного питания (Тип 3). Примером ВЭУ с переменной скоростью является АГДП. Это одна из основных конфигураций ВЭУ в современной ветроэнергетике. Статор подключается непосредственно к сети, а ротор подключается к сети с помощью преобразователя частоты (ПЧ) и трансформатора, рассчитанных не на полную мощность генератора [20, 21, 33÷39]. ПЧ позволяет управлять мощностью в цепи ротора. Выходная генерируемая ВЭУ мощность в этой конструкции представляет собой сумму мощностей статора и ротора. Когда машина работает при выше синхронных скоростях, мощность от ротора передается через преобразователь в сеть, когда машина работает при ниже синхронных скоростях, мощность ротором потребляется из сети через преобразователь. При синхронной скорости между ротором и сетью не происходит значительного обмена энергией. Поскольку как статор, так и ротор обменивается энергией с сетью, генератор называют машиной двойного питания (МДП). Диапазон скоростей ВЭУ на базе АГДП, как правила составляет около ±30% относительно синхронной скорости. Такой диапазон изменения скоростей обычно удовлетворяет всем условиям изменения скорости ветра и, следовательно, достаточен для работы ВЭУ с переменной скоростью. Мощность ПЧ соответствует произведению максимального скольжения s = ±0,3 на номинальную мощность статорных обмоток генератора [24, 39÷41]. Использование преобразователя не на полную мощность генератора приводит к снижению стоимости, веса и физического размера ВЭУ. По сравнению с системами с фиксированной скоростью значительно повышается эффективность преобразования энергии ВЭУ на базе АГДП. ПЧ нельзя непосредственно подключать к сети, т.к. это приведет к генерации искажений в ней и к необходимости использовать фильтр. Для решения проблем, вызванных высшими гармониками, в практических системах преобразования энергии ветра используются различные типы гармонических фильтров (Ф). На стороне генератора (т.е. на входе преобразователя) для уменьшения гармонических искажений напряжения и тока в нем часто используются L-фильтры. Это приводит к уменьшению потерь в магнитном сердечнике генератора и обмотке от гармонических составляющих. Фильтры LC также могут использоваться для достижения лучших результатов. Фильтр LCL часто используется в сетевых преобразователях для удовлетворения строгих гармонических требований, определенных различными параметрами сети. Фильтры LC также встречаются в практических ВЭУ, но они не так эффективны, как фильтры LCL.

Дополнительным преимуществом использования этих фильтров является то, что они могут эффективно смягчать высокие значения du/dt, вызванные быстрым переключением полупроводниковых переключателей. Однако как LC, так и LCL-фильтры могут вызывать резонансные режимы. Параметры фильтра и резонансные режимы должны быть тщательно просчитаны, чтобы избежать возможных колебаний в сети.

Преимущества:

• В системе ВЭУ, основанных на АГДП, номинальная мощность ПЧ обычно равна ±30% от номинальной мощности машины, и это приводит к следующим достоинствам: снижение стоимости преобразователя, уменьшение массы и габаритов ПЧ и фильтра, меньшие потери на коммутацию, меньшие гармонические искажения в подключенной сети и улучшенная общая энергоэффективность (примерно на 2–3% больше, чем с ПЧ на полную мощность).

• Имеется возможность регулировать активную и реактивную мощность. Недостатки:

• АГФР содержат скользящие кольца, что требует обслуживания.

• В АГДП используется мультипликатор.

• АГДП имеет ограниченную способность регулирования и нуждается в схемах защиты.

• АГДП требует достаточно сложных схем управления.

- ВЭУ с полным преобразованием мощности генератора (Тип 4). Генератор может быть либо АГКЗ, либо АГФР [4, 28, 42], либо синхронный генератор с постоянным магнитом (СГПМ) [28, 43, 44]. Обычно в ВЭУ данного типа используется СГПМ. Это позволило значительно упростить конструкцию, как генератора, так и системы управления – отсутствие обмотки возбуждения позволило отказаться от контактных колец и системы возбуждения, что повысило надежность работы ВЭУ. Однако магниты, используемые вместо обмотки возбуждения, требуют охлаждения. Фазные обмотки статора генератора подключаются к сети через ПЧ с полным преобразователем мощности. Этот тип ВЭУ имеет широкий диапазон скоростей и способен обеспечивать максимальную мощность во всем диапазоне. Этот тип ВЭУ имеет возможность независимого управления активной и реактивной мощностью. Из-за ПЧ на полную мощность ВЭУ 4 типа в целом дороже. Тем не менее, этот тип ВЭУ постепенно получает широкое признание и может стать стандартным на будущих ВЭУ, поскольку он позволяет работать в широком диапазоне скоростей ветра и в без мультипликатора. Ветроэнергетическая система может работать также и без использования мультипликатора, если используется низкоскоростной синхронный генератор с большим количеством полюсов. Устранение мультипликатора повышает эффективность системы и снижает первоначальные затраты и техническое обслуживание. Однако низкоскоростной генератор имеет значительно больший диаметр для размещения большого количества полюсов по периметру, что может привести к увеличению расходов на генератор и его установку. Это может привести к увеличению стоимости.

Преимущества [28, 44]:

• СГПМ может обеспечить полное регулирование скорости.

• СГПМ позволяет избежать мультипликатора, поэтому при порывах ветра не возникает проблем с механическими напряжениями в нем.

• СГПМ не нуждается в кольцах и щетках, следовательно, потребуется меньше обслуживания.

• СГПМ может управлять активной мощностью и реактивной мощностью. Схемы управления относительно просты и легко реализуются.

Недостатки [28, 38, 45]:

• Мощность ПЧ равна установленной мощности генератора. Это означает, более высокие потери в ПЧ, более высокие гармонические искажения или необходимость использования больших фильтров, более высокую стоимость ПЧ.

• СГПМ обычно представляет собой многополюсный генератор, который относительно большой и тяжелый и вызывает неудобства для установки.

• СГПМ нуждается в постоянных магнитах, что увеличивает стоимость по сравнению с АГ.

• Постоянные магниты подвержены риску размагничивания при высокой температуре.

- ВЭУ с последовательным соединением статорных и роторных обмоток через ПЧ (Тип 5). Рассматриваемая ВЭУ отличается от традиционных систем ВЭУ на базе АГДП, рассмотренных ранее, последовательным соединением статорных и роторных обмоток АМФР через ПЧ [46-48]. В основу построения структуры положен известный, например, из теории двигателей постоянного тока принцип компаундирования. Исследовались режимы работы при выше синхронной скорости. При этом вместо ЧКП1 использовался обычный выпрямитель, а на ЧКП2 была возложена функция инвертирования напряжения.

Определяющим процессы в роторной цепи здесь является статорная обмотка. Первопричиной этого процесса является потребление ею из сети реактивной мощности (намагничивания). В результате статорная обмотка при этом проявляет свойства, близкие к свойствам источника тока. При этом на двух участках цепи переменного тока (в роторной обмотке, а также на выходе ТИН) он имеет форму, близкую к синусоидальной (с разными частотами). Примечательно в связи с этим, что выпрямитель выпрямляет здесь не трехфазное напряжение ротора, а его трехфазный ток синусоидальной формы, и поэтому он работает не в традиционном двухвентильном, а в трехвентильном режиме (когда одновременно открыты не два, а три диода). При этом ток на его выходе имеет явно выраженные пульсации с частотой 6·fr , где fr – частота тока ротора. Что касается тока на входе ТИН, то он имеет форму постоянного тока также с пульсациями (правда, с менее выраженными) частоты 6·fs , где fs – частота тока статора. Основные гармоники фазных напряжений ротора совпадают по фазе со своими токами, что свидетельствует о том, что ротор отдает в сеть (через ТИН, т.е. ЧКП2) только активную мощность. В свою очередь, на выходе ТИН имеет место такая же ситуация – основные гармоники фазных напряжений тоже совпадают по фазе со своими токами, которые являются частью тока статора, т.е. ТИН преобразует активную мощность ротора с частотой fr в активную мощность с частотой тока fs , которая суммируется с полным (активно-индуктивным) током статора и отдается в сеть.

В соответствии с известным принципом работы ТИН параллельно с сетью для увеличения отдаваемой в сеть активной мощности ЭДС инвертора ЕИ нужно сдвигать в сторону опережения (относительно сетевого напряжения) на угол θ при одновременном соответствующем увеличении модуля этой ЭДС [42]. Если это увеличение реализовать невозможно, как в данном случае (т.е. при увеличении только угла θ), то вместо увеличения отдаваемой в сеть активной мощности происходит ее уменьшение при одновременном увеличении потребляемой из сети реактивной мощности. Для подтверждения этих представлений была проведена серия экспериментов. Исследование проводилось в диапазоне изменения скольжения s=(–0,05÷–0,3). Изменение частоты вращения вала n задавалось изменением момента вращения Мэм. При каждом значении параметра n экспериментально определялось значение угла θ, при котором значение отдаваемой в сеть активной мощности оказывалось максимальным. Примечательно, что даже при простейшем π-алгоритме управления ТИН искажения тока крайне малы, что может быть объяснено наличием в статорной обмотке значительной индуктивности рассеяния (и в дальнейшем должно быть подтверждено). Потребление статорной обмоткой из сети реактивной мощности является первым и основным недостатком этой структуры. Второй ее недостаток заключается в принципиальной невозможности работы в области положительных значений скольжений. К положительным качествам структуры следует отнести низкий уровень напряжений, при которых работают выпрямитель и ТИН, что позволяет использовать полевые транзисторы (MOSFET). Дальнейшие исследования должны быть направлены на исключение выше указанных недостатков. Поставленная цель может быть достигнута использованием вместо пассивного выпрямителя четырехквадрантного преобразователя и методической проработкой алгоритмов управления данной структурой, которая необходима для ее проектирования и для синтеза системы управления АГДП. В конечном счете, реактивная мощность АГДП при всех значениях скольжения должна обеспечиваться не статорной, а роторной обмоткой, а в сеть должна отдаваться только активная мощность. Дальнейшие исследования данного варианта ВЭУ, по мнению авторов патента, требуют значительных временных затрат на получение дополнительной информации с помощью компьютерного моделирования для разработки системы управления ПЧ, обеспечивающей работоспособность этого варианта в динамических режимах при ниже и выше синхронной скорости. Поэтому было принято решение, в рамках представляемой диссертации автору сосредоточиться на исследовании структуры ВЭУ на базе АГДП, которая в настоящее время наиболее часто используются в ветроэнергетике.

Выводы. Представлены современное состояние энергетики и спрос на электроэнергию. Проанализирована возможность применения ветроэлектрической установки (ВЭУ). Проведен обзор структур сетевых ВЭУ, включая предложенную новую структуру ВЭУ. Отмечены их преимущества и недостатки. Выявлено, что в настоящее время для ВЭУ больших мощностей наиболее часто используются асинхронные генераторы двойного питания (АГДП). Несмотря на большое число публикаций, посвященных модельному описанию (МО) процессов асинхронной машины (АМ) в двигательном режиме, публикаций по АМ, работающей в генераторном режиме, тем более в режиме параллельной работы с сетью, значительно меньше. При этом далеко не на все вопросы в них можно найти исчерпывающие ответы. Поэтому далее необходимо создание по возможности наиболее полного информационно-методического обеспечения для реализации процедуры инженерного проектирования АГДП, причем приоритетной целью является наиболее ясное и убедительное описание физических процессов в нем – как необходимое условие для грамотного синтеза силовой части преобразователь частоты и ее системы управления.

Литература

1. Felix A. Farret, M. Godoy Simões. Modeling and Analysis with Induction Generators. CRC Press, 2015. – 468 p.

2. Ботвинник М.М. Асинхронизированная синхронная машина. М.: Госэнергоиздат, 1960. – 38 c.

3. Шакарян Ю. Г. Асинхронизированные синхронные машины / М.: Энергоатомиздат, 1984. – 192 с.

4. Кьо Зо Лин. Исследование возможностей улучшения показателей качества автономной системы генерирования напряжения стабильной частоты на базе синхронизированного асинхронного генератора : автореф. дис. канд. тех. наук: 05.09.03/ Кьо Зо Лин – МЭИ, М., 2012. – 20 с.

5. Герман – Галкин С.Г., Аналитическое и модельное исследование асинхронной машины с фазным ротором при положительных скольжениях. Электротехника № 7/2015, с. 58-65.

6. Никишин А.Ю., Казаков В.П. Современные ветроэнергетические установки на базе асинхронных машин // Современные проблемы науки и образования. – № 6/2012.

7. Грузкова С.А., Электрооборудование летательных аппаратов: учебник для вузов. В двух томах/под редакцией С.А. Грузкова. Том 1. Системы электроснабжения летательных аппаратов. – М.: Издательство МЭИ, 2005. – 568 с.

8. Безруких П.П. Ветроэнергетика (Справочное и методическое пособие) / М.: изд. «Энергия», 2010. – 320 с.

9. Ke Ma. Power Electronics for the Next Generation Wind Turbine System. Springer, 2015. – 198 p.

10. Dara (2012): Climate Vulnerability Monitor 2nd.

11. Vietnam electricity annual report 2016.

12. PDP VII: Prime Minister Decision № 1208/QD-TTg.

13. Made in Vietnam Energy Plan, Oct. 2016 for the Vietnam business forum by Economic consulting associates.

14. UPI Asia – Energy Resources Vietnam’s high wind power potential, Article, July 2009, retrieved 28.7.2011.

15. GIZ (2016) Wind Investment Guidelines Vol 1/Vol 2. Energy Support Program, Hanoi.

16. Erich Hau, Horst von Renouard Wind Turbines: Fundamentals, Technologies, Application, Economics / 2nd edition, Springer, 2005. – 783 р.

17. Шефтер Я И., Рождественский И. В. Ветронасосные и ветроэлектрические агрегаты / М.: изд. «Колос», 1967. – 376 с.

18. ГОСТ Р 51990 – 2002 Установки ветроэнергетические. Классификация.

19. ГОСТ Р 51237 – 1998 Нетрадиционная энергетика. Ветроэнергетика. Термины и определения.

20. Ackermann T. Wind Power in Power Systems / John Wiley & Sons, Ltd., New York, NY, USA, 2005. – 745 p.

21. Olimpo Anaya-Lara, Nick Jenkins, Janaka B. Ekanayake, Phill Cartwright, Michael Hughes. Wind Energy Generation: Modelling and Control / John Wiley & Sons, Ltd., 2009. – 288 p.

22. Akwarandu J. Wind Mills and Transmission System Interaction / Department of Electric Power Engineering Chalmers University of Technology Goteborg, Sweden, 2006. – 64 p.

23. Hansen A.D. Generators and Power Electronics for wind turbines / Chapter in "Wind Power in Power systems", John Wiley&Sons, Ltd., 2004. – 24 p.

24. Rosario Llorente Iglesiasa, Roberto Lacal Aranteguia, Monica Aguado Alonsob. Power electronics evolution in wind turbines - A market-based analysis / Renewable and Sustainable Energy Reviews, Vol. 15(9), 2011. – p. 4982-4993.

25. Holdsworth L., Wu X., Ekanayake J. B. and Jenkins N. (2003) Comparison of fixed speed and doubly-fed induction wind turbines during power system / Wind Energy Generation: Modelling and Control disturbances, IEE Proceedings: Generation, Transmission and Distribution, Vol. 150(3), 2003. – p. 343- 352.

26. Торопцев Н.Д. Авиационные асинхронные генераторы. – М.: Транспорт, 1970. – 204 с.

27. S. M. Muyeen, S. Shishido, M. H. Ali, R. Takahashi, T. Murata, and J. Tamura. Application of energy capacitor system to wind power generation / Wind Energy, Vol. 11(4), 2008. – p. 335-350.

28. Bin Wu, Yongqiang Lang, Navid Zargari, Samir Kouro Power Conversion and Control of Wind Energy Systems / Wiley-IEEE Press, Aug 2011. – 480 р.

29. Burton T., Sharpe D., Jenkins N. and Bossanyi E. Wind Energy Handbook / John Wiley & Sons, Ltd., Chichester, 2015. – 784 p.

30. Thiringer T., Petersson A. and Petru T. Grid disturbance response of wind turbines equipped with induction generator and doubly-fed induction generator / Power Engineering Society General Meeting, IEEE, Vol. 3, 2003. – p. 13-17.

31. Florin Iov, Frede Blaabjerg Power Electronics and Control for Wind Power Systems / PEDS'07 Conference, Bangkok, Thailand, 2007. – p. 6-23.

32. Мазалов А.А. Электротехнический комплекс с адаптивным управлением для ветроэнергетической установки переменного тока : автореф. дис. канд. тех. наук : 05.09.03/ Мазалов Андрей Андреевич – РГУПС, Новочеркасск, 2012. – 20 с.

33. Muller S., Deicke M. and De Doncker R.W. Doubly fed induction generator systems for wind turbines / IEEE Industry Applications Magazine, Vol. 8(3), 2002. – p. 26-33.

34. F. Wu, X.P. Zhang, and P. Ju Modeling and control of the wind turbine with the direct drive permanent magnet generator integrated to power grid / Proceedings of the 3rd International Conference on Deregulation and Restructuring and Power Technologies (DRPT ’08), Nanjuing, China, April 2008. – p. 57-60.

35. M. Andriollo, M. De Bortoli, G. Martinelli, A. Morini, and A. Tortella Control strategy of a wind turbine drive by an integrated model / Wind Energy, Vol. 12(1), 2009. – p. 33-49.

36. G. Michalke and A. D. Hansen Modelling and control of variable speed wind turbines for power system studies / Wind Energy, Vol. 13(4), 2010. – p. 307- 322.

37. J. Zhao, W. Zhang, Y. He, and J. Hu Modeling and control of a windturbine-driven DFIG incorporating core saturation during grid voltage dips / Proceedings of the 11th International Conference on Electrical Machines and Systems (ICEMS ’08), October 2008. – p. 2438-2442.

38. H. Li and Z. Chen Overview of Different Wind Generator Systems and Their Comparisons / IET Renewable Power Generation, Vol. 2(2), August 2008. – p. 123-138.

39. Нгуен Хыу Нам, А.В.Берилов, В.Г.Ерѐменко, г.с.Мыцык, Мьѐ Мин Тант. Исследование системы генерирования на базе асинхронного генератора двойного питания в режиме параллельной работы с сетью. Практическая силовая электроника, №2(70), 2018. – c. 2-11.

40. F. Iov, M. Ciobotaru and F. Blaabjerg Power Electronics Control of Wind Energy in Distributed Power Systems / 11th International Conference on Optimization of Electrical and Electronic Equipment, Brasov, May 2008. – p. XXIX-XLIV.

41. Мещеряков В. И. Исследование системы АД, включенной по схеме МДП / В. И. Мещеряков, С. Г. Арчентов, Ю. В. Карих // Вестник ЛГТУ. 2001. – №1. – c. 77-84.

42. Горякин Д.В. Исследование новых возможностей совершенствования машинно-вентильных генерирующих систем для малой энергетики и автономных объектов: автореф. дис. канд. тех. наук : 05.09.03/ Горякин Д.В. – МЭИ, М., 2013. – 20 с.

43. Z. Qiu, K. Zhou, and Y. Li Modeling and control of diode rectifier fed PMSG based wind turbine / Proceedings of the 4th International Conference on Electric Utility Deregulation and Restructuring and Power Technologies (DRPT ’11), July 2011. – p. 1384-1388.

44. Akhmatov V., Nielsen A. F., Pedersen J. K. and Nymann O. Variable-speed wind turbines with multi-pole synchronous permanent magnet generators / Part 1: modelling in dynamic simulation tools, Wind Engineering, Vol. 27, 2003. – p. 531-548.

45. S. Benelghali, M. E. H. Benbouzid and J. F. Charpentier Comparison of PMSG and DFIG for Marine Current Turbine Applications / XIX International Conference on Electrical Machines, Rome, September 2010. – p. 1-6.

46. В.Г. Еременко, А.В. Берилов, Нгуен Хыу Нам Патент РФ на полезную модель №151665. «Асинхронизированный синхронный генератор». Опубликовано 10.04.2015 Бюл. №10.

47. А.В. Берилов, В.Г. Ерѐменко, Нгуен Хыу Нам Исследование асинхронного генератора с фазным ротором с последовательным соединением статорных и роторных обмоток через преобразователь частоты / Вестник МЭИ, №4, 2016. – c. 56-61.

48. Нгуен Хыу Нам, Мыцык Г.С. О структурно-алгоритмической организации силовой машинно-электронной части ветроэлектрических установок, работающих параллельно с сетью / Новое в Российской Электроэнергетике, Ежемесячный научно-технический электронный журнал, № 10, 2018, стр. 6-22.

49. Вольдек А.И. Электрические машины. Учебник для студентов высш. техн. учебн. заведений. – 3-е изд., перераб. – Л.: Энергия, 1978. – 832 с.

50. И.П.Копылов Математическое моделирование электрических машин: Учеб. для вузов / М.: Изд. «Высшая школа», 2001. – 327 с.

51. Соколовский Г.Г. Электроприводы переменного тока с частотным регулированием. М.:Академия , 2006. – 265 с.

52. J. B. Ekanayake, L. Holdsworth, X. Wu and N. Jenkins Dynamic Modeling of Doubly Fed Induction Generator Wind Turbines / IEEE Transactions on Power Systems, Vol.18(2), May 2003. – p. 803-809.

53. Istvan Erlich, Jörg Kretschmann, Jens Fortmann, Stephan MuellerEngelhardt and Holger Wrede Modeling of Wind Turbine Based on Doubly- 134 Fed Induction Generators for Power System Stability Studies / IEEE Transactions on Power Systems, Vol. 22(3), August 2007. – p. 909-919.

54. I. Erlich and F. Shewarega Modeling of Wind Turbines Equipped with Doubly-Fed Induction Machines for Power System Stability Studies / 2006 IEEE Power Systems Conference and Exposition, November 2006. – p. 978-985.

55. Katherine Elkington and Mehrdad Ghandhari Comparison of Reduced Order Doubly Fed Induction Generator Models for Nonlinear Analysis / IEEE Electrical Power & Energy Conference, October 2009. – p. 1-6.

56. P. Sørensen, A. D. Hansen, T. Lund and H. Bindner Reduced Models of Doubly Fed Induction Generator System for Wind Turbine Simulations / Wind Energy, Vol. 9(4), August 2006. – p. 299-311.

57. A. Samuel Neto, S.L.A. Ferreira, J.P. Arruda, F.A.S. Neves, P.A.C. Rosas and M.C. Cavalcanti Reduced Order Model for Grid Connected Wind Turbines with Doubly Fed Induction Generators / IEEE International Symposium on Industrial Electronics, June 2007. – p. 2655-2660.

58. Alireza Abbaszadeh, Saeed Lesan and Vahid Mortezapour Transient Response of Doubly Fed Induction Generator Under Voltage Sag Using an Accurate Model / 2009 IEEE PES/IAS Conference on Sustainable Alternative Energy (SAE), September 2009. – p. 1-6.

59. Jae-Ho Choi, Hyong-Cheol Kim and Joo-Sik Kwak Indirect Current Control Scheme in PWM Voltage-Sourced Converter / Proceedings of the Power Conversion Conference, Nagaoka, August 1997. – p. 277-282.

60. Vladimir Blasko and Vikram Kaura A New Mathematical Model and Control of a Three-Phase AC-DC Voltage Source Converter / IEEE Transactions on Power Electronics, Vol. 12(1), January1997. – p. 116-123.

61. Bong-Hwan Kwon, Jang-Hyoun Youm and Jee-Woo Lim A Line-VoltageSensorless Synchronous Rectifier / IEEE Transactions on Power Electronics, Vol. 14(5), September 1999. – p. 966-972.

62. Yan Guo, Xiao Wang, Howard C. Lee and Boon-Teck Ooi Pole-Placement Control of Voltage-Regulated PWM Rectifiers Through Real-Time Multipro- 135 cessing / IEEE Transactions on Industrial Engineering, Vol. 41(2), April 1994. – p. 224-230.

63. L. J. Ontiveros, P. E. Mercado and G. O. Suvire A New Model of the Double-Feed Induction Generator Wind Turbine / 2010 IEEE Transmission and Distribution Conference and Exposition, Latin America, November 2010. – p. 263-269.

64. José R. Rodríguez, Juan W. Dixon, José R. Espinoza, Jorge Pontt and Pablo Lezana PWM Regenerative Rectifiers: State of the Art / IEEE Transactions on Industrial Electronics, Vol. 52(1), February 2005. – p. 5-22.

65. Управление ориентацией поля в электроприводах [Электронный ресурс]. Режим доступа: http://www.russianelectronics.ru/leaderr/review/40498/doc/ 47906

66. Виноградов А.Б. Векторное управление электроприводами переменного тока / Иваново, 2008. – 298 с.

67. Александров В.В. Оптимальное управление движением / М.: физматлит, 2005. – 376 с.

68. Ляпин А.С. Структурная модель, модельное исследование динамики электропривода с машиной двойного питания и прямым управлением моментом / Научно-технический вестник информационных технологий, механики и оптики, № 4 (80), 2012. – c. 60-64.

69. Усольцев А.А. Частотное управление асинхронными двигателями Учебное пособие / СПб: СПбГУ ИТМО, 2006. – 94 с.

70. Семенов В.В. Автономная система электроснабжения на основе асинхронизированного синхронного генератора : автореф. дис. канд. тех. наук : 05.09.03/ Семенов Василий Владимирович – УГАТУ, Уфа, 2008. – 19 с.

71. Wei Qiao, Wei Zhou, José M. Aller, and Ronald G. Harley Wind Speed Estimation Based Sensorless Output Maximization Control for a Wind TurbineDriving a DFIG / IEEE Transactions on Power Electronics, Vol. 23(3), May 2008. – p. 1156-1169.

72. Arantxa Tapia, Gerardo Tapia, J. Xabier Ostolaza and José Ramón Sáenz Modeling and Control of a Wind Turbine Driven Doubly Fed Induction Generator / IEEE Transactions on Energy Conversion, Vol. 18(2), June 2003. – p. 194-204.

73. R. Pena, J. C. Clare and G. M. Asher Doubly fed induction generator using back-to-back PWM converters and its application to variable-speed windenergy generation / IEE Proceedings Electric Power Applications, Vol. 143(3), May 1996. – p. 231-241.

74. S. Chondrogiannis and M. Barnes Stability of Doubly-Fed Induction Generator Under Stator Voltage Orientated Vector Control / IET Renewable Power Generation, Vol. 2(3), September 2008. – p. 170-180.

75. Carles Batlle, Arnau D`oria-Cerezo and Romeo Ortega A Stator Voltage Oriented PI Controller For The Doubly-Fed Induction Machine / Proceedings of the 2007 American Control Conference, NY, USA, July 2007. – p. 5438- 5443.

76. Shuhui Li, Rajab Challoo and Marty J. Nemmers Comparative Study of DFIG Power Control Using Stator-Voltage and Stator-Flux Oriented Frames / IEEE Power & Energy Society General Meeting, July 2009. – p. 1-8.

77. I. Takahashi and T. Noguchi A New Quick-Response and High Efficiency Control Strategy of an Induction Machine / IEEE Transaction on Industry Application, Vol. 22(5), October 1986. – p. 820-827.

78. I. Takahashi and Y. Ohmori High-Performance Direct Torque Control of an Induction Motor / IEEE Transaction on Industry Application, Vol. 25(2), March/April 1989. – 257-264 p.

79. Toshihiko Noguchi, Hiroaki Tomiki, Seiji Kondo and Isao Takahashi Direct Power Control of PWM Converter Without Power-Source Voltage Sensors / IEEE Transaction on Industry Application, Vol. 34(3), May/June 1998. – p. 473-479.

80. Jihen Arbi, Manel Jebali-Ben Ghorbal, Ilhem Slama-Belkhodja and Lotfi Charaabi Direct Virtual Torque Control for Doubly Fed Induction Generator 137 Grid Connection / IEEE Transactions on Industrial Electronics, Vol. 56(10), October 2009. – p. 4163-4173.

81. M. Tazil, V. Kumar, R. C. Bansal, S. Kong, Z. Y. Dong, W. Freitas and H. D. Mathur Three-phase doubly fed induction generators: an overview / IET Electric Power Applications, Vol. 4(2), February 2010. – p. 75-89.

82. Domenico Casadei, Francesco Profumo, Giovanni Serra and AngeloTani FOC and DTC: Two Viable Schemes for Induction Motors Torque Control / IEEE Transactions on Power Electronics, Vol. 17(5), September 2002. – p. 779-787.

83. Etienne Tremblay, Sergio Atayde, and Ambrish Chandra Comparative Study of Control Strategies for the Doubly Fed Induction Generator in Wind Energy Conversion Systems: A DSP-Based Implementation Approach / IEEE Transactions on Sustainable Energy, Vol. 2(3), July 2011. – p. 288-299.

84. Народицкий А.Г. Современное и перспективное алгоритмическое обеспечение частотно-регулируемых электроприводов / Изд. СанктПетербургская Электротехническая Компания, 2004. – 127 с.

85. Dawei Zhi, Lie Xu and Barry W. Williams Model-Based Predictive Direct Power Control of Doubly Fed Induction Generators / IEEE Transactions On Power Electronics, Vol. 25(2), February 2010. – p. 341-351.

86. Lie Xu, Dawei Zhi and Barry W. Williams Predictive Current Control of Doubly Fed Induction Generators / IEEE Transactions on Industrial Electronics, Vol. 56(10), October 2009. – p. 4143-4153.

87. Jiefeng Hu, Jianguo Zhu and D. G. Dorrell A Comparative Study of Direct Power Control of AC/DC Converters for Renewable Energy Generation / 37th Annual Conference on IEEE Industrial Electronics Society, November 2011. – p. 3578-3583.

88. Boubekeur Boukhezzar and Houria Siguerdidjane Nonlinear Control of a Variable-Speed Wind Turbine Using a Two-Mass Model / IEEE Transactions on Energy Conversion, Vol. 26(1), March 2011. – p. 149-162.

89. V. Akhmatov Analysis of dynamic behaviour of electric power systems with large amount of wind power / Ph.D Thesis, Electric Power Engineering, Ørsted-DTU, Technical University of Denmark, 2003. – 271 p.

90. G. Abad, J. s. Lo´pez, M. A. Rodrı´guez, L. Marroyo, and G. Iwanski Doubly fed induction machine: Modeling and control for wind energy generation / Wiley, 2011. – 633 p.

91. Цгоев Р.С., Нетрадиционная ветроэнергетика: учебное пособие по курсу "Нетрадиционная энергетика" по программе подготовки "Энергоустановки на основе возобновляемых видов энергии" направления 140400 "Электроэнергетика и электротехника". М.: Издательский дом МЭИ, 2014. – 168 с.

92. A.D. Hansen, P. Sørensen, F. Iov, and F. Blaabjerg Control of variable speed wind turbines with doubly-fed induction generators / Wind Engineering, Vol. 28(4), 2004. – p. 411-432.

93. Peter vas Vector control of ac machines / Oxford University press, 1990. – 352 p.

94. Сипайлов Г.А. и др. Электрические машины (специальный курс): Учеб. Для вузов по спец. «Электрические машины» / Г.А. Сипайлов, Е.В. Кононенко, К.А. Хорьков - 2-е изд., перераб. идоп. - М.: Высш. шк., 1987. – 287 с.

95. Копылов, И. П. Математическое моделирование асинхронных машин / И. П. Копылов, Ф. А. Мамедов, В. Я. Беспалов . – М. : Энергия, 1969 . – 96 с.

96. Самородов Г.И., Хорошев Н.И. О системе замещения синхронного генератора при расчетах электромагнитных переходных процессов. / Тр. Сиб. НИИЭ, 1976. вып. 31. – 127 с.

97. Слежановский, О. В. Системы подчиненного регулирования электропривода переменного тока с вентильными преобразователями / О. В. Слежановский, Л. Х. Дацковский, И. С. Кузнецов [и др.]. – М. : Энергоатомиздат, 1983. – 256 c. 139

98. Ковач К. П., Рац И. Переходные процессы в машинах переменного тока / Изд.: Москва-Ленинград, Госэнергоиздат, 1963. – 735 с.

99. Герман-Галкин С.Г. Компьютерное моделирование полупроводниковых систем в Matlab 6.0: учебное пособие / СПб.: КОРОНА принт, 2001. – 320 с.

100. Терехин В.Б. Моделирование систем электропривода в Simulink (Matlab 7.0.1): учебное пособие / Томск: Изд-во Томского политехнического университета, 2008. – 320 с.

101. Веников В.А. Переходные электромеханические процессы в электрических системах: Учебник для электроэнергетических специальностей вузов / Изд. 4-е. – М.:Высшая школа, 1985. – 536 с.

102. Стернинсон Л.Д. Переходные процессы при регулировании частоты и активной мощности в электрических системах / М.:Энергия,1975. – 328 с.

103. Радин В.И., Загорский А.Е., Шакарян Ю.Г. Управляемые электрические генераторы при переменной частоте / М.: Энергия, 1978. – 152 с.

104. Важнов А.И. Переходные процессы в машинах переменного тока / Л.:Энергия, 1980. – 256 с.

105. Иванов-Смоленский А.В. Электрические машины. Учебник для вузов / М.:Энергия, 1980. – 928 с.

106. Xiaoxu Fan, Yuegang Lv, Yan Bai and Daping Xu. Hybrid System Modeling and Analysis for Power Grid Side Converter Modulated by SVPWM Technology of the Double-fed Induction Wind Power Generator / Fourth International Conference on Natural Computation, October 2008. – p. 143-148.

107. Xing Zhang Study on the PWM Rectifier and It's Control Strategies / Hefei University of Technology, Ph.D. dissertation, 2003.

108. Горякин Д.В., Мыцык Г.С. Исследование режимов работы трехфазной мостовой инверторной схемы / Электричество, №5, 2012. – c. 23-31.

109. Juan W. Dixon and Boon-Teck Ooi Indirect Current Control of a Unity Power Factor sinusoidal Current Boost Type Three-phase Rectifier / IEEE 140 Transactions on Industrial Electronics, Vol. 35(4), November 1988. – p. 508- 515.

110. B. Hopfensperger; D.J. Atkinson; R.A. Lakin Stator-flux-oriented control of a doubly-fed induction machine with and without position encoder / IEE Proceedings - Electric Power Applications, Vol. 147(4), July 2000. – p. 241- 250.

111. Розанов Ю.К. Силовая электроника : учебник для вузов по направлению "Электроника, электромеханика и электротехнологии" / Ю. К. Розанов, М. В. Рябчицкий, А. А. Кваснюк . – М. : Издательский дом МЭИ, 2007 . – 632 с.

#энергетика #электроэнергетика #электроснабжение #виэ #возобновляемая энергетика #возобновляемые источники энергии

#энергосбережение #ресурсосбережение #вэу #техническая литература