Найти в Дзене
TehnoPanda

Контроллер исполнительного механизма КИМ1 (часть 2)

Настоящее руководство по эксплуатации предназначено для ознакомления потребителя с контроллером исполнительного механизма КИМ1с целью обеспечения полного использования его технических возможностей при эксплуатации. РЭ содержит описание устройства и функциональных возможностей контроллера, а также сведения по эксплуатации, транспортированию и хранению. Материал технического паспорта взят из Базы данных промышленного оборудования "АИСТ" . В базе данных АИСТ содержится свыше 85 тысяч технических паспортов. При нынешнем темпе размещения в Яндекс.Дзен этого хватит на 170 лет.. ЯЛБИ.421413.002 РЭ <<< Начало В Н И М А Н И Е! До изучения руководства по эксплуатации изделие не включать! Надежность и долговечность контроллера исполнительного механизма КИМ1 обеспечиваются не только качеством изделия, но и правильным соблюдением режимов и условий эксплуатации, поэтому соблюдение всех требований, изложенных в настоящем руководстве по эксплуатации, является обязательным. В связи с систематически пр

Настоящее руководство по эксплуатации предназначено для ознакомления потребителя с контроллером исполнительного механизма КИМ1с целью обеспечения полного использования его технических возможностей при эксплуатации.

РЭ содержит описание устройства и функциональных возможностей контроллера, а также сведения по эксплуатации, транспортированию и хранению.

Материал технического паспорта взят из Базы данных промышленного оборудования "АИСТ" .

В базе данных АИСТ содержится свыше 85 тысяч технических паспортов. При нынешнем темпе размещения в Яндекс.Дзен этого хватит на 170 лет..

ЯЛБИ.421413.002 РЭ

<<< Начало

В Н И М А Н И Е! До изучения руководства по эксплуатации изделие не включать!

Надежность и долговечность контроллера исполнительного механизма КИМ1 обеспечиваются не только качеством изделия, но и правильным соблюдением режимов и условий эксплуатации, поэтому соблюдение всех требований, изложенных в настоящем руководстве по эксплуатации, является обязательным.

В связи с систематически проводимыми работами по совершенствованию конструкции и технологии изготовления возможны небольшие расхождения между руководством по эксплуатации и поставляемым изделием, не влияющие на технические характеристики изделия, на условия его монтажа и эксплуатации.

Содержание

1.5 Общие сведения о функционировании контроллера

1.5.1 Схемы подключения контроллера

1.5.2 Самоконтроль работоспособности аппаратуры

1.5.3 Управление движением выходного органа ЭП

1.5.4 Контроль исправности и защитное отключение

1.5.5 Работа контроллера

1.5.6 Ячейки ввода-вывода

1.5.7 Управление, настройка и калибровка контроллера

1.6 Маркировка

1.7 Упаковка

2 Использование по назначению

2.1 Эксплуатационные ограничения

2.2 Использование контроллера

2.3 Действия в экстремальных условиях

3 Техническое обслуживание

4 Текущий ремонт

5 Хранение

6 Транспортирование

7 Утилизация

Приложения

А Перечень документов, на которые даны ссылки в настоящем РЭ

Б Параметры настройки контроллера

В Адреса регистров MODBUS. Поддержка протокола Modbus-RTU (RS-485)

Г Система меню контроллера

1.5 Общие сведения о функционировании контроллера

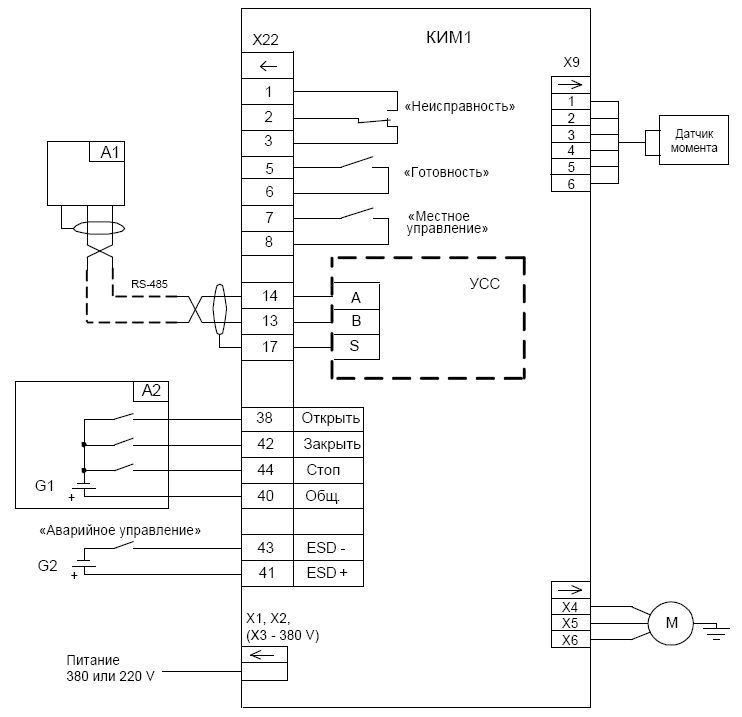
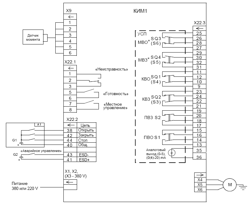
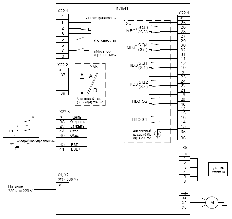
1.5.1 Схемы подключения контроллера

В зависимости от назначения контроллер комплектуется дополнительными элементами, которые определяют его функциональность.

Схемы подключения контроллеров различных исполнений представлены на рисунках 7-10.

Далее приводятся полные сведения о функционировании контроллера, реализованные в программном обеспечении. Выполнение отдельных функций может зависеть от наличия в составе контроллера дополнительных блоков или подключения внешних устройств. При этом соответствующим образом должны быть настроены параметры контроллера, приведенные в приложении Б.

1.5.2 Самоконтроль работоспособности аппаратуры

Контроллер выполняет самоконтроль работоспособности аппаратуры. Проверяется исправность следующих элементов при их наличии:

  • обмен данными по внутренней шине SPI;
  • контроль тока одной фазы двигателя – контролируется перегрузка по номинальному току при движении ЭП между конечными положениями и перегрузка по току "дожима" при уплотнении арматуры в конечном положении. Обе уставки контроля тока настраиваются переменными резисторами;
  • при наличии УСП или УСПС проверяется наличие связи по интерфейсу SPI с HDO – ячейкой дискретного вывода;
  • исправность датчиков положения, момента.

1.5.3 Управление движением выходного органа ЭП

1.5.3.1 Управление движением означает автоматические (предопределенные настройкой параметров) действия контроллера в зависимости от наличия сигналов управления, показаний датчиков положения, момента и направления движения.

1.5.3.2 Контроль направления движения

1.5.3.2.1 Направление вращения трехфазного двигателя зависит от чередования фаз, подключенных к его обмоткам.

При ремонтных, монтажных работах в сетях электропитания, чередование фаз, подводимых к двигателю привода, может измениться. При этом двигатель будет вращаться в сторону, противоположную правильной. Для предотвращения такой ситуации контроллер может выполнять контроль направления вращения.

Направление вращения контролируется по изменению показаний датчика положения. Решение о правильности направления включения принимается после изменения показаний датчика на 1,5 %. При неправильном направлении двигатель ЭП выключается и появляется признак неисправности "неправильное направление включения". Направление включения может быть изменено параметром C2.

ВНИМАНИЕ: ЗАПРЕЩАЕТСЯ ИСПОЛЬЗОВАНИЕ РУЧНОГО ПРИВОДА ПРИ НАЛИЧИИ СИГНАЛОВ УПРАВЛЕНИЯ, ТАК КАК ЭТО МОЖЕТ ПРИВЕСТИ К НЕПРАВИЛЬНОМУ ВЫПОЛНЕНИЮ ДАННОЙ ФУНКЦИИ!

1.5.3.3 Реверс направления движения

1.5.3.3.1 Направление вращения выходного органа привода в сторону закрытия может быть задано параметром С1, как по часовой стрелке, так и против. При этом соответствующим образом изменяются и показания датчика положения.

1.5.3.4 Старт-стопное движение

1.5.3.4.1 Старт-стопное движение может использоваться для замедления закрытия и/или открытия запорной арматуры при дискретном управлении (от дискретных входов или дискретном управлении по сети).

Параметры группы К позволяют задать положение начала и конца старт-стопного движения, время импульса и паузы, — индивидуально в направлении открытия и закрытия.

1.5.3.5 Пропорциональное старт-стопное движение

1.5.3.5.1 При аналоговом управлении задается требуемое положение привода. Это может быть сделано как входным аналоговым сигналом, так и по сети. Привод может отрабатывать достижение этого положения как непрерывно, так и с использованием пропорционального старт-стопного движения. Период включения привода задается соответствующим параметром, а скважность определяется величиной рассогласования требуемого положения и текущего.

1.5.3.6 Поведение в граничных зонах

1.5.3.6.1 При открытии или закрытии задвижки контроллер может выполнять останов в конечной точке либо по положению, либо по моменту.

Требуемое поведение задается значением параметра С3:

  • "0" – отсутствие "дожима";
  • "1" – "дожим" только при закрытии;
  • "2" – "дожим" и при закрытии, и при открытии;
  • "3" – срабатывание по концевым и моментным выключателям.

Значение параметра C3=3 приводит к безусловному останову привода по сигналам концевых и моментных выключателей.

1.5.3.6.2 Положение останова задается параметрами D1 и D2, момент останова – параметрами D5 и D6.

1.5.3.6.3 Дожим может выполняться непрерывно или импульсами (для более точного достижения требуемого момента). Необходимость и особенности импульсного дожима задаются параметрами C4 – C6. Параметр C4 (упреждение импульсного дожима) задает, насколько меньше значений параметров D5, D6 должен быть момент, при котором начинается импульсный дожим. При использовании моментных выключателей ненулевое значение параметра C4 разрешает импульсный дожим. Значение C4 = 0 означает отсутствие импульсного дожима.

После останова в конечной точке по положению или моменту данное направление движения блокируется до включения двигателя в обратную сторону. Это позволяет избежать эффекта "молотка", когда привод пытается "дожать" задвижку для поддержания требуемых показаний датчика момента.

Начало дожима определяется по достижению положения концевого выключателя (КВ). При дожиме контролируется ток двигателя (резистор Rx) и время дожима (J5). При превышении этих параметров срабатывает защитное отключение, и устанавливаются признаки предупреждений.

При включении в другую сторону признаки предупреждений сбрасываются.

1.5.3.6.4 При страгивании задвижки из открытого или закрытого положения контроль превышения момента блокируется до прохождения зоны положения, задаваемой параметрами D7, D8.

1.5.4 Контроль исправности и защитное отключение

1.5.4.1 По данным, получаемым с датчиков положения, момента, температуры, тока двигателя, а также с использованием отсчета интервалов времени контроллер поверяет исправность аппаратуры, ЭП и арматуры.

1.5.4.2 Процессор контроллера выполняет контроль исправности памяти программ (ПЗУ) и энергонезависимой памяти хранения параметров (ППЗУ) путём подсчета контрольной суммы.

При обнаружении неисправности все индикаторы на контроллере мигают синхронно в течение 5 s, затем процессор перезапускается.

П р и м е ч а н и е – Данная ситуация появляется после первого программирования процессора. После автоматического перезапуска пересчитывается контрольная сумма и сообщение исчезает.

1.5.4.3 Неисправность диагностируется при непрерывном наличии соответствующего признака в течение некоторого времени. Это позволяет уменьшить вероятность случайного срабатывания защиты. Если признак неисправности имеет количественную оценку, то время срабатывания защиты уменьшается пропорционально этой величине.

При обнаружении неисправности контроллер отключает двигатель ЭП, сигнализирует миганием индикаторов и появлением сигнала "НЕИСПРАВНОСТЬ".

После срабатывания защиты и пропадания причины часть блокировок отключается автоматически всегда, часть – заданное параметром J1 количество раз, часть – никогда.

Для автоматически отключаемых защит время действия после пропадания вызвавшей причины задается параметром J2.

Настройки некоторых защит фиксированы, для других задаются параметрами J3 – J7.

Признаки неисправности сгруппированы в отдельные коды: общий код неисправности, код неисправности аппаратуры.

Значения битов общего кода неисправности и параметры защит приведены в таблице 9.

1.5.4.4 Значения битов кода неисправности аппаратуры приведены в таблице 10.

1.5.4.5 Ряд ситуаций не вызывают срабатывания защитного отключения, но выставляют признаки (биты) в регистре предупреждений. Содержимое регистра может быть прочитано по сети или пультом настройки ПН-2. Значения битов кода предупреждений приведены в таблице 11.

1.5.4.6 Сброс защитного отключения возможен одним из следующих способов:

а) подать команду "Сброс" по сети (опция С);

б) подать команду "Сброс" с помощью пульта настройки ПН-2;

в) отключить напряжение питания контроллера;

г) нажать одновременно кнопки S1, S2, S3 встроенного ПМУ (или аналогичные кнопки внешнего ПМУ). Сброс защиты произойдет через 5 s;

д) дистанционный сброс защиты через дискретные входы управления "ОТКРЫТЬ" и "ЗАКРЫТЬ" независимо от их использования для управления. Функция выполняется при сработавшей защите (есть сигнал "НЕИСПРАВНОСТЬ, нет сигнала "ГОТОВНОСТЬ") следующим образом:

  • одновременное наличие сигналов" ОТКРЫТЬ" и "ЗАКРЫТЬ" (подать сигналы) в течение 5 s приводит к сбросу защиты, но любой вид управления блокирован (отсутствуют сигналы "ГОТОВНОСТЬ" и "НЕИСПРАВНОСТЬ");
  • затем одновременное отсутствие сигналов "ОТКРЫТЬ" и "ЗАКРЫТЬ" (снять сигналы) в течение 1 s приводит к снятию блокировки управления и продолжению нормальной работы (нет сигнала "НЕИСПРАВНОСТЬ", есть сигнал "ГОТОВНОСТЬ").

В контроллерах с опцией С аналогичным образом возможно дистанционное управление сбросом защиты через каналы 1 (открыть) и 2 (закрыть) виртуальной ячейки дискретного вывода № 2. При этом должно быть разрешено управление через виртуальные ячейки: установить значение "Вкл." для канала № 5 или № 6 ячейки № 2.

1.5.4.7 Параметры защитного отключения по току двигателя устанавливаются на заводе-изготовителе

Таблица 9 – Значения битов общего кода неисправности и параметры защит

-3

Таблица 10 – Значения битов кода неисправности аппаратуры

-4

Таблица 11 – Значения битов кода предупреждений

-5

П р и м е ч а н и я

1 Останов при дожиме по превышению тока или времени является признаком неправильной настройки и не считается неисправностью.

2 При выходе за границы допустимого диапазона входного аналогового сигнала задания положения (позиционер) контроллер выполняет предусмотренные для этого случая действия (параметр F3). При значении параметра F3=3 позиционер, как источник управления становится пассивным и управление может получить менее приоритетный источник. При других значениях параметра для индикации потери сигнала снимается сигнал ГОТОВНОСТЬ.

1.5.5 Работа контроллера

1.5.5.1 Основной функцией контроллера является управление ЭП в соответствии с командами, получаемыми от различных источников управления.

Контроллер может иметь несколько источников управления.

Их приоритет убывает в порядке перечисления:

а) сигнал "Авария";

б) местное управление;

в) пульт настройки ПН-2 (инфракрасный);

г) сеть (реальное время);

д) сеть (команды с фиксацией);

е) позиционер (аналоговый входной сигнал);

ж) дискретные входные сигналы;

з) автомат повторных включений (АПВ).

Некоторые источники управления могут быть разрешены или запрещены специальными параметрами в соответствии с приложением Б.

Разрешенный источник может быть активным или пассивным.

Управление получает наиболее приоритетный из активных источников. Если управляющий источник становится пассивным, управление получает следующий наиболее приоритетный из активных.

1.5.5.2 Управление может быть дискретным или аналоговым.

При дискретном управлении контроллер тем или иным способом получает команду включить привод в направлении открытия, закрытия, или остановить. Источниками дискретного управления могут быть а)-д), ж) и з) из перечисленных выше.

При одновременном наличии сигналов включения в обе стороны действие контроллера определяется значением параметра Е3:

  • "0" – стоп;
  • "1" – действует старый сигнал;
  • "2" – действует новый сигнал;

Это справедливо для всех источников дискретного управления.

При аналоговом управлении контроллер тем или иным способом получает аналоговую уставку – значение положения, в которое (по датчику положения) он должен привести привод и удерживать.

Аналоговое управление могут выполнять источники в) - е) из перечисленных выше.

Для каждого источника аналогового управления задаются свои наборы параметров:

  • зона пропорциональности;
  • зона нечувствительности;
  • период включения.

Из них параметры "зона пропорциональности" и "период включения" задают необходимость и особенности пропорционального старт-стопного движения. Если параметр "зона пропорциональности" равен "0", движение непрерывное.

Параметр "зона нечувствительности" задает допустимую зону отклонения положения привода относительно уставки (задания) (удвоенная величина допустимого рассогласования). При входе в зону нечувствительности контроллер пытается установить привод точно по уставке, используя для этого автоматически определяемый "выбег" привода после отключения питания двигателя. После останова привода по достижении уставки контроллер не реагирует на рассогласование задания и положения меньшее, чем половина величины зоны нечувствительности.

1.5.5.3 Сигнал "Авария"

1.5.5.3.1 Сигнал "Авария" – виртуальный сигнал дискретного управления может быть получен из реального дискретного входного сигнала или по сети. Источник управления становится активным при наличии сигнала.

Сигнал "Авария" может выполнять управление ЭП самостоятельно или совместно с сигналами дискретного управления. При значении параметра I1=0 сигнал "Авария" повышает приоритет сигналов дискретного управления. Все особенности аварийного и дискретного управления при этом сохраняются.

Действие, выполняемое по сигналу "Авария", полученного любым способом, определяется параметром I1:

  • "0" – активизация дискретного управления;
  • "1" – закрыть;
  • "2" – открыть;
  • "3" – положение;
  • "4" – стоп.

Параметр I2 задаёт положение, в которое контроллер должен привести привод по сигналу "Авария" при значении параметра I1=3.

Параметры I3, I4 определяют приоритет сигнала по отношению к другим сигналам или состояниям. Если параметр установлен в 1, сигнал "Авария" игнорирует соответствующий сигнал, если в 0, то блокируется им.

Параметр I3 – приоритет по отношению к состоянию "Превышение момента".

Параметр I4 – приоритет по отношению к состоянию "Перегрев двигателя".

ВНИМАНИЕ: УСТАНАВЛИВАТЬ ЭТОТ ПАРАМЕТР (I4) НУЖНО ТОЛЬКО В СЛУЧАЕ КРАЙНЕЙ НЕОБХОДИМОСТИ, ТАК КАК НЕ ОБЕСПЕЧИВАЕТСЯ ПОЖАРОБЕЗОПАСНОСТЬ ЭЛЕКТРОДВИГАТЕЛЯ!

1.5.5.4 Местное управление

1.5.5.4 1 Местное управление может быть организовано с помощью встроенного, внешнего или дистанционного ПМУ. При сетевом управлении в реальном времени (через ячейки) местное управление может быть запрещено при активизации канала 8 (запрет местного управления) виртуальной ячейки дискретного вывода №2.

Функции кнопок встроенного ПМУ представлены в таблице 12.

Таблица 12

-6

П р и м е ч а н и я

1 Для активизации ПМУ нужно сначала нажать кнопку "МЕСТ/ДИСТ" (S2), затем" ОТКР" (S3) и удерживать их нажатыми в течение 1 s. Для снятия активности - сначала нажать кнопку "МЕСТ/ДИСТ" (S2), затем "ЗАКР" (S1) и удерживать их нажатыми течение 1 s.

2 Для снятия действующего сигнала управления ("ОТКРЫТЬ" или "ЗАКРЫТЬ") при импульсном управлении (Е4 =1) необходимо нажать и отпустить кнопку противоположного сигнала управления (соответственно "ЗАКР" или "ОТКР").

Способ управления кнопками "ОТКР" и "ЗАКР" зависит от параметра настройки Е4:

  • при Е4 = 0 – потенциальное управление: кнопки действуют, пока находятся в нажатом положении;
  • при Е4 = 1 – импульсное управление: кнопки работают, как кнопки с фиксацией, с запоминанием сигнала. Данный способ управления должен использоваться при работе контроллера, когда датчик положения откалиброван.

При нажатии всех трех кнопок в течение 5 s устанавливаются скорости обмена по интерфейсам 19200 бод и выполняется перезапуск процессора.

ПМУ может быть активизирован и другим способом: пять нажатий кнопки "МЕСТ/ДИСТ", пауза между нажатиями не более 1 s. При этом способ управления может быть только импульсным. Снятие активности выполняется таким же способом.

В состав контроллера может входить также внешний ПМУ, который подключается параллельно кнопкам S1 ("ЗАКР"), S2 ("МЕСТ/ДИСТ"), S3 ("ОТКР") с помощью разъема Х19 (рисунок 4). Его использование, а также действие параметра Е4 аналогичны.

При подключении дистанционного ПМУ к дискретным входам контроллера способ использования дискретных сигналов задается параметром Е1.

Если параметру присвоено значение "2", то входные дискретные сигналы используются как сигналы дистанционного ПМУ. При этом наличие сигнала "СТОП" означает активность дистанционного ПМУ. В этом случае дискретные сигналы не могут быть использованы, как сигналы аварийного управления.

Сигналы "ОТКРЫТЬ" и "ЗАКРЫТЬ" могут использоваться как потенциальные (действуют, пока нажато), либо как импульсные (с фиксацией, с запоминанием того, что сигнал был).

Способ их использования определяется параметром Е4 аналогично вышеописанному.

ВНИМАНИЕ: ПРИ ПОТЕНЦИАЛЬНОМ УПРАВЛЕНИИ ЗАПРЕЩАЕТСЯ СТАРТ - СТОПНОЕ ДВИЖЕНИЕ, А ТАКЖЕ ИГНОРИРУЮТСЯ СИГНАЛЫ ВИРТУАЛЬНЫХ

КОНЦЕВЫХ ВЫКЛЮЧАТЕЛЕЙ – РЕЖИМ ПРЕДНАЗНАЧЕН ДЛЯ ИСПОЛЬЗОВАНИЯ ПРИ КАЛИБРОВКЕ ПО ПОЛОЖЕНИЮ!

1.5.5.5 Пульт настройки ПН-2

1.5.5.5.1 Для настройки контроллера может использоваться дистанционный пульт настройки ПН-2 или компьютер с установленной программой "Эмулятор пульта настройки". Пульт ПН-2 связывается с контроллером через ИК-интерфейс. Для связи компьютера с контроллером необходим преобразователь интерфейса RS-232/RS-485 и плата УСС (или УСПС) в составе контроллера или соединение гибкое СГ9. При сетевом управлении в реальном времени (через ячейки) управление от пульта настройки может быть запрещено при активизации канала 8 (запрет местного управления) виртуальной ячейки дискретного вывода №2.

Как источник управления пульт разрешен всегда, а становится активным после выдачи команд управления:

  • команда 1 – "Пуск/Закрыть";
  • команда 2 – "Пуск/Открыть";
  • команда 3 – "Пуск/Стоп";
  • команда 4 – "Контрол/Задание".

После этого пассивным пульт может стать после выдачи команды "Пуск/Сброс" или после перезапуска процессора.

При управлении от пульта настройки запрещается старт-стопное движение.

Команды 1-3 задают дискретное управление, команда 4 – аналоговое.

Для аналогового управления в качестве параметра "зона нечувствительности" используется параметр G3.

1.5.5.6 Сетевое управление в реальном времени

1.5.5.6.1 Сетевое управление в реальном времени выполняется в стиле контроллера КРОСС-500 производства ОАО "АБС Автоматизация". Для этого сетевой интерфейс контроллера эмулирует виртуальные ячейки дискретного и аналогового ввода и вывода.

Структура виртуальных ячеек и каналов фиксирована.

MODBUS-адреса ячеек зависят от наличия аппаратных ячеек ввода-вывода, которые могут быть запрещены или разрешены в зависимости от наличия оборудования.

Формат данных для каналов виртуальных ячеек соответствует принятому в контроллере КРОСС-500. Для обеспечения совместимости с ранее выпущенными контроллерами виртуальные ячейки KIM1 могут работать под кодовыми обозначениями аппаратных ячеек контроллера КРОСС-500 – DI0, DO0, AI1, AO1.

Описание виртуальных ячеек приведено ниже.

1.5.5.6.2 Виртуальная ячейка дискретного ввода №1.

Настроек не имеет. Число каналов – 8. Назначение каналов фиксировано:

  • канал 1 – готовность (управление возможно);
  • канал 2 – неисправность;
  • канал 3 – концевой выключатель открытия (КВО);
  • канал 4 – путевой выключатель открытия (ПВО);
  • канал 5 – путевой выключатель закрытия (ПВЗ);
  • канал 6 – концевой выключатель закрытия (КВЗ);
  • канал 7 – моментный выключатель открытия (МВО);
  • канал 8 – моментный выключатель закрытия (МВЗ).

1.5.5.6.3 Виртуальная ячейка дискретного вывода №2.

Настроек не имеет. Число каналов – 8.

Каналы имеют настроечные параметры:

  • поведение при включении;
  • при отказе;
  • при потере связи.

Назначение каналов фиксировано:

  • канал 1 – открыть;
  • канал 2 – закрыть;
  • канал 3 – запрет открытия;
  • канал 4 – запрет закрытия;
  • канал 5 – активно дискретное управление;
  • канал 6 – активно аналоговое управление;
  • канал 7 – "Авария";
  • канал 8 – запрет МУ (местного управления).

1.5.5.6.4 Виртуальная ячейка аналогового ввода №3.

Настроек не имеет. Число каналов – 2.

Назначение каналов фиксировано:

  • канал 1 – положение в процентах;
  • канал 2 – момент в процентах.

Под обозначением ячейки AI1 имеет 1 канал - положение в процентах.

1.5.5.6.5 Виртуальная ячейка аналогового вывода№4.

Настроек не имеет. Число каналов – 1.

Назначение канала фиксировано:

  • канал 1 – задание положения в процентах.

Канал имеет настроечные параметры:

  • зона пропорциональности;
  • зона нечувствительности;
  • период включения;
  • значение выходного сигнала при включении;
  • значение выходного сигнала при отказе;
  • значение выходного сигнала при потере связи.

1.5.5.6.6 Сетевое управление в реальном времени с использованием виртуальных ячеек организовано следующим образом.

Может быть использовано аналоговое или дискретное управление.

Аналоговое управление более приоритетно.

Активность обоих способов управления задается каналами 5, 6 ячейки дискретного вывода № 2.

Аналоговое управление использует значение и параметры канала 1 виртуальной ячейки аналогового вывода №4.

Дискретное управление использует каналы 1-4 виртуальной ячейки дискретного вывода №2.

Сигнал "Авария" активизируется по наличию.

1.5.5.6.7 Каналы выходных ячеек имеют настроечные параметры: поведение при включении, при отказе, при потере связи. Они могут быть настроены таким образом, что тот или иной вид управления, та или иная уставка задания положения могут активизироваться автоматически при возникновении вышеуказанных ситуаций.

Ситуация "потеря связи" может возникнуть, если задано ненулевое значение параметра "Таймаут связи" (закладка "Общие свойства" программы "Конфигуратор"). Обмен данными с каналами ввода-вывода при этом должен выполняться циклически, и время цикла должно быть меньше, чем значение этого параметра.

Данные каналов входных дискретных и аналоговых ячеек являются информационными.

Контроллер самостоятельно выполняет требуемые действия в соответствии с настройкой параметров. Исключением может являться использование в контурах управления путевых выключателей (по ним никакие действия контроллер не выполняет), и дискретное управление регулирующей арматурой с контролем положения по каналу виртуальной ячейки аналогового ввода.

Если разрешено управление дискретными сигналами, дискретный сигнал "Стоп" используется как сигнал "Запрет" – при появлении блокирует управление в обе стороны.

1.5.5.7 Сетевое командное управление

1.5.5.7.1 Сетевое командное управление предназначено для управления запорной, запорно-регулирующей арматурой и/или аварийного управления.

Параметр G1 разрешает данный вид управления.

Активным он становится, если была выдана команда дискретного ("Открыть", "Стоп", "Закрыть") или аналогового ("Задать положение") управления или управления по скорости ("Задать скорость").

После выдачи команды "Нет" данный вид управления становится пассивным.

Параметры G2-G4 задают зону пропорциональности, зону нечувствительности и период включения для данного источника при аналоговом управлении.

1.5.5.7.2 Список команд сетевого управления приведен в таблице 13.

Таблица 13 – Команды сетевого управления

-7

1.5.5.7.3 Код команды передается в старшем байте.

Для команды "Задать положение" параметр "величина положения в % (0 - 100)" указывается в младшем байте кода команды.

Для команды "Задать скорость" параметр "величина скорости в % (-100...+100)" указывается в младшем байте кода команды.

Для данного вида управления чтением соответствующих регистров можно проконтролировать выданную команду, активность аналогового и дискретного управления, требование дискретного управления, величину задания аналогового управления, наличие сетевого командного сигнала "Авария" (приложение В).

Если разрешено управление дискретными сигналами, дискретный сигнал "Стоп" используется как сигнал "Запрет" – при появлении блокирует управление в обе стороны.

1.5.5.8 Позиционер (управление входным аналоговым сигналом)

1.5.5.8.1 Активность источника управления задается параметром F1. Если параметр установлен в "1", управление аналоговым сигналом разрешено и активно. Будет ли контроллер управляться этим сигналом, зависит от активности более приоритетных источников.

В качестве сигнала задания используется сигнал аппаратной ячейки №7 аналогового ввода.

1.5.5.8.2 Ячейка может быть настроена параметром на ввод сигналов тока в диапазонах (0-5), (0-20), (4-20) mА.

Соответствующий тип сигнала должен быть выбран в параметрах настройки канала этой ячейки.

1.5.5.8.3 По умолчанию нижняя граница диапазона соответствует 0 %, верхняя – 100 %. Но это соответствие может быть изменено на обратное установкой параметра F2 – инверсия.

При выходе величины входного сигнала за пределы указанного диапазона (меньше "-10 %" или больше "110 %") контроллер выполняет действие, заданное параметром F3:

  • "0" – стоп;
  • "1" – закрыть;
  • "2" – открыть;
  • "3" – пассивное состояние.

1.5.5.8.4 Параметры F4-F6 задают зону пропорциональности, зону нечувствительности и период включения для данного источника управления.

Поскольку в данном случае задание определяется физической величиной, подверженной шумам и помехам, введен дополнительный параметр F7 – "задержка после останова". Этот параметр определяет время, в течение которого контроллер не будет реагировать на рассогласование после достижения уставки.

Если разрешено управление дискретными сигналами, дискретный сигнал "Стоп" используется как сигнал "Запрет" – при появлении блокирует управление в обе стороны.

1.5.5.9 Управление дискретными входными сигналами

1.5.5.9.1 Активность источника управления задается параметром Е1. Если его значение равно 1, источник разрешен и активен. Получит ли он управление, зависит от активности других более приоритетных источников.

1.5.5.9.2 Способ дискретного управления определяется значением параметра Е2:

  • 0 – трех проводное потенциальное управление (без фиксации). Действуют два сигнала "Открыть" и "Закрыть" "пока нажато". Действие при одновременном нажатии определяется параметром E3;
  • 1 – трех проводное импульсное управление (с фиксацией). Наличие сигналов "Открыть" или "Закрыть" запоминается (фиксируется) и продолжает действовать после их пропадания. Останов выполняется появлением сигнала включения в противоположном направлении;
  • 2 – четырех проводное управление – импульсное управление (с фиксацией), но есть еще дополнительный сигнал "Стоп" и останов выполняется только им.
  • 3 – двухпроводное управление – потенциальное. Действует только один сигнал "Открыть".

Сигнал "Закрыть" не используется. Если сигнала "Открыть" нет – привод закрывает арматуру, если есть – открывает.

В тех случаях, когда сигнал "Стоп" не используется для управления (значения параметра "0", "1", "3"), он используется как сигнал "Запрет" - при появлении блокирует управление в обе стороны.

Данный источник управления может получить высший приоритет, если параметр I1=0 и есть сигнал "Авария".

1.5.5.10 Автомат повторных включений

1.5.5.10.1 Активность источника управления задается параметром L1. Если его значение равно 1, источник разрешен и активен. Получит ли он управление, зависит от активности других более приоритетных источников.

Данный источник управления предназначен для использования контроллера в испытательных лабораториях при проведении испытаний ЭП.

1.5.5.10.1 Контроллер может самостоятельно выполнять периодические включения двигателя ЭП с заданной частотой включений в час, скважностью и заданное количество раз в одну сторону, затем в другую.

Значения указанных характеристик задаются параметрами L2-L4.

Если количество включений в одну сторону L4=0, контроллер выполняет включения в одну сторону до срабатывания КВ, затем изменяет направление включения.

Дискретный сигнал "Стоп" используется как сигнал "Запрет" – при появлении блокирует управление в обе стороны.

1.5.6 Ячейки ввода-вывода

1.5.6.1 Дискретный и аналоговый ввод-вывод, а также сетевое управление в реальном времени в контроллере КИМ1 организованы как ячейки и каналы ввода-вывода модулей контроллера КРОСС-500 производства ОАО "АБС Автоматизация".

Под ячейкой понимается реальный или виртуальный функциональный блок, выполняющий ввод или вывод дискретных или аналоговых сигналов.

Одна ячейка может иметь один или несколько каналов, каждому из которых соответствует один сигнал. Все каналы ячейки однотипны.

Виртуальная ячейка может выполнять ввод/вывод сигналов только по сети.

Всего занято 8 номеров ячеек.

Ячейки №1 - №4 виртуальные, предназначены для управления по сети в реальном времени в стиле контроллера КРОСС-500. Ячейки присутствуют всегда, их расположение (номер ячейки) не может быть изменено.

1.5.6.2 Ячейка №1 – дискретный ввод.

Обозначения"DI0", "VDI_KIM1" имеют разные коды типа ячейки, но в остальном не отличаются. Параметров настройки не имеет. Имеет 8 каналов, назначение которых постоянно:

  • канал 1 – готовность (управление возможно);
  • канал 2 – неисправность;
  • канал 3 – КВО;
  • канал 4 – ПВО;
  • канал 5 – ПВЗ;
  • канал 6 – КВЗ;
  • канал 7 – МВО;
  • канал 8 – МВЗ.

Каналы настроек не имеют.

1.5.6.3 Ячейка №2 – дискретный вывод.

Обозначения "DО0", "VDО_KIM1" имеют разные коды типа ячейки, но в остальном не отличаются. Ячейка настроек не имеет. Количество каналов – 8. Их назначение постоянно:

  • канал 1 – открыть;
  • канал 2 – закрыть;
  • канал 3 – запрет открытия;
  • канал 4 – запрет закрытия;
  • канал 5 – активно дискретное управление;
  • канал 6 – активно аналоговое управление;
  • канал 7 – "Авария";
  • канал 8 – запрет МУ (местного управления – ПМУ и пульт настройки ПН-2).

Каналы имеют настроечные параметры: поведение при включении, при отказе, при потере связи.

1.5.6.4 Ячейка №3 – аналоговый ввод – "АI1", "VАI_KIM1".

Ячейка настроек не имеет. Количество каналов – 2. Их назначение постоянно:

  • канал 1 – положение в процентах;
  • канал 2 – момент в процентах.

Каналы настроек не имеют.

Под обозначением AI1 ячейка имеет 1 канал - положение в процентах.

1.5.6.5 Ячейка №4 – аналоговый вывод.

Обозначения "АО1", "VАО_KIM1" имеют разные коды типа ячейки, но в остальном не отличаются. Ячейка настроек не имеет. Число каналов – 1.

Назначение канала фиксировано: канал 1 – задание положения или скорости перемещения в процентах.

Канал имеет настроечные параметры:

а) зона пропорциональности;

б) зона нечувствительности;

в) период включения;

г) значение выходного сигнала при включении;

д) значение выходного сигнала при отказе;

е) значение выходного сигнала при потере связи.

Из них а)-в) предназначены для настройки пропорционального старт-стопного движения при управлении по положению.

1.5.6.6 Ячейки №5-№8 обслуживают реальную аппаратуру ввода/вывода. Ячейка №5 присутствует всегда. Ячейки №6-№8 должны быть разрешены при наличии соответствующих мезонинов.

1.5.6.7 Ячейка аппаратного дискретного ввода №5, всегда присутствует.

Параметров настройки не имеет. Имеет 1 канал позиционного двоичного кода, назначение битов которого жестко задано:

  • 1-й бит – "Открыть";
  • 2-й бит – "Закрыть";
  • 3-й бит – "Стоп";
  • 4-й бит – "Авария";
  • 5-й бит – МВО;
  • 6-й бит – МВЗ.

Канал имеет настройки "подавление дребезга" и "инверсия". Использование битов МВО и МВЗ разрешается параметром A2=2.

1.5.6.8 Может отсутствовать или может быть установлен один из типов ячейки дискретного вывода №6: HDO_KIM1 – ячейка с шестью каналами вывода (мезонин УСП), HDO_KIM1m1 - ячейка с двумя каналами вывода (мезонин УСПС). Состояние должно соответствовать наличию мезонина дискретных выходов.

Ячейка имеет параметр настройки – "режим", который может принимать два значения:

  • "работа";
  • "проверка".

В режиме "работа" контроллер сам управляет состоянием дискретных выходов.

В режиме "проверка" состояние дискретных выходов управляется по сети, что позволяет проверить исправность дискретных выходов.

Ячейка HDO_KIM1 имеет шесть каналов. Назначение их жестко задано:

  • канал 1 – КВО;
  • канал 2 – ПВО;
  • канал 3 – ПВЗ;
  • канал 4 – КВЗ;
  • канал 5 – МВО;
  • канал 6 – МВЗ.

Ячейка HDO_KIM1m1 имеет два канала. Назначение их жестко задано:

  • канал 1 – КВО;
  • канал 2 – КВЗ.

1.5.6.9 Может отсутствовать или может быть установлен один из типов ячейки аналогового ввода №7: HAI_KIM1 или HAI_KIM1m1. Они отличаются типом АЦП. Состояние должно соответствовать установленному мезонину УАВ, наличие которого программно не контролируется.

Параметров настройки не имеет. Ячейка имеет один канал.

Назначение канала жестко задано – задание (уставка) по положению.

Канал имеет параметр настройки "тип сигнала", его возможные значения:

  • значение 1 – (0 – 5) mА;
  • значение 2 – (0 – 20) mА;
  • значение 3 – (4 – 20) mА.

Канал может быть откалиброван по "0" и максимуму диапазона.

Диапазон (4-20) mА также калибруется по 0 и 20 mА.

Минимум диапазона 4 mА пересчитывается программно.

1.5.6.10 Может отсутствовать или может быть установлен один из типов ячейки аналогового вывода №8: HAO_KIM1 или HAO_KIM1m1. Они отличаются типом ЦАП. Состояние должно соответствовать установленному мезонину аналогового вывода (мезонин УСП или УСПС), наличие которого программно не контролируется. Ячейка

параметр настройки – "режим", который может принимать два значения:

  • "работа";
  • "проверка".

В режиме "работа" контроллер сам управляет состоянием аналогового выхода.

В режиме "проверка" состоянием аналогового выхода можно управлять по сети, что позволяет проверить исправность мезонина аналогового вывода.

Ячейка имеет один канал.

Назначение канала жестко задано – вывод аналогового сигнала, соответствующего положению выходного органа привода.

Канал имеет параметр настройки "тип сигнала", его возможные значения:

  • значение 1 – (0 – 5) mА;
  • значение 2 – (0 – 20) mА;
  • значение 3 – (4 – 20) mА.

Канал может быть откалиброван по "0" и максимуму диапазона.

Диапазон (4-20) mА также калибруется по 0 и 20 mА.

Минимум диапазона 4 mА пересчитывается программно.

1.5.7 Управление, настройка и калибровка контроллера

1.5.7.1 Пульт настройки ПН-2

1.5.7.1.1 Контроллер имеет инфракрасный интерфейс для связи с пультом настройки ПН-2. С помощью этого пульта можно выполнить некоторые функции управления, настройки и калибровки контроллера.

Работа с пультом описана в ЯЛБИ.426476.011 РЭ.

На индикатор пульта выводится система меню контроллера, через которую с помощью клавиатуры можно выбрать требуемое действие, посмотреть, и/или ввести значение параметра. При управлении движением от пульта старт-стопные режимы блокируются.

Система меню контроллера приведена в приложении Г. Меню имеет древовидную структуру и организовано следующим образом:

1 "Пуск" - дискретное управление движением. При выполнении пунктов меню 1.1 – 1.3. становится активным источник управления пульт настройки ПН-2.

1.1 "Стоп" - остановить электродвигатель.

1.2 "Закрыть" - включить электродвигатель в направлении "закрыть".

1.3 "Открыть" - включить электродвигатель в направлении "открыть".

1.4 "Сброс" - остановить электродвигатель и сбросить признаки ошибок (защитного отключения), активности пульта настройки ПН-2 и сетевого командного управления.

2 "Измерен" - измерения тока, времени включения.

2.1 "ВрВключ". "Вр.послед.вкл. с" - время последнего включения двигателя (s).

2.2 "ВрПолХо". "Врем.полн.хода с" - время последнего полного хода ЭП (s).

3 "Контрол" - аналоговое управление и контроль состояния. При выполнении пункта меню 3.1. становится активным источник управления пульт настройки ПН-2.

3.1 "Задание". "Задать полож%" - задать уставку положения и активизировать аналоговое управление с пульта ПН-2. Действует параметр "зона нечувствительности" тот же, что и для сетевого командного управления.

3.2 "Положен". "Положение в %" – посмотреть положение выходного вала (%).

3.3 "Момент". "Момент в %" - посмотреть значение момента (%).

3.4 "АктУпр". "Активные ист.упр" – двоичный код активных источников управления.

3.5 "КодСост". "Код состояния" - основной двоичный код состояния.

3.6 "Сигналы". "Вирт. сигналы" двоичный код состояния виртуальных сигналов.

3.7 "Темпера". "Температура гр.C" – температура электронного блока в градусах Цельсия.

4 "Исправ" – посмотреть коды неисправности контроллера.

4.1 "Общая". "Общий код ошибки" – посмотреть общий (основной) код неисправности.

4.2 "Аппарат". "Аппаратная" - посмотреть код неисправности аппаратуры.

4.3 "Предупр". "Предупреждения" - посмотреть код предупреждений.

5 "Аппарат" – действия с аппаратными ячейками ввода-вывода.

5.1 "ДисВвод" - настройки каналов дискретного ввода.

5.1.1 "Каналы". "Состоян.каналов" - двоичный код состояния каналов дискретного ввода. Порядок следования битов слева направо: МВЗ, МВО, АВАРИЯ, СТОП, ЗАКРЫТЬ, ОТКРЫТЬ (правый крайний).

5.1.2 "Т_цикла". "Время цикла IOмс" – время цикла опроса каналов ввода (I)/ вывода (O) в миллисекундах.

5.1.3 "Дребезг". "Глуб.подавл.дреб" - глубина подавления дребезга – количество следующих подряд опросов каналов дискретного ввода, при которых состояние канала должно быть одинаковым. Период опроса каналов 2 ms.

5.1.4 "Маска". "Маска каналов" - двоичный код маски каналов – "1" означает, что соответствующий бит кода состояния каналов используется, "0" - нет.

5.1.5 "Инверс". " МЗ МО АВ СТ З ОТ" - двоичный код инверсии входных сигналов, "1" в соответствующем бите означает инверсию входного сигнала.

Обозначения сигналов: МВЗ, МВО, АВАРИЯ, СТОП, ЗАКРЫТЬ, ОТКРЫТЬ.

5.2 "ДисВыв" - дискретный вывод.

5.2.1 "Наличие". "Сброс настроек. ENTER-да ESC-нет". "Нет", "6 канал", "2 канал" – тип ячейки дискретного вывода – шестиканальная или двухканальная.

5.2.2 "Режим". "Работа", "Провер" – выбор режима работы ячейки – "работа" или "проверка".

5.2.3 "Каналы". "Состоян.каналов" – состояние каналов дискретного вывода. В режиме "проверка" может быть изменено.

5.3 "АнаВвод" – аналоговый ввод.

5.3.1 "Наличие". "Сброс настроек. ENTER-да ESC-нет". "Нет", "КИМ1", "КИМ1м1" – наличие и тип ячейки аналогового ввода.

5.3.2 "Показан". "Показание канала" – измеренная каналом величина (%).

5.3.3 "ТипСигн". "0..+5мА", "0.+20мА", "+4.20мА", – выбор типа входного сигнала.

5.3.4 "Калибр" – калибровка канала.

5.3.4.1 "Код_0%". "Код АЦП", "Смещение нуля" – позволяет проконтролировать текущий код АЦП и зафиксировать его как код 0 % диапазона. Код должен быть в нижней трети диапазона.

5.3.4.2 "Код100%". "Код АЦП", "Полная шкала" - позволяет проконтролировать текущий код АЦП и зафиксировать его как код 100 % диапазона. Код должен быть в верхней трети диапазона.

5.4 "АнаВыв" - аналоговый вывод.

5.4.1 "Наличие". "Сброс настроек. ENTER-да ESC-нет". "Нет", "КИМ1", "КИМ1м1" – наличие и тип ячейки аналогового вывода.

5.4.2 "Режим". "Работа", "Провер" - выбор режима работы ячейки – "работа" или "проверка".

5.4.3 "Канал". "Величина сигн. %" – величина выходного сигнала (%).

5.4.4 "ТипСигн". "0..+5мА", "0.+20мА", "+4.20мА" – выбор типа сигнала.

5.4.5 "Клб100". "Калибровать 100%", "Сохранить ENTER-да ESC-нет" – позволяет изменить величину сигнала, подаваемого на выход и зафиксировать ее, как 100 % диапазона.

6 "Настрой" – настройка параметров контроллера. Более подробно параметры описаны в приложении Б.

6.1 "A.Общие" – настройка параметров группы A

6.1.1 А1. "ДатПол". "Тип дат. положен.".

6.1.2 А2. "ДатМом". "Тип дат.момента ".

6.1.3 А3. "ЗаМВкл". "Твкл.защит.момен".

6.1.4 А4. "ЗаМВыкл". "Твыкл.защ.момент".

6.1.5 А.5 "ДатТем". "Датчик темп.двиг".

6.1.6 А.6 "ЗаТВкл". "Твкл.защ.темпер.".

6.1.7 А.7 "ЗаТВыкл". "Твыкл.защ. темпер".

6.1.8 А.8 "ГисПол". "Гист.выкл.полож.".

6.1.9 А.9 "ГисМом". "Гист.выкл. момент".

6.2 "В.ПрКлб" - настройка параметров группы B.

6.2.1 В.1 "РевПол". "Реверс дат.полож".

6.2.2 В.2 "ДиаПол". "Диапаз. дат.полож".

6.2.3 В.3 "РевМом". "Реверс дат.момен".

6.2.4 В.4 "ВелОткр". "Велич.момен.откр".

6.2.5 В.5 "ВелЗакр". "Велич.момен.закр".

6.3 "С.ОбУпр" - настройка параметров группы C.

6.3.1 С.1 "РевАрм". "Реверс арматуры ".

6.3.2 С.2 "Направл". "Рев.направ.включ".

6.3.3 С.3 "Дожим". "0нет1закр2всегда".

6.3.4 С.4 "УпИмДож". "Упреж.имп. дожима".

6.3.5 С.5 "ВрИмДож". "Время имп.дожима".

6.3.6 С.6 "ВрПаДож". "Время паузы дож.".

6.3.7 С.7 "ЗадеРев". "Задержка реверса".

6.3.8 С.8 "СтОткр". "Останов открытия".

6.3.9 С.9 "СтЗакр". "Останов закрытия".

6.4 ^.УПоМо" - настройка параметров группы D.

6.4.1 D.1 "СдвКВО". "Сдвиг КВО 0.1% ".

6.4.2 D.2 "СдвКВЗ". "Сдвиг КВЗ 0.1% ".

6.4.3 D.3 "ПолПВО". "Положение ПВО % ".

6.4.4 D.4 "ПолПВЗ". "Положение ПВЗ % ".

6.4.5 D.5 "МВО". "Огр.мом.открыт.%".

6.4.6 D.6 "МВЗ". "Огр.мом.закрыт.%".

6.4.7 D.7 "БлокМВО". "Зона блок. МВО %".

6.4.8 D.8 "БлокМВЗ". "Зона блок. МВЗ %".

6.5 "Е.ДисУп" - настройка параметров группы E.

6.5.1 Е.1 "Использ". "Дискретн.управл.".

6.5.2 Е.2 "Способ". "0123:3П 3И 4х 2х".

6.5.3 Е.3 "ОткрЗак". "0стоп1стар2новый".

6.5.4 Е.4 "ПультУп". "0-без фик.1-фикс".

6.6 "Т.Позиц" - настройка параметров группы F.

6.6.1 F.1 "Использ". "Управ.аналог. сиг".

6.6.2 F.2 "Инверс". "Инверсия сигнала".

6.6.3 F.3 "Потеря". "0ст1зак2откр3пас".

6.6.4 F.4 "ЗонПроп". "Зона пропорцион.".

6.6.5 F.5 "ЗонНечу". "Зона нечувствит.".

6.6.6 F.6 "ПерВкл". "Период вкл. 0.1с".

6.6.7 F.7 "ПаузОст". "Пауза после ост.".

6.7 "&СетУп" - настройка параметров группы G.

6.7.1 G.1 "Использ". "Сетев.ком.управл".

6.7.2 G.2 "ЗонПроп". "Зона пропорцион%".

6.7.3 G.3 "ЗонНечу". "Зона нечувствит%".

6.7.1 G.4 "ПерВкл". "Период вкл. 0.1с".

6.8 G.5 "Н.УпСко" - настройка параметров группы H.

6.8.1 G.6 "СетУпр". "Скорост", "Положен".

6.8.2 G.7 "Способ". "ШИМ", "Импульс".

6.8.3 G.8 "ПерШИМ". "Период ШИМ 0.01с".

6.8.4 G.9 "МинИмп". "Мин.импул. 0.01с".

6.8.5 G.10 "ЛюфтБол". "Люфт больше0.01с".

6.8.6 G.11 "ЛюфтМен". "Люфт меньше0.01с".

6.9 "1.Авар" - настройка параметров группы I.

6.9.1 I.1 "Действ". "ДисУпр", "Закрыть", "Открыть", "Положен", "Стоп".

6.9.2 I.2 "Положен". "Задание положен%".

6.9.3 I.3 "ПриМом". "Приор. отн.Момент".

6.9.4 I.4 "ПриТемп". "Приор. от. ТемДвиг".

6.10 "J.Защит" - настройка параметров группы J.

6.10.1 J.1 "АвтВкл". "Повт.автом.включ".

6.10.2 J.2 "ВремДей". "Время действия ".

6.10.3 J.3 "КонТок". "Есть контр. тока".

6.10.4 J.4 "ВрПуска". "Время пуска 0.1с".

6.10.5 J.5 "ВремДож". "Время дожим 0.1с".

6.10.6 J.6 "ВрДвиж". "Вр.отс.движ.0.1с".

6.10.7 J.7 "ВремВкл". "Макс.время вкл.с".

6.11 "К.СтСтп" - настройка параметров группы K.

6.11.1 K.1 "ИспОткр". "Использ.при откр".

6.11.2 K.2 "ИспЗакр". "Использ.при закр".

6.11.3 K.3 "МинОткр". "Мин.поз. открытия".

6.11.4 K.4 "МакОткр". "Мак.поз.открытия".

6.11.5 K.5 "ИмпОткр". "Имп.открыт.1/10с".

6.11.6 K.6 "ПаузОтк". "Пауза откр.1/10с".

6.11.7 K.7 "МинЗак". "Мин.поз.закрытия".

6.11.8 K.8 "МаксЗак". "Мак.поз.закрытия".

6.11.9 K.9 "ИмпЗакр". "Имп.закрыт.1/10с".

6.11.10 K.10 ПауЗакр". "Пауза закр.1/10с".

6.12 "Ь.АПВ" - настройка параметров группы L.

6.12.1 L.1 "ВклАПВ". "Вкл/Выкл АПВ ".

6.12.2 L.2 "ВклЧас". "Включений в час ".

6.12.3 L.3 "Скважн". "Скважность %".

6.12.4 L.4 "Повторы". "Колич. повторов ".

6.13 "ЗавНаст". "Уст.завод.настр.ENTER-да ESC-нет". Установить заводские настройки параметров.

7."Калибр" – калибровка датчиков положения и момента.

7.1. "Разреш" - "Разреш.калибров" – разрешить режим калибровки. В этом режиме не действуют концевые и моментные выключатели. При приближении к крайним положениям следует пользоваться ручным дублёром.

7.2. "Пуск" - "Стоп", "Открыть", "Закрыть", "Сброс", "ЗапрЗащ" – управление двигателем и запрет защитного отключения при выполнении калибровки.

7.3. "Положен" – калибровать датчик положения.

7.3.1. " КодДат". "Код датчика " – смотреть код датчика положения.

7.3.2. "Реверс". "Реверс датчика" – код датчика будет увеличиваться при перемещении в другом направлении (параметр B1).

7.3.3. "Диапаз". "Диапазон датчика" – рабочий диапазон датчика – доля в процентах полного диапазона датчика. Используется при калибровке двух точек одновременно (параметр B2).

7.3.4. "Креп0". "Прикрепить к 0%" – точка 0 % фиксируется по месту, точка 100% определяется по диапазону датчика.

7.3.5. "Креп100". "Прикрепить 100%" – точка 100 % фиксируется по месту, точка 0 % определяется по диапазону датчика.

7.3.6. "Фикс0". "Фиксировать 0%" – фиксируется код, соответствующий положению 0 %.

7.3.7. "Фикс100". "Фиксировать 100%" - фиксируется код, соответствующий положению 100 %.

7.4. "Момент" - калибровать датчик момента.

7.4.1. "КодДат". "Код датчика " – смотреть код датчика момента.

7.4.2. "Реверс". "Реверс датчика" – код датчика будет увеличиваться при перемещении в другом направлении (параметр B3).

7.4.3. "Фикс0". "Фиксировать 0%" - фиксируется код, соответствующий моменту 0 %.

7.4.4. "ФикКод+". "Фикс.код закрыт." - фиксируется код, соответствующий моменту (50-100) %.

7.4.5. "ФикВел+". "Фикс.вел%закрыт." - фиксируется величина момента в процентах, для которой зафиксирован код в предыдущем пункте.

7.4.6. "ФикКод-". "Фикс.код открыт." - фиксируется код, соответствующий моменту (- (50-100)) %.

7.4.7. "ФикВел-". "Фикс.вел%открыт." - фиксируется величина момента в %, для которой зафиксирован код в предыдущем пункте.

7.4.8. "Сброс". "Установ.исх.код ENTER-да ESC-нет". Установить значения кодов по умолчанию.

8."Общие". Общие параметры настройки контроллера.

8.1. "Адрес". "Сетевой адрес" – адрес контроллера в сети MODBUS. Может принимать значения от 1 до 238.

8.2. "СетСкор" – скорость обмена по сети (RS-485) в бодах.

8.3. "ПулСкор" – скорость обмена с пультом ПН-2 или соединением гибким СГ9 (через ИК) в бодах.

9."Идентиф" - данные идентификации контроллера.

9.1. "Позиция".

9.1.1. "Группа". "Группа позиции".

9.1.2. "Номер". "Номер позиции".

9.2. "Арматур" - данные идентификации арматуры, управляемой ЭП.

9.2.1. "Группа". "Группа арматуры".

9.2.2. "Номер". "Номер арматуры".

9.3. "ДатаВвЭ" - дата ввода в эксплуатацию.

9.3.1. "Год". "Год начала экспл".

9.3.2. "Месяц". "Месяц начала экс".

9.3.3. "День". "День начала эксп".

10. "Омодуле". Информация о приборе.

10.1. "ТипМод". "КИМ1м2".

10.2. "Произв". "ОАО АБС ЗЭиМ Автомат г.Чебоксары".

10.3. "Версия". "Сборка: V.S.NNNN Дата: DD.MM.YYYY". Где: V.S – номер версии, NNNN - порядковый номер, а DD.MM.YYYY - дата сборки программы микропроцессора.

1.5.7.2 Программа "Конфигуратор"

1.5.7.2.1 Программа "Конфигуратор" предназначена для настройки параметров контроллера, ячеек, калибровки каналов измерения и демонстрации возможностей управления контроллером.

После первого запуска программы нужно проверить и/или настроить параметры соединения: "Соединение/Параметры". Выбрать тип соединения "Прямое подключение".

Если к компьютеру подключен один контроллер, выбрать "Один подчиненный на линии".

Детали соединения: стоп-бит 1, 9-й бит – "нет".

Выбрать "Соединение/ установить".

В таблице слева должна появиться строка:

"nnn KIM1м2"

где nnn – сетевой адрес устройства.

Выбрать эту строку.

Должна появиться форма с закладками: "Общие свойства", "Коммуникации", "Ячейки ввода/вывода", "Настройка", "Управление", "Состояние", "Калибровка".

1.5.7.2.2 Закладка "Общие свойства" позволяет задать сетевой адрес устройства и таймаут связи.

Таймаут связи – это время, в течение которого промышленный контроллер (компьютер) должен повторно обратиться к ячейкам ввода/вывода. В противном случае каналы выходных ячеек будут приведены в заранее заданное состояние. Если таймаут связи равен 0, данное действие не выполняется.

-8

1.5.7.2.3 Закладка "Коммуникации" позволяет задать параметры связи сетевого ("Сетевой интерфейс/UART10") и пультового интерфейса ("Пультового интерфейса/UART1").

-9

1.5.7.2.4 Закладка "Ячейки ввода/вывода" позволяет задать аппаратную конфигурацию устройства, разрешая или запрещая соответствующие ячейки, настроить параметры ячеек и каналов (1.5.6), продемонстрировать сетевое управление в реальном времени (1.5.5.6).

-10

1.5.7.2.5 Закладка "Настройка" позволяет посмотреть и изменить параметры настройки контроллера, сохраняемые в энергонезависимой памяти.

При выборе параметра в таблице справа появляется форма, содержащая краткий комментарий к параметру, его минимальное и максимальное значения, а также позволяющая изменить его значение. После нажатия кнопки "Изменить" новое значение параметра сохраняется в энергонезависимой памяти контроллера. Список параметров приведен в приложении Б.

Кнопки "Сохранить" и "Загрузить" на этой форме позволяют сохранить параметры настройки в файле на компьютере и загрузить из ранее сохраненного файла. Файл имеет текстовый формат и состоит из двух частей: первая часть предназначена для визуального контроля параметров, вторая часть предназначена для хранения и загрузки параметров в контроллер, она не должна изменяться текстовыми редакторами – в случае внесения в неё изменений параметры в контроллер загружаться не будут.

-11

1.5.7.2.6 Закладка "Управление" позволяет продемонстрировать сетевое командное управление, а также проконтролировать состояние привода и арматуры.

Активными (управляемыми) являются элементы в рамке "Сетевое командное управление". Они позволяют выбрать команду и выдать ее контроллеру, а также задать требуемое положение для сетевого позиционера (команда "Задать положение").

Группа параметров "G" задает дополнительные настройки для данного вида управления.

Остальные элементы на этой закладке являются информационными (неуправляемыми).

-12

1.5.7.2.7 Закладка "Cостояние" позволяет более подробно проконтролировать состояние контроллера.

-13

1.5.7.2.8 Закладка "Калибровка" позволяет выполнить калибровку датчиков положения и момента.

На этой закладке также есть возможность управления двигателем ЭП для достижения крайних положений при калибровке датчика положения или создания момента на выходном органе ЭП, установленного на специальном стенде.

Кнопки "Сохранить", "Загрузить" позволяют сохранить данные калибровки в файл на компьютере, и впоследствии загрузить их, не выполняя повторной калибровки. При этом файл параметров калибровки защищается паролем.

ВНИМАНИЕ: ПРИ ВЫПОЛНЕНИИ КАЛИБРОВКИ ДАТЧИКОВ ОСТАНОВ ДВИГАТЕЛЯ ПО ПОЛОЖЕНИЮ ИЛИ ПО ПРЕВЫШЕНИЮ МОМЕНТА КОНТРОЛЛЕРОМ НЕ ВЫПОЛНЯЕТСЯ! СЛЕДУЕТ БЫТЬ ОСТОРОЖНЫМ И ПРИ ПРИБЛИЖЕНИИ К КРАЙНИМ ТОЧКАМ ПОЛЬЗОВАТЬСЯ РУЧНЫМ ПРИВОДОМ!

-14

1.5.7.3 Калибровка датчика положения

1.5.7.3.1 Калибровка датчика положения может быть выполнена с помощью пульта настройки ПН-2 или компьютера с установленной на нем программой "Конфигуратор" или "Эмулятор пульта настройки" (далее – ЭПН).

Параметр A1 задаёт типа датчика положения: 0 – однооборотный датчик.

Однооборотный датчик положения, используемый в контроллере, имеет рабочий диапазон 360° (4096 градаций) и не нуждается в механической настройке. Направление вращения датчика из положения "ЗАКРЫТО" в положение "ОТКРЫТО" может быть задано параметром B1. Параметр B2 задаёт рабочий диапазон датчика положения в процентах от полного оборота.

При выполнении калибровки нужно "привязать" рабочий диапазон датчика к положению "ЗАКРЫТО" или к положению "ОТКРЫТО". При этом фиксируются смещение рабочего диапазона датчика относительно считанного кода и обе границы диапазона на основании значения параметра B2. Также можно задать положение границ диапазона "по месту". Показания датчика положения преобразуются в проценты от заданного при калибровке диапазона. Положение в процентах может принимать значение от "–200 %" до "+200 %". При выходе за границы допустимого диапазона устанавливается бит кода неисправности аппаратуры "неисправен датчик положения".

На основании измеренного значения положения в процентах, формируется состояние концевых (КВО, КВЗ) и путевых (ПВО, ПВЗ) выключателей. При этом используются параметры группы D и параметр A8. Параметры D1, D2 задают смещение положения срабатывания КВО и КВЗ относительно калиброванных значений положения "ЗАКРЫТО" (0 %) и "ОТКРЫТО" (100 %) к середине диапазона. Это может быть полезно для компенсации "выбега" ЭП, а также при проведении испытаний. Параметры D3, D4 задают положение ПВО и ПВЗ соответственно. Параметр A8 задаёт гистерезис срабатывания концевых и путевых выключателей.

Датчик положения калибруется после установки на арматуру.

1.5.7.3.2 Процедура калибровки с помощью пульта ПН-2 (или программы ЭПН) производится в следующей последовательности:

  • разрешить выполнение процедуры калибровки, выбрав пункты меню "Калибр"/ "Разреш"/ "Разреш.калибров"/ "Включен";
  • при необходимости запретить защитное отключение, выбрав пункты меню "Калибр"/ "Пуск"/ "ЗапрЗащ";
  • при движении в направлении открытия код датчика должен увеличиваться. Проверить, выбрав "Калибр"/ "Положен"/" КодДат"/"Код датчика". При необходимости изменить значение параметра В1 "Реверс датчика положения" на противоположное;
  • если известен рабочий диапазон датчика положения, уточнить значение параметра B2;
  • используя любой из следующих способов управления приводом: ПМУ, пульт ПН2 (выбрав "Калибр"/ "Пуск"/ "Закрыть") либо с помощью ручного привода, установить арматуру в положение ЗАКРЫТО;
  • фиксировать положение ЗАКРЫТО, выбрав пункты меню "Калибр"/ "Положен"/ "Фикс0"/ "Фиксировать 0%". Либо, если известен рабочий диапазон датчика положения, фиксировать положение ЗАКРЫТО, выбрав пункты меню "Калибр"/ "Положен"/ "Креп0"/ " Прикрепить к 0%", положение ОТКРЫТО вычисляется по значению параметра B2;
  • аналогичным способом перевести привод в положение ОТКРЫТО;
  • при необходимости фиксировать положение ОТКРЫТО, выбрав пункты меню "Калибр"/ "Положен"/ "Фикс100"/ "Фиксировать 100%";
  • выйти из режима калибровки, выбрав "Калибр"/ "Разреш"/ "Разреш.калибров"/ "Выключен".

1.5.7.3.3 Процедура калибровки с помощью программы "Конфигуратор" производится в следующей последовательности:

  • разрешить выполнение процедуры калибровки, выбрав "Калибровка/ Режим/ Калибровка";
  • при необходимости запретить защитное отключение, выбрав "Управление/ Команда/ Запрет защиты";
  • при движении в направлении открытия код датчика должен увеличиваться. Проверить, выбрав "Калибровка/Однооборотный датчик положения/Код датчика с учетом реверса, сдвига и ограничений". При необходимости изменить значение параметра В1 "Реверс датчика положения" на противоположное;
  • если известен рабочий диапазон датчика положения, уточнить значение параметра B2;
  • используя любой из следующих способов управления приводом: ПМУ, программу "Конфигуратор" (выбрав "Калибровка/ Открыть или Закрыть") либо с помощью ручного привода установить арматуру в положение ЗАКРЫТО;
  • фиксировать положение ЗАКРЫТО, выбрав "Калибровка/ Однооборотный датчик положения/ Фиксировать 0%". Либо, если известен рабочий диапазон датчика положения, фиксировать положение ЗАКРЫТО, выбрав "Калибровка/ Однооборотный датчик положения/ Прикрепить к 0%", положение ОТКРЫТО вычисляется по значению параметра B2;
  • аналогичным способом перевести привод в положение ОТКРЫТО;
  • при необходимости фиксировать положение ОТКРЫТО, выбрав "Калибровка/ Однооборотный датчик положения/ Фиксировать 100%";
  • выйти из режима калибровки, выбрав "Калибровка/ Режим/ Работа".

Аналогичным образом с помощью пульта ПН-2 (или программы ЭПН) или программы "Конфигуратор" можно выполнить калибровку датчика положения из положения "ОТКРЫТО".

1.5.7.4 Калибровка датчика момента

1.5.7.4.1 Датчик момента должен калиброваться на специальном стенде предприятия-изготовителя. Калибровка датчика момента может быть выполнена с помощью пульта настройки ПН-2 или компьютера с установленной на нем программой "Конфигуратор" или "Эмулятор пульта настройки" (далее – ЭПН).

Параметр A2 задаёт наличие и тип датчика момента: 0 – датчик момента отсутствует, 1 – датчик на эффекте Холла, 2 – моментные выключатели настраиваются механически.

Датчик момента механически привязан к середине диапазона измерения. Привязка может быть изменена в ограниченном диапазоне. В качестве параметров задаются: B3 – реверс датчика, B4 и B5 величины момента открытия и закрытия в процентах, которым соответствуют коды датчика, фиксируемые при калибровке. Параметры B4 и B5 позволяют понизить требования к точности задания величины момента на стенде при калибровке. При калибровке датчика фиксируются коды, соответствующие величине 0 % и смещения в кодах от точки 0 % до величин, заданных параметрами B4 и B5. Показания датчика момента преобразуются в проценты от заданного при калибровке диапазона. Момент в процентах может принимать значение от "–200 %" до "+200 %".

Противодействующий момент при открытии имеет знак "?", при закрытии – "+". При выходе за границы допустимого диапазона устанавливается бит кода неисправности аппаратуры "неисправен датчик момента". При возможном в последствии "уходе нуля" достаточно откалибровать заново точку 0 %, поскольку две другие точки заданы смещением от этой точки.

1.5.7.4.2 Процедура калибровки с помощью пульта ПН-2 (или программы ЭПН) производится в следующей последовательности:

  • разрешить выполнение процедуры калибровки, выбрав пункты меню "Калибр"/ "Разреш"/ "Разреш.калибров"/ "Включен";
  • при необходимости запретить защитное отключение, выбрав пункты меню "Калибр"/ "Пуск"/ "ЗапрЗащ";
  • при движении в направлении закрытия код датчика должен увеличиваться. Проверить, выбрав "Момент"/" КодДат"/"Код датчика". При необходимости изменить значение параметра В3 "Реверс датчика момента" на противоположное;
  • обеспечить отсутствие момента на выходном валу привода. Фиксировать момент 0 %, выбрав пункты меню "Калибр"/ "Момент"/ "Фикс0". "Фиксировать 0%";
  • обеспечить нагрузку на выходном валу привода в сторону противодействия закрытию.

Величина нагрузки может быть в пределах (50-150) % от калибруемой. Фиксировать момент закрытия, выбрав пункты меню "Калибр"/ "Момент"/ "ФикКод+". "Фикс.код закрыт.". Затем ввести величину момента в процентах, которой соответствует данный код – параметр B5, выбрав пункты меню "Калибр"/ "Момент"/ "ФикВел+". "Фикс.вел%закрыт.";

  • обеспечить нагрузку на выходном валу привода в сторону противодействия открытию.

Величина нагрузки может быть в пределах (50-150) % от калибруемой. Фиксировать момент открытия, выбрав пункты меню "Калибр"/ "Момент"/ "ФикКод-". "Фикс.код открыт.". Затем ввести величину момента в процентах, которой соответствует данный код – параметр B4, выбрав пункты меню "Калибр"/ "Момент"/ "ФикВел-". "Фикс.вел%открыт.";

  • при необходимости можно сбросить зафиксированные значения кодов, заменив их значениями по умолчанию, выбрав пункты меню "Калибр"/ "Момент"/ "Сброс". "Установ.исх.код ENTER-да ESC-нет".

1.5.7.4.3 Процедура калибровки с помощью программы "Конфигуратор" производится в следующей последовательности:

  • разрешить выполнение процедуры калибровки, выбрав "Калибровка/ Режим/ Калибровка";
  • при необходимости запретить защитное отключение, выбрав "Управление/ Команда/ Запрет защиты";
  • при движении в направлении закрытия код датчика должен увеличиваться. Проверить, выбрав "Калибровка/ Датчик момента/ Код датчика с учетом реверса, сдвига и ограничений". При необходимости изменить значение параметра В3 "Реверс датчика момента" на противоположное;
  • обеспечить отсутствие момента на выходном валу привода. Фиксировать момент 0 %, выбрав "Калибровка/ Датчик момента/ Нет нагрузки/ Фиксировать";
  • обеспечить нагрузку на выходном валу привода в сторону противодействия закрытию.

Величина нагрузки может быть в пределах (50-150) % от калибруемой. Фиксировать момент закрытия, выбрав "Калибровка/ Датчик момента/ Момент закрытия (+)/ Фиксировать". Затем ввести величину момента в процентах, которой соответствует данный код – параметр B5 в закладке "Настройка".

  • обеспечить нагрузку на выходном валу привода в сторону противодействия открытию.

Величина нагрузки может быть в пределах (50-150) % от калибруемой. Фиксировать момент открытия, выбрав "Калибровка/ Датчик момента/ Момент открытия (-)/ Фиксировать".

Затем ввести величину момента в процентах, которой соответствует данный код – параметр B4 в закладке "Настройка".

  • при необходимости можно сбросить зафиксированные значения кодов, заменив их значениями по умолчанию, выбрав "Калибровка/ Датчик момента/ Сбросить".

1.6 Маркировка

1.6.1 На каждый контроллер крепится табличка, на которую нанесены следующие данные:

  • исполнение контроллера согласно таблицам 1-3;
  • заводской номер.

1.7 Упаковка

1.7.1 Упаковывание и консервация контроллера производятся в соответствии с требованиями конструкторской документации предприятия-изготовителя.

Перед упаковыванием контроллер подвергается консервации по варианту защиты В3-10 и варианту внутренней упаковки ВУ-0 по ГОСТ 9.014.

Срок защиты без переконсервации в условиях хранения 1 по ГОСТ 9.014– 1 год.

2 Использование по назначению

2.1 Эксплуатационные ограничения

2.1.1 Работы по монтажу и эксплуатации контроллера разрешается выполнять лицам, имеющим допуск к эксплуатации электроустановок напряжением до 1000 V.

2.1.2 Источником опасности при эксплуатации контроллера является электрический ток.

Безопасность эксплуатации контроллера обеспечивается:

  • изоляцией электрических цепей друг от друга в контроллере;
  • надежным креплением контроллера при монтаже на объекте;
  • конструкцией – все составные части, находящиеся под опасным напряжением, размещены под крышкой ЭП, которая обеспечивает защиту персонала от случайного прикосновения к ним.

2.1.3 Во избежание поражения электрическим током все внешние соединения производить при выключенном напряжении питания.

2.1.4 Контроллер содержит электронные компоненты, чувствительные к статическому электричеству. При работе с контроллером необходимо предпринять меры, исключающие воздействие электростатических зарядов на элементы его печатных плат.

2.2 Использование контроллера

2.2.1 При поставке контроллера в составе ЭП подготовка к использованию и использование осуществляется в соответствии с руководством по эксплуатации на ЭП.

2.2.2 При отдельной поставке контроллера его установка в ЭП и первичная настройка осуществляются в соответствии с инструкцией по монтажу ЯЛБИ.421413.002 И4.

2.2.3 Перечень возможных неисправностей в процессе использования контроллера.

Контроллер считается неисправным, если индикация контроллера отличается от указанной в таблице 5.

2.3 Действия в экстремальных условиях

2.3.1 Произвести действия в соответствии с руководством по эксплуатации на ЭП в составе которого будет использоваться контроллер.

3 Техническое обслуживание

3.1 Специального технического обслуживания контроллер не требует. Для обеспечения нормальной работы рекомендуется один раз в квартал:

  • проверять надежность креплений устройств контроллера, его электрических соединений и подключений кабелей внешних соединений;
  • производить очистку контроллера от пыли путем протирания доступных частей, а также путем воздушной продувки сухим и чистым сжатым воздухом остальных его частей.

4 Текущий ремонт

4.1 Неисправность контроллера может быть связана с неисправностями платы БЦП, элементов, входящих в состав контроллера.

4.2 Входящие элементы могут проверяться как отдельно, так и в составе контроллера.

4.3 Локализация неисправностей выполняется с помощью встроенных в контроллер средств диагностики.

4.4 Ремонт выполняется путем замены отказавшего элемента.

4.5 Во время гарантийного срока текущий ремонт производит предприятие-изготовитель или выдает разрешение потребителю (при согласии потребителя) на проведение ремонта.

4.6 При невозможности проведения текущего ремонта контроллера потребителем, он проводится на предприятии–изготовителе.

4.7 По истечении гарантийного срока текущий ремонт проводится потребителем или предприятием–изготовителем по отдельному договору.

5 Хранение

5.1 При поставке контроллера в составе ЭП хранение осуществляется в соответствии с РЭ на ЭП.

5.2 Условия хранения контроллера в упаковке – 1 по ГОСТ 15150.

5.3 Правила расположения контроллеров в хранилищах должны удовлетворять требованиям ГОСТ Р 52931.

Хранить контроллеры следует на стеллажах.

Расстояние от контроллера до стен и пола хранилища должно быть не менее 100 mm.

Расстояние между отопительными устройствами хранилища и контроллером должны быть не менее 0,5 m.

Воздух хранилища не должен содержать пыли и примеси агрессивных паров и газов.

6 Транспортирование

6.1 При поставке контроллера в составе ЭП транспортирование осуществляется в соответствии с РЭ на ЭП.

6.2 Транспортирование контроллера при отдельной поставке в упаковке предприятия-изготовителя может производиться в закрытом транспорте (автомобильном, железнодорожном, воздушном в герметизированных отапливаемых отсеках) на любое расстояние без ограничения скорости в условиях:

  • температура окружающей среды от минус 50 до плюс 50 °С;
  • относительная влажность до 95 % при температуре плюс 35 °С.

6.3 Транспортирование упакованных контроллеров производится согласно правилам перевозки грузов, действующим на данном виде транспорта.

6.4 При получении ящика с контроллером следует убедиться в полной сохранности тары.

При наличии повреждений следует составить акт в установленном порядке и обратиться с рекламацией в транспортную организацию. Во время погрузочно-разгрузочных работ и транспортирования, упакованные контроллеры не должны подвергаться резким ударам и воздействию атмосферных осадков. Способ укладки на транспортное средство должен исключать их перемещение вследствие транспортной тряски.

6.5 Перед распаковыванием после транспортирования при отрицательной температуре тару с контроллером выдержать в течение 6 h в отапливаемом помещении.

7 Утилизация

7.1 Контроллеры не приносят вреда окружающей среде, здоровью и генетическому фонду человека при испытании, хранении, транспортировании, эксплуатации.

7.2 Утилизация деталей контроллера не представляет опасности для окружающей среды и человека и производится по технологиям, принятым на предприятии, эксплуатирующем контроллер.

Приложение А

(обязательное)

Перечень документов, на которые даны ссылки в настоящем РЭ

Таблица А.1

-15

Приложение Б

(обязательное)

Параметры настройки контроллера

Базовый адрес MODBUS для параметров настройки – 0xB000.

Адрес параметра получается сложением базового адреса и индекса.

Параметры разделены на группы, обозначенные латинскими буквами.

Параметр может занимать по указанному адресу байт (LB – младший или HB – старший) или слово (W) целиком.

Параметры настройки определяют способы и особенности управления контроллером, а также его поведение в определенных ситуациях.

Описание параметров настроек контроллера представлено в таблице Б.1.

Таблица Б.1

Приложение В

(справочное)

Адреса регистров MODBUS.

Поддержка протокола Modbus-RTU (RS-485)

Распределение адресов регистров MODBUS соответствует, принятому в модулях ввода-вывода контроллера КРОСС-500 производства ОАО "АБС Автоматизация". Полный доступ ко всем регистрам, способам управления и настройки возможен с помощью протокола MODBUS CLP (Cross Link Protocol). Данный протокол является расширением протокола MODBUS RTU и используется блоком центрального процессора контроллера КРОСС-500 для связи с модулями ввода-вывода, а также программой "Конфигуратор".

Для обеспечения возможности организации простого управления через сетевой интерфейс RS-485 контроллер поддерживает выполнение отдельных команд протокола MODBUS RTU.

Эти команды позволяют реализовать сетевое командное управление и выполнять контроль состояния контроллера и привода.

Контроллер выполняет следующие команды протокола MODBUS RTU согласно таблице В.1.

Таблица В.1 – Коды функций Modbus

-17

Команды READ HOLDING REGISTERS (03) и READ INPUT REGISTERS (04) имеют следующий формат (в байтах):

-18

Ответ на команды READ HOLDING REGISTERS (03) и READ INPUT REGISTERS (04) имеет следующий формат (в байтах):

-19

Адрес и код функции в ответе совпадают с адресом и кодом функции команды. Количество байт данных в ответе всегда четное. Старший байт регистра в ответе идет первым.

Команда FORCE SINGLE REGISTER (06) имеет следующий формат (в байтах):

-20

Ответ на команду FORCE SINGLE REGISTER (06) имеет тот же формат, что и команда.

Команда FORCE MULTIPLE REGISTERS (16) имеет следующий формат (в байтах):

-21

Ответ на команду FORCE MULTIPLE REGISTERS (16) имеет следующий формат (в байтах):

-22

При неправильном значении адреса или CRC16 контроллер не отвечает.

При неправильном значении кода функции или длины сообщения в ответе к коду функции добавляется старший бит и в следующем байте возвращается код ошибки:

  • 01 – недопустимый код функции;
  • 04 – неверная длина сообщения.

Все контроллеры реагируют (но не отвечают) на широковещательные адреса 0 и 254.

Адрес 253 может использоваться для обнаружения одиночных контроллеров на линии. Все контроллеры отвечают на этот адрес, изменив в ответе адрес 253 на свой.

Первоначально после изготовления все контроллеры имеют адрес 239. Он должен быть изменен перед использованием нескольких контроллеров в одной сети на другой допустимый адрес (0-238).

Скорость обмена по сетевому интерфейсу первоначально задаётся 19200 бод, по пультовому интерфейсу – 9600 бод. Скорость может быть изменена с помощью программы "Конфигуратор" или пульта настройки ПН2.

Формат кадра – 8N1 – восемь бит данных, нет бита четности, один стоповый бит. Формат не может быть изменен.

Расчет CRC16 выполняется по следующей процедуре:

а) загрузить 16-ти разрядный регистр числом FFFFH;

б) выполнить операцию XOR над первым байтом данных и старшим байтом регистра. Поместить результат в регистр;

в) сдвинуть регистр на один разряд вправо;

г) если выдвинутый вправо бит единица, выполнить операцию XOR между регистром и полиномом 1010 0000 0000 0001 (A001H).

д) если выдвинутый бит ноль, вернуться к шагу в);

е) повторять шаги в) и г) до тех пор, пока не будут выполнены 8 сдвигов регистра;

ж) выполнить операцию XOR над следующим байтом данных и регистром;

и) повторять шаги в)– ж) до тех пор, пока не будет выполнена операция XOR над всеми байтами данных и регистром.

Содержимое регистра представляет собой два байта CRC и добавляется к исходному сообщению старшим битом вперед.

Далее приведен пример процедуры расчета на языке С.

WORD AddToCRC16Sum(WORD wChecksum, BYTE btData)

{

BYTE btCount;

wChecksum ^= (WORD)btData;

for (btCount=0; btCount<8; btCount++)

{

if (wChecksum & 1)

{

wChecksum >>= 1;

wChecksum ^= 0xA001;

}

else

wChecksum >>= 1;

}

return wChecksum;

}

Приведенные выше команды позволяют получить доступ к регистрам контроля состояния контроллера и управления. Доступ по чтению имеют все описанные ниже регистры. Доступ по записи имеют только два регистра:

  • 0xС000 - аргумент команды;
  • 0xС001 – команда сетевого командного управления.

Настройки параметров (запись в другие регистры) могут быть выполнены с помощью программы "Конфигуратор" или пульта ПН-2.

Для контроллера КИМ1 дополнительно используются следующие зоны адресов:

  • 0xB000–0xBFFF –параметры настройки, сохраняемые в энергонезависимой памяти процессора EEPROM;
  • 0xC000–0xCFFF – данные, содержащиеся в оперативной памяти процессора;
  • 0xE000–0xEFFF – специальные (служебные) параметры настройки, сохраняемые в энергонезависимой памяти процессора EEPROM.

Адреса регистров параметров (зона 0xB000–0xBFFF) – описаны в таблице Б.1 приложения Б.

Регистры данных (зона 0xC000–0xCFFF) описаны в таблице В.2.

Таблица В.2 – Регистры данных

-23

Значение битов основного кода состояния приведено в таблице В.3.

Таблица В.3

-24

Значение битов кода виртуальных сигналов приведено в таблице В.4.

Таблица В.4

-25

Значение битов основного кода неисправности приведено в таблице В.5.

Таблица В.5

-26

Значение битов кода неисправности аппаратуры приведено в таблице В.6.

Таблица В.6

-27

Значение битов кода предупреждений приведено в таблице В.7.

Таблица В.7

-28

Значение битов кода предупреждений приведено в таблице В.8.

Таблица В.8

-29

Из регистров специальных параметров (зона 0xE000–0xEFFF) доступны потребителю регистры, содержащие данные идентификации, они приведены в таблице В.9.

Таблица В.9

-30

_______________________________________________________________

Изготовитель: АБС ЗЭиМ Автоматизация ОАО

_______________________________________________________________

Материал технического паспорта взят из Базы данных промышленного оборудования "АИСТ".

В базе данных АИСТ содержится свыше 85 тысяч технических паспортов. При нынешнем темпе размещения в Яндекс.Дзен этого хватит на 170 лет..