Добавить в корзинуПозвонить
Найти в Дзене
Илья 'Nem0' Стельмах

Импульсный источник питания на базе IR2156, с корректором коэффициента мощности на базе MC33262

Введение. Данная статья посвящена очередному импульсному источнику питания (ИИП), для питания усилителей мощности звуковой частоты (УМЗЧ). Простые импульсные источники питания, при всех своих объективных достоинствах, имеют и недостатки: такие источники генерируют гармонические и нелинейные искажения тока, засоряя ими сеть, что отрицательно влияет на проводку и другие электроприборы к ней подключенные. Это негативное влияние выражается не только в различного вида помехах, но и в перегреве нулевого провода, который происходит при протекании токов со значительными гармоническими составляющими, не совпадающими по фазе с напряжением. В связи с этим, было принято несколько международных стандартов, среди них - ГОСТ 30804.3.2-2013 (IEC 61000-3-2:2009). Требования данных стандартов распространяются на электроприборы работающих от однофазной бытовой сети переменного тока, с током потребления до 16 А. В данных стандартах указаны максимально допустимые величины гармонических составляющих потребл
Общий вид собранного импульсного источника питания на базе IR1256, с корректором коэффициента мощности на базе MC33262
Общий вид собранного импульсного источника питания на базе IR1256, с корректором коэффициента мощности на базе MC33262

Введение. Данная статья посвящена очередному импульсному источнику питания (ИИП), для питания усилителей мощности звуковой частоты (УМЗЧ). Простые импульсные источники питания, при всех своих объективных достоинствах, имеют и недостатки: такие источники генерируют гармонические и нелинейные искажения тока, засоряя ими сеть, что отрицательно влияет на проводку и другие электроприборы к ней подключенные. Это негативное влияние выражается не только в различного вида помехах, но и в перегреве нулевого провода, который происходит при протекании токов со значительными гармоническими составляющими, не совпадающими по фазе с напряжением. В связи с этим, было принято несколько международных стандартов, среди них - ГОСТ 30804.3.2-2013 (IEC 61000-3-2:2009). Требования данных стандартов распространяются на электроприборы работающих от однофазной бытовой сети переменного тока, с током потребления до 16 А. В данных стандартах указаны максимально допустимые величины гармонических составляющих потребляемого из сети тока для различных устройств. Эффективным способом борьбы с паразитными гармоническими составляющими потребляемого тока - является применение в схеме источника питания устройства корректора коэффициента мощности (ККМ). Наличие корректора коэффициента мощности в рассматриваемом в данной статье источнике питания и является основной отличительной особенностью обсуждаемого здесь устройства от всех ранее рассматриваемых.

Корректор коэффициента мощности - устройство, предназначенное для приведения потребляемого от сети переменного тока нагрузкой, к состоянию, при котором коэффициент мощности соответствует принятым стандартам.

Коэффициент мощности - безразмерная физическая величина, которая характеризует искажения создаваемые нагрузкой в сети переменного тока. Искажения бывают двух видов - гармонические и нелинейные. Гармонические искажения представляют собой сдвиг фазы между током и напряжением. Величина гармонических искажений находятся как косинус разности фаз между током и напряжением или как отношение активной мощности к полной мощности, потребляемой из сети. Нелинейные искажения выражаются в отклонении формы потребляемого тока от синусоидальной формы. Их величина находится как отношение мощности первой гармоники к мощности всех остальных гармонических оставляющих тока потребляемого из сети.

Не стоит путать понятия "коэффициент мощности" и "косинус ФИ", второе понятие используется только в случае синусоидальных форм тока и напряжения, и только в этом случае оба эти понятия эквивалентны.

Коэффициент мощности выражается в виде числа, значение которого находится в пределах от 0 до 1. Идеальное значение коэффициента мощности равно единице, в этом случае можно говорить о том, что нагрузка из сети потребляет синусоидальный ток с нулевым фазовым сдвигом. Хорошим значением коэффициента мощности считается 0,90 - 0,95 (для сравнения: типовой ИИП без ККМ, имеет значение коэффициента мощности в районе 0,7). Применение активной коррекции коэффициента мощности позволяет получить значение коэффициента мощности близкое к единице - 0,97...0,99.

Типовой импульсный источник питания, в котором не применяется коррекция коэффициента мощности, состоит из входного фильтра, выпрямителя, высоковольтного сглаживающего конденсатора большой емкости и преобразователя напряжения. В таком ИИП, преобразователь питается энергией запасенной в электролитическом конденсаторе, а сам конденсатор заряжается примерно в течение четверти периода, когда мгновенное значение сетевого напряжения достигает своего максимального значения. Поэтому, такой источник питания, отбирает из сети мощность короткими импульсами, только в те моменты, когда мгновенное значение сетевого напряжения выше, чем напряжение на сглаживающем электролитическом конденсаторе. Все остальное время, такой источник питания, ток из сети не потребляет. В графическом отображении это выглядит следующим образом:

Схематическое отображение потребляемого из сети тока, источником питания без корректора коэффициента мощности
Схематическое отображение потребляемого из сети тока, источником питания без корректора коэффициента мощности

А таким образом это выглядит в реальной жизни на экране осциллографа:

Осциллограмма формы потребляемого из сети тока, источником питания без корректора коэффициента мощности
Осциллограмма формы потребляемого из сети тока, источником питания без корректора коэффициента мощности

Отбор мощности из сети короткими импульсами приводит к генерации набора паразитных гармонических составляющих, с чем и призван бороться корректор коэффициента мощности.

Корректоры коэффициента мощности подразделяются на две группы - пассивные и активные. Первый представляет собой дроссель включенный перед сетевым выпрямителем. Пассивный метод коррекции коэффициента мощности прост, но имеет множество ограничений и недостатков: хорошо работает только в узком диапазоне входных напряжений и нагрузок, низкочастотный дроссель имеет большие габариты и вес, которые пропорциональны мощности источника питания и эффективности работы пассивного ККМ. Кроме того, наличие дросселя увеличивает выходное сопротивление выпрямителя, что ухудшает реакцию источника питания на пики потребления или кратковременные провалы сетевого напряжения. В связи с вышеописанными недостатками, затрагивать тему пассивной коррекции коэффициента мощности мы более не будет. Далее пойдет речь исключительно об активной коррекции коэффициента мощности.

Схема активного корректор коэффициента мощности представляет собой повышающий преобразователь, который включается между сетевым выпрямителем и основным преобразователем источника питания. Существует несколько методов активной коррекции коэффициента мощности, наиболее часто применяемые: Continuous Conduction Mode (CCM) - режим непрерывной проводимости, Discontinuous Conduction Mode (DCM) - режим прерывистой проводимости, Critical Conduction Mode (CrM) - режим критической проводимости. Последний метод коррекции так же может именоваться: Boundary mode (BM) или Transition mode (TM). Сравнительная характеристика методов коррекции коэффициента мощности приведена на следующей иллюстрации:

Сравнительная таблица различных методов коррекции коэффициента мощности
Сравнительная таблица различных методов коррекции коэффициента мощности

Не стану подробно описывать каждый из методов коррекции коэффициента мощности, остановлюсь лишь на методе, применяемом в рассматриваемом далее импульсном источнике питания - режим критической проводимости. Функциональная схема метода представлена ниже:

Функциональная схема метода критической проводимости (Transition mode) коррекции коэффициента мощности
Функциональная схема метода критической проводимости (Transition mode) коррекции коэффициента мощности

При данном методе коррекции, цикл работы корректора происходит следующим образом. В начальный момент времени, ток в дросселе коррекции (L), равен нулю. Датчик нулевого тока (ДНТ), приводит триггер (Т), в единичное состояние, что вызывает открытие силового ключа (Q). Через дроссель коррекции и открытый силовой ключ начинает протекать линейно нарастающий ток, дроссель коррекции запасает энергию. В момент, когда напряжение на истоковом, токоизмерительном резисторе, становится равным эталонному напряжению Uref, поступающему с выхода сетевого выпрямителя на один из входов схемы, через делитель напряжения 1/Кд, происходит закрывание ключа. Запасенная за это время в дросселе энергия, через открывшийся диод (VD), заряжает электролитический конденсатор (Cф), который в свою очередь питает нагрузку (Rн). Ток в дросселе спадает. Напряжение на вторичной обмотке дросселя используется датчиком нулевого тока (ZCD - zero current detector), для определения момента, когда ток в дросселе снизиться до нуля. Как только это произойдет, ключ снова открывает, начнется новый цикл. Диаграмма токов, поясняющая принцип работы данного метода коррекции, представлена ниже:

Диаграмма токов, поясняющая принцип работы критического метода коррекции коэффициента мощности
Диаграмма токов, поясняющая принцип работы критического метода коррекции коэффициента мощности

Где, IL - ток через дроссель коррекции, ILCP - среднеквадратическое значение входного тока, Iref - амплитудное значение входного тока.

Преимущества данного метода:
- мягкое переключение силового диода;
- малые динамические потери при открывании силового ключа;
- значительно меньшая индуктивность и габариты дросселя коррекции в сравнении с другими методами коррекции коэффициента мощности.

Недостатки:
- разрывные токи, сопровождающиеся значительными бросками тока при больших его среднеквадратических значениях, что вызывает увеличение потерь при закрывании силового ключа, а также требует применения очень серьезного входного фильтра электромагнитных помех.

MC33262. В качестве контроллера корректора коэффициента мощности в описываемой схеме импульсного источника питания, выбрана микросхема - MC33262, разработки и производства ON Semiconductor. Данная микросхема доступна, дешева и хорошо себя зарекомендовала. Выпускается в DIP и SOIC корпусах. Далее подробнее остановимся на принципах работы данного контроллера ККМ.

MC33262 имеет восемь выводов:

  • 1. Voltage Feedback Input - инвертирующий вход усилителя ошибки. К данному выводу подключается цепь обратной связи, которая служит для отслеживания, корректировки и удержания выходного напряжения корректора коэффициента мощности. Пороговое напряжение усилителя ошибки составляет 2,5 +/- 0,035 В.
  • 2. Compensation - вывод, напрямую соединенный с выходом усилителя ошибки микросхемы, предназначен для подключения внешней цепи коррекции АЧХ усилителя ошибки, которая необходима для защиты последнего от самовозбуждения.
  • 3. Multiplier Input - вывод, на который подается пульсирующее напряжение с выхода сетевого выпрямителя. Таким образом, микросхема получает информацию о мгновенном значении фазы сетевого напряжения и о величине входного напряжения.
  • 4. Current Sense Input - вывод, служащий для контроля за величиной тока протекающего через силовой ключ.
  • 5. Zero Current Detect Input - вход датчика нулевого тока. На данный вывод (через резистор), подается напряжение со вторичной обмотки дросселя коррекции, что необходимо для определения момента времени, когда цикл передачи энергии в нагрузку завершен (ток через дроссель коррекции упал до нуля).
  • 6. GND - общий вывод микросхемы.
  • 7. Driver Out - выход драйвера.
  • 8. Vcc - вывод питания микросхемы.
Расположение и назначение выводов микросхемы MC33262
Расположение и назначение выводов микросхемы MC33262

Типовая схема корректора коэффициента мощности на базе MC33262 (упрощенная), показана ниже:

Типовая схема включения микросхемы MC33262
Типовая схема включения микросхемы MC33262

Рассмотрение типовой схемы начнем с вывода 3 (Multiplier) и делителя напряжения подключенного к нему. Как уже было написано ранее - данный вывод, через делитель напряжения (R5 и R3), подключается к выходу сетевого выпрямителя и служит для отслеживания мгновенного значения фазы и величины напряжения в сети. Делитель напряжения подключаемый к выводу Multiplier рассчитывается таким образом, чтобы при максимальном значении входного сетевого напряжения (обычно 265 - 275 В), напряжение на этом выводе находилось в диапазоне от 3,0 до 3,5. В. Расчет делителя напряжения производится по следующей формуле:

-9

При указанных в типовой схеме номиналах R5 = 1,3 МОм, R3 = 12 кОм и максимальном входном напряжении 268 В, напряжением на выводе 3 составит:

-10

Для запуска MC33262 требуется сверхмалый ток - не более 0,4 мА. Первоначальный ее запуск осуществляется через стартовый резистор R6. Номинал данного резистора рассчитывается таким образом, чтобы при минимальном входном сетевом напряжении (в данном случае 90 В), гарантированно обеспечить микросхему током, достаточным для ее запуска. Хотя контроллеру для запуска достаточно всего 0,4 мА, рекомендую не жадничать и ориентировать на вдвое большее значение тока. В данном случае, величина стартового тока выбрана равной:

-11

Дальнейшее питание контроллера осуществляется от вторичной обмотки дросселя коррекции через диод D6, однако могут быть и другие варианты. Микросхема по входу питания имеет встроенный стабилитрон с напряжением стабилизации 36 В. Чтобы не нагружать встроенный стабилитрон микросхемы и иметь возможность использовать конденсатор C4 с номинальным напряжением менее 50 В, лучше установить внешний стабилитрон с напряжением стабилизации 16-20 В (этого напряжения достаточно для нормальной работы микросхемы).

Напряжение с вторичной обмотки дросселя коррекции снимается и через резистор R4 подается на вход детектора нулевого тока (вывод 5). Сопротивление резистора R4 должно удовлетворять условию:

-12

Где, Uzcd - максимальное напряжение на вторичной обмотке дросселя; Izcd - ток детектора нулевого тока.

При расчете номинала R4 высокая точность не требуется, поэтому условно принимаем значение напряжения вторичной обмотки дросселя коррекции равное 25 В, а значение тока детектора нулевого тока равным 1 мА. В результате получаем:

-13

Выход драйвера (вывод 7), через затворную цепь (которая на упрощенной схеме не показана), соединяется с затвором силового полевого транзистора. Однако, внутреннее устройство MC33262 допускает подключение затвора полевого транзистора напрямую к выходу драйвера. Драйвер способен обеспечить пиковый выходной ток +/- 500 мА, со временем нарастания/спада 50...120 нс, на емкостной нагрузке до 1 нФ. Максимальное выходное напряжение драйвера 14 - 18 В (ограничено внутренним стабилитроном не показанным на типовой схеме корректора).

Вывод 4 соединяется напрямую или через RC-фильтр (C и R на иллюстрации ниже), с истоком силового ключа и контролирует величину тока последнего. Внешний фильтр может потребоваться в источниках питания с универсальным входом (90 - 265 В), рассчитанным на выходную мощность более 200 Вт, либо для источников с фиксированным входом (185 - 276 В), рассчитанных на выходную мощность более 400 Вт. Номиналы RC-фильтра подбираются таким образом, чтобы устранить паразитный звон в начале цикла. Но постоянная времени RC-фильтра не должна быть слишком большой, иначе возможен выход из строя силового ключа из-за несвоевременного срабатывания Current Sense компаратора.

Принципиальная схема RC-фильтра, подключаемого к четвертому выводу микросхемы
Принципиальная схема RC-фильтра, подключаемого к четвертому выводу микросхемы

К инвертирующему входу усилителя ошибки (вывод 1), подключается цепь обратной связи, которая представляет собой резистивный делитель напряжения (R2 и R1), подключенный одним концом к выходу корректора коэффициента мощности, а другим к общей земле. Через цепь обратной связи, контроллером постоянно контролируется и поддерживается выходное напряжение корректора на заданном уровне. Выходное напряжение корректора задается выбором соотношения номиналов резисторов R2 и R1. Формула для расчета выходного напряжения корректора выглядит следующим образом:

-15

Где, Vo - выходное напряжение корректора; Vref - напряжение смещения усилителя ошибки (для MC33262 составляет 2,5 В); Ilb - ток, протекающий через делитель напряжения.

Когда сопротивление резистора R2 около или более 1 МОм, допускается не учитывать ток, протекающий через делитель напряжения, ввиду его незначительного влияния на величину выходного напряжения корректора коэффициента мощности.

При указанных в упрощенной схеме номиналах R2 = 1,6 МОм и R1 = 10 кОм, выходное напряжение корректора составит:

-16

Сразу хочется обратить внимание на внутренний Overvoltage Comparator (OVC), вход которого так же подключен к первому выводу микросхемы.

Overvoltage Comparator на принципиальной схеме внутреннего устройства микросхемы MC33262
Overvoltage Comparator на принципиальной схеме внутреннего устройства микросхемы MC33262

Вход компаратора смещен на 1,08*Vref (то есть, на 1,08*2,5=2,7 В). Данный компаратор предназначен для защиты от повышенного напряжения на выходе корректора коэффициента мощности, которое может иметь место при включении устройства в сеть, работе на холостом ходу, при резком отключении нагрузки или уменьшении нагрузки. Компаратор контролирует выходное напряжение корректора и как только оно превысит заданное в 1,08 раза, мгновенно прекращает работу корректора. Таким образом, на экране осциллографа выглядит работа OVC при включении корректора:

Осциллограмма иллюстрирующая принцип работы OVC компаратора
Осциллограмма иллюстрирующая принцип работы OVC компаратора

Пришло время рассказать об одной особенности работы корректора коэффициента мощности, из-за которой в MC33262 и других transition mode контроллерах присутствует Overvoltage Comparator или другие методы защиты от повышенного напряжения на выходе корректора. Дело в том, что в каждом цикле работы ККМ в дросселе коррекции запасается определенное количество энергии. После закрытия силового ключа и открытия силового диода D5, вся накопленная в дросселе за цикл энергия, уходит на заряд электролитического конденсатора C3. Когда накапливаемая в дросселе энергия за один цикл превышает величину отбираемой нагрузкой из конденсатора энергии, выходное напряжение корректора увеличивается выше расчетного номинального значения. Это происходит, когда источник питания работает без нагрузки или с очень малой по величине нагрузкой. Без защиты от перенапряжения, выходное напряжение корректора росло бы до бесконечно большого значения, что в итоге привело бы к выходу из строя всего устройства, но благодаря наличию Overvoltage Comparator этого не происходит. Однако, неприятный момент с этим связанный заключается в том, что на холостом ходу или при малой нагрузке на источник питания, выходное напряжение корректора будет выше расчетного номинального в 1,08 раза, и будет плавно снижаться до номинального значения с увеличением нагрузки на его выходе. А значит, что и выходное напряжение импульсного источника питания при тех же условиях, будет в 1,08 раза выше расчетного (если преобразователь не имеет обратной связи для стабилизации выходного напряжения).

Как ранее уже отмечалось, конденсатор С1, подключенный к выводу 2, служит для коррекции АЧХ усилителя ошибки и защиты его от самовозбуждения. Оптимальное значение емкости конденсатора С1, лежит в диапазоне от 0,47 до 1 мкФ.

Индуктивность дросселя коррекции рассчитывается по формуле:

-19

Где, Vbus - расчетное напряжение на выходе корректора коэффициента мощности; Vacmin - минимальное входное напряжение; Fmin - минимальная рабочая частота корректора (при минимальном входном напряжении); Pout - выходная мощность корректора; η - КПД корректора.

Расчетное выходное напряжение корректора не должно быть меньше, чем максимальное входное напряжение умноженное на корень из двух, плюс запас 10-15%. То есть, при максимальном входном напряжении 265 В, расчетное выходное напряжение корректора должно быть не менее 371 В (без учета запаса по напряжению). Оптимально - 400 В. Минимальная рабочая частота корректора при минимальном входном напряжении должна выбираться таким образом, чтобы при максимальном входном напряжении, рабочая частота была не ниже 20 кГц. Оптимальным значением минимальной рабочей частоты является 50 - 70 кГц. Выходная мощность должна быть выше, чем максимальная выходная мощность источника питания как минимум на величину потерь в преобразователе. КПД корректора оптимально задавать равным 0,95.

Номинал токоизмерительного резистора R7, включенного в исток силового ключа, выбирается исходя из пикового тока дросселя, который в свою очередь рассчитывается по формуле:

-20

Где, Po - выходная мощность корректора; η - КПД корректора; Vac(LL) - минимальное входное напряжение.

Зная пиковый ток дросселя, можно рассчитать номинал истокового резистора:

-21

Где, Vcs - пороговое напряжение Current Sence компаратора (Vcs = 1,5 В).

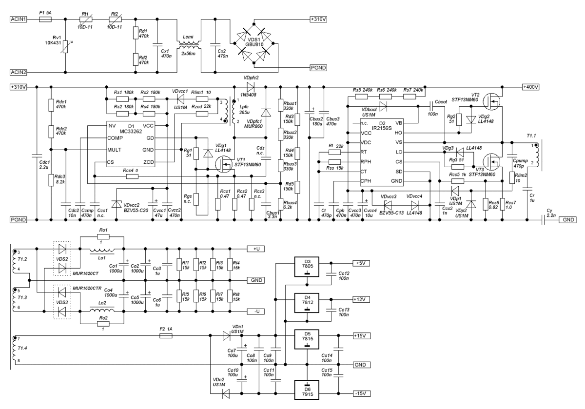
Схема. Переходим к рассмотрению схемы импульсного источника питания с корректором коэффициента мощности:

Принципиальная схема ИИП на базе IR2156 с КММ на базе MC33262 (соответствует печатной плате 2156PFC.01)
Принципиальная схема ИИП на базе IR2156 с КММ на базе MC33262 (соответствует печатной плате 2156PFC.01)

Схема разделена на три логические части: входной фильтр с сетевым выпрямителем, полумостовой преобразователь с корректором коэффициента мощности и вторичные цепи.

Сетевое напряжение поступает на схему через предохранитель F1 и два последовательно включенных термистора Rt1 и Rt2 (допускается использование одного из них), предназначенных для ограничения пускового тока. Варистор Rv1 служит для ограничения импульсных перенапряжений и защиты от повышения входного напряжения. Резисторы Rd1 и Rd2, играют роль разрядных резисторов, разряжающих конденсаторы фильтра после отключения сетевого напряжения. Непосредственно входной фильтр состоит из двух конденсаторов - Cx1, Cx2 и дросселя подавления электромагнитных помех (ЭМП) - Lemi. Каждая из обмоток дросселя подавления ЭМП должна иметь индуктивность не менее 20 мГн - лучше больше, и рассчитаны на соответствующий ток. В авторском варианте применен дроссель с индуктивностью обмоток 56 мГн. Допустимый ток дросселя Lemi и сетевого выпрямителя VDS1, рассчитываются исходя из минимального входного напряжения и выходной мощности блока питания. Конденсаторы Cx1 и Cx2 должны быть строго типа Х2 или Х1, не допускается использование других типов конденсаторов в их качестве. Емкость указанных конденсаторов должна быть тем больше - чем меньше индуктивность дросселя подавления ЭМП. Данный импульсный источник питания очень требователен к входному фильтру, поэтому к его качеству необходимо отнестись со всей ответственностью. Не стоит экономить на качестве и габаритах применяемых компонентов фильтра.

С выхода сетевого выпрямителя, постоянное, пульсирующее напряжение, предварительно сглаживаясь посредством конденсатора Cdc1, поступает на вход корректора коэффициента мощности. Через делитель напряжения Rdc1, Rdc2 и Rdc3, контроллер ККМ - MC33262, получает информацию о мгновенном значении сетевого напряжения и его фазе. Конденсатор Cdc2 служит для защиты вывода MULT микросхемы от помех. Назначение конденсатора Ccomp ранее уже рассматривалось. Первоначальный запуск микросхемы осуществляется через четыре стартовых резистора Rs1-Rs4. Такое количество резисторов необходимо для обеспечения требуемой рассеиваемой мощности при максимальном входном напряжении и требуемом стартовом токе, а также для исключения электрического пробоя по напряжению (напряжение между выводами одного SMD резистор типоразмера 1206, не должно превышать 150...200 В). После запуска, дальнейшее питание MC33262 осуществляется от вторичной обмотки дросселя коррекции через ограничительный резистор Rlim1 и выпрямительный диод VDvcc1. Напряжение питания микросхемы сглаживается конденсаторами Cvcc1 и Cvcc2. Стабилитрон VDvcc2 установлен с целью разгрузки внутреннего стабилитрона MC33262 и для ограничения величины напряжения питания микросхемы на уровне 20 В, чтобы иметь возможность установить в качестве Cvcc1 танталовый электролитический конденсатор с номинальным рабочим напряжением 25 В (иначе пришлось бы устанавливать гораздо более габаритный конденсатор с номинальным рабочим напряжением 50 В). При установке в качестве VDvcc2 стабилитрона с напряжением стабилизации 15 или 18 В, допускается использовать конденсатор Cvcc1 с номинальным рабочим напряжением 16 или 20 В соответственно. О назначении резистора Rzcd было написано выше. Элементы схемы Rg1, VDg1 и Rgs - цепь управления затвором. В авторском варианте, резистор Rgs устанавливать не требуется, но место под него на плате предусмотрено. Резистор Rcs4 и конденсатор Ccs1 образуют RC-фильтр, защищающий токочувствительный вход микросхемы - CS от паразитного звона и помех. В случае, если данный фильтр не используется (как в авторском варианте), в позицию Rcs4 устанавливается резистор с номиналом 0 Ом, а конденсатор Ccs1 - не устанавливается. Ситуации, при которых необходимо использование фильтра - рассматривались выше. По величине падения напряжения на резисторах Rcs1-Rcs3, контроллер получает информацию о величине тока через полевой транзистор VT1 и включенный последовательно с ним дроссель коррекции Lpfc. Номиналы резисторов Rcs1-Rcs3 рассчитываются исходя из максимальной амплитуды тока дросселя коррекции, по формуле приведенной ранее (либо с помощью авторского калькулятора, о котором далее). Конденсатор Cds служит для снижения паразитного звона при переключении силового транзистора VT1, номинал конденсатора подбирается по факту (изначально не устанавливается). Емкость Cds не должна превышать 470 пФ, иначе возможен пробой силового транзистора. Через делитель напряжения Rbus1-Rbus4, контроллер получает информацию о величине выходного напряжения ККМ. Конденсатор Cbus1 защищает от помех инвертирующий вход усилителя ошибки микросхемы. Диод VDpfc1 - основной диод ККМ, в его качестве должен использоваться диод с минимально возможным временем обратного восстановления. Используемый в авторском варианте блока питания диод MUR860, не является лучшим вариантом, гораздо лучше подошел бы диод STTH8S06, так как последний имеет почти в шесть раз меньшее время обратного восстановления. Диод VDpfc2 служит для первоначальной зарядки основной накопительной емкости Cbus2 в момент включения блока питания в сеть. Lpfc - непосредственно дроссель коррекции. Дроссель наматывается на ферритовом магнитопроводе, в авторском варианте - на EE42/21/15. Магнитопровод и зазор в нем, должны быть выбраны таким образом, чтобы ток насыщения дросселя коррекции был больше, чем максимальный ток в дросселе коррекции, при заданном значении индуктивности (подробнее об этом в самом конце статьи). Индуктивность и максимальное значение тока в дросселе коррекции рассчитываются по выше приведенным формулам. В качестве полевого транзистора VT1 необходимо использовать транзистор с током стока (при 100 градусах Цельсия), не менее, чем максимальный ток дросселя коррекции. В авторском варианте, при максимальной амплитуде тока в дросселе 6,4 А, применен транзистор STF13NM60 (ток стока которого, при 100 градусах Цельсия, составляет 6,9 А). Цепь резисторов Rd3-Rd5, служит для разрядки основной накопительной емкости Cbus2, после отключения сетевого напряжения. Емкость основного накопительного электролитического конденсатора рекомендую выбирать из расчета 0,5-0,7 мкФ на один Ватт выходной мощности блока питания. Дальнейшая часть схемы, на которой изображен полумостовой преобразователь напряжения на базе IR2156, аналогична ранее рассмотренной, поэтому здесь дополнительно рассматриваться не будет.

Схема вторичной стороны блока питания - стандартна и аналогична ранее рассматриваемым схемам ИИП на базе IR2156 и ИИП на базе L6599, поэтому дополнительно также рассматриваться не будет. Далее переходим к испытаниям.

Работа без нагрузки. Как обычно, испытания начинаются с включения блока питания без нагрузки. Выходное напряжение без нагрузки составило 2х44,6 В, напряжение на выходе ККМ - 432 В (в 1,08 раза выше, чем расчетное значение - 400 В).

Пульсации напряжения на выходе одного из плеч блока питания, без нагрузки на его выходе
Пульсации напряжения на выходе одного из плеч блока питания, без нагрузки на его выходе

Среднеквадратическое значение напряжения пульсаций на выходе одного из плеч блока питания, составляет - 86 мВ, максимальное значение пульсаций напряжения - 188 мВ.

Форма тока потребляемого из сети блоком питания, без нагрузки на его выходе
Форма тока потребляемого из сети блоком питания, без нагрузки на его выходе

Видно, что форма потребляемого тока хотя и далека от идеальной - синусоидальной, но все таки отдаленно ее напоминает. При увеличении нагрузки на блок питания, форма потребляемого из сети тока будет все сильнее приближаться к идеальной синусоиде.

За время работы на холостом ходу, лишь немного нагрелся радиатор, на котором установлены силовые ключи, диодный мост и диод корректора коэффициента мощности. Радиатор выходных диодов, трансформатор, дроссель коррекции и другие компоненты блока питания не изменили своей температуры.

Работа при малой нагрузке. Следующим этапом испытаний, следует проверка блока питания при малой нагрузке на его выходе. Данное испытание включало в себя проверку блока питания при трех разных наборах резистивных нагрузок на его выходе - 150, 390 и 590 Ом. При подключении данных наборов резисторов к выходу блока питания, его выходное напряжение было соответственно: 2х43,5 В, 2х44,2 В, 2х44,3 В. Напряжение на выходе ККМ - 423-430 В.

Пульсации напряжения на выходе одного из плеч блока питания, нагрузка - 150 Ом
Пульсации напряжения на выходе одного из плеч блока питания, нагрузка - 150 Ом

При подключенной к выходу блока питания нагрузке 150 Ом (выходная мощность - 50 Вт), пульсации выходного напряжения в одном плече составили: среднеквадратическое значение - 0,1 В, максимальное значение - 0,17 В.

Форма тока потребляемого из сети блоком питания, нагрузка - 590 Ом Добавьте описание
Форма тока потребляемого из сети блоком питания, нагрузка - 590 Ом Добавьте описание
Форма тока потребляемого из сети блоком питания, нагрузка - 390 Ом
Форма тока потребляемого из сети блоком питания, нагрузка - 390 Ом
Форма тока потребляемого из сети блоком питания, нагрузка - 150 Ом
Форма тока потребляемого из сети блоком питания, нагрузка - 150 Ом

С увеличением нагрузки, что закономерно, форма потребляемого из сети тока, все больше походит на синусоидальную.

По-прежнему, немного нагревается радиатор первичной стороны блока питания - температура его в районе 40-45 градусов по Цельсию. Едва заметен нагрев радиатора вторичной стороны блока питания.

Работа при средней нагрузке. В качестве средней по величине нагрузки применялся набор резисторов с общим сопротивлением 55 Ом, что соответствует выходной мощности блока питания 120 Вт. Выходное напряжение - 2х40,5 В, напряжение на выходе ККМ - 400 В. Потребляемая из сети мощность - 130 Вт (КПД - 92 %).

Форма тока потребляемого из сети блоком питания, нагрузка - 55 Ом
Форма тока потребляемого из сети блоком питания, нагрузка - 55 Ом

Форма потребляемого тока все ближе к идеальной синусоиде.

Работа при большой нагрузке. Далее блок питания испытывался при подключенных к его выходу наборах резисторов 29 и 26 Ом. Выходная мощность - 220 и 245 Вт, потребляемая из сети мощность - 246 и 269 Вт, КПД - 89 и 91 %, соответственно. Выходное напряжение, в обоих случаях, составило - 2х40 В. Выходное напряжение корректора коэффициента мощности - 400 В.

Пульсации напряжения на выходе одного из плеч блока питания, нагрузка 29 Ом
Пульсации напряжения на выходе одного из плеч блока питания, нагрузка 29 Ом
Пульсации напряжения на выходе одного из плеч блока питания, нагрузка 26 Ом
Пульсации напряжения на выходе одного из плеч блока питания, нагрузка 26 Ом

Среднеквадратическое значение напряжения пульсаций, составило - 0,27 В и 0,34 В, для нагрузок 29 и 26 Ом, соответственно, а максимальное значение - 0,44 и 0,48 В, соответственно.

На следующей осциллограмме приводится сравнение напряжения пульсаций выходного напряжения ИИП без ККМ (синий луч) и данного импульсного источника питания оснащенного ККМ (желтый луч):

Сравнение пульсаций выходного напряжения ИИП без ККМ (синий луч) и ИИП с ККМ (желтый луч)
Сравнение пульсаций выходного напряжения ИИП без ККМ (синий луч) и ИИП с ККМ (желтый луч)

Можно видеть, что пульсации на выходе блока питания оснащенного корректором коэффициента мощности, как минимум втрое ниже, чем у импульсного источника питания без ККМ. Оба источника питания построены на базе IR2156. Нагрузка, подключенная к выходам испытуемых блоков питания, а также их выходное напряжение, в обоих случаях - равны.

Форма тока потребляемого из сети блоком питания, нагрузка - 29 Ом
Форма тока потребляемого из сети блоком питания, нагрузка - 29 Ом
Форма тока потребляемого из сети блоком питания, нагрузка - 26 Ом
Форма тока потребляемого из сети блоком питания, нагрузка - 26 Ом

Наконец мы можем видеть то, ради чего и нужен корректор коэффициента - синусоидальная форма потребляемого тока.

После 20 минут работы при выходной мощности 245 Вт, температура радиатора первичной стороны составила 52 градуса Цельсия, температура радиатора выходных диодов - 65 градусов. Дроссель коррекции не изменил своей температуры относительно комнатной. Трансформатор едва нагрелся, температура его составила 35 градусов Цельсия.

Работа с УМЗЧ в качестве нагрузки. В качестве нагрузки блока питания, к нему был подключен усилитель мощности звуковой частоты - ОМ2.7. Сам усилитель нагружен на набор резисторов с общим результирующим сопротивлением - 7 Ом. На вход усилителя, с помощью функционального генератора, подавался синусоидальный сигнал с различной частотой. В ходе данной проверки были получены следующие осциллограммы (синий луч - напряжение на выходе усилителя, желтый луч - напряжение пульсаций на выходе одного из плеч блока питания):

Напряжение на выходе УМЗЧ и напряжение пульсаций на выходе блока питания, частота сигнала - 25 Гц
Напряжение на выходе УМЗЧ и напряжение пульсаций на выходе блока питания, частота сигнала - 25 Гц

Частота сигнала - 25 Гц, среднеквадратическое значение напряжения на выходе УМЗЧ - 16,7 В, выходная мощность - 40 Вт, среднеквадратическое значение напряжения пульсаций на выходе одного из плеч блока питания - 0,53 В.

Напряжение на выходе УМЗЧ и напряжение пульсаций на выходе блока питания, частота сигнала - 100 Гц
Напряжение на выходе УМЗЧ и напряжение пульсаций на выходе блока питания, частота сигнала - 100 Гц

Частота сигнала - 100 Гц, среднеквадратическое значение напряжения на выходе УМЗЧ - 17,2 В, выходная мощность - 42 Вт, среднеквадратическое значение напряжения пульсаций на выходе одного из плеч блока питания - 0,46 В.

Напряжение на выходе УМЗЧ и напряжение пульсаций на выходе блока питания, частота сигнала - 250 Гц
Напряжение на выходе УМЗЧ и напряжение пульсаций на выходе блока питания, частота сигнала - 250 Гц

Частота сигнала - 250 Гц, среднеквадратическое значение напряжения на выходе УМЗЧ - 18,1 В, выходная мощность - 47 Вт, среднеквадратическое значение напряжения пульсаций на выходе одного из плеч блока питания - 0,29 В.

Напряжение на выходе УМЗЧ и напряжение пульсаций на выходе блока питания, частота сигнала - 1 кГц
Напряжение на выходе УМЗЧ и напряжение пульсаций на выходе блока питания, частота сигнала - 1 кГц

Частота сигнала - 1 кГц, среднеквадратическое значение напряжения на выходе УМЗЧ - 17,4 В, выходная мощность - 43 Вт, среднеквадратическое значение напряжения пульсаций на выходе одного из плеч блока питания - 0,14 В.

Напряжение на выходе УМЗЧ и напряжение пульсаций на выходе блока питания, частота сигнала - 5 кГц
Напряжение на выходе УМЗЧ и напряжение пульсаций на выходе блока питания, частота сигнала - 5 кГц

Частота сигнала - 5 кГц, среднеквадратическое значение напряжения на выходе УМЗЧ - 17,5 В, выходная мощность - 44 Вт, среднеквадратическое значение напряжения пульсаций на выходе одного из плеч блока питания - 0,16 В.

Напряжение на выходе УМЗЧ и напряжение пульсаций на выходе блока питания, частота сигнала - 15 кГц
Напряжение на выходе УМЗЧ и напряжение пульсаций на выходе блока питания, частота сигнала - 15 кГц

Частота сигнала - 15 кГц, среднеквадратическое значение напряжения на выходе УМЗЧ - 18,7 В, выходная мощность - 50 Вт, среднеквадратическое значение напряжения пульсаций на выходе одного из плеч блока питания - 0,19 В.

Чтобы увеличить нагрузку на блок питания, в дополнение к усилителю, к выходу блока питания был подключен набор резисторов с сопротивлением 29 Ом. Общая нагрузка на выход блока питания составила около 270 Вт. Выходное напряжение блока питания при этом составило 2х39,7 В, напряжение на выходе ККМ - 400 В. Пульсации выходного напряжения блока питания были представлены двумя составляющими: удвоенной частотой сети (100 Гц), и частотой полезного сигнала. Среднеквадратическое значение пульсаций выходного напряжения - 0,22 В.

Напряжение пульсаций на выходе одного из плеч блока питания, частота сигнала - 1 кГц, выходная мощность - 270 Вт
Напряжение пульсаций на выходе одного из плеч блока питания, частота сигнала - 1 кГц, выходная мощность - 270 Вт

После работы в таком режиме в течение 30 мин, радиатор первичной стороны блока питания нагрелся до 55 градусов Цельсия, а радиатор вторичной стороны - до 65 градусов.

Расчет элементов блока питания. Для своего и вашего удобства, автором был создан excel-калькулятор для автоматизированного расчета элементов блока питания на базе IR2156, с корректором коэффициента мощности на базе MC33262. Для работы калькулятора потребуется Microsoft Excel (не ниже версии 2007). Значения, введенные в ячейках калькулятора по умолчанию, соответствуют расчетным значениям для обсуждаемого в данной статье авторского варианта блока питания.

Расчет начинается с ввода исходных данных - выбора желаемого диапазона входных напряжений. Наличие корректора коэффициента мощности в составе схемы позволяет блоку питания работать в очень широком диапазоне входных напряжений без изменения выходного напряжения и выходной мощности. Диапазон входных напряжений может быть задан почти любым. Однако стоит помнить, что чем шире диапазон в сторону низкого напряжения - тем более высокотоковым должен быть силовой полевой транзистор, используемый в схеме ККМ. Кроме этого, дроссель коррекции должен быть рассчитан на больший ток: иметь магнитопровод соответствующих размеров, соответствующее сечения обмоточного провода и зазор в магнитопроводе обеспечивающий значение тока насыщения не менее, чем максимальный рабочий ток дросселя коррекции. Расширение диапазона входных напряжений в сторону высокого напряжения, потребует использования соответствующего по максимально допустимому напряжению сток-исток, высоковольтного полевого ключа. Существует три стандартных диапазона входных напряжений: 185-276 В (для сетей 230 В), 92-138 В (для сетей 120 В) и 85-265 В (универсальный вход). В авторском варианте блока питания было решено немного расширить диапазон входных напряжений вниз, поскольку это позволяют возможности применяемого полевого транзистора - STF13NM60, и немного снизить верхнюю границу диапазона (относительно стандартного диапазона 185-276 В).

-42

После выбора диапазона входных напряжений, первой строкой в следующем подразделе калькулятора будет выведено значение минимального выходного напряжения ККМ. Желаемое значение выходного напряжения ККМ, которое необходимо ввести далее, должно быть не менее этого расчетного значения из первой строки. Выходное напряжение ККМ всегда должно быть выше, чем максимальное входное напряжение умноженное на корень из двух! Если не соблюсти это условие, то корректор коэффициента мощности не будет работать, когда входное напряжение будет выше определенного значения. Поскольку в авторском варианте блока питания, максимальное входное напряжение выбрано равным 265 В, то минимальное выходное напряжение ККМ должно быть не менее 265*1,4=371 В (калькулятор к этому значению добавляет запас в 10 В). Если бы максимальное входное напряжение было задано стандартным - 276 В, то минимальное выходное напряжение корректора, составило - 396,4 В (с учетом 10 В запасам по напряжению). Именно по этому, для корректоров коэффициента мощности работающих в сети 230 В принято устанавливать выходное напряжением равное - 400 В. Такое же значение выходного напряжения выбрано в авторском варианте блока питания. Кто-то может справедливо заметить, что если минимальное входное напряжение выбрать равным 260-265 В, то выходное напряжение корректора возможно задать равным 385-390 В, что якобы должно позволить нам использовать электролитический конденсатор с номинальным рабочим напряжением 400 В по выходу корректора, но это не так. Как уже ранее упоминалось, без нагрузки, а также когда нагрузка отбирает меньше энергии, чем накапливается в дросселе коррекции за один рабочий цикл, напряжение на выходе ККМ будет завышенным, вплоть до 1,08 раза от номинального значения. То есть, даже если выходное напряжение корректора коэффициентам мощности задать равным 385 В, то без нагрузки, напряжение на выходе корректора составит 385*1,08=416 В. При таком раскладе, использовать 400 В электролитический конденсатор не представляется возможным в принципе.

В этом же подразделе калькулятора необходимо выбрать желаемое значение выходной мощности преобразователя (блока питания). Для блока питания на авторской печатной плате, выходная мощность ограничена в первую очередь возможностью охлаждения, поэтому не следует рассчитывать на более чем 300-350 Вт. При использовании активного охлаждения, либо другого, более эффективного пассивного охлаждения (скорее всего для этого придется изменить авторскую печатную плату или создать свою с нуля), выходная мощность может быть увеличена до 500 Вт (без каких-либо изменений в схеме и элементной базе).

КПД преобразователя лучше выбирать в диапазоне 85-88%. Исходя из предполагаемого КПД преобразователя рассчитывается выходная мощность корректора коэффициента мощности.

-43

Далее следует подраздел, где производится расчет дросселя коррекции. Первое что необходимо выбрать - минимальную рабочую частоту корректора коэффициента мощности. Ее следует выбирать из того расчета, чтобы при максимальном входном напряжении рабочая частота не опускалась ниже 20 кГц (чтобы работа корректора не была слышна). Слишком задирать минимальную рабочую частоту тоже не следует, так как это повышает требования к полевому транзистору ККМ, качеству изготовления дросселя и всего устройства в целом. Оптимальное значение минимальной рабочей частоты находиться в диапазоне 40-70 кГц.

После выбора минимальной рабочей частоты, калькулятор отобразит расчетное значение индуктивности дросселя коррекции. Фактическое значение индуктивности дросселя не должно отличаться более чем на +/- 5% от расчетного, иначе фактические значения рабочих частот так же будут сильно отличаться от расчетных. После расчета индуктивности дросселя коррекции, стоит еще раз проверить чтобы минимальная рабочая частота при максимальном входном напряжении была не менее 20 кГц. Иначе, увеличиваем минимальную рабочую частоту ККМ и соответственно корректируем фактическую индуктивность дросселя коррекции.

Пиковый ток дросселя коррекции должен быть не более чем максимально допустимый ток стока (при 100 градусах Цельсия), применяемого в ККМ полевого транзистора. Для указанного в схеме транзистора - STF13NM60, максимально допустимое значение тока стока составляет - 6,9 А (при 100 градусах Цельсия, информация взята из даташита). В случае, если пиковое значение тока дросселя получилось больше, чем допустимый ток стока применяемого полевого транзистора, следует либо использовать транзистор с большим допустимым током, либо снизить желаемую выходную мощность блока питания, либо увеличить нижнюю границу диапазона входных напряжений.

Плотность тока в дросселе выбирается следующим образом: 5-6 А/мм2 - при постоянной работе на номинальной мощности и пассивном охлаждении, 7-8 А/мм2 - тоже самое, но при активном охлаждении или при работе с реальным аудио усилителем мощности звуковой частоты и пассивном охлаждении, 8-12 А/мм2 - при работе с УМЗЧ и активном охлаждении.

Поскольку корректор коэффициента мощности данного типа работает с постоянно меняющейся рабочей частотой и даже при минимальной рабочей частоте в 50 кГц, максимальная рабочая частота может легко доходить до 500 кГц, обмотки дросселя коррекции следует мотать исключительно литцендратом! В поле калькулятора - "Диаметр жилы обмоточного провода...", вводим диаметр одной жилы литцендрата, а в следующей строке калькулятор выдаст минимально необходимое число жил провода с данным диаметром одной жилы, необходимое для намотки обмоток дросселя коррекции соответствующего ранее введенным исходным данным. Выбираем литцендрат с ближайшим большим числом жил. В авторском варианте блока питания, при расчетном числе жил равном 69, фактически был применен литцендрат с 80 жилами.

-44

Следующий раздел калькулятора посвящен расчету и выбору обвязки контроллера корректора коэффициента мощности - MC33262. В первом его подразделе рассчитываются и выбираются номиналы токоизмерительных резисторов, по падению напряжения на которых, контроллер ККМ будет измерять мгновенное значение тока через дроссель и транзистор ККМ. В первой строке подраздела, калькулятор отображает расчетное результирующее значение сопротивления трех, параллельно включенных резисторов. Необходимо выбрать номиналы резисторов Rcs1-Rcs3 и ввести их фактические значения сопротивлений в соответствующие ячейки калькулятора. Сделать это необходимо таким образом, чтобы их результирующее фактическое сопротивление (отображается в соответствующей ячейке), отличалось от расчетного значения не более чем на +/- 3%. Если расчетное значение сопротивления будет значительно меньше, чем фактическое значение сопротивления, то ток дросселя коррекции будет ограничиваться преждевременно, что в свою очередь, придет к снижению выходного напряжения корректора под нагрузкой близкой к номинальной и неудовлетворительному значению коэффициента мощности. Если же наоборот, расчетное значение сопротивления будет значительно больше, чем фактическое значение сопротивления, то это приведет к тому, что при определенных условиях, ток превысит допустимое значение для дросселя коррекции или полевого транзистора, что приведет к пробою последнего со всеми вытекающими последствиями. Суммарная мощность, рассеиваемая тремя токоизмерительными резисторами, должна быть не более чем суммарная номинальная мощность этих резисторов. Посадочные места под резисторы Rcs1-Rcs3 на авторской печатной плате рассчитаны на установку SMD-резисторов формата 2010. Рассеиваемая каждым из резисторов мощность не должна превышать 0,75 Вт. Соответственно, при установке всех трех резисторов, суммарная рассеиваемая мощность не должна превышать 2,25 Вт. В авторском варианте блока питания установлено всего два из трех токоизмерительных резисторов, поэтому суммарная рассеиваемая мощность ограничена мощностью 1,5 Вт. В случае, когда не используется один из резисторов Rcs, в соответствующей ячейке калькулятора вводится любое большое число, которое не сможет повлиять на точность расчета.

-45

Производим расчет номиналов стартовых резисторов, которые необходимы для первоначального запуска микросхемы MC33262. Номиналы стартовых резисторов рассчитываются исходя из условия обеспечения достаточного для запуска микросхемы тока даже при минимальном входном сетевом напряжении. В первой строке подраздела, калькулятор выводит расчетное значение сопротивлений стартовых резисторов, фактическое сопротивление каждого из резисторов Rs1-Rs4 должно быть не выше расчетной величины, а номиналы всех четырех резисторов должны быть одинаковы для равномерного распределения рассеиваемой мощности между ними. Фактическая суммарная рассеиваемая резисторами мощность (при максимальном входном напряжении), не должна превышать 1 Вт (каждый из предусмотренных на авторской печатной плате SMD резисторов формата 1206 способен рассеять по 0,25 Вт тепла).

-46

На следующем шаге следует расчет и выборов номиналов делителя напряжения для вывода MULT микросхемы корректора коэффициента мощности. В данном подразделе от нас требует немного - выбрать сначала номинал резистора Rdc3, после чего, выбрать номиналы резисторов Rdc1 и Rdc2 таким образом, чтобы фактическое суммарное значение сопротивления Rdc1+Rdc2 оказалось как можно ближе к расчетному суммарному значению сопротивления данных резисторов. В данном подразделе следует действовать методом подбора: выбрать какой-либо номинал резистора Rdc3 и меняя фактические значения сопротивлений резисторов Rdc1 и Rdc2, пытаться подогнать фактическое суммарное сопротивление под расчетное. Здесь необходимо выполнить два очень важных условия: при выбранных номиналах резисторов делителя напряжения, фактическое напряжение на выводе MULT (при максимальном входном напряжении), должно находиться в диапазоне от 3,0 до 3,5 В, фактическая рассеиваемая мощность резисторами делителя не должна превышать 0,15 Вт. Крайне желательно, чтобы при этом номиналы резисторов Rdc1 и Rdc2 были одинаковыми. Если при выбранном желаемом номинале резистора Rdc3 невозможно подобрать номиналы резисторов Rdc1 и Rdc2 удовлетворяющие этим двум условиям, то необходимо выбрать другой номинал резистора Rdc3 и повторить подбор.

-47

Далее предстоит рассчитать и выбрать номиналы еще одного делителя напряжения - делителя обратной связи корректора коэффициента мощности. Методика выбора номиналов резисторов входящих в данный делитель напряжения абсолютно аналогичен ранее описанной методике для делителя вывода MULT. Два условия, которые необходимо выполнить: фактическая суммарная рассеиваемая резисторами Rbus1-Rbus3 мощность не должна превышать 0,25 Вт, а фактическое значение выходного напряжения корректора должно быть равно ранее заданному желаемому значению (или незначительно от него отличаться).

-48

На этом расчет касающийся корректора коэффициента мощности закончен. В следующих разделах производится расчет и выбор номиналов обвязки микросхемы преобразователя IR2156 и расчет силового трансформатора. Поскольку методика расчета всего вышеперечисленного ранее подробно описывалась в статье посвященной импульсному источнику на базе IR2156 и не имеет каких-либо принципиальных отличий, здесь она дополнительно рассматриваться не будет.

После выбора номиналов обвязки микросхемы преобразователя IR2156 и расчета силового трансформатора, расчет считается оконченным и можно переходить к изготовлению устройства.

Дроссель коррекции. Каких-либо особых хитростей по изготовлению описанного в статье источника питания - нет. Единственное на чем необходимо остановиться отдельно - изготовление дросселя коррекции. В авторском варианте блока питания, дроссель коррекции выполняется на сердечнике EE42/21/15 (на таком же сердечнике выполнен и силовой трансформатор). Допускается использование и других типоразмеров сердечников для дросселя коррекции и силового трансформатора, но для этого придется изменить авторскую печатную плату или изготовить свою собственную с нуля. Дроссель коррекции для ККМ работающих в режиме критической проводимости, в обязательном порядке должен изготавливаться на ферритовом сердечнике, использование других материалов, например колец из распыленного железа - не допустимо! Магнитопровод дросселя коррекции должен иметь немагнитный зазор от величины которого будет зависеть ток насыщения дросселя. Величина немагнитного зазора выбирается из того расчета, чтобы при данной его величине, ток насыщения дросселя был больше, чем пиковый ток в нем. Однако, ток насыщения зависит не только от величины зазора, но еще и от количества витков в обмотке дросселя. Поэтому перед тем, как производить измерение тока насыщения дросселя, следует экспериментальным путем найти необходимое число витком основной обмотки дросселя коррекции при данной величине немагнитного зазора, соответствующее расчетному значению индуктивности из представленного выше калькулятора (диаметр жилы литцендрата и их количество, так же рассчитывается с помощью того же калькулятора). После чего уже можно приступать непосредственно к измерению тока насыщения получившегося дросселя. Измерять ток насыщения необходимо при рабочей температуре магнитопровода - 70...100 градусов Цельсия. Измерение производится на стенде собранном по показанной ниже схеме:

Принципиальная схема установки для измерения тока насыщения дросселя
Принципиальная схема установки для измерения тока насыщения дросселя

Принцип работы схемы весьма прост. В первоначальный момент времени ключ разомкнут, емкий электролитический конденсатор заряжается от источника с напряжение 25-40 В (мощность источника питания особого значения не имеет), через резистор 100-200 Ом (мощностью 2-10 Вт). После, исследователь кратковременно замыкает ключ (на время порядка одной секунды), тем самым замыкая обкладки электролитического конденсатора через исследуемый дроссель и низкоомный шунт. Осциллограф, подключенный к выводам шунта, регистрирует форму тока через него, и соответственно - через исследуемый дроссель. Получается примерно следующее изображение:

Изображение показано для иллюстрации, оно не относится к применяемому в авторском варианте дросселю коррекции
Изображение показано для иллюстрации, оно не относится к применяемому в авторском варианте дросселю коррекции

Вначале, напряжение на шунте (и соответственно ток через дроссель), нарастает линейно, но как только дроссель насыщается, напряжение на шунте (а соответственно и ток через исследуемый дроссель), скачкообразно возрастает. Для определения величины тока насыщения исследуемого дросселя, необходимо на осциллограмме найти точку, где линейный участок графика переходит в резкий подъем и измерить напряжение в этой точке. Далее, по Закону Ома вычисляется ток насыщения: полученное значение напряжение делим на сопротивление шунта, получаем искомое значение тока насыщения для данного дросселя. На представленной иллюстрации, напряжение в точке перегиба 0,72 В, а сопротивление шунта 0,1 Ом, соответственно ток насыщения: 0,72/0,1=7,2 А. Напоминаю, что ток насыщения дросселя необходимо измерять при рабочей температуре, поскольку ток насыщения дросселя зависит от температуры магнитопровода (падает с ростом температуры). Для измерения тока насыщения при температуре отличной от температуры окружающего воздуха, исследуемый дроссель можно погрузить в емкость с нагретой водой или нагреть другим способом. Полученное значение тока насыщения должно быть как минимум на 10-20% больше, чем пиковый ток в дросселе, ранее рассчитанный с помощью калькулятора. В случае, если измеренная величина тока насыщения дросселя коррекции получилась равна или меньше, чем расчетное значение пикового тока в дросселе, то необходимо увеличить зазор в магнитопроводе дросселя коррекции и соответствующим образом скорректировать число витков обмотки дросселя до получения значения индуктивности дросселя соответствующей расчетному значению. После чего повторить измерения.

Основная обмотка дросселя и обмотка ZCD (Zero Current Detector), должны иметь отношение витков 7-9 к 1, соответственно. То есть, один виток обмотки ZCD на каждые 7-9 витков основной обмотки дросселя коррекции. Оптимальное соотношение витков находится экспериментально. Следует строго соблюдать указанное на схеме направление намотки основной и ZCD обмоток дросселя коррекции.

В авторском варианте блока питания, дроссель коррекции имеет немагнитный зазор в магнитопроводе равный 3 мм. Для получения немагнитного зазор данной величины, были применены две части магнитопровода с заводским зазором в центральном керне по 1,5 мм в каждой.

Зазор в центральном керне магнитопровода
Зазор в центральном керне магнитопровода

Основная обмотка дросселя коррекции выполнена литцендратом 0,1х80 и содержит 47 витков. Обмотка ZCD (Zero Current Detector), выполнена проводом МГТФ и содержит 6 витков. Измеренное значение тока насыщения - 16 А.

Дроссель коррекции установленный на авторской плате
Дроссель коррекции установленный на авторской плате

Первоначальный запуск. Все мы привыкли выполнять первое включение, только что собранного устройства, через страховочную лампу накаливания, включенную в разрыв одного из сетевых проводов, однако в данном случае такой фокус не сработает - лампа будет светить в полный накал даже при полностью исправном блоке питания. Связан данный эффект с особенностями работы активного корректора коэффициента мощности. На самом деле включать через лампу конечно же можно, но чтобы она не мешала работе корректора, мощность лампы должна быть в несколько раз больше, чем мощность самого испытуемого блока питания - такая лампа вряд ли сможет защитить его в случае нештатной ситуации. Поэтому первое включение придется выполнять без страховочной лампы, полностью на свой страх и риск. Перед первым включением следует очень тщательно проверить монтаж, потому как самая незначительная ошибка может стать фатальной. Первое включение лучше всего выполнять без нагрузки или при минимальной нагрузке на выходе блока питания. Если первое включение прошло успешно, сходу ничего не взорвалось и на выходе появилось напряжение, следует убедиться в том, что корректор коэффициента мощности работает. Для этого необходимо с помощью мультиметра измерить напряжение на выходной шине корректора коэффициента мощности, оно должно быть в 1,08 раза выше, чем расчетное значение (без нагрузки на выходе блока питания). Внимание! На плате присутствует опасное для вашей жизни напряжение. Если с напряжением на выходной шине корректора все в порядке, то можно сделать вывод о том, что корректор работает. Теперь необходимо убедиться в правильности его работы, а для этого необходимо оценить форму тока через полевой транзистор ККМ и форму потребляемого из сети тока. К выходу блока питания подключается нагрузка соответствующая номинальной выходной мощности блока питания, а щупы осциллографа подключаются параллельно токоизмерительным резисторам в истоке полевого транзистора ККМ. В случае правильной работы корректора, при горизонтальной развертке 2 мс/клетка, должна наблюдаться следующая картина:

Правильная форма тока через полевой транзистор ККМ
Правильная форма тока через полевой транзистор ККМ

Здесь мы можем наблюдать множество импульсов тока через транзистор ККМ, ограниченные синусоидальной огибающей. Отдельные импульсы, при другом масштабе, имеют вид зубьев пилы:

Помимо пилообразных импульсов тока, не должно быть других значительных выбросов тока. Допускается небольшой звон, который можно немного снизить установкой конденсатора Cds.

Когда отдельные импульсы тока значительно выходят за пределы огибающей, как показано на иллюстрации выше (иллюстрация получена с помощью графического редактора):

Неправильная форма тока через полевой транзистор ККМ
Неправильная форма тока через полевой транзистор ККМ

Такая форма тока может свидетельствовать о вхождении в насыщение дросселя коррекции и/или неверно выбранных номиналах токоизмерительных резисторов в истоке силового транзистора ККМ. Следует немедленно выключить блок питания из сети, найти и устранить причиной такой его работы.

Когда форма тока через силовой транзистор ККМ приведена к нормальной, следует оценить форму потребляемого из сети тока. В разрыв одного из сетевых проводов включается резистор с сопротивлением 0,1...0,5 Ом (мощностью 1-2 Вт), параллельно которому подключаются щупы осциллографа. Делается это при подключенной к выходу блока питания номинальной нагрузке.

Резистор, включенный в разрыв одного из сетевых проводов для контроля формы потребляемого из сети тока
Резистор, включенный в разрыв одного из сетевых проводов для контроля формы потребляемого из сети тока

При правильной работе корректора коэффициента мощности, форма потребляемого сетевого тока должна быть строго синусоидальной:

Правильная форма потребляемого из сети тока
Правильная форма потребляемого из сети тока

Убедившись в правильной работе корректора коэффициента мощности, необходимо проверить и при необходимости скорректировать порог срабатывания токовой защиты в преобразователе на базе IR2156. Защита от перегрузки должна срабатывать при превышении номинальной выходной мощности. На этом процедуру первоначального запуска можно считать оконченной, а собранный блок питания готовым к работе.

Фотографии авторского варианта устройства в процессе сборки и в законченном виде:

-57
-58
-59
-60
-61
-62

Версия данного импульсного источника питания на заводской печатной плате 2156PFC.01Z:

-63
-64
-65
-66

В завершении статьи хочется выразить огромную благодарность Наймушину Антону за предоставленные для экспериментов радиоэлементы, магнитопроводы, прочие компоненты, а также за всю другую помощь оказанную автору при создании данного импульсного источника питания.

Перечень радиоэлементов:

-67
-68
-69

Ссылки:
Место первой публикации - сайт "Паяльник" - https://cxem.net/pitanie/5-397.php

Статья в сообществе Nem0 в ВК - https://vk.com/@nem0_audio-ir2156pfc

Файлы:
Калькулятор для расчета -
https://disk.yandex.by/i/UZ5Pchc-ZpXaaw

Авторская односторонняя печатная плата 2156PFC.01 - https://disk.yandex.by/d/9ddOu5LOB1RabA

Дата первой публикации: 26 ноября 2019
Дата изменения: 13 октября 2020