Добавить в корзинуПозвонить
Найти в Дзене
Дауншифтинг по-русски

Продолжаю отделку сауны своими руками без опыта, или 10 формул облегчающих жизнь

Строительство сауны уверенно продвигается. Смонтирована обрешетка, уложен теплоизолятор, все укрыто фольгой, сверху прибита контробрешетка. Обшиты вагонкой две противоположные стены и потолок. Когда почти обшил третью стену, подумал, а не почитать ли мне мануал по электрокаменке купленной некоторое время назад. После долгих поисков, мы остановились на электрокаменке Harvia, мощностью 9 кВт. Кстати, тоже забавный случай. Когда подбирали мощность, то по расчетам выходило, что для требуемого объема сауны нужна печь на 12 кВт. Почти уже купили, но в связи с предновогодними хлопотами покупка отошла на задний план, поэтому в прошлом году купили только пиломатериалы и утеплитель, плюс фольга, скотч и разная мелочь. Привез все это я домой и пришел в ужас, - а не просчитался ли я. Как все это можно запихать в сауну, да еще ухитриться поместиться в нее самому. В общем, поместилось, правда помещение поуменьшилось. 50 мм обрешетка, плюс 15 мм контробрешетка, плюс 15 мм вагонка. Получается, что меж

Строительство сауны уверенно продвигается. Смонтирована обрешетка, уложен теплоизолятор, все укрыто фольгой, сверху прибита контробрешетка. Обшиты вагонкой две противоположные стены и потолок. Когда почти обшил третью стену, подумал, а не почитать ли мне мануал по электрокаменке купленной некоторое время назад. После долгих поисков, мы остановились на электрокаменке Harvia, мощностью 9 кВт.

Кстати, тоже забавный случай. Когда подбирали мощность, то по расчетам выходило, что для требуемого объема сауны нужна печь на 12 кВт. Почти уже купили, но в связи с предновогодними хлопотами покупка отошла на задний план, поэтому в прошлом году купили только пиломатериалы и утеплитель, плюс фольга, скотч и разная мелочь. Привез все это я домой и пришел в ужас, - а не просчитался ли я. Как все это можно запихать в сауну, да еще ухитриться поместиться в нее самому.

В общем, поместилось, правда помещение поуменьшилось. 50 мм обрешетка, плюс 15 мм контробрешетка, плюс 15 мм вагонка. Получается, что между стенами размер сократился на 160 мм!

Теперь, согласно расчетам, нужна печь 8,5 кВт. Округлили в большую сторону и приобрели электрокаменку Harvia SW90. Выбрали именно ее, т.к. где-то прочитали, что она стоит на полу. Почитал мануал и понял, что ее все-таки надо вешать на стену. Так что вчера весь день потратил на вскрытие стены и монтаж закладных к которым будет прикручена печь.

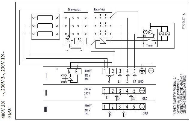
Заодно решил посмотреть схему подключения. Вот она:

Вроде все понятно. Три варианта подключения. Первый вариант «Звездой», второй «Треугольником», и третий вариант – все ТЭНы на одну фазу. Третий вариант рассматривать не будем. В первом варианте на каждый ТЭН подается 230 вольт. Во втором -380 вольт.

Спрашиваю знакомого электрика – как подключать. Он говорит – по второму варианту, поскольку в этом ряду (SW45, SW60, SW80, SW90) моя модель самая мощная, а второй вариант дает самую большую мощность.

Когда планировали строить сауну, отдельным пунктом шло «Подключение печи». Иногда этот пункт шел бонусом, но всегда отдельно. Меня это насторожило и я обзвонил несколько компаний с вопросом о том, как правильно подключить печь Harvia. Вразумительного ответа не получил, поэтому вспомнил про закон Ома. Удивительно как часто приходится им пользоваться в обычной жизни. То было удивительное время, когда жили Георг Симон Ом, Аллесандро Вольта, Андре Ампер и Джеймс Уатт (Ватт). Жили они в одно время и занимались только что открытым электричеством. Несмотря на то, что они делали только первые шаги в изучении этого явления, законы выведенные ими верны до сих пор и используются в каждом устройстве начиная от утюга, и заканчивая изучением генома человека.

Чтобы узнать мощность надо напряжение возвести в квадрат и разделить на сопротивление. Открутив лючок для доступа к трем ТЭНам, я измерил сопротивление каждого. Сопротивление каждого, с учетом небольшого разброса, было 17,3 Ом. Если поводить к ТЭНам напряжение по второй схеме, т.е. 380 Вольт, то получаем 380*380=144400. Теперь делим на сопротивление 144400/17,3=8347 Ватт. Это мощность одного ТЭНа. А их три. Получается 25 кВт. А печь всего 9. Т.е. много. А если подключить по первой схеме, подав напряжение 220 вольт. 220*220/17,3=2798 Ватт. Т.е. суммарная мощность у трех ТЭНов будет 8394, т.е. почти искомые 9 кВт. Но почему не хватает 600 ватт. Все очень просто. В России два стандарта на напряжение. Старый где напряжение должно быть 220/380 вольт и новый, на который страна постепенно переходит 230/400 вольт. У Европы один стандарт 230/400 Вольт. Таким образом расчет выглядит так: 230*230/17,3=3058 ватт – мощность одного ТЭНа. Их три, следовательно, мощность печки 9173 ватт, или 9,2 кВт.

И не надо ни у кого спрашивать. Надо взять и посчитать.

-2

Спасибо за лайк и подписку. Читайте так же: