Добавить в корзинуПозвонить
Найти в Дзене

Генератор сигнала звуковой частоты для ремонта и проверки усилителей

Очень часто приходится ремонтировать различные усилители. Неисправности в магнитолах, магнитофонах и т.п. технике - в основном, в усилителе. По большому счету, в них больше и ломаться-то нечему. Чтобы быстро найти неисправность необходимо на вход усилителя подать тестовый сигнал. Это, конечно, может быть любой источник сигнала, но все же этот вариант подходит "для проверки" работоспособности. Для поиска неисправности этот вариант не подходит по той причине, что это не позволит выявить узел или деталь усилителя, которая работает неверно. Для того, чтобы найти неисправный каскад усилителя, необходимо на его вход подать сигнал звуковой частоты известной формы. И далее, отслеживая его движение от каскада к каскаду, выявить неисправный каскад. Для контроля прохождения сигнала по каскадам, в идеальном случае, необходимо использовать осциллограф. Можно, конечно, определять искажения сигнала "на слух" с помощью обычного динамика. Но сейчас хочу рассказать не про осциллограф, а про генератор си

Очень часто приходится ремонтировать различные усилители. Неисправности в магнитолах, магнитофонах и т.п. технике - в основном, в усилителе. По большому счету, в них больше и ломаться-то нечему.

Чтобы быстро найти неисправность необходимо на вход усилителя подать тестовый сигнал. Это, конечно, может быть любой источник сигнала, но все же этот вариант подходит "для проверки" работоспособности. Для поиска неисправности этот вариант не подходит по той причине, что это не позволит выявить узел или деталь усилителя, которая работает неверно.

Для того, чтобы найти неисправный каскад усилителя, необходимо на его вход подать сигнал звуковой частоты известной формы. И далее, отслеживая его движение от каскада к каскаду, выявить неисправный каскад. Для контроля прохождения сигнала по каскадам, в идеальном случае, необходимо использовать осциллограф. Можно, конечно, определять искажения сигнала "на слух" с помощью обычного динамика.

Но сейчас хочу рассказать не про осциллограф, а про генератор сигнала. Использование в качестве источника тестового сигнала любого плеера (в т.ч. телефона) вызывает определенные сложности. Самая главная сложность - непостоянство в сигнале не дает сделать заключение об отсутствии искажений, которые каскад усилителя вносит в усиливаемый сигнал.

Существует великое множество схем генераторов сигналов. На любой вкус и цвет, как говориться. Начиная с простейших мультивибраторов на 2 транзисторах и заканчивая использованием специализированных микросхем. Во всех случаях абсолютно не важно, какая схема будет использована. Нам, для проверки, нужна всего лишь постоянство формы и частоты сигнала.

В моем варианте я использовал распространенную микросхему NE555, или есть еще отечественный полный аналог КР1006ВИ1. Почему ее? Потому что данная микросхема разработана как "интегральный таймер", получающаяся схема достаточно простая (всего 2 резистора и 1 конденсатор), достаточно большой диапазон допустимого питающего напряжения - от 3 до 15 вольт.

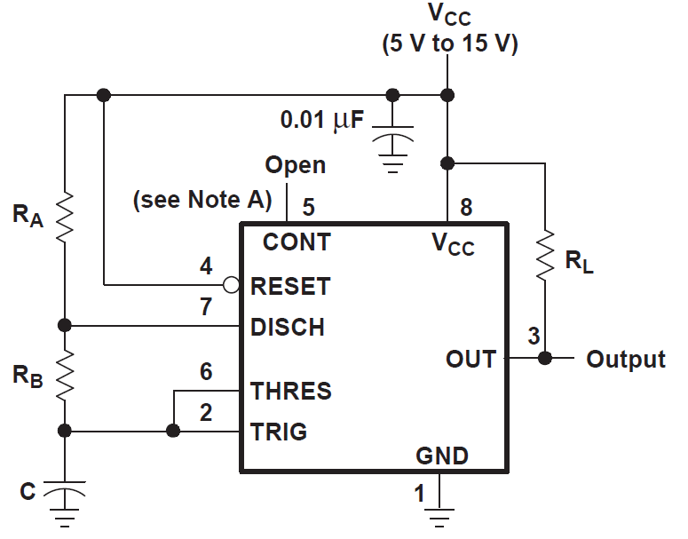
На рисунке приведена "типовая" схема включения микросхемы в качестве мультивибратора, где 3 вывод является выходом нашего генератора, который подключается на вход усилителя.

Частота генерации задается номиналами резисторов и емкостью конденсатора.

Все собрано на крохотном отрезке монтажной платы. Резисторы и конденсатор - первые попавшие под руку, из какого-то старого телевизора.

-2

Устройство не имеет собственного источника питания, а подключается напрямую к питанию налаживаемого усилителя. Естественно, с учетом допустимого напряжения. Поэтому в данном пробнике всего 3 провода - общий, плюс и выход.

На выходе генератора мы имеем меандр частотой около 3кГц. Почему я выбрал именно 3кГц? Потому что эта частота сигнала находится в диапазоне частот разговорной речи в диапазоне частот звонких согласных и не "режет по ушам" если ее послушать с помощью динамика.

За счет того, что резисторы имеют разное сопротивление, на выходе мы получаем сигнал с коэффициентом заполнения 80%.

-3

На этом обзор моего генератора закончен. Всем спасибо за то, что читаете мои статьи.

Ставьте лайки. Подписывайтесь на мой канал. Будет интересно.