Найти в Дзене

Одноэтажный дом в американском стиле.

Один из новых проектов от ЦКТ- Дом - одноэтажный дом проекта серии Престиж! КС-04. Центр каркасных технологий (ckt-dom.ru) Основа дома - усиленный заводской каркас из сухого строганного пиломатериала камерной сушки. Это позволило создать в доме большие пролёты и высокие , открытые потолки. В конструкции каркаса использован брус LVL и открытые построичные фермы с болтовыми соединениями. Кровля сделана с использованием МЗП и представляет собой жесткую конструкцию, состоящую из пояса фермы, диагоналей и металлозубчатых пластин , силы сжатия и растяжения, действующие на стропила, равномерно распределены по всей конструкции кровли. Покрытие кровля - двойная, мягкая черепица. Наружная отделка дома- кирпич ручной формовки, с креплением каркасу австрийскими металлическими связями и вентканалами Bever. Утепление стен - 150 мм минплита Izover ,потолок 200 мм. Фундамент - мелкозаглубленный, по ВСН 29-85 , монолитная утеплённая плита двойного армирования. Площадь дома 167м2. Три спальни ,

Один из новых проектов от ЦКТ- Дом - одноэтажный дом проекта серии Престиж! КС-04.

Проект КС-04
Проект КС-04
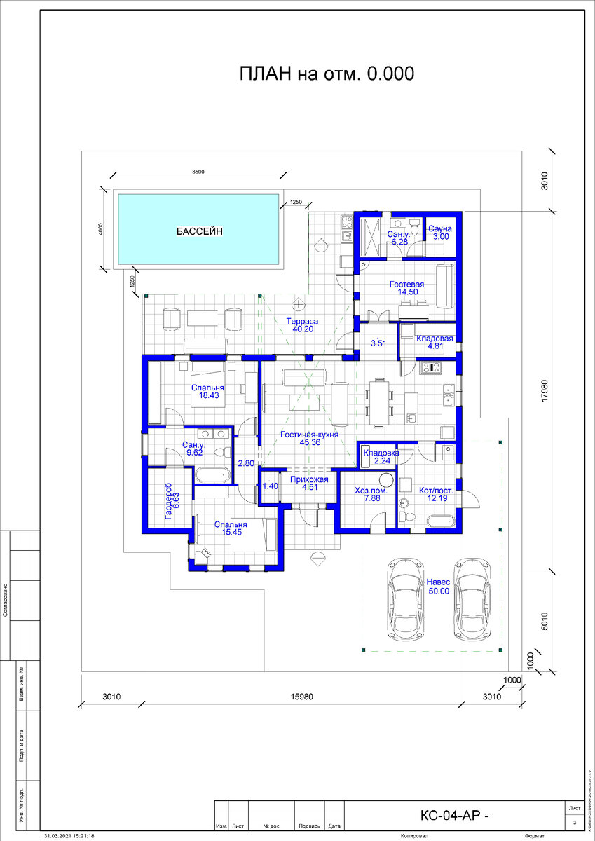
Планировка
Планировка

Центр каркасных технологий (ckt-dom.ru)

Основа дома - усиленный заводской каркас из сухого строганного пиломатериала камерной сушки.

Заводской каркас
Заводской каркас

Это позволило создать в доме большие пролёты и высокие , открытые потолки. В конструкции каркаса использован брус LVL и открытые построичные фермы с болтовыми соединениями.

Тройные построичные фермы
Тройные построичные фермы
LVL  L=11,7 м.п.
LVL L=11,7 м.п.
LVL на террасе
LVL на террасе

Кровля сделана с использованием МЗП и представляет собой жесткую конструкцию, состоящую из пояса фермы, диагоналей и металлозубчатых пластин , силы сжатия и растяжения, действующие на стропила, равномерно распределены по всей конструкции кровли.

-7

Покрытие кровля - двойная, мягкая черепица.

Наружная отделка дома- кирпич ручной формовки, с креплением каркасу австрийскими металлическими связями и вентканалами Bever.

-8

Утепление стен - 150 мм минплита Izover ,потолок 200 мм.

Фундамент - мелкозаглубленный, по ВСН 29-85 , монолитная утеплённая плита двойного армирования.

-9
-10

Площадь дома 167м2. Три спальни , два полноценных санузла и 1/2 санузла ,три гардеробных,холодное хозпомещение под автонавесом , кладовка для кухни .

Одна спальня является гостевой с итальянской печью-камином ,совмещена с сауной и имеет отдельный выход на террасу с бассейном .

Зал с высоким потолком, декоративными построичными фермами и панорамными окнами ,совмещён с кухонной зоной и разделён обеденным семейным столом. Окна и наружные двери изготовлены из клеенных деревянных конструкций с двойными энергосберегающими стеклопакетами.

-11
-12
-13

Автомобильный навес перед домом выполнен с помощью балок LVL и тройными построичными фермами на болтовых соединениях.

-14

Задняя сторона дома сочетает в себе крытую террасу с «туманным» охлаждением и бассейн с «пляжем» , обьёмом 40м3 с постоянной фильтрацией и подогревом.

-15
"Пляж"
"Пляж"

При всех своих размерах дом проекта КС-04 с бассейном умещается на площади менее 6-ти соток.

При проектировании за основу был принят американский стиль архитектуры.

Проект реализован в 2021 году.

С подробностями проекта можно ознакомится на нашем сайте http://www.ckt-dom.ru/ и в инстаграме ЦЕНТР КАРКАСНЫХ ТЕХНОЛОГИЙ  (@ckt_rostov) • Фото и видео в Instagram

Подписывайтесь на наш канал и следите за нашими публикациями.

Мы рассказываем только о своих построенных каркасных домах!

#каркасные дома #каркасные дома в ростове 

#каркасное строительство #Старочеркасская ривьера

#центр каркасных технологий #строительство каркасного дома