Добавить в корзинуПозвонить
Найти в Дзене
Илья 'Nem0' Стельмах

Усилитель мощности Only Music 2.7 (ex "Оплеуха Микрухам")

Введение. Идея о создании данного усилителя, берет свое начало еще со времен разработки усилителя Only Music 3 (он же - ОМ3), тогда в планах было намерение сделать помимо основной версии ОМ3, также и упрощенную его версию. Спустя некоторое время решил воплотить в жизнь эту задумку. Связано это в первую очередь с излишней сложностью повторения ОМ3, которая вызвала много трудностей у желающих повторить усилитель. В большей степени, именно это обстоятельство подстегнуло меня к созданию нового усилителя, а также к возвращению к изначальной концепции серии - максимальное качество при минимальной сложности и габаритах. Концепция. Усилитель продолжает развивать старую концепцию, заложенную еще в усилителе мощности - "оплеуха микрухам 2" (он же - ОМ2). При разработке нового усилителя, основной целью ставилось достижение максимальной повторяемости, надежности и стабильности работы схемы. Кроме этого, как второстепенная цель - максимально уменьшить разнообразие применяемой элементной базы и иск
Общий вид собранной платы усилителя мощности Only Music 2.7. Печатная плата изготовлена по технологии ЛУТ
Общий вид собранной платы усилителя мощности Only Music 2.7. Печатная плата изготовлена по технологии ЛУТ

Введение. Идея о создании данного усилителя, берет свое начало еще со времен разработки усилителя Only Music 3 (он же - ОМ3), тогда в планах было намерение сделать помимо основной версии ОМ3, также и упрощенную его версию. Спустя некоторое время решил воплотить в жизнь эту задумку. Связано это в первую очередь с излишней сложностью повторения ОМ3, которая вызвала много трудностей у желающих повторить усилитель. В большей степени, именно это обстоятельство подстегнуло меня к созданию нового усилителя, а также к возвращению к изначальной концепции серии - максимальное качество при минимальной сложности и габаритах.

Концепция. Усилитель продолжает развивать старую концепцию, заложенную еще в усилителе мощности - "оплеуха микрухам 2" (он же - ОМ2). При разработке нового усилителя, основной целью ставилось достижение максимальной повторяемости, надежности и стабильности работы схемы. Кроме этого, как второстепенная цель - максимально уменьшить разнообразие применяемой элементной базы и исключить из перечня используемых радиодеталей, малораспространенные наименования.

Благодаря появлению огромного числа производителей печатных плат и их активной конкуренции между собой, появилось множество выгодных предложений по изготовлению заводских печатных плат малыми партиями, поэтому при разработке усилителя, ставка была сделать на двухстороннюю печатную плату, рассчитанную на заводское изготовление. Тем не менее, было решено создать односторонний вариант печатной платы, пригодный для самостоятельного изготовления в домашних условиях по технологии ЛУТ. Габариты двухсторонней печатной платы точно такие же, как и у авторской печатной платы ОМ2 - 100х67 мм, а односторонней платы - 100х73 мм.

Самодельная, односторонняя печатная плата, изготовленная по технологии ЛУТ (слева), и изготовленная на заводе, двухсторонняя печатная плата (справа).
Самодельная, односторонняя печатная плата, изготовленная по технологии ЛУТ (слева), и изготовленная на заводе, двухсторонняя печатная плата (справа).

Наименование. Кто-нибудь наверняка задаст вопрос: почему 2.7, а не - 3.5, например? А здесь все предельно просто - таким образом автору хотелось показать, что данный усилитель по своей концепции ближе к ОМ2, чем к ОМ3.

Схема усилителя. И в этот раз я решил не изменять традициями и использовать классическую трехкаскадную топологию (именуемую также - топологией Лина). Концепция схемы усилителя напряжения (УН), которая в настоящем усилителе подверглась значительным доработкам и улучшениям, была позаимствована у хорошо зарекомендовавшего себя усилителя BlackBen, разработки Nem0.

Дифференциальный каскад (ДК), был дополнен парой транзисторов, включенных по схеме с общей базой, что позволило разгрузить входную пару транзисторов дифференциального каскада по мощности и напряжению. Это позволило во входном каскаде применить низковольтные, малошумящие, супербета транзисторы, что вместе со снижением напряжения коллектор-эмитер входной пары и рассеиваемой на них мощности, позволило значительно снизить уровень шума на выходе усилителя (улучшить соотношение сигнал/шум). Была возращена возможность подстройки "нуля" имевшаяся в усилителе ОМ2. Благодаря этому, появилась возможность точной балансировки по постоянному току, входного дифференциального каскада и усилителя в целом.

Генераторы стабильного тока (ГСТ), для дифференциального каскада и каскада усилителя напряжения (КУН) - независимы друг от друга, благодаря независимым источникам опорного напряжения. Конденсатор С12 повышает точность работы ГСТ, за счет значительного снижения пульсаций и дрейф их опорных напряжений.

Применен принципиально другой способ частотной коррекции усилителя, относительно способов примененных в ОМ2 или ОМ3, позволивший получить гораздо большее усиление с разомкнутым контуром общей отрицательно обратной связи и гораздо больший запас устойчивости.

В процессе разработке ОМ2.7 было решено отказаться от одного решения примененного в усилителе BlackBen: составного транзистора в каскаде усилителя напряжения. Сделано это было по причине того, что данное решение не давало большого в плане снижения нелинейных искажений, но отрицательно сказывалось повторяемость устройства из-за не самой высокой распространенности в продаже составных транзисторов MPSA13. Пришлось пойти на компромисс.

Выходной каскад, впервые в серии ОМ - трехкаскадный (он же именуемый - "тройка"), что позволило улучшить буферизацию усилителя напряжения от нагрузки усилителя, снизить зависимость всех видов искажений от выходной мощности и характера нагрузки.

Данный усилитель, как и ОМ3, имеет защиту от короткого замыкания в нагрузке.

Принципиальная схема усилителя
Принципиальная схема усилителя

Технические характеристики схемы. Измерения технических параметров схемы производились с использованием компьютерной программы RMAA 6.2.5. В качестве измерительных ЦАП и АЦП использовалась звуковая карта ASUS Xonar Essence ST. В качестве нагрузки для усилителя - два параллельно включенных, мощных резистора сопротивлением 10 Ом (что при их параллельном включении, дало результирующее сопротивление 5 Ом). Для снятия осциллограмм, в том числе и для измерения скорости нарастания/спада выходного напряжения усилителя, использовался функциональный генератор на базе XR2206CF и осциллограф UNI-T UTD2025CL. В качестве лабораторного блока питания использован не стабилизированный источник питания, состоящий из большого железного трансформатора на 50 Гц, диодного моста и сглаживающих конденсаторов емкостью по 15000 мкФ в каждом плече. Напряжение на шинах питания усилителя при отсутствии входного сигнала +/- 42 В, ток покоя выходных транзисторов - 80 мА.

Технические параметры, помеченные звездочкой (*) - получены путем компьютерного моделирования схемы, помеченные двумя звездочками (**) - путем пересчета реально измеренных параметров под другие условия измерения.

Максимальна выходная мощность (4 Ом, +/- 42 В) = 140 Вт**;
Максимальна выходная мощность (5 Ом, +/- 42 В) = 70 Вт;
Максимальна выходная мощность (8 Ом, +/- 42 В) = 70 Вт**.

Осциллограммы выходного напряжения усилителя, при близких к клиппингу значениях выходного напряжения
Осциллограммы выходного напряжения усилителя, при близких к клиппингу значениях выходного напряжения

Диапазон питающих напряжения = +/- 25 ... 50 В.

Важное уточнение. При работе усилителя с нагрузкой сопротивлением 4 Ом, напряжение питания усилителя не должно превышать +/- 38 В. Эксплуатация усилителя при большем питающем напряжении, допускается исключительно при работе с нагрузкой сопротивлением не менее 6 Ом.

Уровень шума (А-взвешенный) = не хуже -100 дБ.

THD + шум (1 кГц, 10 Вт, 5 Ом) = не более 0.0005 %;
THD + шум(1 кГц, 75 Вт, 5 Ом) = не более 0.0015 %;
THD + шум (20 кГц, 10 Вт, 5 Ом) = не более 0.003 %*;
THD + шум (20 кГц, 75 Вт, 5 Ом) = не более 0.009 %*.

Спектры нелинейных искажений на выходе усилителя
Спектры нелинейных искажений на выходе усилителя

IMD + шум (60 Гц + 7 кГц, 10 Вт, 5 Ом) = не более 0.0025 %;
IMD + шум (60 Гц + 7 кГц, 75 Вт, 5 Ом) = не более 0.003 %.

Спектры интермодуляционных искажений на выходе
Спектры интермодуляционных искажений на выходе

Диапазон воспроизводимых частот (-1 дБ) = 20 - 150 000 Гц*;
Диапазон воспроизводимых частот (-3 дБ) = 11 - 280 000 Гц*.

Амплитудно-частотная характеристика усилителя с учетом АЧХ звуковой карты
Амплитудно-частотная характеристика усилителя с учетом АЧХ звуковой карты

Завал в правой части графика, обусловлен исключительно влиянием звуковой карты и не зависит от наличия или отсутствия испытуемого усилителя в цепи сигнала.

Скорость изменения выходного напряжения = 25 В/мкС.

Скорость изменения выходного напряжения
Скорость изменения выходного напряжения
Осциллограммы выходного напряжения усилителя, при работе с сигналом прямоугольной формы
Осциллограммы выходного напряжения усилителя, при работе с сигналом прямоугольной формы

Приведенные технические характеристики соответствуют авторскому варианту усилителя собранного на заводской печатной плате, могут незначительно отличаться (в лучшую или худшую сторону), у каждого конкретного экземпляра усилителя.

Параметры усилителя собранного на самодельной плате, отличаются не более чем на величину погрешности измерения. При сравнении параметров усилителей собранных на заводской и на самодельной печатных платах, использовались абсолютно одинаковые радиоэлементы и даже провода. Первым был собран и обмерян усилитель на заводской плате, после чего, все радиодетали были выпаяны из заводской платы и установлены на самодельной плате. Сравнительная характеристика параметров усилителей, собранных на разных печатных платах:

Сравнительная характеристика параметров усилителей, собранных на заводской и самодельной печатных платах
Сравнительная характеристика параметров усилителей, собранных на заводской и самодельной печатных платах
Общий вид усилителей на заводской (слева), и на самодельной (справа), печатных платах, в процессе измерений технических характеристик
Общий вид усилителей на заводской (слева), и на самодельной (справа), печатных платах, в процессе измерений технических характеристик

Элементная база. В этой части статьи, будут перечислены основные моменты связанные, которым следует уделить особое внимание для успешно повторения и запуска усилителя:

  • Все применяемые при сборке усилителя элементы, перед их установкой на плату, должны быть проверены на работоспособность и соответствие необходимым параметрам (сопротивлению, емкости, ESR, коэффициенту усиления и так далее);
  • Не допускается устанавливать элементы ориентируясь исключительно на их маркировку, без проверки на соответствие фактического номинала маркировке;
  • Лучше отказаться от использования бывших в употреблении радиоэлементов, использовать при сборке только новые радиодетали;
  • Предпочтительно использовать металлопленочные резисторы (MF), и отказаться от использования углеродистых резисторов (CF), по причине их высокого собственного шума;
  • Допускается использование металлопленочных резисторов производства СССР;
  • При использовании резисторов с допуском 5%, желательно осуществить подбор резисторов R6 и R11, R7 и R12, в пары, с точностью не хуже 1%;
  • Для достижения равного коэффициента усиления и соответственно - равной громкости обоих каналов стерео усилителя, рекомендуется заранее подобрать по две пары резисторов 15 кОм и 470 Ом (для левого и правого каналов усилителя), с точностью не хуже 1%, для использования их в качестве - R1 и R19, R2 и R8;
  • При использовании резисторов с допуском 1%, осуществлять подбор резистор - нет необходимости;
  • Использование в качестве R35 и R36 проволочных резисторов - не рекомендуется;
  • Категорически запрещается самовольно заменять какие-либо резисторы, на резисторы другого номинала, отличающегося от номинала указанного в схеме;
  • В качестве подстроечных резисторов R9 и R20, допускается использовать только многооборотные резисторы типа 3296W. Допускается использовать подстроечные резисторы с сопротивлением от 200 до 470 Ом;
  • При установке на плату, движок подстроечного резистора R9 должен находится в среднем положении (сопротивление между каждым из крайних и центральным выводов должно быть одинаковым), а сопротивление подстроечного резистора R20 должно максимальным;
Положение движков подстроечных резисторов перед их установкой на печатную плату
Положение движков подстроечных резисторов перед их установкой на печатную плату
  • Все типы применяемых в схеме конденсаторов и их минимально необходимое рабочее напряжение указаны в списке радиоэлементов к данной статье;
Типы конденсаторов
Типы конденсаторов
  • Допускается использовать конденсаторы с большим рабочим напряжением, чем это указано в списке радиоэлементов;
  • Не стоит переплачивать за конденсаторы аудиофильских серий - применение их в схеме усилителя не приведет к каким-либо улучшениям технических характеристик усилителя;
  • Каждый конденсатор, перед установкой его на плату, должен быть проверен на соответствие фактического значения емкости маркировке, нанесенной на корпус конденсатора. А также, проверен в частности фактического значения ESR, и на отсутствие повышенной утечки. Данная процедура выполняется для КАЖДОГО конденсатора устанавливаемого на плату усилителя;
  • Не допускается использование электролитических конденсаторов производства СССР, а также бывших в употреблении электролитических конденсаторов, конденсаторов имеющих видимые дефекты в виде вмятин или вздутий, подтеков электролита;
  • Допускается использование стабилитронов других моделей, но с тем же номинальным напряжением стабилизации и рассеиваемой мощностью;
  • Допускается использовать только те модели транзисторов, которые указаны в схеме, либо их аналоги указанные в списке радиоэлементов к данной статье;
  • Перед установкой каждого их транзисторов на плату, необходимо убедиться в их работоспособности, оригинальности и соответствии параметрам, указанным в даташите на данную модель транзистора;
  • Транзисторы VT18, VT19, VT20, VT21 и VT12, должны быть установлены на общем радиаторе. Очень приблизительно, площадь радиатора, необходимую для эффективного отвода тепла от усилителя, можно выбрать из расчета 10-15 см2 на каждый Ватт выходной мощности усилителя (1000-1500см2 для одного канала усилителя с выходной мощностью 100 Вт);
  • Транзисторы VT9 и VT13, могут быть установлены на небольшие теплоотводы (для этого предусмотрены места на печатных платах), однако допускается эксплуатация усилителя без установки транзисторов VT9 и VT13 на радиаторы;
  • Транзисторы VT2 и VT6, VT3 и VT7, VT4 и VT8, необходимо подобрать в пары по коэффициенту усиления с точностью не хуже 1%;
Самодельная печатная плата в процессе изготовления и собранный усилитель на ней
Самодельная печатная плата в процессе изготовления и собранный усилитель на ней
Заводская печатная плата в процессе сборки и собранный на ней усилитель
Заводская печатная плата в процессе сборки и собранный на ней усилитель

Выводы на печатной плате. Наименование и назначение выводов на односторонней и двухсторонней платах - идентичны, поэтому следующая информация актуальна для обоих вариантов печатных плат:
+U - плюс питания;
-U - минус питания;
GND - основная силовая земля;
oGND - выходная земля (минусовая выходная клемма усилителя);
sGND - сигнальная земля;
IN - вход сигнала;
OUT - выход сигнала (плюсовая выходная клемма усилителя).

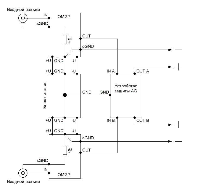
Коммутация блоков внутри усилителя. Правильный способ соединения блоков и земель внутри корпуса усилителя:

Способ коммутации блоков внутри корпуса стерео усилителя
Способ коммутации блоков внутри корпуса стерео усилителя

Эксплуатация усилителя без устройства защиты акустической системы (АС) - не безопасна и строго не рекомендуется. Работа усилителя без устройств защиту допускается только для первого запуска и настройки усилителя. В качестве защиты АС для данного усилителя рекомендую использовать устройство защиты - DEF 2017.

Настройка усилителя. После успешного первого включения усилителя, необходимо произвести регулировку "ноля" и тока покоя. Для регулировки "ноля", необходимо:

1. Замкнуть вход усилителя (замкнуть выводы IN и sGND на плате усилителя);
2. Подключить милливольтметр или мультиметр к выходу усилителя (выводы OUT и oGND на плате);
3. Вращая движок подстроечного резистора R9, добиться максимально близкого к нолю значения постоянного напряжения на выходе усилителя (хорошим можно считать результат, когда постоянное напряжение на выходе усилителя не превышает +/-5 мВ).

На следующем этапе настройки, необходимо выставить какое-либо произвольное значение тока покоя, чтобы прогреть усилитель перед финальной регулировкой тока покоя. Для регулировки тока покоя, необходимо:

1. Щупы мультиметра (милливольтметра), необходимо подключить к эмитерам выходных транзисторов (VT20 и VT21), как показано на иллюстрации;

Точки подключения щупов мультиметра (миливольтметра)
Точки подключения щупов мультиметра (миливольтметра)

2. Вращая движок подстроечного резистора R20, выставить небольшой ток покоя (примерно 40-50 мА, что соответствует показаниям подключенного к выходу милливольтметра 18 - 22 мВ);
3. Оставить усилитель поработать в таком состоянии приблизительно на десять минут.

Регулировать ток покоя без прогрева усилителя - не рекомендуется так как после прогрева усилителя, значение тока покоя изменится относительно выставленного значения на холодном усилителе.

4. Когда усилитель прогреется (температура выходных транзисторов стабилизируется на одном значении и перестанет расти), можно продолжать регулировку тока покоя;

5. Вращая движок R20, выставляем необходимое значение тока покоя.

Рекомендуется выставлять значение тока покоя в диапазоне от 70 до 100 мА (что соответствует показаниям милливольтметра подключенного к выходу усилителя - 30 - 44 мВ). Большее значение тока покоя не окажет значительного положительного влияния на технические характеристики усилителя, а превышение определенного значения тока покоя, наоборот- приведет к ухудшению технических характеристик и значительному снижению КПД усилителя.

Нагрузку к выходу усилителя для регулировки "нуля" и тока покоя, подключать - нет необходимости.

Карта напряжений. В случае проблем с запуском только что собранного усилителя или ремонта, придется очень кстати карта напряжений.

Карта напряжений усилителя мощности Only Music 2.7
Карта напряжений усилителя мощности Only Music 2.7

Данная карта напряжений справедлива при напряжении питания +/- 42 В. Некоторые значения напряжений на ней зависят от напряжения питания, другие - не зависят.

Сравнивая и обнаруживая расхождения в значениях напряжений на карте, с фактическими значениями напряжений, локализуются участки и элементы, где могут быть ошибки монтажа и/или неисправные элементы.

Все значения напряжений на карте напряжений указаны относительно земли.

Некоторые законченные конструкции усилителей, выполненных на базе схемы Only Music 2.7. Далее представлены фотографии усилителей, построенные сторонними авторами на базе схемы ОМ2.7 от Nem0. Имена, либо ники авторов - указаны в описании соответствующей фотографии.

Усилитель мощности на базе Only Music 2.7, в исполнении - drlector72
Усилитель мощности на базе Only Music 2.7, в исполнении - drlector72
Усилитель мощности на базе Only Music 2.7, в исполнении - Mak s
Усилитель мощности на базе Only Music 2.7, в исполнении - Mak s
Усилитель мощности на базе Only Music 2.7, в исполнении - skare1987
Усилитель мощности на базе Only Music 2.7, в исполнении - skare1987
Усилитель мощности на базе Only Music 2.7, в исполнении - Зокир Зоиров
Усилитель мощности на базе Only Music 2.7, в исполнении - Зокир Зоиров
Усилитель мощности на базе Only Music 2.7, в исполнении - Александр Ефремов
Усилитель мощности на базе Only Music 2.7, в исполнении - Александр Ефремов
Усилитель мощности на базе Only Music 2.7, в исполнении - Алексей Аксёнов
Усилитель мощности на базе Only Music 2.7, в исполнении - Алексей Аксёнов
Усилитель мощности на базе Only Music 2.7, в исполнении - Алексей Аксёнов
Усилитель мощности на базе Only Music 2.7, в исполнении - Алексей Аксёнов
Усилитель мощности на базе Only Music 2.7, в исполнении - Андрей Бондарь
Усилитель мощности на базе Only Music 2.7, в исполнении - Андрей Бондарь
Усилитель мощности на базе Only Music 2.7, в исполнении - Андрей Ершов
Усилитель мощности на базе Only Music 2.7, в исполнении - Андрей Ершов
Усилитель мощности на базе Only Music 2.7, в исполнении - Владимир Светлодарск
Усилитель мощности на базе Only Music 2.7, в исполнении - Владимир Светлодарск
Усилитель мощности на базе Only Music 2.7, в исполнении - Дмитрий Новоселецкий
Усилитель мощности на базе Only Music 2.7, в исполнении - Дмитрий Новоселецкий
Усилитель мощности на базе Only Music 2.7, в исполнении - Леонид Мягчилов
Усилитель мощности на базе Only Music 2.7, в исполнении - Леонид Мягчилов
Усилитель мощности на базе Only Music 2.7, в исполнении неизвестного автора
Усилитель мощности на базе Only Music 2.7, в исполнении неизвестного автора
Усилитель мощности на базе Only Music 2.7, в исполнении - Николай Кардаш
Усилитель мощности на базе Only Music 2.7, в исполнении - Николай Кардаш
Усилитель мощности на базе Only Music 2.7, в исполнении - Сергей Баранов
Усилитель мощности на базе Only Music 2.7, в исполнении - Сергей Баранов
Усилитель мощности на базе Only Music 2.7, в исполнении - Сергей Калита
Усилитель мощности на базе Only Music 2.7, в исполнении - Сергей Калита

Список радиоэлементов:

-35
-36
-37

Ссылки:
Место первой публикации - сайт "Паяльник" -
https://cxem.net/sound/amps/amp240.php

Статья в сообществе Nem0 в ВК - https://vk.com/@nem0_audio-usilitel-moschnosti-only-music-27-ex-opleuha-mikruham-2018

Файлы:
Модель усилителя для NI Multisim 14 - https://disk.yandex.by/d/mkyVs4l4g5A1Tw

Односторонняя печатная плата ОМ2.7 для ЛУТ - https://disk.yandex.by/d/z7fxeUOs3QmpbA

Двухсторонняя печатная плата для ОМ2.7 - OM27.00 - https://disk.yandex.by/d/UuLo4AovECHl9g
(Первая версия печатной платы, содержит неиспользуемые элементы, не указанные в схеме. Не рекомендуется для использования).

Двухсторонняя печатная плата для ОМ2.7 - OM27.01 - https://disk.yandex.by/d/vRjqSGMxAoMgcg
(Актуальная версия платы)

Двухсторонняя печатная плата для ОМ2.7 - OM27.02 - https://disk.yandex.by/d/e_Pr49or2OnrKA
(Актуальная версия печатной платы. Имеет лишь косметический отличия от OM27.01).

Дата первой публикации: 10 апреля 2018
Дата изменения: 9 января 2022