Добавить в корзинуПозвонить
Найти в Дзене
RADIO INFO

Справочник радиолюбителя. Аналоговые микросхемы для приема УКВ и FM диапазонов. 2 часть

Добрый день дорогие друзья. Сегодня я продолжу серию публикаций «Справочник радиолюбителя», и мы с Вами продолжим рассматривать самые популярные аналоговые микросхемы для приема FM, которые широко применяются нашими радиолюбителями для создания своих конструкций, и переделки старых советских приемников для приема в диапазонах УКВ и FM. Первую часть обзора смотрите ЗДЕСЬ Наш сегодняшний обзор будет полностью посвящен широко распространенной и популярной в свое время микросхемы TDA7088. Отличительной особенностью этой микросхемы является возможность автоматической настройки на станцию путем сканировании диапазона. Микросхема выполнена в малогабаритном пластмассовом корпусе, с выводами под поверхностный монтаж Микросхема TDA7088 это дальнейшая модернизация микросхем TDA7000 и TDA7021, она построена на таком же принципе, как и эти микросхемы, то есть супергетеродинный тракт работает по схеме

Добрый день дорогие друзья.

Сегодня я продолжу серию публикаций «Справочник радиолюбителя», и мы с Вами продолжим рассматривать самые популярные аналоговые микросхемы для приема FM, которые широко применяются нашими радиолюбителями для создания своих конструкций, и переделки старых советских приемников для приема в диапазонах УКВ и FM. Первую часть обзора смотрите ЗДЕСЬ Наш сегодняшний обзор будет полностью посвящен широко распространенной и популярной в свое время микросхемы TDA7088. Отличительной особенностью этой микросхемы является возможность автоматической настройки на станцию путем сканировании диапазона. Микросхема выполнена в малогабаритном пластмассовом корпусе, с выводами под поверхностный монтаж

Микросхема TDA7088 это дальнейшая модернизация микросхем TDA7000 и TDA7021, она построена на таком же принципе, как и эти микросхемы, то есть супергетеродинный тракт работает по схеме с низкой ПЧ, около 70 кГц, а искажения, которые в таком случае возникают, устраняются системой сжатия девиации. Основное отличие микросхемы TDA7088 от микросхем TDA7000 и TDA7021 в том, что в ее составе имеется устройство автоматической настройки, вырабатывающее плавно изменяющееся напряжение настройки, поступающее на варикап. Система АПЧГ следит за настройкой, и при попадании станции в полосу удержания АПЧГ напряжение настройки фиксируется на установившемся уровне. Далее, чтобы перейти к следующей станции нужно повторно нажать кнопку "SCAN", а чтобы вернуться к началу диапазона - нажать "RESET".

Типовая схема включения этой микросхемы предусматривает только однонаправленное сканирование "вверх" по диапазону рабочих частот.

-2

Даташит на микросхему TDA7088 можно посмотреть ЗДЕСЬ.

Построенные на этой микросхеме приемники с автоматической настройкой , помимо чисто конструктивного внешнего отличия от традиционного приемника с ручной настройкой, имеют две кнопки вместо ручки переменного конденсатора. Такая конструкция обладает важным достоинством: при достаточном уровне сигнала на входе приемника настройка на выбранную станцию поддерживается автоматически с помощью встроенной в микросхему системы автоподстройки частоты АПЧ.

Есть у этих микросхеме и определенный недостаток — в типовой схеме включения этой микросхемы в режиме автоматической настройки возможно только однонаправленное сканирование "вверх" по диапазону. В результате пользоваться таким приемником оказывается не очень удобно. Нередко при кратковременном нажатии на кнопку "SCAN", приемник не успевает перестроиться, и ту же станцию система АПЧ захватывает повторно. При слишком длительном нажатии или при слабом сигнале приемник может "проскочить" радиостанцию, и тогда процесс настройки приходится начинать заново.

У микросхемы TDA7088 есть аналоги SC1088 и CD9088CB

-3

Радиолюбители очень активно применяют микросхему TDA7088 в своих конструкциях, в Интернете можно найти множество схем. На торговой площадке AliExpress есть множество радиоконструкторов с этой микросхемой. Вот пример одного их них

-4

А это схема того радиоконструктора

-5

Как видите в нем применен аналог TDA7088 SC1088

Радиолюбители широко применяют FM радио модули на микросхеме TDA7088 для переделки старых советских радиоприемников на диапазон FM. Модули могут быть как изготовленные самостоятельно так и взятые от многочисленных китайских радио сканеров, которые можно купить на барахолке или доске объявлений типа Авито или Юла за 100 руб, или еще дешевле.

А сайте «Дарудар» их вообще отдают даром.

-6

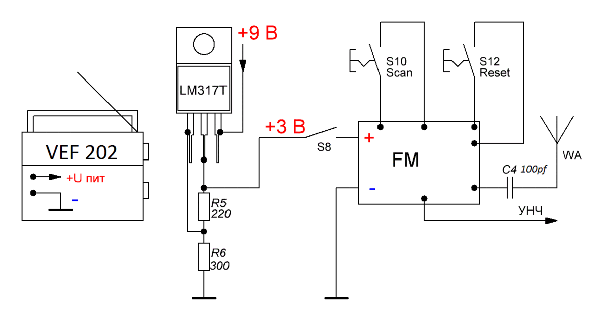
Вот схема одного из вариантов подключения такого модуля к радиоприемнику VEF202

-7

Питание на модуль подается через геркон, подключаемый магнитом на пустом диапазоне..

Если Вы не хотите, к примеру портить внешний вид приемника, то можете вырезать из кусочка пластика крышку батарейного отсека и в нее вставить кнопки, и в батарейном отсеке разместить сам модуль, и такой к примеру аккумулятор на 9В типа размера батарейки Крона

-8

Я считаю этот способ самым простым по переделке старых радиоприемников для приема FM диапазона.

Я лично этим способом переделал два радиоприемника VEF на FM диапазон

На этом у меня сегодня пока все, но в следующей публикации мы продолжим рассматривать аналоговые микросхемы для приема FM и будем говорить о таких микросхемах какTEA5710; CXA1019; CXA1691; TA2003P; TA8164P; CD2003GP.

Подписывайтесь на мой канал и следите за новыми публикациями

Рекомендую посмотреть на моем канале еще публикации, которые могут быть Вам интересны.

Ставьте лайки, комментируйте и подписывайтесь на мой канал.