Найти в Дзене
Not_facebooked

Об использовании двухтактного преобразователя с дросселем переменного тока в качестве сварочного инвертора

Анализ схемотехники силовой части промышленных источников сварочного тока инверторного типа (ИИСТ) позволяет утверждать, что наиболее применяемыми типами топологии силовой части ИИСТ на сегодняшний день являются: традиционный двухтактный конвертер мостового типа и однотактный прямоходовой мостовой конвертер (ОПМК), который для краткости часто называют «косой мост» [1]. Среди продукции российских производителей ИИСТ встречаются сварочные инверторы, силовая часть которых представляет собой довольно экзотический двухтактный преобразователь с дросселем переменного тока в цепи первичной или вторичной обмоток силового трансформатора. Конвертер с дросселем переменного тока (далее для краткости - КДПТ) имеет естественную «мягкую», падающую статическую вольт-амперную характеристику (ВАХ), формируемую параметрическим способом. В качестве примера ИИСТ с силовой частью, построенной на основе КДПТ, можно привести сварочные инверторы ВД-160И У2 и ВД-200И У2 производства фирмы «Линкор» [2].

Анализ схемотехники силовой части промышленных источников сварочного тока инверторного типа (ИИСТ) позволяет утверждать, что наиболее применяемыми типами топологии силовой части ИИСТ на сегодняшний день являются: традиционный двухтактный конвертер мостового типа и однотактный прямоходовой мостовой конвертер (ОПМК), который для краткости часто называют «косой мост» [1]. Среди продукции российских производителей ИИСТ встречаются сварочные инверторы, силовая часть которых представляет собой довольно экзотический двухтактный преобразователь с дросселем переменного тока в цепи первичной или вторичной обмоток силового трансформатора. Конвертер с дросселем переменного тока (далее для краткости - КДПТ) имеет естественную «мягкую», падающую статическую вольт-амперную характеристику (ВАХ), формируемую параметрическим способом. В качестве примера ИИСТ с силовой частью, построенной на основе КДПТ, можно привести сварочные инверторы ВД-160И У2 и ВД-200И У2 производства фирмы «Линкор» [2].

Действительно, на первый взгляд целый ряд свойств КДПТ позволяет рассматривать эту топологию в качестве возможного варианта силовой части сварочного инвертора. Падающая вольт-амперная характеристика такого преобразователя позволяет без применения каких-либо обратных связей обеспечить ограничение тока короткого замыкания в цепи нагрузки на приемлемом уровне. Одновременно с этим обеспечивается «естественное» ограничение тока силовых транзисторов. Для регулирования тока нагрузки возможно использование как ШИМ так и ЧИМ, причем последний способ представляется более перспективным, так как позволяет регулировать ток нагрузки при фиксированном и максимально допустимом коэффициенте заполнения импульсов управления силовыми ключами. Также представляется заманчивым избавиться от дросселя постоянного тока, обязательно присутствующего на выходе «традиционных» конвертеров: мостового, ОПМК и других. Выходной дроссель в составе ИИСТ всегда являлся одним из наиболее габаритных и тяжелых элементов силовой части.

Несмотря на все перечисленные положительные качества КДПТ, среди ИИСТ зарубежных производителей автору не удалось обнаружить примеров сварочных инверторов с использованием в силовой части подобной топологии. Возможно, применение этой топологии российскими производителями сварочных инверторов связано с наличием определенного опыта разработки и производства ключевых источников питания на основе КДПТ и естественным желанием «промасштабировать» этот задел на разработку ИИСТ, сэкономив время и средства. Хотя такой подход и является совершенно естественным, все же попытаемся оценить перспективы и целесообразность использования КДПТ в качестве силовой части сварочного инвертора на основе анализа виртуальной модели КДПТ и публикаций по данной тематике.

Чтобы полученные результаты были более наглядными и полезными с практической точки зрения, а так же в связи с тем, что силовая часть ВД-160И представляет собой полумостовой конвертер, рассмотрим полумостовой вариант КДПТ в сравнении с ОПМК, широко применяемым в качестве силовой части сварочных инверторов. Для определенности будем считать, что сравниваемые типы преобразователей представляют собой силовую часть сварочного инвертора, предназначенного для ручной дуговой сварки штучным электродом диаметром от 1,6 до 3 мм. Из этих условий следует, что диапазон регулирования сварочного тока должен составлять 30 – 150 А и, следовательно, возможность питания от однофазной сети 220 В/50 Гц [3, 4].

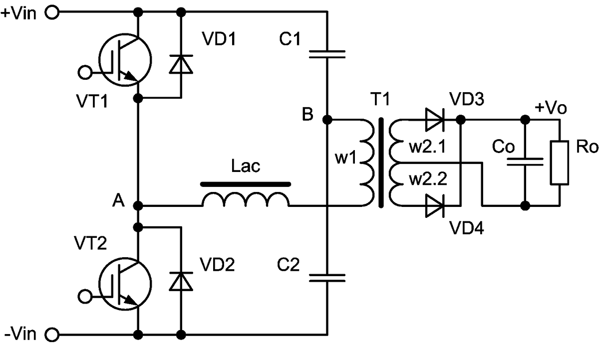
Кратко рассмотрим электрические процессы, протекающие в полумостовом КДПТ, схема которого показана на рис.1, используя при этом результаты работы [5]. Диаграммы токов и напряжений, иллюстрирующие работу конвертера, приведены на рис.2. Предположим, что все элементы схемы идеальны, емкости С1, С2 и Со таковы, что

Рис.1 Полумостовой конвертер с дросселем переменного тока в цепи первичной обмотки.
Рис.1 Полумостовой конвертер с дросселем переменного тока в цепи первичной обмотки.

пульсациями напряжения на них можно пренебречь, ток дросселя Lac безразрывный и коэффициент заполнения D=Dmax=0,5, где D=ton/T, T - период рабочей частоты КДПТ, а ton - время проводящего состояния ключевого транзистора преобразователя. Сопротивление нагрузки Ro – чисто активное. Обозначим через Vbus напряжение источника питания конвертера, тогда для мостового конвертераVbus=Vin, для полумостового конвертера Vbus=0,5Vin . Коэффициент трансформации силового трансформатора положим равным N=1.

Рис.2 Диаграммы токов и напряжений в характерных точках КДПТ.
Рис.2 Диаграммы токов и напряжений в характерных точках КДПТ.

Обратимся к диаграммам на рис.2. В момент времени t0 выключается транзистор VT2, полярность напряжений на обмотках силового трансформатора Т1 и дросселя Lac изменяется на противоположную, током дросселя Lac открывается диод VD1. Транзистор VT1 включается, когда VD1 уже находится в проводящем состоянии, то есть при нулевом напряжении между коллектором и эмиттером. На интервале to-t1 происходит сброс дросселем Lac накопленной в предыдущем такте энергии в источник питания. При t1 ток Lac снижается до нуля, диод VD1 закрывается и ток, изменив направление, начинает течь через уже включенный к этому моменту транзистор VT1. К моменту времени t2 ток в дросселе Lac и транзисторе VT1 достигает значения:

ILac m=((Vbus – Vo w1)/ Lac)*(t2-t1), (1)

где Vo w1 - напряжение на нагрузке, приведенное к первичной обмотке. В момент времени t2 транзистор VT1 выключается, диод VD2 открывается током дросселя Lac, включается транзистор VT2 и все процессы повторяются.

По аналогии с (1) можно записать выражение для ILac m на интервале t2-t3:

ILac m=(Vbus – Vo w1)/ Lac*(t3-t2) (2)

Из (1) и (2) с учетом того, что (t3-t1) равно половине периода рабочей частоты получим:

(t2-t1)+(t3-t2) = ILac m* Lac*2Vbus/(( Vbus)в ст2- (Vo w1)в ст2) =1/2F , (3)

где «(…) в ст2» означает «в степени 2». Такие обозначения приходится использовать, так как Яндекс Дзен не любит Microsoft Equations. Знак * означает умножение, / - деление. Нижние индексы Дзен, рохоже, тоже не любит...

Выражение (3) можно представить в виде:

ILac m = (( Vbus)в ст2- (Vo w1)в ст2))/4* Lac*F*Vbus (4)

Так как для тока треугольной формы среднее значение равно половине от его амплитудной величины, то для среднего тока нагрузки Io w1, приведенного к первичной обмотке, можно записать:

Io w1 = 0,5*ILac m = (( Vbus)в ст2- (Vo w1)в ст2))/8* Lac*F*Vbus (5)

Из (5) получим выражение, описывающее нагрузочную характеристику КДПТ:

Vo = V2*sqrt[1- (8*Lac w2*Io*F/V2)], (6)

где V2 = Vbus*N - напряжение на вторичной обмотке в отсутствии нагрузки, N=w2/w1- коэффициент трансформации, sqrt – квадратный корень, Lac w2– приведенная ко вторичной обмотке силового трансформатора Т1 индуктивность дросселя Lac, Vbus– напряжение питания конвертера, Io (Iout) – средний ток нагрузки. Средний ток дросселя Lac равен нулю.

Из (6) видно, что ток короткого замыкания равен:

Io = Vbus/8*Lac*N*F, (7)

В случае полумостового преобразователя эффективное напряжение питания составляет 0,5*Vin, что необходимо учитывать при расчетах по формулам (6) и (7).

Авторами работы [5] были исследованы динамические свойства КДПТ в малосигнальном приближении. Изучалось влияние возмущений входного и выходного напряжения, модуляции рабочей частоты F на ток нагрузки. В низкочастотной области ФЧХ и АЧХ конвертер ведет себя как источник тока благодаря большому импедансу дросселя Lac, в том числе при медленных изменениях рабочей частоты. Эти свойства позволяют использовать КДПТ в качестве, например, зарядного устройства даже без обратной связи по току нагрузки. Динамические свойства конвертера в основном определяются полюсом, образованным Ro и Co. Исследование передаточных функций КДПТ показывает, что конвертер данного типа представляет собой систему второго порядка с двумя вещественными полюсами, чем положительно отличается от прямоходового конвертера понижающего типа, который также является системой второго порядка, но с двумя комплексными полюсами. По этой причине в случае КДПТ возможно использование более простых методов компенсации АЧХ усилителя ошибки при замкнутой петле обратной связи.

Можно показать, что в нагрузку из источника питания передается максимальная мощность при таком значении тока нагрузки IO_PW, когда напряжение на нагрузке Vo составляет порядка 0,5*V2. С достаточной для инженерных расчетов и задач данной статьи точностью можно считать, что при Vo = 0,5*V2, то есть в «точке максимальной мощности» на статической ВАХ, выполняется соотношение:

IO_PW = 0,75*Io_sc, (8)

где Io_sc - среднее значение тока короткого замыкания. Зависимость напряжения на дуге от тока дуги описывается известным эмпирическим соотношением:

Varc = 20+0,04*Iarc (9)

Очевидно, что прямая (9) должна пересекать ВАХ (6) вблизи «точки максимальной мощности»: при Varc = 0,5*V2 и Iarc = IO_PW .

Предположим, что наиболее энергетически выгодный способ регулирования тока нагрузки для КДПТ – ЧИМ, то есть изменением частоты переключения силовых транзисторов при неизменном и максимальном коэффициенте заполнения. Зададим исходные параметры схемы на рис.1: Vin=300В, N=0,333 (3:1), Dmax = 0,5, Fmin = 40 кГц, Io min = 30A, Io max = 150A, V2 = 50В.

На основании формул (7) и (8) получим остальные параметры КДПТ: индуктивность дросселя Lac = 7 мкГн (на первичной стороне силового трансформатора), Lac w2 = 0,78 мкГн (на вторичной стороне), Io_sc max = 200 А, Io_sc min =40 А, Fmax =200 кГц.

На рис.3 показана расчетная нагрузочная характеристика КДПТ с полученными выше параметрами, построенная средствами Mathcad 2001i Pro для нескольких значений F.

Рис.3 Семейство ВАХ конвертера с дросселем переменного тока для F=40, 80, 120, 160 и 200 кГц, полученное в среде Mathcad 2001i. Все величины даны в единицах СИ.
Рис.3 Семейство ВАХ конвертера с дросселем переменного тока для F=40, 80, 120, 160 и 200 кГц, полученное в среде Mathcad 2001i. Все величины даны в единицах СИ.

Здесь нас ждет первый недостаток всех преобразователей с частотным регулированием: большая кратность изменения рабочей частоты из-за широкого диапазона изменения тока нагрузки и, как следствие, проблемы с оптимизацией силового трансформатора. Для дальнейшего исследования особенностей электрических процессов, протекающих в конвертерах с дросселем переменного тока воспользуемся одной из популярных программ моделирования электрических схем – MicroCAP-9.

Модель КДПТ в среде MicroCAP-9 с рассчитанными выше параметрами приведена на рис.4, где Lac – дроссель переменного тока, формирующий статическую ВАХ конвертера, Х8 – «идеальный трансформатор» с индуктивностью намагничивания L1=1500 мкГн (некая типичная величина для силовых трансформаторов ИИСТ, изготовленных с использованием сердечников типоразмеров Е65/32/27 и Е70/33/32 фирмы EPCOS). Eмкость конденсатора выходного фильтра С6 выбрана минимально необходимой опытным путем.

Рис.4 Модель конвертера с дросселем переменного тока в MicroCAP- 9.
Рис.4 Модель конвертера с дросселем переменного тока в MicroCAP- 9.

Если модель на рис.4 рассматривать как возможный прототип реального устройства, то выбранный номинал С6 должен, с одной стороны, обеспечивать «достаточно низкий» уровень пульсаций напряжения Vo (в соответствие с условиями получения формулы (6)),

с другой стороны, конденсатор С6 должен быть рассчитан на большой эффективный ток и должен быть физически реализуем.

На рис.5 приведены «осциллограммы» характерных токов и напряжений, полученные на модели КДПТ при Ro = 0,165 Ом, F= 40 кГц, D=0,49, N=0,333, Vin = 300В и Lac =7 мкГн. При токе нагрузки Io = 150А напряжение на нагрузке получилось равным 24,7В, ток короткого замыкания составил 203А против расчетных 200 А. Характерное отличие КДПТ от традиционных преобразователей c LC – фильтром на выходе – треугольная форма тока всех ключевых элементов. В результате этого включение транзисторов «мягкое», в режиме «нулевого напряжения на ключе» (далее – ZVS, zero-voltage switching), а выключение – «жесткое». Диоды выходного выпрямителя как включаются, так и выключаются «мягко» – в режиме «при нулевом токе» (далее – ZCS, zero-current switching) . «Мягкая» коммутация является положительным свойством КДПТ, кроме этого, конденсатор С6 большой емкости обеспечивает отсутствие индуктивных выбросов напряжения на диодах выходного выпрямителя.

На рис.6 приведены «осциллограммы», соответствующие работе КДПТ при коротком замыкании нагрузки, который является штатным для сварочных инверторов. На рисунках 5 и 6: I(R3) – ток транзистора Х3, V(Lac) – напряжение на дросселе переменного тока Lac,

I(D3), I(D4) – токи диодов выходного выпрямителя. Как видно из рис.6, при коротком замыкании четверть периода дроссель Lac запасает энергию, а в течение следующей четверти периода возвращает всю накопленную энергию обратно в источник питания.

Рис.5 Диаграммы  токов и напряжений КДПТ, полученные на модели при Ro=0,165 и токе нагрузки Io=150 A ( работа на номинальную нагрузку при максимальном токе).
Рис.5 Диаграммы токов и напряжений КДПТ, полученные на модели при Ro=0,165 и токе нагрузки Io=150 A ( работа на номинальную нагрузку при максимальном токе).
Рис.6 диаграммы токов и напряжений КДПТ, полученные на модели при Ro=0 и токе нагрузки Io_sc=203 A (короткое замыкание).
Рис.6 диаграммы токов и напряжений КДПТ, полученные на модели при Ro=0 и токе нагрузки Io_sc=203 A (короткое замыкание).

Таким образом, в идеализированной ситуации в режиме короткого замыкания преобразователь КДПТ не отбирает мощность от источника питания, но производит бессмысленную работу по перекачиванию реактивной энергии из источника питания в дроссель и обратно. В реальном устройстве конвертер будет потреблять из питающей сети мощность, равную мощности потерь в элементах конвертера. Индуктивность рассеивания силовых трансформаторов с ферритовыми сердечниками Е65/32/27 и Е70/33/32 в составе сварочных инверторов на практике составляет величину порядка 5 – 20 мкГн, которая зависит, в основном, от геометрии и взаимного расположения обмоток трансформатора. Поэтому дроссель Lac не обязательно выполнять в виде отдельного моточного изделия, его можно реализовать в виде индуктивности рассеивания силового трансформатора. Необходимо отметить, что в этом случае мы получаем «плохой» трансформатор: увеличенная индуктивность рассеивания означает повышенную напряженность полей рассеивания в окне магнитопровода, которые будут приводить к дополнительному нагреву всех обмоток трансформатора.

Для оценки полученных на модели КДПТ результатов сравним их с результатами моделирования однотактного конвертера ОПМК в тех же условиях. Модель ОПМК приведена на рис.7. Для получения сопоставимых результатов в модели ОПМК по возможности использованы те же элементы, что и в модели КДПТ. Дроссель L2 представляет собой выходной L – фильтр. На практике индуктивность L2 выбирается в пределах 20 – 100 мкГн в зависимости от рабочей частоты ИИСТ, величины минимального тока нагрузки и степени «бюджетности» сварочного инвертора.

Рис.7 Модель однотактного прямоходового мостового конвертера с обратной связью по среднему току нагрузки.
Рис.7 Модель однотактного прямоходового мостового конвертера с обратной связью по среднему току нагрузки.
Рис.8 Диаграммы токов и напряжений ОПМК в характерных точках при Ro=0,165 Ом и Io=150 A.
Рис.8 Диаграммы токов и напряжений ОПМК в характерных точках при Ro=0,165 Ом и Io=150 A.
Рис.9 Диаграммы токов и напряжений ОПМК в характерных точках при Ro=0 Ом и Io=150 A.
Рис.9 Диаграммы токов и напряжений ОПМК в характерных точках при Ro=0 Ом и Io=150 A.

Индуктивность Llk представляет собой индуктивность рассеивания силового трансформатора, приведенную к первичной обмотке. Ее величина выбрана намеренно равной Lac в модели КДПТ. Резистор Rs используется в качестве токового шунта для измерения тока нагрузки и совместно с функциональным генератором напряжения Е1 представляет собой гальванически развязанный датчик среднего тока нагрузки, необходимый для организации обратной связи по току. Для коррекции АЧХ усилителя ошибки ШИМ – контроллера Х1 используется простейшая цепь R1C1R2. Резисторы с номиналом 1мОм имитируют активные потери в схеме и улучшают сходимость при обработке модели.

На рис.8 показаны «осциллограммы» токов и напряжений в некоторых характерных точках схемы ОПМК при номинальной нагрузке Ro=0,165 Ом и максимальном токе нагрузки Io=150 A. На рис.9 показаны те же параметры при работе конвертера в режиме короткого замыкания. Сравнивая результаты моделирования двух конвертеров можно увидеть второй недостаток КДПТ: силовые транзисторы коммутируют ток, амплитудное значение которого вдвое превышает аналогичную величину в случае ОПМК при Ro=0,165 Ом. При коротком замыкании эта разница увеличивается еще более вследствие треугольной формы тока в случае КДПТ. Включение транзисторов ОПМК также как и в случае КДПТ происходит «мягко» в режиме ZCS, а выключение – «жесткое». Для обоих преобразователей требуется применение демпфирующих цепей для снижения коммутационных потерь при выключении транзисторов. Диоды выходного выпрямителя ОПМК переключаются «жестко», что приводит к появлению достаточно сильных индуктивных выбросов напряжения на закрытых диодах. Для снижения этих выбросов используется стандартный метод – фиксирующие цепочки R11C3 и R14C4, которые ради общности сохранены и в модели КДПТ, не смотря на отсутствие такой необходимости.

Необходимо отметить, что несмотря на ряд положительных и, на первый взгляд, перспективных свойств КДПТ, на роль сварочного источника тока, в своем базовом варианте (рис.1) данный тип конвертера практически не пригоден. Это обстоятельство связано с наличием большой емкости Со на выходе преобразователя. В сварочных инверторах если и используется емкость на выходе, то только в качестве фиксирующей/демпфирующей цепи либо в целях помехоподавления и имеет величину порядка единицы – десятки нанофарад. Присутствие большой емкости Со приведет к не регулируемому, не контролируемому броску тока нагрузки при замыкании сварочного электрода на деталь. В результате происходит прилипание торца сварочного электрода и последующий его быстрый разогрев вплоть до разрушения обмазки. С технической же точки зрения конденсатор Со при практической реализации будет представлять собой батарею конденсаторов с высококачественным диэлектриком, низкими диэлектрическими потерями и максимально низким эквивалентным последовательным сопротивлением, так как эффективный ток пульсаций Со по порядку величины сопоставим с током нагрузки. Массогабаритные параметры и стоимость конденсатора Со, способного работать в ИИСТ на основе базовой схемы КДПТ будет, по мнению автора, существенно превышать аналогичные параметры дросселя постоянного тока выходного фильтра ОПМК, используемого в качестве сварочного инвертора.

Возможно, этими же соображениями руководствовались разработчики ИИСТ ВД-160И с топологией КДПТ, на выходе которого отсутствует емкость фильтра. Так как существует промышленное изделие с топологией «КДПТ без выходной емкости», то попробуем проанализировать его работу на математической модели. В качестве такой модели будем использовать модель на рис.4, но при С6=0. Дополнительно к этому последовательно с нагрузочным резистором Ro включим дроссель постоянного тока Ldc=5 мкГн. Этот дополнительный дроссель представляет собой индуктивность сварочных проводов при их длине порядка пяти метров. Фактически, это минимальная индуктивность сварочных проводов, так как на практике работать со сварочным кабелем длиной менее чем 2х2,5 м неудобно для сварщика.

Рис.10  Диаграммы КДПТ с Ro=0,165 Ом, Со=0  и  Ldc=5 мкГн.
Рис.10 Диаграммы КДПТ с Ro=0,165 Ом, Со=0 и Ldc=5 мкГн.

Диаграммы токов и напряжений КДПТ без выходного конденсатора при номинальной нагрузке показаны на рис.10. Рисунок 11 соответствует режиму короткого замыкания. Можно отметить, что характер переключения диодов выходного выпрямителя изменился: сохранился режим переключения при ZCS, но появились индуктивные выбросы напряжения на закрытых диодах. Существенно снизилась амплитуда тока, коммутируемого ключами Х3 и Х4 и диодами D3, D4, но в режиме Ro=0

амплитуда коммутируемых токов, напротив, значительно возросла. В целом, ВАХ стала более «жесткой». «Жесткость» ВАХ увеличивается пропорционально величине индуктивности Ldc.

Для того, чтобы убедиться в правильности расчета элементов схемы КДПТ и проиллюстрировать полученные результаты построим статические ВАХ всех обсуждаемых конвертеров. На рис.12 показана «экспериментальная» зависимость среднего напряжения нагрузки от среднего тока нагрузки (интервал усреднения 1 сек.), на основе данных, полученных средствами MicroCAP-9. Сплошная линия – статическая ВАХ базового КДПТ в соответствии с выражением (6) и расчетными параметрами, использованными при моделировании. «Экспериментальная» ВАХ этого же конвертера (модель на рис.4) изображена зелеными точками. Синие точки – вольт-амперная характеристика КДПТ без конденсатора С6 и с дополнительным дросселем Ldc. Для сравнения красными точками показана ВАХ традиционного ОПМК с обратной связью по среднему току нагрузки при токе задания 150 А.

Рис.11  Диаграммы КДПТ  при  Со=0  и с Ldc=5 мкГн при коротком замыкании (Ro=0, Io=380A).
Рис.11 Диаграммы КДПТ при Со=0 и с Ldc=5 мкГн при коротком замыкании (Ro=0, Io=380A).

Приведенные на рис.12 статические ВАХ позволяют сделать ряд предварительных выводов. Внешняя характеристика однотактного конвертера с обратной связью по току нагрузки имеет предсказуемый крутопадающий вид, характерный для источника тока.

Крутизна падающей части ВАХ может быть увеличена за счет повышения коэффициента усиления в петле обратной связи, если в этом есть необходимость. Статические и динамические свойства конвертеров этого типа хорошо изучены. «Экспериментальная» ВАХ базового варианта КДПТ находится в удовлетворительном согласии с теоритической

ВАХ, рассчитанной по формуле (6). В то же время ВАХ «сварочного» варианта КДПТ (без емкости выходного фильтра и с индуктивно-активной нагрузкой) характеризуется чрезмерно большим значением тока короткого замыкания, превышающим номинальный ток «дуги» более чем в два раза.

При таком большом отношении тока короткого замыкания к номинальному использование «сварочного» варианта КДПТ (далее – КДПТ-СВ) в качестве силовой части ИИСТ не оправдано. Исправить ситуацию можно введением обратной связи по току нагрузки, что и реализовано в упоминавшемся выше промышленном ИИСТ марки ВД-160И. Автору не удалось обнаружить публикации, посвященные исследованию статических и динамических свойств КДПТ-СВ, в то время как базовый КДПТ изучен достаточно хорошо и давно известен. Возможно, что отсутствие интереса к КДПТ-СВ объясняется тем обстоятельством, что в качестве источника напряжения он не представляет интереса, а в качестве источника сварочного тока не свободен от недостатков и имеет большое количество конкурирующих топологий. Из рис.12 видно, что КДПТ-СВ имеет ВАХ «плохого» источника тока и «плохого» источника напряжения одновременно.

Рис.12 Вольт-амперные характеристики базового КДПТ, КДПТ с Ldc=5 мкГн и С6=0,  и ОПМК с ООС по току нагрузки с током задания 150 А.
Рис.12 Вольт-амперные характеристики базового КДПТ, КДПТ с Ldc=5 мкГн и С6=0, и ОПМК с ООС по току нагрузки с током задания 150 А.

Для источников сварочного тока важна реакция силовой части на быстрые изменения нагрузки, характерные для сварочных процессов. Типичная последовательность изменения нагрузки в процессе электродуговой сварки: холостой ход – замыкание электрода на деталь для поджига дуги – образование и поддержание дуги при заданном сварочном токе – обрыв дуги при завершении сварочного процесса. Исследования поведения реального ИИСТ при работе на быстро изменяющуюся нагрузку требуют специального лабораторного оборудования, но легко могут быть проведены на математической модели устройства. На рис.13, 14 показаны зависимости тока и напряжения нагрузки конвертеров КДПТ-СВ и традиционного ОПМК с обратной связью по току нагрузки, модели которых обсуждались выше, при ступенчатом изменении сопротивления нагрузки. Отметим, что КДПТ-СВ может использоваться в качестве сварочного инвертора при условии, что ключевые транзисторы и диоды будут выбраны с таким запасом по току, который обеспечит их безаварийную работу в режиме короткого замыкания нагрузки.

Рис. 13 Реакция КДПТ  с Со=0  и с Ldc=5 мкГн на изменения нагрузки: переход холостой ход – КЗ – нагрузка током 150 А – холостой ход.
Рис. 13 Реакция КДПТ с Со=0 и с Ldc=5 мкГн на изменения нагрузки: переход холостой ход – КЗ – нагрузка током 150 А – холостой ход.
Рис. 14 Реакция ОПМК на изменения нагрузки: переход холостой ход – КЗ – нагрузка током 150 А – холостой ход.
Рис. 14 Реакция ОПМК на изменения нагрузки: переход холостой ход – КЗ – нагрузка током 150 А – холостой ход.

Заключение:

Базовый вариант КДПТ характеризуется рядом положительных свойств: включение и выключение диодов выходного выпрямителя в режиме ZCS, что приводит к существенному снижению тока обратного восстановления и ключевых потерь в диодах.

Малые токи обратного восстановления и большая емкость выходного фильтра практически устраняют индуктивные выбросы на диодах выходного выпрямителя, что позволяет применять диоды с минимальным запасом по обратному напряжению, которые имеют и меньшее прямое падение напряжения. Отсутствует необходимость в применении фиксирующих пассивных и тем более активных цепей на вторичной стороне силового трансформатора.

«Хорошие» динамические свойства также являются заметным достоинством конвертеров данного типа. Все перечисленные свойства естественным образом определяют область оптимального применения КДПТ: зарядные устройства емкостных накопителей и аккумуляторных батарей, электронные балласты газоразрядных ламп. Известен пример разработки зарядного устройства аккумуляторных батарей на базе КДПТ мощностью 3 кВт и эффективностью, достигающей 96% c ШИМ регулированием [6]. Более сложное – реверсивное зарядное устройство аккумуляторных батарей мощностью 2 кВт и к.п.д. 90% описано в работе [7]. В целом, интерес к конвертеру с дросселем переменного тока сохраняется до настоящего времени.

Вместе с тем, применение КДПТ в качестве силовой части сварочного инвертора приводит к необходимости исключения из его схемы конденсатора выходного фильтра, в результате чего КДПТ утрачивает часть своих положительных свойств. Главное и существенное преимущество КДПТ-СВ по отношению к ОПМК – «мягкое» переключение диодов выходного выпрямителя благодаря трапецеидальной форме тока. К недостаткам можно отнести большой (для «источника тока») ток короткого замыкания и «двухтактность» топологии КДПТ-СВ, что, в прочем, не препятствует использованию КДПТ-СВ в качестве ИИСТ. Из-за динамичного характера «сварочной» нагрузки, большого диапазона ее изменения и использования обратной связи по току к применению двухтактных преобразователей в качестве ИИСТ нужно относиться с большой осторожностью. В серийных ИИСТ производители, как правило, используют проверенные практикой топологии, оптимальные в этой области: однотактный прямоходовой мостовой конвертер («косой мост»), мостовой конвертер с ШИМ, мостовой конвертер с ШИМ и фазовым сдвигом между сигналами управления ключами и сдвоенный «косой мост». Можно согласиться с выводами работы [8]: сравнение расчетной мощности силовых элементов и массогабаритных параметров электромагнитных компонентов базового КДПТ, с одной стороны, и конвертера прямоходового типа с дросселем постоянного тока после выходного выпрямителя, с другой, приводит к заключению, что КДПТ уступает по обоим указанным параметрам в тех приложениях, которые оптимальны для преобразователей «с дросселем постоянного тока».
Применение КДПТ целесообразно в «удобных» для этого типа конвертера областях после тщательного анализа альтернативных возможностей и определения оптимального способа регулирования: ЧИМ, ШИМ либо комбинированный ЧИМ-ШИМ.

Литература

  1. Петров С. Схемотехника промышленных сварочных инверторов. Современная электроника, №8, 2007.
  2. Выпрямитель для дуговой сварки инверторного типа ВД-160И У2. Паспорт и инструкция по эксплуатации. ООО «Линкор».
  3. Каховский Н.И., Фартушный В.Г., Ющенко К.А.. Электродуговая сварка сталей. Справочник. Киев: Наукова думка, 1975, - 480с.

4. Геворкян В.Г. Основы сварочного дела. М.: Высш. шк., 1985.- 168с.

5. Zeltser I., Ben-Yaakov S. Modeling, analysis and simulation of “AC inductor” based converters. IEEE Power electronics specialists conference 2007, PESC 2007, pp. 2128-2134.

6. Jitaru I.D. A 3 kW soft switching DC-DC converter. IEEE Fifteenth annual applied power electronics conference and exposition. APEC 2000, vol. 1, pp. 86-92, 2000.

7. Krismer F., Biela J., Kolar J.W. A comparative evaluation of isolated bi-directional DC/DC converters with wide input and output voltage range. IEEE industry applications conference. Fourteenth IAS annual meeting, vol. 1, pp. 599-606, 2005.

8. Моин В.С. Стабилизированные транзисторные преобразователи. М.:

Энергоатомиздат, 1986.- 376с.

Теперь отдохнем от теории и обратимся к практике. Ниже приводятся фотографии «начинки» реального сварочного инвертора «Линкор» ВД-200И, сохранившиеся от переписки со счастливым обладателем данного девайса. Переписка возникла по инициативе владельца вышедшего из строя «Линкора». Совместными усилиями мы пытались восстановить аппарат. К сожалению, переписка неожиданно прервалась и осталось неизвестным – удалось владельцу отремонтировать инвертор или нет…

Рис. 15 Внутренности «Линкор» ВД-200И.
Рис. 15 Внутренности «Линкор» ВД-200И.
Рис. 16. Все тот же «Линкор».
Рис. 16. Все тот же «Линкор».
Рис. 17. Фрагмент схемы «Линкора» ВД-200И.
Рис. 17. Фрагмент схемы «Линкора» ВД-200И.

The article is finished.