Добавить в корзинуПозвонить
Найти в Дзене
Ruslan Tarasevich

Смартфон не включается Причины

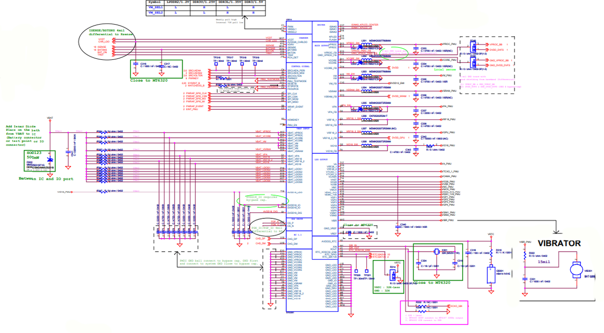
Всем привет! Любой современный смартфон или планшет, будь это Айфон или телефон на системе Андроид, имеет сложную систему электропитания. Сердцем этой системы является контроллер PMU - Power Management Unit Дословно эта аббревиатура означает - устройство управления питанием. На примере планшета на Андроиде разберемся, что же такое главный контроллер питания, что к нему приходит, чем он управляет, и какие напряжения выдает. Эта тема обширна, поэтому она будет освещена в 3-х коротких статьях Конечно, на плате планшета есть и другие компоненты управляющие питанием - контроллер заряда и ключи (транзисторы). PMU еще называют главным контроллером, т.к. он может, и управляет другими, второстепенными, элементами . На скриншоте изображена общая схема главного контроллера питания Андроид. На первый взгляд она сложна, не правда ли? На плате смартфона, изображенной на фотографии применен контроллер от компании Mediatek модели MT6320GA. Контроллер поддерживает "тонкую настройку " выходных напр
Оглавление

Всем привет!

Любой современный смартфон или планшет, будь это Айфон или телефон на системе Андроид, имеет сложную систему электропитания.

Сердцем этой системы является контроллер PMU - Power Management Unit

Дословно эта аббревиатура означает - устройство управления питанием.

На примере планшета на Андроиде разберемся, что же такое главный контроллер питания, что к нему приходит, чем он управляет, и какие напряжения выдает. Эта тема обширна, поэтому она будет освещена в 3-х коротких статьях

Контроллер PMU
Контроллер PMU

Конечно, на плате планшета есть и другие компоненты управляющие питанием - контроллер заряда и ключи (транзисторы). PMU еще называют главным контроллером, т.к. он может, и управляет другими, второстепенными, элементами .

На скриншоте изображена общая схема главного контроллера питания Андроид. На первый взгляд она сложна, не правда ли?

Схема подключения контроллера PMU планшета
Схема подключения контроллера PMU планшета

На плате смартфона, изображенной на фотографии применен контроллер от компании Mediatek модели MT6320GA. Контроллер поддерживает "тонкую настройку " выходных напряжений питания памяти V_DDR. Выбор необходимого значения выполняется "Стрэпами".

Strap - специальные перемычки, как правило это резисторы нулевого сопротивления

Стрэпы на схеме
Стрэпы на схеме

На рисунке изображены стрэпы выбора режимов контроллера. Здесь они реализованы при помощи джамперов и переключателей.

Таблица выбора значений напряжений памяти
Таблица выбора значений напряжений памяти

Если резистор установлен , значение на контакте "1", резистор не распаян - значение "0" . Это резисторы формфактора 0201 и 0402.

На плате мобильного телефона / планшета такой роскоши как большое пространство нет. Поэтому и применяют микро резисторы.На фото - это черные точки.

Главный контроллер питания
Главный контроллер питания

Mediatek MT6320GA

Питание подключенное к входным портам PMU, а также питание с выходных портов передается по широким дорожкам. Дорожки узкие идут от портов управления, по ним передаются сигналы исполнительным устройствам (ключам) и сигналы от кварцевого генератора.

По широким дорожкам можно пропустить больший ток.

На рисунке ниже видно, что выводов входного питания у PMU много. Однако все они запитаны от одной точки - от + вывода разъема батареи -контрольная точка V_BAT.

При этом, питание на каждый входной порт подключено через свой отдельный микрорезистор нулевого сопротивления (защитная перемычка) . При перегрузке одного из преобразователей, резистор перегорит (уйдет в обрыв), защитив PMU от пробоя и планшет от возгорания.

входные цепи PMU
входные цепи PMU

К каждому "пину" входного питания контроллера подключен и свой конденсатор.

Схема подключения питания к входному порту PMU
Схема подключения питания к входному порту PMU

На рисунке изображена схема подключения питания для каждого входного порта. Лишь диод шоттки для всех портов общий.

Частота работы логики микроконтроллера стабилизируется с помощью кварцевого резонатора

Кварцевый резонатор
Кварцевый резонатор

На схеме ниже изображены элементы установленные в каждом из каналов преобразователя выходных напряжений.

-9

дроссели выходных портов PMU
дроссели выходных портов PMU

Таким образом, первым делом стоит проверить целостность защитных резисторов.

Чип резисторы можно заказать здесь

Всем спасибо за то что прочитали статью!

Спасибо читателю за информацию о недостатках статьи. Статью я обновил.

Смотрите также :

Как смазать вентилятор БП (видео)

Как отремонтировать нетбук если нет кнопки

Преобразователь полярности на транзисторе

Токовое зеркало

Простая схема защиты от переполюсовки

Как правильно проверять радиостанции

Маломощные высокочастотные разъемы

Тестируем OSA103 Осциллограф

Зачем хорошему инженеру ESR метр

А с какими неисправностями сталкивались вы ? Напишите свой отзыв.

Ставьте лайк, подписывайтесь на канал , будет много интересных публикаций.

#смартфон #как включить телефон

 #планшет #электроника #айфон