Добавить в корзинуПозвонить
Найти в Дзене

Какие нужны проекты, чтобы построить дом?

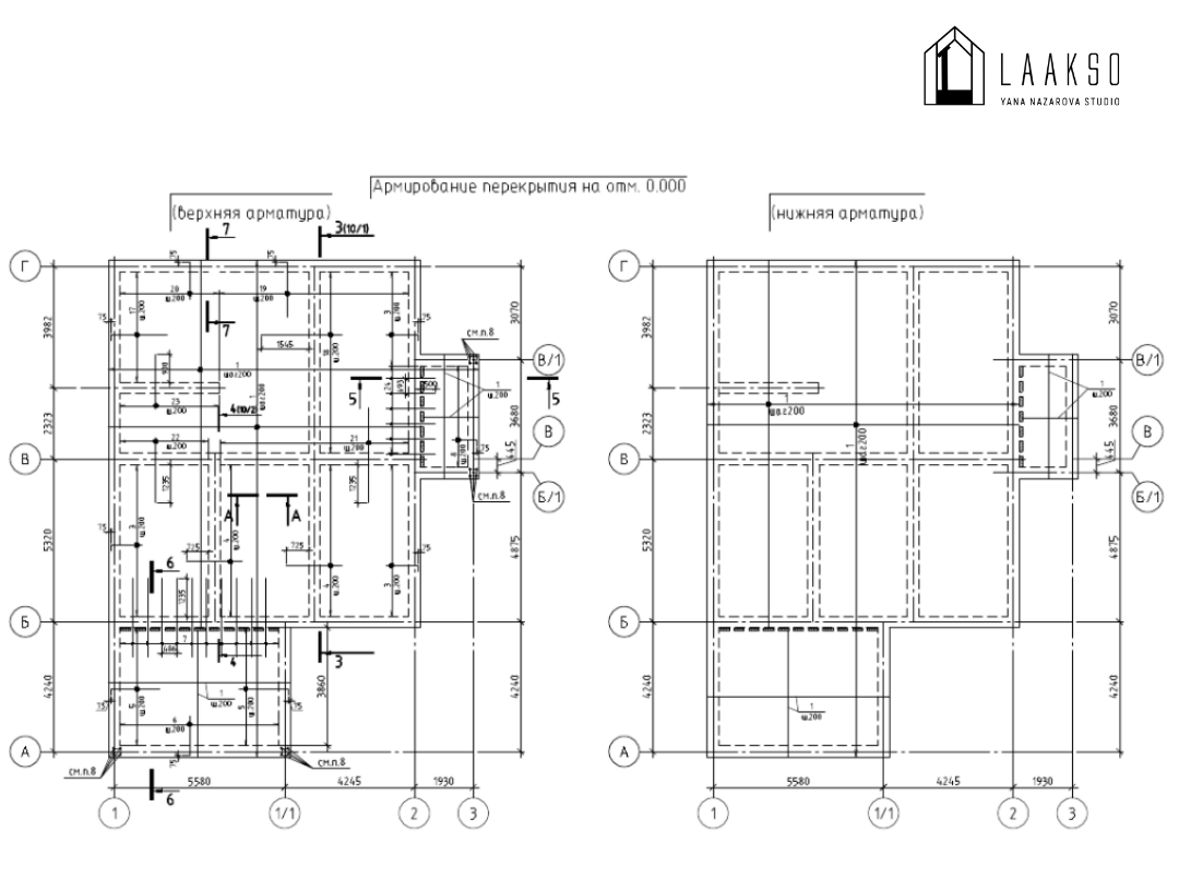
Я заметила, что существует некоторое непонимание того, что это за разделы - Архитектурный проект и Конструктивный решения, для чего они и что в них. Давайте же расскажу! 🙋 Без ошибок и перерасхода материала строится дом для которого есть хорошие чертежи. Конструктор делает подробные чертежи всех элементов дома, рассчитывает необходимое количество арматуры, продумывает и делает узлы по всем стыкам и сложными местам чтобы при работе у строителей не оставалось вопроса о том, стоит ли заложить арматуру диаметром 8 или 12мм и "что мы тут должны сделать, это невозможно!". Альбом этих чертежей называется Конструктивные Решения (КР) и зачастую мало что скажет заказчику. По нему не понятно, какого размера будет комната, влезет ли и ванна, и душ и как будет выглядеть фасад. На них много очень нужной информации, но не для простого человека. Тем более конструктор выполняет свою работу на основании чего-то. 🤓 И это "что-то", это среднее звено, и есть то, что делаю для вас я! Вы приходите ко мне,

Я заметила, что существует некоторое непонимание того, что это за разделы - Архитектурный проект и Конструктивный решения, для чего они и что в них. Давайте же расскажу! 🙋

Без ошибок и перерасхода материала строится дом для которого есть хорошие чертежи. Конструктор делает подробные чертежи всех элементов дома, рассчитывает необходимое количество арматуры, продумывает и делает узлы по всем стыкам и сложными местам чтобы при работе у строителей не оставалось вопроса о том, стоит ли заложить арматуру диаметром 8 или 12мм и "что мы тут должны сделать, это невозможно!". Альбом этих чертежей называется Конструктивные Решения (КР) и зачастую мало что скажет заказчику. По нему не понятно, какого размера будет комната, влезет ли и ванна, и душ и как будет выглядеть фасад. На них много очень нужной информации, но не для простого человека. Тем более конструктор выполняет свою работу на основании чего-то.

Пример страницы Конструктивных решений
Пример страницы Конструктивных решений

🤓 И это "что-то", это среднее звено, и есть то, что делаю для вас я! Вы приходите ко мне, не зная, как будет выглядеть ваш дом или что у него будет внутри. Часто есть картинки того, что вам нравится, количество спален и мечты о кухонном острове. Мы вместе с вами переделываем информацию о вас и вашей семье в... в объем, в здание, в ваше жилище! Я делаю чертежи, в которых расставлена ваша будущая мебель, написано, на какой высоте подоконник у каждого окна и в какую сторону будет открываться дверь. Сколько у вас останется подкровельного пространства, удобна ли будет ваша лестница и будет ли вас утром будить солнце. Мы продумаем, где сделать выход на задний двор, как разделить общественную и жилую зоны и организуем места для хранения.

Наша работа - довольно увлекательная и уж точно вовлекательная, а вот ее результат, альбом Архитектурных Решений (АР), потом отдается конструктору, который для нас с вами создаст техническую документацию, в которой вам совсем не обязательно дотошно разобраться, но которую надо будет изучить прорабу для предоставления вам сметы на строительство.

Примеры страниц из  Архитектурного   проекта
Примеры страниц из Архитектурного проекта
Примеры страниц из  Архитектурного   проекта
Примеры страниц из Архитектурного проекта

Понятнее стало, что есть какой раздел и для чего он? Остались вопросы, уточнения? Например, кто продумывает конструктив здания, м? Вопрос с подвохом 😏