Найти в Дзене
Войти
Константин Максимов
Подписаться
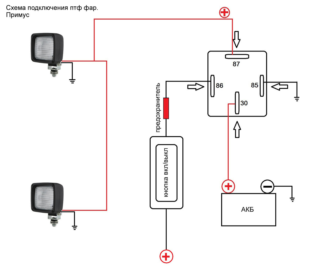
Установка и подключение противотуманных фар
5 декабря 2021
5 дек 2021
6
...
Читать далее