Добавить в корзинуПозвонить
Найти в Дзене

МОДЕРНИЗАЦИЯ СИСТЕМЫ ТЕХНОЛОГИЧЕСКИХ ТРУБОПРОВОДОВ ВЫСОКОТЕМПЕРАТУРНЫХ ТЕПЛОНОСИТЕЛЕЙ КОТЕЛЬНОЙ

Компания «Русский Дом» предлагает услуги по выполнению комплекса работ по модернизации энергетической установки (котельной) и сетей технологического теплоснабжения высокотемпературных органических носителей (ВОТ). Модернизация котельной в части системы технологических трубопроводов высокотемпературных органических носителей (ВОТ) и энергетической установки для получения ВОТ и горячей воды в целях реализации мероприятий по увеличению мощности промышленного производства. Объект: Санкт-Петербург Состав работ: комплекс проектных, строительно-монтажных, пусконаладочных и иных работ по модернизации энергетической установки (котельной) и сетей технологического теплоснабжения высокотемпературных органических носителей (ВОТ). Вид строительства – модернизация: Проектом предусматривается прокладка трубопроводов ВОТ от котельной до технологических установок внутри арматурного и главного производственных цехов по существующим строительным конструкциям с установкой дополнительных опорных конструкций
Оглавление

Компания «Русский Дом» предлагает услуги по выполнению комплекса работ по модернизации энергетической установки (котельной) и сетей технологического теплоснабжения высокотемпературных органических носителей (ВОТ).

Системы технологических трубопроводов высокотемпературных органических носителей
Системы технологических трубопроводов высокотемпературных органических носителей

Модернизация котельной в части системы технологических трубопроводов высокотемпературных органических носителей (ВОТ) и энергетической установки для получения ВОТ и горячей воды в целях реализации мероприятий по увеличению мощности промышленного производства. Объект: Санкт-Петербург

Состав работ: комплекс проектных, строительно-монтажных, пусконаладочных и иных работ по модернизации энергетической установки (котельной) и сетей технологического теплоснабжения высокотемпературных органических носителей (ВОТ).

Вид строительства – модернизация:

Проектом предусматривается прокладка трубопроводов ВОТ от котельной до технологических установок внутри арматурного и главного производственных цехов по существующим строительным конструкциям с установкой дополнительных опорных конструкций.

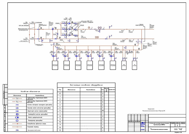
Технологическая схема является закрытой, теплоноситель — масло Термолан М (высокотемпературный органический теплоноситель (ВОТ) с максимальной температурой 2500С и максимальным давлением 0,6 МПа).

Тепловые нагрузки:

Существующая подключенная тепловая нагрузка 1-й очереди производства:

цех 1 — 3520 кВт

Существующая подключенная тепловая нагрузка 2-й очереди производства:

цех 2 — 4370 кВт, отопление 2005 кВт, ГВС 4590 кВт, вентиляция 500 кВт, соб. нужды 570 кВт

Планируемая дополнительная тепловая нагрузка 1-й очереди:

2-й пролет цех 1 — (кассетные машины 2 шт.) 750 кВт

3-й пролет цех 1 — (термоподдоны 10 шт.) 500 кВт, (термоподдоны 6 шт.) 300 кВт

4-й пролет цех 1 — (термоподдоны 2 шт.) 200 кВт

Итого: 17305 кВт

Основное энергетическое оборудование - 20 000 кВт:

1-я очередь производства: 2 (два) термомасляных котла BBS HG 4000 (4000 кВт)

2-я очередь производства: 3 (три) термомасляных котла BBS HG 4000 (4000 кВт)

Режим работы оборудования в расчетном режиме — круглогодичный, без технологических отключений, параметры теплоносителя постоянные.

Тепломеханическая схема системы технологических трубопроводов высокотемпературных органических носителей
Тепломеханическая схема системы технологических трубопроводов высокотемпературных органических носителей

Цикл термообработки:

Цикл тепловой обработки бетона составляет 12 часов (4 часа подъем, 4 часа выдержка, 4 часа охлаждение). Температура на поверхности изделия, при температуре окружающей среды 50С не менее 600С не более 800С.

Предусмотрено программируемое управление циклами тепловой обработки (изменение времени ТВО (подъема, выдержки и охлаждения)),  максимальной температурной обработки и термическим градиентом температуры.

Предусмотрена регистрация циклов тепловой обработки и температур с целью архивации и передачи данных для текстовой обработки.

Источник: https://www.prdx.ru/modernizaciya-sistemy-texnologicheskix-truboprovodov-vysokotemperaturnyx-teplonositelej-kotelnoj/