Добавить в корзинуПозвонить
Найти в Дзене
Меандр Радиолюбитель

Самый простой ремонт LED лампы или матрицы прожектора.

Всем доброго, недавно я рассказывал о найденном в утиле прожекторе и описывал его поломку.
Сам прожектор я отремонтировал методом замены матрицы и статью напишу чуть позже. В сегодняшней публикации расскажу, как легко отремонтировать и если нужно, доработать подобные матрицы. При таком ремонте не нужно покупать специализированные драйверы, которые к слову, в каждом изделии свои. Типовые решения не для буржуев, там конкуренция и каждый производитель лепит своё.
И так:
Имелась вот такая LED матрица в которой пять СД линеек, при чем, для питания каждой, установлен отдельный драйвер. Из пяти линеек, а вернее из пяти драйверов, в строю остался только один. Сами же драйверы, уходя в мир горелого кремния, унесли с собою и от одного до трех светодиодов из своих линеек. Все драйверы и все горелые светодиоды демонтировал при помощи утюга и пинцета. Из нижней линейки, все уцелевшие светодиоды перекочевали, в вышестоящие, взамен горелым. Далее, при помощи регулируемого блока питания выяснил, ч

Всем доброго, недавно я рассказывал о найденном в утиле прожекторе и описывал его поломку.
Сам прожектор я отремонтировал методом замены матрицы и статью напишу чуть позже. В сегодняшней публикации расскажу, как легко отремонтировать и если нужно, доработать подобные матрицы. При таком ремонте не нужно покупать специализированные драйверы, которые к слову, в каждом изделии свои. Типовые решения не для буржуев, там конкуренция и каждый производитель лепит своё.
И так:
Имелась вот такая LED матрица в которой пять СД линеек, при чем, для питания каждой, установлен отдельный драйвер.

Из пяти линеек, а вернее из пяти драйверов, в строю остался только один. Сами же драйверы, уходя в мир горелого кремния, унесли с собою и от одного до трех светодиодов из своих линеек.

Схема матрицы до ремонта.
Схема матрицы до ремонта.

Все драйверы и все горелые светодиоды демонтировал при помощи утюга и пинцета.

-3

Из нижней линейки, все уцелевшие светодиоды перекочевали, в вышестоящие, взамен горелым.

-4

Далее, при помощи регулируемого блока питания выяснил, что ток одного светодиода равен примерно 40мА, напряжение же указано на самой матрице.

-5

Далее иду в программу и рассчитываю гасящий конденсатор на суммарный ток четырёх линеек.

-6

Для уменьшения бросков тока через линейки и для частичного выравнивания тока каждой, к общему балласту их нужно подключать через резисторы. Считаю номинал резисторов.

-7

Теперь осталось припаять к матрице конденсатор балласта и резисторы в линейки.
Вместо одного конденсатора на 2,2мкФ взял два по 1мкФ и соединил их параллельно.
При включении замечено мерцание.

Так выглядит мерцание через камеру.
Так выглядит мерцание через камеру.

Для устранения данного безобразия, после выпрямителя, добавлен конденсатор ёмкостью 33мкФ. Мерцание исчезло.

-9

Резисторы греются, но даже при долгой работе не перегреваются критично, краска во всяком случае не кукожится.

-10

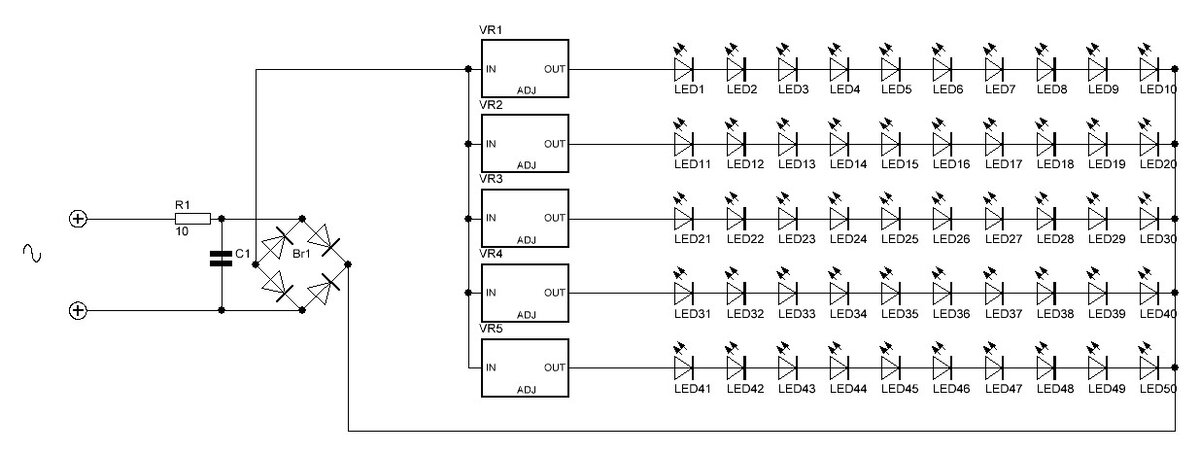
Схема после переделки выглядит примерно так:

-11

Теперь надо придумать куда это изделие притулить.
На ремонт потрачено 4р, из покупных только резисторы 1к, остальные детали сняты с накопленного за долгие годы хлама.
На вскидку, сравнивая силу освещенности комнаты с LED лампой на 15Вт, эта матрица светит ватт на 30-35 примерно. Для осветителя доставшегося даром, вполне не плохо.

Спасибо за внимание и до новых встреч!