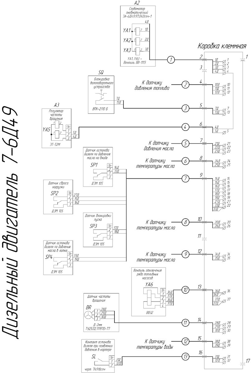
Ниже приведена схема электрическая дизельного двигателя 7-6Д49 производства АО "Коломенский завод". Может пригодится при ремонте или поиске неисправностей.
Ниже приведена схема электрическая дизельного двигателя 7-6Д49 производства АО "Коломенский завод". Может пригодится при ремонте или поиске неисправностей.
...Читать далее
Ниже приведена схема электрическая дизельного двигателя 7-6Д49 производства АО "Коломенский завод". Может пригодится при ремонте или поиске неисправностей.