Добавить в корзинуПозвонить
Найти в Дзене

Педаль овердрайва по мотивам Vemuram Jan Ray

Введение Дорогие друзья, всем привет! Осенью прошлого года в этой и в этой статьях я рассказывал про свой опыт сборки гитарного лампового усилителя по мотивам классического Fender Deluxe Reverb. Аппарат по сей день работает исправно, без нареканий и радует своим звуком. Но ему нужна грелка. Объективно, иногда очень хочется чуть-чуть подрайвовее, чуть-чуть погромче, дать ему немного по заднице, чтоб раскрыть еще лучше прелести его звучания. В общем-то тема с грелками заезженная и людям, увлекающимся гитаризмом, вполне понятная, посему останавливаться на ней не буду, тут лишь вопрос выбора, а схем навалом. Но с выбором я долго не мучался. Дело в том, что мне очень нравится творчество бразильского гитариста Mateus Asato. Причем не только музыкальная составляющая, но и звук или звучание, кому как больше нравится. В своем роде краеугольным камнем его педалборда является Vemuram Jan Ray. Софт овердрайв с очень мягким ограничением и плавным переходом в брейк-ап. Буквально все обзоры этой пед
Оглавление

Введение

Дорогие друзья, всем привет!

Осенью прошлого года в этой и в этой статьях я рассказывал про свой опыт сборки гитарного лампового усилителя по мотивам классического Fender Deluxe Reverb.

Аппарат по сей день работает исправно, без нареканий и радует своим звуком. Но ему нужна грелка. Объективно, иногда очень хочется чуть-чуть подрайвовее, чуть-чуть погромче, дать ему немного по заднице, чтоб раскрыть еще лучше прелести его звучания. В общем-то тема с грелками заезженная и людям, увлекающимся гитаризмом, вполне понятная, посему останавливаться на ней не буду, тут лишь вопрос выбора, а схем навалом.

Но с выбором я долго не мучался. Дело в том, что мне очень нравится творчество бразильского гитариста Mateus Asato. Причем не только музыкальная составляющая, но и звук или звучание, кому как больше нравится. В своем роде краеугольным камнем его педалборда является Vemuram Jan Ray. Софт овердрайв с очень мягким ограничением и плавным переходом в брейк-ап. Буквально все обзоры этой педали на ютуб, которые мне довелось найти, оставили исключительно положительные впечатления. Вот такая во всех отношениях приятная педаль с отнюдь неприятным ценником под 30 т.р.

Ну что ж, давайте посмотрим на схему подопытного.

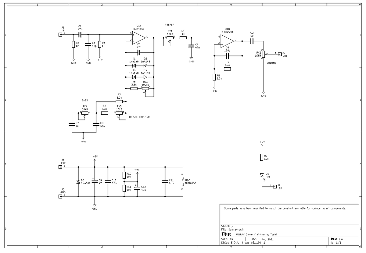
1. Оригинальная схема

-2

Мда, обсуждать тут особенно и нечего... На входе у нас цепочки ФНЧ+ФВЧ. В цепи ООС первого ОУ 2 пары диодных цепочек на 1N4148, тут же понятное дело регулировка Gain. Также в цепи ООС расположен регулятор Bass и подстроечник Bright.

После первого каскада установлен простейший регулятор Treble. На выходе каскад на ОУ с коэффициентом усиления 2, вроде как мейк-ап гейн и на самом выходе потенциометр, почему-то с линейной характеристикой, наверное опечатка.

С питанием также все просто как входная дверь. На входе 9 вольт, установлен диод для защиты от переполюсовки, электролит с шунтом и делитель для организации смещения (правда до сих пор не всеку, как там при делителе 10 кОм/10 кОм и питании 9 В получается 4 В, ну да ладно).

Вот в общем-то и все. Как говорит мой товарищ про фейерверки - "дыщь-быщь сорок тыщь". А схема реально рублей на 500. Конечно музыканты могут возражать, мол покупаем-то звук, а он реально ого-го! К тому же педаль сделана вручную аж в Японии, не какой-то там русский самопал, а корпус так вообще из меди. Но тут уж каждый аргументы для себя определяет сам. А я что я хотел сказать - сказал, ну вы поняли :)

-3

Но тем не менее решение принято, от программы отступать нельзя. Но я же почти всегда делаю по мотивам...

2. Измененная схема

2.1 Цепи коммутации

Друзья, первое с чего я начал "курочить" оригинальную схему это цепи коммутации. В исходном варианте предполагается т.н. холодный или тру байпас. Многими энтузиастами это словосочетание как-то с придыханием произносится, дескать, это чуть ли не единственное решение, которое не влияет на звук.

В этом смысле я от одного из специалистов тут уже слышал мнение, что чем меньше деталей, тем меньше искажений. Ну а что, логика безусловно железная. В пределе если вообще ничего не собирать, то и деталей нет, девайса нет, нет и искажений. Вообще! :)

Мне кнопка с фиксацией ни шла ни ехала. Я считаю это просто не удобно в части трассировки сигнальных проводников. Также это элемент механический, он изнашивается, не герметичный, на контактных группах возникают окислы со всеми вытекающими. В общем решение было однозначным - только герметичные реле с управлением от тактовой кнопки без фиксации.

Реле я выбрал Takamisawa SY-5K. Это специализированные хорошо себя зарекомендовавшие миниатюрные слабосигнальные реле с исключительно малым шумом и нелинейностью контактных групп. Напряжение питания катушек очень удобное - 5 В.

Сама схема переключения представлена на рисунке ниже. Выполнена она на триггере CD4013, первая половинка м/с позволяет избежать дребезга контактов. Вторая половинка управляет уже мосфетом 2N7002, который, в свою очередь, управляет реле. Реле кстати 2 штуки для полноценной коммутации каналов.

-4

Тут можно немного заострить внимание на двух вещах. Во-первых, CD4013 это м/с цифровая, работа которой характеризуется крутыми фронтами и тылами - высокими значениями dI/dt. Поэтому тут надо с осторожностью относиться как к ее расположению на печатной плате, желательно подальше от сигнальных цепей, так и к наличию блокировочных керамических конденсаторов в непосредственной близости от выводов ее питания. Я вообще пошел дальше и питание цепей коммутации организовал от своего отдельного стабилизатора, об этом чуть ниже.

Во-вторых, у некоторых уже наверное возник вопрос по поводу щелчков при переключении реле. Друзья, у меня вообще никаких проблем со щелчками нет. Нужно просто не забывать через резисторы "подтягивать" к земле точки соединения конденсаторов и контактов реле. Очень простое условие.

Вышеприведенную схему я использовал впервые, но она показала свою исключительную надежность. CD4013 доступна в DIP и SOIC корпусах, имеет отечественные аналоги и весь узел при компоновке занимает очень мало места. Буду пользоваться впредь и вам советую.

2.2 Цепи питания

Сейчас наверное у некоторых пойдет кровь из глаз, ведь схема питания моей педали сложнее, чем некоторые схемы педалей в целом. Друзья, я не очень хочу возвращаться к тематике организации качественного питания, тем более, что в этой статье я все уже подробно рассказывал и даже показывал. В общем вот схема

-5

Педаль питается от 12 В. На входе установлен диод от переполюсовки и индикатор напряжения. При этом источников питания у меня как бы два. Первый предназначен для питания цепей коммутации, включая триггер CD4013, сами реле и светодиод индикации состояния. Стабилизатор реализован на м/с от Linear Technology LT317. По сути та же LM317, только в металлостеклянном корпусе ТО-39 и током не более 300 мА. Ну и несколько получше стабилизирующие характеристики и шумы.

Напряжение для второго стабилизатора, предназначенного для питания сигнальных цепей, приходит от синфазного дросселя через CLC фильтры. Данный стабилизатор является компенсационным последовательного типа. В качестве ИОН используется стабилитрон на 3,3 В, ток которого задается начальным током стока ГСТ на MMBFJ4416. Данное решение обеспечивает как очень высокое постоянство опорного напряжения, так и очень низкий уровень шумов. Для его последующего снижения на выходе ИОН установлен фильтр из RC цепочки с частотой среза около единицы Гц. Ну и далее понятно - усилитель ошибки с коэффициентом усиления около 3 и выходной транзистор.

Такого рода схемы питания постоянно используются в оборудовании высочайшего класса Lynx Audio Дмитрия Андронникова и зарекомендовали себя в качестве надежной и исключительно качественной схемы с высокими параметрами. Реально бывает всякое и чем питается педаль зависит от случая к случаю. Специально для статьи я нашел у себя китайский блок питания на 12 В с достаточно сильными пульсациями и посмотрел как этот узел с ними справляется. Блок питания вот такой, можно купить мне кажется вообще везде.

-6

Пульсации на выходе конечно адские, картинка классическая, двойная амплитуда 370 мВ пик-пик. В общем все ожидаемо.

-7

А вот что я намерил на выходе моего стаба с питанием от этого адаптера - двойная амплитуда 1 мВ пик-пик. Я думаю тут нечего комментировать. Скажу больше - я с тех пор так и питаю педаль не от своего блока питания, а именно от этого китайского куска какашки.

-8

2.3 Первый каскад

Итак, давайте двинемся к сигнальной части, а именно - к первому каскаду. Я тут особенно не совался, схемотехника осталась прежней, но некоторые изменения все же есть. Давайте посмотрим схему.

-9

Итак, по входу у меня реле, к слову R3 это один из резисторов, который обязательно должен устанавливаться во избежание щелчков. Далее через разделительный конденсатор С5 сигнал попадает на первый ОУ, смещение которого в отличие от оригинальной схемы подается на неинвертирующий вход. В качестве операционника я выбрал наш отечественный 544УД2А в металлостеклянном корпусе. Дело в том, что эти приборы себя отлично зарекомендовали в качестве звуковых и мне было интересно как они себя поведут в данном приложении. Должен сказать, что не подвели :) Также вместо подстроечного резистора я решил установить переключатель в районе R11. Тоже идея себя оправдала. При манипуляции звук меняется тембрально, но слегка, от темного к светлому. Я так и написал на корпусе Dark и Bright. Цепи тембров я не менял. Вот в принципе все.

2.4 Выходной каскад

Прежде чем я покажу схему выходного каскада хочу немного отойти в сторону и написать, так сказать, пару слов о наболевшем.

-10

Если вернуться к оригинальной схеме в начале статьи, то видно, что выход педали снимается тупо с центрального вывода потенциометра громкости. Так, впрочем, сделано в 95% педалей. То есть фактически выходное сопротивление определяется именно положением движка потенциометра, причем вариативность номиналов тут огромная - от 10 кОм (как в данном случае) до 1 МОм.

Чем же это плохо? Лично я причин вижу несколько. Во-первых, это искажение АЧХ по мере уменьшения громкости, так как выходное сопротивление педали образует с распределенной емкостью кабеля фильтр НЧ. Друзья, согласен, если в хозяйстве нормальный кабель с нормальной емкостью, то не так это и страшно. К примеру, 2 метра кабеля с распределенной емкостью 200 пФ вместе с потенциометром 100 кОм, выкрученным на 12 часов, даст срез в минус 3 дБ на частоте 20 кГц.

Во-вторых, высокое выходное сопротивление снижает помехоустойчивость педали и делает ее более восприимчивой к наводкам.

В-третьих, выходное сопротивление совместно с входным сопротивлением следующего по цепочке устройства образует делитель напряжения. Да, действительно, входное сопротивление педалей как правило составляет от 330 кОм до 1 МОм, но бывают исключения. В частности это классические фузы, у которых входное сопротивление мне встречалось даже 10 кОм. В таком случае будет существенное падение амплитуды сигнала и как следствие существенное ухудшение соотношения сигнал/шум.

Я полагаю многие уже крутят в голове мысль, что я стращаю, занимаюсь казуистикой. Но я считаю правильным проектировать исходя из консервативного подхода, так как практически всегда нет информации на что именно будет работать выход педали, какой там будет кабель, его длина, емкость и так далее. К примеру в этом видео очень хорошо поясняется и демонстрируется негативный эффект.

Мало того, разница в стоимости 1 метра очень хорошего кабеля типа Klotz AC106 и некоего обычного составляет стоимость хорошего буфера (1 ОУ или горстка транзисторов/резисторов). Одним словом, для меня решение было понятно изначально - на выходе должен быть буфер! Давайте посмотрим на его схему.

-11

Изначально данная схема рассматривалась в паблике Дмитрия Андронникова. Мной она была немного адаптирована для однополярного питания. Как будто бы ничего сложного. Каскад на 544УД2А с коэффициентом усиления 3, работающий с повторителем на сборке германиевых транзисторов 1ТС609. Давайте посмотрим какие характеристики получились.

Ток покоя задается резистором R34 и составляет порядка 17 мА. Да-да, некоторые педали в целом потребляют в 2 раза меньше :) Также я поглядел частотный диапазон данного каскада - полка до 250 кГц. На рисунке ниже представлена переходная характеристика. Как видно - никаких выбросов или переколебаний, каскад вполне устойчивый.

-12

Амплитуда неискаженного сигнала на выходе составляет около 2,3 В, чего вполне достаточно для большинства случаев.

-13

Давайте теперь посмотрим на выходное сопротивление каскада, которое я померил вот по этой методике. Смысл ее простой: есть исходное напряжение на выходе без нагрузки Vбезнагр, есть напряжение на выходе с нагрузкой Vнагр и есть значение нагрузки (резистора) Rнагр. Расчетная формула простая Rвых=Rнагр((Vбезнагр/Vнагр)-1). В моем случае значение получилось равным 1 кОм (это с учетом резисторов R40, R41 по 33 Ома каждый).

Кстати есть очень простая формула для прикидки выходного сопротивления эмиттерного повторителя, приведенная в книге Хоровица/Хилла: Rвых=25/Iк, где Iк это ток коллектора в мА. В нашем случае получается около 1,5 кОм, что в принципе достаточно для приближенной оценки.

Итак, я доволен выходным сопротивлением, можно конечно его ополовинить увеличив ток покоя, но в моем случае такой необходимости просто нет, хотя техническая возможность имеется.

Да, чуть не забыл про один немаловажный момент - байпас педали у меня тоже буферизирован ОУ по схеме повторителя. Причины я называл выше. В общем ниже приведена собранная по кусочкам полная схема девайса.

-14

Друзья, теперь предлагаю перейти от теории к практике, вернее к вопросам физической реализации овердрайва.

3. Печатная плата

Весь цикл работ по отрисовке схемы и разработке платы я выполнял в среде KiCad, ей богу, не знаю как раньше жил без этой программы. Немного пришлось дополнить библиотеки специфическими компонентами, типа сборки ГТС609. Получилась вот такая плата размерами 94 на 107 мм. Должен отметить, что изначально я "подныривал" под форм-фактор педалей от Strymon, потому что во-первых он реально очень удачный, и во-вторых у меня их есть :)

-15
-16

А вот так платы выглядят после изготовления и сборки

-17
-18
-19

Как видно большинство компонентов тут в смд, что безусловно удобно как в плане компактности устройства, так и трассировки, ведь в данном случае нижний слой платы может быть полностью отдан под "земляной" полигон. Я об этом уже писал в статье про Fender, но повторю еще раз - обеспечение оптимальности трассировки проводников возвратного тока является важнейшей задачей и решается она зачастую вот таким вот полигоном.

4. Корпус и окончательная сборка

Разработку корпуса я осуществлял в среде SolidWorks, которая в представлении не нуждается. Основные преимущества состоят в том, что во-первых, модель корпуса отдается изготовителю "как есть" и лазер с гибочным станком режет и соответственно гнет строго по модели с очень высокой точностью. Во-вторых, в Солиде происходит как бы женитьба корпуса и печатной платы, которая экспортируется из KiCad в модель формата .step. Сразу становится наглядно видно где не совпадают отверстия, где не хватает высоты, длины и так далее. Невероятно удобно. Ниже приведен пример виртуальной сборки.

-20
-21

Ну и наконец вот что получилось при сборке реальной.

-22
-23

Окончательный вид педали в сборе. Как по мне - весьма симпатично :)

-24
-25

5. Заключение

Друзья, семплы будут, обязательно! К сожалению мне сейчас не на чем их записать. Просто на телефон как-то зашквар, вот жду одного товарища с хорошим рекордером.

Чисто по моим ощущениям - звук классный! Именно то, что я искал. Овердрайва как будто вообще нет, но есть нечто очень легкое и не навязчивое. Но при этом звук становится значительно жирнее, богаче, полноценнее что-ли, сустейна просто тонна!

Оригинал я не слышал именно вживую, конечно хотелось бы лоб в лоб сравнить и вообще говоря понять, внес ли определенный окрас выходной каскад на германцах, или мб свой вклад внес наш ОУ 544УД2А, или быть может влияние оказал улучшенный блок питания внутри педали. Или может вообще все сразу? Сказать трудно, да и какая впрочем разница, ведь главное что я до предела доволен звуком и финишным конструктивом. А значит творчество не напрасно :)

И еще что хотел сказать напоследок. Если у кого-то есть идеи в части повторения достойных на ваш взгляд приборов, пишите пожалуйста в комментариях. Ну вот на это в общем-то все! Пока.